Submit manuscript...
eISSN: 2641-936X

Electrical & Electronic Technology Open Access Journal

Research Article Volume 2 Issue 3

Implementing an automated power outlet distribution control system using electronic wastes

Akinola S Olayinka,1 Wilson Nwankwo,2 Tosin C Olayinka,2 MO Osiele3

1Department of Physics, Edo University Iyamho, Nigeria
2Department of Computer Science, Wellspring University, Nigeria
3Department of Physics, Delta State University, Nigeria

Correspondence: Wilson Nwankwo, Department of Computer Science, Wellspring University, Edo State, Nigeria, Tel (+)2348037636067

Received: July 25, 2018 | Published: November 19, 2018

Citation: Olayinka AS, Nwankwo W, Olayinka TC, et al. Implementing an automated power outlet distribution control system using electronic wastes. Electric Electron Tech Open Acc J. 2018;2(3):273-279. DOI: 10.15406/eetoaj.2018.02.00027

Download PDF

Abstract

Electronic dumping is a global challenge and fortunately majority of these wastes could be recycled can provide an economically viable and healthy environment as well as offer new insights on how potential sources of environmental hazards could be transformed into useful products. In this paper, we present data used during the creation of an automated power outlet system from electronic wastes. Automated power control and distribution systems are important in reducing the cost of energy utilization in homes, offices, and in industrial environment. Usually, as energy utilization increases, the costs increase. The need to prioritize and conserve scarce energy becomes imminent especially in low income earning environments. Often times, the cost of acquisition of such devices may be high. This paper reflects on how components extracted from electronic wastes could be harnessed to produce computer-controlled power outlet system. Recourse is also had to how the re-use of old and discarded computer components could foster recycling of electronic wastes thereby reducing dumping of electronic wastes which are likely to cause serious environmental management challenges. Data presented are intended to provide vivid details on the various components and tools used (motherboard, RAM, ROM, metal casing, etc.), the design and assembly process as well as the integration process.

Keywords: automated power distribution control, microcontroller, electronic wastes, environment, power management

Introduction

Electronic waste also called E-waste is often used in different ways. In simple terms, it is a generalized name for electrical and electronic products approaching the end or at the end of its useful life.1–3 E-waste has also been defined to imply all electric and electronic devices or components that have lost their primordial values especially to their original owners4,5 refers to e-waste as discarded electrical and electronic equipment and components. According to6 E-waste includes a growing range of electronic devices such as refrigerators, air conditioners, cell phones, consumer electronics, computers, etc. that have been discarded by their users.

Technopedia7 describes electronic waste as “the disposal of broken and/or obsolete electronic components and materials”. Electronic waste may be valuable and recyclable, for example, RAM chips, circuit boards, etc.8 The actual composition of electronic wastes is diverse and differs across products. These wastes have been found to contain a thousand different substances often classified into hazardous and non-hazardous groups. Commonly recognized e-waste components are plastic casings, ferrous and non-ferrous metals, activated glass, printed circuit boards (PCB), concrete, wood, batteries, cathode-ray tubes, lead capacitors, etc. A larger chunk of these wastes are shipped to less-developed and developing countries9 where such contributes to increasing environmental pollution and hazards owing to challenges poor waste disposal systems.

Due to the advancement in technology and increased manufacturing of electronic devices in developed countries, the trend in the generation of e-wastes has become a global concern. In the last few years, there has been various international calls for action in respect of the need to develop strategic interventions for dealing with the challenge posed by e-waste. These calls include but not limited to: The Libreville Declaration on Health and Environment in Africa which was the first Inter-Ministerial Conference held in 2008 to consolidate on the commitments and declarations that bear on health and environmental health and safety;10 the Busan Pledge for Action on Children’s Environmental Health11,12 which emanated from the third World Health Organization(WHO) conference on Children’s health and the Environment held in Busan, Korea in June 2009, and additions made to the Global Plan of Action of the Strategic Approach to Integrated Chemical Management(SAICM)13 issued at the International Conference on Chemical Management(ICCM3) in Nairobi Kenya in September 2012.

Though, there are a number of national and international initiatives and programmes that are geared towards addressing the e-waste management as it affects environmental pollution, Health, and Safety, the major bottlenecks to the success of the myriad programmes has been the implementation process. As stated earlier, e-waste may contain valuable as well as recyclable material. Accordingly, this paper on production of automated power outlet distribution system explores the re-use option as a way of reducing the volume of electronic wastes dumping.

Potential energy savings and reduced running costs can be achieved through automation.14–16 As desirable as automated control systems are, there is often the attendant cost of procurement and deployment especially in developing countries. Alternative solutions to costly sophisticated systems is likely to attract more attention especially where there exist relatively good sources of production materials. The data presented in this article is a description of materials for the production of majority of which are synthesized from electronic computer dumps. Emphasis is on the production of cheap and cost-effective automated power outlet control and distribution system through the use of computer hardware dumps as basic materials in addition to fewer refined and cheap discrete components. Component by component specifications are represented by way of diagrams in the form of figures, tables, etc. as well as description of system design tools and program model. Access to Electronic dumps; careful extraction of useful components such as motherboards, ROM, RAM, Metal Casing, Extracted component functionality testing, Acquisition of Micro-controller (where necessary), Assembly of components, High level programming and automated microprogramming are summarily discussed. Table 1 shows the basic statistics of the components used. Figure 1 is a block diagram that reflects the assemblage of the various components of the system.

Figure 1 Block diagram for automated power distribution outlet system.

Relevance of this paper

The relevance of this paper are stated as follows: Electronic dumping poses serious global environmental challenge especially in the Eastern, Central, and Sub-Saharan Africa where much dumping of second-hand electronic goods from Europe and the Americas is predominant. Electronic waste disposal is a difficult venture hence recycling is a welcome development as it is a way of generating economically viable products, reducing environmental pollution thereby boosting healthy environment as well as offer new insights on how potential sources of environmental hazards could be transformed into useful products.

New automated power control systems for home and office uses may not be cost-effective especially to low income earners; exploring other options may lead to the development of cheaper and effective solutions. Extraction, fabrication, assembly, integration and deployment of a cost-effective power utilization solution can ignite new line of small to medium scale production industries thereby creating jobs and improving gross domestic product of the country in question.

Homes, offices, and industries can conserve energy and reduce energy costs by deploying such automated power outlet distribution system like the one described in this article. The data in this paper is concrete and descriptive thus making it easy for other researchers and technologists to replicate or improve on the procedures stated therein for better production quality and output.

Materials and methods

The materials used are: PC, USB-serial cable, Step-down transformer, Diode bridge rectifier, capacitors, Microcontroller, Microsoft Visual studio IDE, 16x2 LCD, transistors, DC Step-down converter.

Material selection/acquisition

The materials are classified into two namely: hardware and software. Some hardware components are sourced from electronic dumps which attracts little or no costs. However, other components as shown in Table 1 above are purchased. The components sourced from dumps are carefully extracted and tested to ensure workability.

S/N

Description

Source

1

PC with 512MB RAM, 50GB Hard running Windows 2000 or XP

Discarded PC Dumps

2

USB-to-Serial cable

Discarded PC Dumps

3

12V Step down transformer

Purchase

4

Diode Bridge rectifier

Purchase

5

16x2 LCD

Purchase

6

Microcontroller with Solid state isolation( Intel 8051/8052)

Discarded PC Dumps

7

Capacitor filter

Discarded PC Dumps

8

DC step-down converter(voltage regulatorIC7805)

Purchase

9

RS232 Voltage converter

Purchase

10

Motherboard(circuit board)

Discarded PC Dumps

11

Soldering iron and Lead

Purchase

Table 1 Component specification

The design of the system is divided into three sections:

  1. Power supply circuitry
  2. Microcontroller and LCD integration
  3. High-level programming of Application frontend

Power circuitry

Every electrical or electronic device in use or intended for use require a power supply. The AC supply in use at this geographical area is 220V 60Hz, but this power cannot be used directly on electronic devices. In other words, the AC power has to be converted to the required form usually a DC and in this case 5VDC which is what the Microcontroller in this design requires. Power electronic converters are of various types e.g. step-down converter, step-up converter, voltage stabilizer, AC to DC converter, DC to DC converter, DC to AC converter, etc. but we used a 12V step-down converter to convert the 220VAC mains supply to 12VAC. The 12VAC output of step down transformer is still not in a useful form and has to be converted into an equivalent DC form. This is achieved through rectification, smoothing, and regulation. That is the 12V AC from the step-down transformer(converter) is sent through a bridge rectifier, smoothened through the use of capacitor filters as the DC obtained during rectification is not pure DC but pulses. Smoothing filters the pulsating DC into a pure DC. The smoothened voltage is subsequently regulated using the 5V DC regulator. A schematic for the rectification, smoothing, and regulation process (Figure 2 & Figure 3).

Figure 2 Step-down converter.

Figure 3Conversion, rectification, smoothing, and regulation of 220v ac to 5v dc for use by the microcontroller.

Microcontroller and LCD integration

This phase involved the connection of the relevant Microcontroller connectors to the LCD, regulated voltage (5V) and the input power from the power distribution outlets (sockets). Four sockets were used in this experiment. Connection is achieved through soldering the connectors with the Soldering iron and lead metal. The basic pinout of the Intel 8052 microcontroller. The HD44780U 16x2 LCD module. The LCD module is to provide display for user interaction with the Microcontroller via the High level program that runs on the PC. The LCD is a 16x2 display allowing the display of sixteen characters (16 columns) in any of the two rows(lines) (Figure 4 & Figure 5). Table 2 presents the specifications of the Intel 8052 8-bit Microcontroller. Table 3 shows the pinout descriptions of the HD44780U dot-matrix LCD module.

Figure 4Intel 8052 microcontroller pinouts.

Figure 5HD44780U dot matrix liquid crystal display (LCD) controller/driver [source: Hitachi].

Clocks per instruction cycle (fewer is better)

12

Timers

3

Watchdog Timer

No

UARTs/serial ports

1

Internal DATA RAM bytes

256

Internal XDATA RAM bytes

0

Maximum program size without external logic

64K

Wait-state support

No

DMA channels

0

Maximum PIO port pins

32

Debug without emulator

No

Number of interrupts

Fixed

Table 2 Intel 8052 8-bit microcontroller specifications

S/No

Pin No.

Title

function

Description

Pin Connection

1

Pin 1

Ground

Source

Ground pin of LCD

Connected to the ground of the MCU/ Power source

2

Pin 2

VCC

Source

Supply voltage pin of LCD

Connected to the supply pin of Power source

3

Pin 3

V0/VEE

Control

Used to adjust the contrast of the LCD.

Connected to a variable POT that can source 0-5V

4

Pin 4

Register Select

Control

Toggles between Command/Data Register

Connected to a MCU pin and gets either 0 or 1.0 -> Command Mode, 1-> Data Mode

5

Pin 5

Read/Write

Control

Toggles the LCD between Read/Write Operation

Connected to a MCU pin and gets either 0 or 1. 0 -> Write Operation, 1-> Read Operation

6

Pin 6

Enable

Control

To be held high to perform Read/Write Operation

Connected to MCU and always held high.

7

Pin 7-14

Data Bits (0-7)

Data/Command

Send Command or data to the LCD.

In 4-Wire Mode Only 4 pins (0-3) is connected to MCU, In 8-Wire Mode All 8 pins(0-7) are connected to MCU

8

Pin 15

LED Positive

LED

For normal LED-like operation to illuminate the LCD

Connected to +5V

9

Pin 16

LED Negative

LED

Normal LED-like operation to illuminate the LCD connected with GND.

Connected to ground

Table 3 Pinout description of the HD44780U dot-matrix liquid crystal display module

Microcontroller programming

Assembly language was used to program the micro-controller. Assembly language provide mnemonics that reflect the machine code instructions. The steps taken to write the Assembly language instructions are outlined as follows:
The MIDE editor was used to write the instructions which were saved in an ASCII source file. The “asm” source file above is fed to an 8052 assembler (MIDE) which converts the instructions into machine code. Prior to the machine code conversion, note that the assembler produced two files in the process: an object file and a list file with extensions “.obj” and “.lst” respectively. These files must be linked using a linker.

The linker program takes one or more object code files and produce an absolute object file with the extension “.abs”.

 The “.abs” file is then fed into the object to hex converter (OH) which creates a file with extension “hex”. The ‘.hex’ file is then downloaded or burnt into the ROM.

Frontend/user interface programming

The User interface programming is done using Microsoft Visual Basic. The frontend has three components: Splash Screen which displays welcome messages to the users.

Power outlet distribution interface: This enables the user switch ON or OFF any of the power outlet.

Timer: This enables user set time to turn any socket ON or OFF.

Results

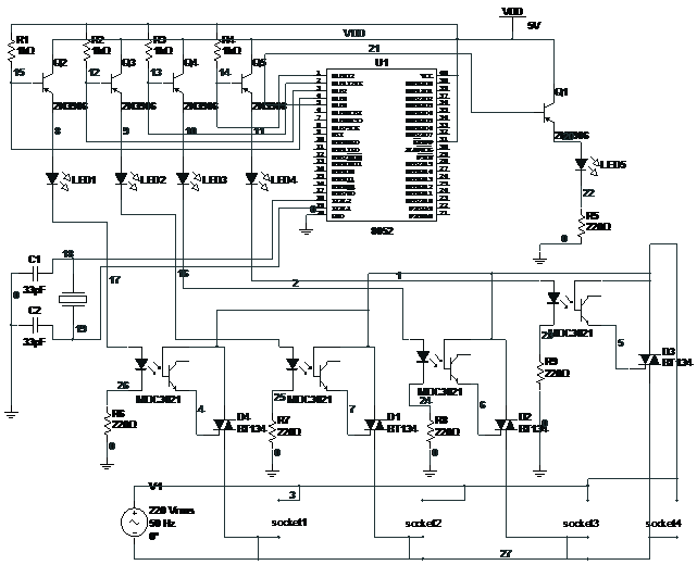
Schematic diagram that shows the result of the integration of Microcontroller and LCD with the regulated power as well as the connections to the four power outlets to be controlled (Figure 6). The user interface through which the various components of the distribution outlet system could be easily used (Figure 7).

Figure 6Schematic showing integration of microcontroller and LCD.

Figure 7User interface for controlling the power distribution outlets.

Conclusion

This paper discussed the creation of an automated power outlet distribution system using materials derived from electronic wastes. The prototype includes an interactive graphics user interface through which a user will be able to control the four power outlets attached to the PC via USB interface. With this solution, power distribution in homes or office for automation could be appropriately shared and controlled from a low-end computer system. The methods employed here could also be adapted or extended to produce sophisticated but easy to use apparatus for controlling distribution by way of a local or remote electronic device not necessarily a PC in a Production Line, Factory line automation and control, Security Systems, to mention a few.

Acknowledgements

None.

Conflict of interest

The author declares there is no conflict of interest.

References

  1. Needhidasan S, Samuel M, Chidambaram R. Electronic waste – an emerging threat to the environment of urban India. J Environ Health Sci Eng. 2014;12(1):36.
  2. E-waste volume I: inventory assessment manual.United Nations Environment Programme (UNEP). 2007.
  3. Directive 2012/19/EU of the European Parliament and of the Council of 4 July 2012 on waste electrical and electronic equipment (WEEE). Council of the European Parliament. 2012:1–34.
  4. Sthiannopkao S, Wong MH. Handling e-waste in developed and developing countries: Initiatives, practices, and consequences. Sci Total Environ. 2013;463-464:1147–1153.
  5. Lundgren K. The global impact of e-waste: addressing the challenge. International Labour Organization. 2012.
  6. Puckett J, Byster L, Westervelt S. Exporting Harm: The high-tech trashing of asia, the basel action network (BAN) and Silicon Valley Toxics Coalition (SVTC). 2002.
  7. Technopeda. 2018.
  8. Osibanjo O, Nnorom IC. The challenge of electronic waste (e-waste) management in developing countries. Waste Manag Res. 2007;25(6):489–501.
  9. E-waste, volume 1: inventory assessment manual. UN Environment Programme. 2007.
  10. Libreville Declaration on Health and Environment in Africa. Libreville.2008.
  11. Children's environmental health: E-waste. WHO. 2012.
  12. 3rd International Conference on Children's Health and the Environment. WHO. 2009.
  13. Proposed additions to the Global Plan of Action, International Conference on Chemicals Management. Strategic Approach to International Chemicals Management. 2012.
  14. Becker M, Knoll P. Energy Savings and Energy Efficiency through Building Automation and Control. The REHVA European HVAC Journal. 2014;5:1–5.
  15. Grigoryeva S, Baklanov A, Titov D, et al. Analysis energy efficiency of automated control system of LED lighting. International Siberian Conference on Control and Communications (SIBCON). 2017.
  16. Duszynski MM. Saving Energy and Reducing Costs Through Better Use of Building Automation Systems. 2016.
Creative Commons Attribution License

©2018 Olayinka, et al. This is an open access article distributed under the terms of the, which permits unrestricted use, distribution, and build upon your work non-commercially.