Submit manuscript...
International Journal of
eISSN: 2573-2838

Biosensors & Bioelectronics

Mini Review Volume 3 Issue 4

Structural-parametric model of electromagnetoelastic actuator for nanomedicine and nanobiotechnology

Afonin SM

Department of Intellectual Technical Systems, National Research University of Electronic Technology (MIET), Russia

Correspondence: Afonin SM, Department of Intellectual Technical Systems, National Research University of Electronic Technology (MIET), Moscow, Russia

Received: October 27, 2017 | Published: November 16, 2017

Citation: Afonin SM. Structural-parametric model of electromagnetoelastic actuator for nanomedicine and nanobiotechnology. Int J Biosen Bioelectron. 2017;3(4):333–336. DOI: 10.15406/ijbsbe.2017.03.00076

Download PDF

Abstract

The generalized parametric structural schematic diagram, the generalized structural-parametric model, the solution of wave equation, the generalized matrix transfer function of the electromagnetoelastic actuator are determined. The dynamic and static characteristics of the actuator are obtained. The parametric structural schematic diagram and the transfer functions are determined for calculation of the control systems of the nanomedicine and the nanobiotechnology. The structural-parametric models of the piezoactuator for the transverse, longitudinal, shift piezoelectric effects are constructed.

Keywords: structural-parametric model, electromagnetoelastic actuator, piezoactuator, parametric structural schematic diagram, deformation

Introduction

The electromagnetoelastic actuator of the piezoeffect, the piezomagnetic effect, the electrostriction or the magnetostriction effect is used for precise alignment in the nanomedicine, the nanobiotechnology and the adaptive optics.1-32 The piezoactuator on the inverse piezoeffect is serves for the actuation of mechanisms or the management, converts electrical signals into displacement and force.1-8 The piezoactuator for the nanomechanics is provided the displacement from nanometers to tens of micrometers, a force to 1000 N. The piezoactuator is used for research in the nanomedicine and the nanobiotechnology for the scanning tunneling microscopes, scanning force microscopes and atomic force microscopes.14-32 In the present paper the generalized structural-parametric model and the generalized parametric structural schematic diagram of the electromagnetoelastic actuator are constructed by solving the wave equation with the Laplace transform for the equation of the electromagnetolasticity, the boundary conditions on loaded working surfaces of the actuator, the strains along the coordinate axes. The transfer functions and the parametric structural schematic diagrams of the piezoactuator are obtained from the generalized structural-parametric model. In6,7 was determined the solution of the wave equation of the piezoactuator. In the14-16,30,31 were obtained the structural-parametric models, the schematic diagrams for simple piezoactuator and were transformed to the structural-parametric model of the electromagnetoelastic actuator. The structural-parametric model of the electroelastic actuator was determined in contrast electrical equivalent circuit for calculation of piezoelectric transmitter and receiver.9-12 In8,27 was used the transfer functions of the piezoactuator for the decision problem absolute stability conditions for a system controlling the deformation of the electromagnetoelastic actuator. The elastic compliances and the mechanical and adjusting characteristics of the piezoactuator were found in18,21-23,28,29 for calculation its transfer functions and the structural-parametric models. The structural-parametric model of the multilayer and compound piezoactuator was determined in.18-20 In this paper is solving the problem of building the generalized structural parametric model and the generalized parametric structural schematic diagram of the electromagnetoelastic actuator for the equation of electromagnetoelasticity.

Structural-parametric model of electromagnetoelastic actuator

The general structural-parametric model and the parametric structural schematic diagram of the electromagnetoelastic actuator are obtained. In the electroelastic actuator are presented six stress components T 1 MathType@MTEF@5@5@+= feaagKart1ev2aaatCvAUfeBSjuyZL2yd9gzLbvyNv2CaerbuLwBLn hiov2DGi1BTfMBaeXatLxBI9gBaerbd9wDYLwzYbItLDharqqtubsr 4rNCHbGeaGqiVu0Je9sqqrpepC0xbbL8F4rqqrFfpeea0xe9Lq=Jc9 vqaqpepm0xbba9pwe9Q8fs0=yqaqpepae9pg0FirpepeKkFr0xfr=x fr=xb9adbaqaaeGaciGaaiaabeqaamaabaabaaGcbaqcLbsacaWGub WcdaWgaaqcfayaaKqzadGaaGymaaqcfayabaaaaa@3A8F@ , T2 MathType@MTEF@5@5@+= feaagKart1ev2aaatCvAUfeBSjuyZL2yd9gzLbvyNv2CaerbuLwBLn hiov2DGi1BTfMBaeXatLxBI9gBaerbd9wDYLwzYbItLDharqqtubsr 4rNCHbGeaGqiVu0Je9sqqrpepC0xbbL8F4rqqrFfpeea0xe9Lq=Jc9 vqaqpepm0xbba9pwe9Q8fs0=yqaqpepae9pg0FirpepeKkFr0xfr=x fr=xb9adbaqaaeGaciGaaiaabeqaamaabaabaaGcbaqcLbsacaWGub qcLbmacaaIYaaaaa@3948@ , T3 MathType@MTEF@5@5@+= feaagKart1ev2aaatCvAUfeBSjuyZL2yd9gzLbvyNv2CaerbuLwBLn hiov2DGi1BTfMBaeXatLxBI9gBaerbd9wDYLwzYbItLDharqqtubsr 4rNCHbGeaGqiVu0Je9sqqrpepC0xbbL8F4rqqrFfpeea0xe9Lq=Jc9 vqaqpepm0xbba9pwe9Q8fs0=yqaqpepae9pg0FirpepeKkFr0xfr=x fr=xb9adbaqaaeGaciGaaiaabeqaamaabaabaaGcbaqcLbsacaWGub qcLbmacaaIZaaaaa@3949@ , T4 MathType@MTEF@5@5@+= feaagKart1ev2aaatCvAUfeBSjuyZL2yd9gzLbvyNv2CaerbuLwBLn hiov2DGi1BTfMBaeXatLxBI9gBaerbd9wDYLwzYbItLDharqqtubsr 4rNCHbGeaGqiVu0Je9sqqrpepC0xbbL8F4rqqrFfpeea0xe9Lq=Jc9 vqaqpepm0xbba9pwe9Q8fs0=yqaqpepae9pg0FirpepeKkFr0xfr=x fr=xb9adbaqaaeGaciGaaiaabeqaamaabaabaaGcbaqcLbsacaWGub qcLbmacaaI0aaaaa@394A@ , T5 MathType@MTEF@5@5@+= feaagKart1ev2aaatCvAUfeBSjuyZL2yd9gzLbvyNv2CaerbuLwBLn hiov2DGi1BTfMBaeXatLxBI9gBaerbd9wDYLwzYbItLDharqqtubsr 4rNCHbGeaGqiVu0Je9sqqrpepC0xbbL8F4rqqrFfpeea0xe9Lq=Jc9 vqaqpepm0xbba9pwe9Q8fs0=yqaqpepae9pg0FirpepeKkFr0xfr=x fr=xb9adbaqaaeGaciGaaiaabeqaamaabaabaaGcbaqcLbsacaWGub qcLbmacaaI1aaaaa@394B@ , T6 MathType@MTEF@5@5@+= feaagKart1ev2aaatCvAUfeBSjuyZL2yd9gzLbvyNv2CaerbuLwBLn hiov2DGi1BTfMBaeXatLxBI9gBaerbd9wDYLwzYbItLDharqqtubsr 4rNCHbGeaGqiVu0Je9sqqrpepC0xbbL8F4rqqrFfpeea0xe9Lq=Jc9 vqaqpepm0xbba9pwe9Q8fs0=yqaqpepae9pg0FirpepeKkFr0xfr=x fr=xb9adbaqaaeGaciGaaiaabeqaamaabaabaaGcbaqcLbsacaWGub qcLbmacaaI2aaaaa@394C@ , the components T1 MathType@MTEF@5@5@+= feaagKart1ev2aaatCvAUfeBSjuyZL2yd9gzLbvyNv2CaerbuLwBLn hiov2DGi1BTfMBaeXatLxBI9gBaerbd9wDYLwzYbItLDharqqtubsr 4rNCHbGeaGqiVu0Je9sqqrpepC0xbbL8F4rqqrFfpeea0xe9Lq=Jc9 vqaqpepm0xbba9pwe9Q8fs0=yqaqpepae9pg0FirpepeKkFr0xfr=x fr=xb9adbaqaaeGaciGaaiaabeqaamaabaabaaGcbaqcLbsacaWGub qcLbmacaaIXaaaaa@3947@  - T3 MathType@MTEF@5@5@+= feaagKart1ev2aaatCvAUfeBSjuyZL2yd9gzLbvyNv2CaerbuLwBLn hiov2DGi1BTfMBaeXatLxBI9gBaerbd9wDYLwzYbItLDharqqtubsr 4rNCHbGeaGqiVu0Je9sqqrpepC0xbbL8F4rqqrFfpeea0xe9Lq=Jc9 vqaqpepm0xbba9pwe9Q8fs0=yqaqpepae9pg0FirpepeKkFr0xfr=x fr=xb9adbaqaaeGaciGaaiaabeqaamaabaabaaGcbaqcLbsacaWGub qcLbmacaaIZaaaaa@3949@  are related to extension-compression stresses, T4 MathType@MTEF@5@5@+= feaagKart1ev2aaatCvAUfeBSjuyZL2yd9gzLbvyNv2CaerbuLwBLn hiov2DGi1BTfMBaeXatLxBI9gBaerbd9wDYLwzYbItLDharqqtubsr 4rNCHbGeaGqiVu0Je9sqqrpepC0xbbL8F4rqqrFfpeea0xe9Lq=Jc9 vqaqpepm0xbba9pwe9Q8fs0=yqaqpepae9pg0FirpepeKkFr0xfr=x fr=xb9adbaqaaeGaciGaaiaabeqaamaabaabaaGcbaqcLbsacaWGub qcLbmacaaI0aaaaa@394A@  - T6 MathType@MTEF@5@5@+= feaagKart1ev2aaatCvAUfeBSjuyZL2yd9gzLbvyNv2CaerbuLwBLn hiov2DGi1BTfMBaeXatLxBI9gBaerbd9wDYLwzYbItLDharqqtubsr 4rNCHbGeaGqiVu0Je9sqqrpepC0xbbL8F4rqqrFfpeea0xe9Lq=Jc9 vqaqpepm0xbba9pwe9Q8fs0=yqaqpepae9pg0FirpepeKkFr0xfr=x fr=xb9adbaqaaeGaciGaaiaabeqaamaabaabaaGcbaqcLbsacaWGub qcLbmacaaI2aaaaa@394C@  to shear stresses. For the electroelastic actuator its deformation corresponds to stressed state. For polarized piezoceramics PZT the matrix state equations12,15 connected the electric and elastic variables have the form two equations, then the first equation describes the direct piezoelectric effect, the second - the inverse piezoelectric effect

D=dT+ ε T E MathType@MTEF@5@5@+= feaagKart1ev2aaatCvAUfeBSjuyZL2yd9gzLbvyNv2CaerbuLwBLn hiov2DGi1BTfMBaeXatLxBI9gBaerbd9wDYLwzYbItLDharqqtubsr 4rNCHbGeaGqiVu0Je9sqqrpepC0xbbL8F4rqqrFfpeea0xe9Lq=Jc9 vqaqpepm0xbba9pwe9Q8fs0=yqaqpepae9pg0FirpepeKkFr0xfr=x fr=xb9adbaqaaeGaciGaaiaabeqaamaabaabaaGcbaGaaCiraiabg2 da9iaahsgacaWHubGaey4kaScccmGae8xTdu2aaWbaaSqabeaacaWG ubaaaOGaaCyraaaa@3E02@ (1)
S= s E T+ d t E MathType@MTEF@5@5@+= feaagKart1ev2aaatCvAUfeBSjuyZL2yd9gzLbvyNv2CaerbuLwBLn hiov2DGi1BTfMBaeXatLxBI9gBaerbd9wDYLwzYbItLDharqqtubsr 4rNCHbGeaGqiVu0Je9sqqrpepC0xbbL8F4rqqrFfpeea0xe9Lq=Jc9 vqaqpepm0xbba9pwe9Q8fs0=yqaqpepae9pg0FirpepeKkFr0xfr=x fr=xb9adbaqaaeGaciGaaiaabeqaamaabaabaaGcbaqcLbsacaWHtb Gaeyypa0JaaC4CaKqbaoaaCaaaleqabaqcLbmacaWGfbaaaKqzGeGa aCivaiabgUcaRiaahsgalmaaCaaabeqaaKqzadGaamiDaaaajugibi aahweaaaa@4302@  (2)

Where D MathType@MTEF@5@5@+= feaagKart1ev2aaatCvAUfeBSjuyZL2yd9gzLbvyNv2CaerbuLwBLn hiov2DGi1BTfMBaeXatLxBI9gBaerbd9wDYLwzYbItLDharqqtubsr 4rNCHbGeaGqiVu0Je9sqqrpepC0xbbL8F4rqqrFfpeea0xe9Lq=Jc9 vqaqpepm0xbba9pwe9Q8fs0=yqaqpepae9pg0FirpepeKkFr0xfr=x fr=xb9adbaqaaeGaciGaaiaabeqaamaabaabaaGcbaqcfaOaaCiraa aa@3751@  is the column matrix of electric induction; S MathType@MTEF@5@5@+= feaagKart1ev2aaatCvAUfeBSjuyZL2yd9gzLbvyNv2CaerbuLwBLn hiov2DGi1BTfMBaeXatLxBI9gBaerbd9wDYLwzYbItLDharqqtubsr 4rNCHbGeaGqiVu0Je9sqqrpepC0xbbL8F4rqqrFfpeea0xe9Lq=Jc9 vqaqpepm0xbba9pwe9Q8fs0=yqaqpepae9pg0FirpepeKkFr0xfr=x fr=xb9adbaqaaeGaciGaaiaabeqaamaabaabaaGcbaqcfaOaaC4uaa aa@3760@  is the column matrix of relative deformations; T MathType@MTEF@5@5@+= feaagKart1ev2aaatCvAUfeBSjuyZL2yd9gzLbvyNv2CaerbuLwBLn hiov2DGi1BTfMBaeXatLxBI9gBaerbd9wDYLwzYbItLDharqqtubsr 4rNCHbGeaGqiVu0Je9sqqrpepC0xbbL8F4rqqrFfpeea0xe9Lq=Jc9 vqaqpepm0xbba9pwe9Q8fs0=yqaqpepae9pg0FirpepeKkFr0xfr=x fr=xb9adbaqaaeGaciGaaiaabeqaamaabaabaaGcbaqcfaOaaCivaa aa@3761@  is the column matrix of mechanical stresses; E MathType@MTEF@5@5@+= feaagKart1ev2aaatCvAUfeBSjuyZL2yd9gzLbvyNv2CaerbuLwBLn hiov2DGi1BTfMBaeXatLxBI9gBaerbd9wDYLwzYbItLDharqqtubsr 4rNCHbGeaGqiVu0Je9sqqrpepC0xbbL8F4rqqrFfpeea0xe9Lq=Jc9 vqaqpepm0xbba9pwe9Q8fs0=yqaqpepae9pg0FirpepeKkFr0xfr=x fr=xb9adbaqaaeGaciGaaiaabeqaamaabaabaaGcbaqcfaOaaCyrai aaykW7aaa@38DD@  is the column matrix of electric field strength; s E MathType@MTEF@5@5@+= feaagKart1ev2aaatCvAUfeBSjuyZL2yd9gzLbvyNv2CaerbuLwBLn hiov2DGi1BTfMBaeXatLxBI9gBaerbd9wDYLwzYbItLDharqqtubsr 4rNCHbGeaGqiVu0Je9sqqrpepC0xbbL8F4rqqrFfpeea0xe9Lq=Jc9 vqaqpepm0xbba9pwe9Q8fs0=yqaqpepae9pg0FirpepeKkFr0xfr=x fr=xb9adbaqaaeGaciGaaiaabeqaamaabaabaaGcbaqcfaOaaC4Cam aaCaaabeqaaKqzadGaamyraaaajuaGcaaMc8oaaa@3BB3@  is the elastic compliance matrix for E=const MathType@MTEF@5@5@+= feaagKart1ev2aaatCvAUfeBSjuyZL2yd9gzLbvyNv2CaerbuLwBLn hiov2DGi1BTfMBaeXatLxBI9gBaerbd9wDYLwzYbItLDharqqtubsr 4rNCHbGeaGqiVu0Je9sqqrpepC0xbbL8F4rqqrFfpeea0xe9Lq=Jc9 vqaqpepm0xbba9pwe9Q8fs0=yqaqpepae9pg0FirpepeKkFr0xfr=x fr=xb9adbaqaaeGaciGaaiaabeqaamaabaabaaGcbaqcfaOaamyrai abg2da9iaabogacaqGVbGaaeOBaiaabohacaqG0baaaa@3D0A@ ; ε T MathType@MTEF@5@5@+= feaagKart1ev2aaatCvAUfeBSjuyZL2yd9gzLbvyNv2CaerbuLwBLn hiov2DGi1BTfMBaeXatLxBI9gBaerbd9wDYLwzYbItLDharqqtubsr 4rNCHbGeaGqiVu0Je9sqqrpepC0xbbL8F4rqqrFfpeea0xe9Lq=Jc9 vqaqpepm0xbba9pwe9Q8fs0=yqaqpepae9pg0FirpepeKkFr0xfr=x fr=xb9adbaqaaeGaciGaaiaabeqaamaabaabaaGcbaaccmqcfaOae8 xTdu2aaWbaaeqabaqcLbmacaWGubaaaaaa@3A5C@  is the matrix of dielectric constants for T=const; MathType@MTEF@5@5@+= feaagKart1ev2aaatCvAUfeBSjuyZL2yd9gzLbvyNv2CaerbuLwBLn hiov2DGi1BTfMBaeXatLxBI9gBaerbd9wDYLwzYbItLDharqqtubsr 4rNCHbGeaGqiVu0Je9sqqrpepC0xbbL8F4rqqrFfpeea0xe9Lq=Jc9 vqaqpepm0xbba9pwe9Q8fs0=yqaqpepae9pg0FirpepeKkFr0xfr=x fr=xb9adbaqaaeGaciGaaiaabeqaamaabaabaaGcbaqcfaOaamivai abg2da9iaabogacaqGVbGaaeOBaiaabohacaqG0bacbeGaa83oaaaa @3DDF@   d t MathType@MTEF@5@5@+= feaagKart1ev2aaatCvAUfeBSjuyZL2yd9gzLbvyNv2CaerbuLwBLn hiov2DGi1BTfMBaeXatLxBI9gBaerbd9wDYLwzYbItLDharqqtubsr 4rNCHbGeaGqiVu0Je9sqqrpepC0xbbL8F4rqqrFfpeea0xe9Lq=Jc9 vqaqpepm0xbba9pwe9Q8fs0=yqaqpepae9pg0FirpepeKkFr0xfr=x fr=xb9adbaqaaeGaciGaaiaabeqaamaabaabaaGcbaqcLbsacaWHKb WcdaahaaqabeaajugWaiaadshaaaqcLbsacaaMc8oaaa@3BE0@  is the transposed matrix of the piezoelectric modules. The piezoactuator (piezoplate) has the following properties: δ MathType@MTEF@5@5@+= feaagKart1ev2aaatCvAUfeBSjuyZL2yd9gzLbvyNv2CaerbuLwBLn hiov2DGi1BTfMBaeXatLxBI9gBaerbd9wDYLwzYbItLDharqqtubsr 4rNCHbGeaGqiVu0Je9sqqrpepC0xbbL8F4rqqrFfpeea0xe9Lq=Jc9 vqaqpepm0xbba9pwe9Q8fs0=yqaqpepae9pg0FirpepeKkFr0xfr=x fr=xb9adbaqaaeGaciGaaiaabeqaamaabaabaaGcbaqcfaOaeqiTdq gaaa@3829@  - the thickness, h – the height, b – the width, respectively l={ δ, h,b MathType@MTEF@5@5@+= feaagKart1ev2aaatCvAUfeBSjuyZL2yd9gzLbvyNv2CaerbuLwBLn hiov2DGi1BTfMBaeXatLxBI9gBaerbd9wDYLwzYbItLDharqqtubsr 4rNCHbGeaGqiVu0Je9sqqrpepC0xbbL8F4rqqrFfpeea0xe9Lq=Jc9 vqaqpepm0xbba9pwe9Q8fs0=yqaqpepae9pg0FirpepeKkFr0xfr=x fr=xb9adbaqaaeGaciGaaiaabeqaamaabaabaaGcbaqcfaOaamiBai abg2da9maaceaabaGaaGjbVlabes7aKjaacYcaaiaawUhaaiaadIga caGGSaGaamOyaaaa@3FFB@  the length of the piezoactuator for the longitudinal, transverse and shift piezoeffect. The direction of the polarization axis Р, i.e., the direction along which polarization was performed, is usually taken as the direction of axis 3. The equation of the inverse piezoeffect for controlling voltage6,12 has the form

S i = d mi Ψ m (t)+ s ij Ψ T j (x,t) MathType@MTEF@5@5@+= feaagKart1ev2aaatCvAUfeBSjuyZL2yd9gzLbvyNv2CaerbuLwBLn hiov2DGi1BTfMBaeXatLxBI9gBaerbd9wDYLwzYbItLDharqqtubsr 4rNCHbGeaGqiVu0Je9sqqrpepC0xbbL8F4rqqrFfpeea0xe9Lq=Jc9 vqaqpepm0xbba9pwe9Q8fs0=yqaqpepae9pg0FirpepeKkFr0xfr=x fr=xb9adbaqaaeGaciGaaiaabeqaamaabaabaaGcbaqcfaOaam4uaS WaaSbaaKqbagaajugWaiaadMgaaKqbagqaaiabg2da9iaadsgalmaa BaaajuaGbaqcLbmacaWGTbGaamyAaaqcfayabaGaeuiQdK1cdaWgaa qcfayaaKqzadGaamyBaaqcfayabaGaaiikaiaadshacaGGPaGaey4k aSIaam4CaSWaa0baaKqbagaajugWaiaadMgacaWGQbaajuaGbaqcLb macqqHOoqwaaqcfaOaamivamaaBaaabaqcLbmacaWGQbaajuaGbeaa caGGOaGaamiEaiaacYcacaWG0bGaaiykaaaa@596B@  (3)
S i = ξ(x,t)/ x MathType@MTEF@5@5@+= feaagKart1ev2aaatCvAUfeBSjuyZL2yd9gzLbvyNv2CaerbuLwBLn hiov2DGi1BTfMBaeXatLxBI9gBaerbd9wDYLwzYbItLDharqqtubsr 4rNCHbGeaGqiVu0Je9sqqrpepC0xbbL8F4rqqrFfpeea0xe9Lq=Jc9 vqaqpepm0xbba9pwe9Q8fs0=yqaqpepae9pg0FirpepeKkFr0xfr=x fr=xb9adbaqaaeGaciGaaiaabeqaamaabaabaaGcbiqaaW8ajuaGca WGtbWcdaWgaaqcfayaaKqzadGaamyAaaqcfayabaGaeyypa0ZaaSGb aeaacqGHciITcqaH+oaEcaGGOaGaamiEaiaacYcacaWG0bGaaiykaa qaaiabgkGi2kaadIhaaaaaaa@4639@ , Ψ m ( t )= E m ( t )= U( t )/δ MathType@MTEF@5@5@+= feaagKart1ev2aaatCvAUfeBSjuyZL2yd9gzLbvyNv2CaerbuLwBLn hiov2DGi1BTfMBaeXatLxBI9gBaerbd9wDYLwzYbItLDharqqtubsr 4rNCHbGeaGqiVu0Je9sqqrpepC0xbbL8F4rqqrFfpeea0xe9Lq=Jc9 vqaqpepm0xbba9pwe9Q8fs0=yqaqpepae9pg0FirpepeKkFr0xfr=x fr=xb9adbaqaaeGaciGaaiaabeqaamaabaabaaGcbiqaaW8ajuaGcq qHOoqwdaWgaaqaaKqzadGaamyBaaqcfayabaWaaeWaaeaacaWG0baa caGLOaGaayzkaaGaeyypa0JaamyraSWaaSbaaKqbagaajugWaiaad2 gaaKqbagqaamaabmaabaGaamiDaaGaayjkaiaawMcaaiabg2da9maa lyaabaGaamyvamaabmaabaGaamiDaaGaayjkaiaawMcaaaqaaiabes 7aKbaaaaa@4C0D@

Where S i MathType@MTEF@5@5@+= feaagKart1ev2aaatCvAUfeBSjuyZL2yd9gzLbvyNv2CaerbuLwBLn hiov2DGi1BTfMBaeXatLxBI9gBaerbd9wDYLwzYbItLDharqqtubsr 4rNCHbGeaGqiVu0Je9sqqrpepC0xbbL8F4rqqrFfpeea0xe9Lq=Jc9 vqaqpepm0xbba9pwe9Q8fs0=yqaqpepae9pg0FirpepeKkFr0xfr=x fr=xb9adbaqaaeGaciGaaiaabeqaamaabaabaaGcbiqaaW8ajuaGca WGtbWcdaWgaaqcfayaaKqzadGaamyAaaqcfayabaaaaa@3B92@  is the relative displacement of the cross section of the piezoactuator along axis i, Ψ m ( t ) MathType@MTEF@5@5@+= feaagKart1ev2aaatCvAUfeBSjuyZL2yd9gzLbvyNv2CaerbuLwBLn hiov2DGi1BTfMBaeXatLxBI9gBaerbd9wDYLwzYbItLDharqqtubsr 4rNCHbGeaGqiVu0Je9sqqrpepC0xbbL8F4rqqrFfpeea0xe9Lq=Jc9 vqaqpepm0xbba9pwe9Q8fs0=yqaqpepae9pg0FirpepeKkFr0xfr=x fr=xb9adbaqaaeGaciGaaiaabeqaamaabaabaaGcbiqaaW8ajuaGcq qHOoqwlmaaBaaajuaGbaqcLbmacaWGTbaajuaGbeaadaqadaqaaiaa dshaaiaawIcacaGLPaaaaaa@3ECF@  is the control parameter along axis m, d mi MathType@MTEF@5@5@+= feaagKart1ev2aaatCvAUfeBSjuyZL2yd9gzLbvyNv2CaerbuLwBLn hiov2DGi1BTfMBaeXatLxBI9gBaerbd9wDYLwzYbItLDharqqtubsr 4rNCHbGeaGqiVu0Je9sqqrpepC0xbbL8F4rqqrFfpeea0xe9Lq=Jc9 vqaqpepm0xbba9pwe9Q8fs0=yqaqpepae9pg0FirpepeKkFr0xfr=x fr=xb9adbaqaaeGaciGaaiaabeqaamaabaabaaGcbiqaaW8ajuaGca WGKbWaaSbaaeaajugWaiaad2gacaWGPbaajuaGbeaaaaa@3BFC@ is the piezomodule, E m ( t ) MathType@MTEF@5@5@+= feaagKart1ev2aaatCvAUfeBSjuyZL2yd9gzLbvyNv2CaerbuLwBLn hiov2DGi1BTfMBaeXatLxBI9gBaerbd9wDYLwzYbItLDharqqtubsr 4rNCHbGeaGqiVu0Je9sqqrpepC0xbbL8F4rqqrFfpeea0xe9Lq=Jc9 vqaqpepm0xbba9pwe9Q8fs0=yqaqpepae9pg0FirpepeKkFr0xfr=x fr=xb9adbaqaaeGaciGaaiaabeqaamaabaabaaGcbiqaaW8ajuaGca WGfbWcdaWgaaqcfayaaKqzadGaamyBaaqcfayabaWaaeWaaeaacaWG 0baacaGLOaGaayzkaaaaaa@3E0A@  is the electric field strength along axis m, U( t ) MathType@MTEF@5@5@+= feaagKart1ev2aaatCvAUfeBSjuyZL2yd9gzLbvyNv2CaerbuLwBLn hiov2DGi1BTfMBaeXatLxBI9gBaerbd9wDYLwzYbItLDharqqtubsr 4rNCHbGeaGqiVu0Je9sqqrpepC0xbbL8F4rqqrFfpeea0xe9Lq=Jc9 vqaqpepm0xbba9pwe9Q8fs0=yqaqpepae9pg0FirpepeKkFr0xfr=x fr=xb9adbaqaaeGaciGaaiaabeqaamaabaabaaGcbiqaaW8ajuaGca WGvbWaaeWaaeaacaWG0baacaGLOaGaayzkaaaaaa@3AB2@  is the voltage between the electrodes of actuator, s ij Ψ MathType@MTEF@5@5@+= feaagKart1ev2aaatCvAUfeBSjuyZL2yd9gzLbvyNv2CaerbuLwBLn hiov2DGi1BTfMBaeXatLxBI9gBaerbd9wDYLwzYbItLDharqqtubsr 4rNCHbGeaGqiVu0Je9sqqrpepC0xbbL8F4rqqrFfpeea0xe9Lq=Jc9 vqaqpepm0xbba9pwe9Q8fs0=yqaqpepae9pg0FirpepeKkFr0xfr=x fr=xb9adbaqaaeGaciGaaiaabeqaamaabaabaaGcbiGaaW8aaWGbju gibiaadohalmaaDaaabaqcLbmacaWGPbGaamOAaaWcbaqcLbmacqqH Ooqwaaaaaa@3E62@ is the elastic compliance, T j MathType@MTEF@5@5@+= feaagKart1ev2aaatCvAUfeBSjuyZL2yd9gzLbvyNv2CaerbuLwBLn hiov2DGi1BTfMBaeXatLxBI9gBaerbd9wDYLwzYbItLDharqqtubsr 4rNCHbGeaGqiVu0Je9sqqrpepC0xbbL8F4rqqrFfpeea0xe9Lq=Jc9 vqaqpepm0xbba9pwe9Q8fs0=yqaqpepae9pg0FirpepeKkFr0xfr=x fr=xb9adbaqaaeGaciGaaiaabeqaamaabaabaaGcbiGaaW8aaWGbju aGcaWGubWcdaWgaaqcfayaaKqzadGaamOAaaqcfayabaaaaa@3BA7@  is the mechanical stress along axis j and i, j = 1, 2, … , 6; m = 1, 2, 3. The main size l={ δ, h,b MathType@MTEF@5@5@+= feaagKart1ev2aaatCvAUfeBSjuyZL2yd9gzLbvyNv2CaerbuLwBLn hiov2DGi1BTfMBaeXatLxBI9gBaerbd9wDYLwzYbItLDharqqtubsr 4rNCHbGeaGqiVu0Je9sqqrpepC0xbbL8F4rqqrFfpeea0xe9Lq=Jc9 vqaqpepm0xbba9pwe9Q8fs0=yqaqpepae9pg0FirpepeKkFr0xfr=x fr=xb9adbaqaaeGaciGaaiaabeqaamaabaabaaGcbiGaaW8aaWGbju aGcaWGSbGaeyypa0ZaaiqaaeaacaaMe8UaeqiTdqMaaiilaaGaay5E aaGaamiAaiaacYcacaWGIbaaaa@40E0@  for the piezoactuator, respectively, the thickness, the height, the width for the longitudinal, transverse, shift piezoeffect. For calculation of actuator is used the wave equation6,7,12,14 for the wave propagation in a long line with damping but without distortions. After Laplace transform is obtained the linear ordinary second-order differential equation with the parameter p, whereupon the original problem for the partial differential hyperbolic equation of type using the Laplace transform is reduced to the simpler problem6,13 for the linear ordinary differential equation

d 2 Ξ(x,p) d x 2 γ 2 Ξ(x,p)=0 MathType@MTEF@5@5@+= feaagKart1ev2aaatCvAUfeBSjuyZL2yd9gzLbvyNv2CaerbuLwBLn hiov2DGi1BTfMBaeXatLxBI9gBaerbd9wDYLwzYbItLDharqqtubsr 4rNCHbGeaGqiVu0Je9sqqrpepC0xbbL8F4rqqrFfpeea0xe9Lq=Jc9 vqaqpepm0xbba9pwe9Q8fs0=yqaqpepae9pg0FirpepeKkFr0xfr=x fr=xb9adbaqaaeGaciGaaiaabeqaamaabaabaaGcbiGaaW8aaWGbju aGdaWcaaqaaiaadsgadaahaaqabeaajugWaiaaikdaaaqcfaOaeuON dGLaaiikaiaadIhacaGGSaGaamiCaiaacMcaaeaacaWGKbGaamiEam aaCaaabeqaaKqzadGaaGOmaaaaaaqcfaOaeyOeI0Iaeq4SdC2cdaah aaqcfayabeaajugWaiaaikdaaaqcfaOaeuONdGLaaiikaiaadIhaca GGSaGaamiCaiaacMcacqGH9aqpcaaIWaaaaa@5201@ (4)

With its solution

Ξ(x,p)=C e xγ +B e xγ MathType@MTEF@5@5@+= feaagKart1ev2aaatCvAUfeBSjuyZL2yd9gzLbvyNv2CaerbuLwBLn hiov2DGi1BTfMBaeXatLxBI9gBaerbd9wDYLwzYbItLDharqqtubsr 4rNCHbGeaGqiVu0Je9sqqrpepC0xbbL8F4rqqrFfpeea0xe9Lq=Jc9 vqaqpepm0xbba9pwe9Q8fs0=yqaqpepae9pg0FirpepeKkFr0xfr=x fr=xb9adbaqaaeGaciGaaiaabeqaamaabaabaaGcbiGaaW8aaWGbju aGcqqHEoawcaGGOaGaamiEaiaacYcacaWGWbGaaiykaiabg2da9iaa doeacaWGLbWcdaahaaqcfayabeaajugWaiabgkHiTiaadIhacqaHZo WzaaqcfaOaey4kaSIaamOqaiaadwgalmaaCaaajuaGbeqaaKqzadGa amiEaiabeo7aNbaaaaa@4CC8@  (5)

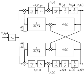
Where Ξ( x,p ) MathType@MTEF@5@5@+= feaagKart1ev2aaatCvAUfeBSjuyZL2yd9gzLbvyNv2CaerbuLwBLn hiov2DGi1BTfMBaeXatLxBI9gBaerbd9wDYLwzYbItLDharqqtubsr 4rNCHbGeaGqiVu0Je9sqqrpepC0xbbL8F4rqqrFfpeea0xe9Lq=Jc9 vqaqpepm0xbba9pwe9Q8fs0=yqaqpepae9pg0FirpepeKkFr0xfr=x fr=xb9adbaqaaeGaciGaaiaabeqaamaabaabaaGcbiGaaW8aaWGbju aGcqqHEoawdaqadaqaaiaadIhacaGGSaGaamiCaaGaayjkaiaawMca aaaa@3D18@  is the Laplace transform of the displacement of the section of the piezoactuator, γ=p/ c Ψ +α MathType@MTEF@5@5@+= feaagKart1ev2aaatCvAUfeBSjuyZL2yd9gzLbvyNv2CaerbuLwBLn hiov2DGi1BTfMBaeXatLxBI9gBaerbd9wDYLwzYbItLDharqqtubsr 4rNCHbGeaGqiVu0Je9sqqrpepC0xbbL8F4rqqrFfpeea0xe9Lq=Jc9 vqaqpepm0xbba9pwe9Q8fs0=yqaqpepae9pg0FirpepeKkFr0xfr=x fr=xb9adbaqaaeGaciGaaiaabeqaamaabaabaaGcbiGaaW8aaWGbju aGcqaHZoWzcqGH9aqpdaWcgaqaaiaadchaaeaacaWGJbWaaWbaaeqa baqcLbmacqqHOoqwaaaaaKqbakabgUcaRiabeg7aHbaa@41F7@ is the propagation coefficient, c Ψ MathType@MTEF@5@5@+= feaagKart1ev2aaatCvAUfeBSjuyZL2yd9gzLbvyNv2CaerbuLwBLn hiov2DGi1BTfMBaeXatLxBI9gBaerbd9wDYLwzYbItLDharqqtubsr 4rNCHbGeaGqiVu0Je9sqqrpepC0xbbL8F4rqqrFfpeea0xe9Lq=Jc9 vqaqpepm0xbba9pwe9Q8fs0=yqaqpepae9pg0FirpepeKkFr0xfr=x fr=xb9adbaqaaeGaciGaaiaabeqaamaabaabaaGcbiGaaW8aaWGbju aGcaWGJbWaaWbaaeqabaqcLbmacqqHOoqwaaaaaa@3B30@  is the sound speed for Ψ=const MathType@MTEF@5@5@+= feaagKart1ev2aaatCvAUfeBSjuyZL2yd9gzLbvyNv2CaerbuLwBLn hiov2DGi1BTfMBaeXatLxBI9gBaerbd9wDYLwzYbItLDharqqtubsr 4rNCHbGeaGqiVu0Je9sqqrpepC0xbbL8F4rqqrFfpeea0xe9Lq=Jc9 vqaqpepm0xbba9pwe9Q8fs0=yqaqpepae9pg0FirpepeKkFr0xfr=x fr=xb9adbaqaaeGaciGaaiaabeqaamaabaabaaGcbiGaaW8aaWGbju aGcqqHOoqwcqGH9aqpcaqGJbGaae4Baiaab6gacaqGZbGaaeiDaaaa @3EB4@ , α MathType@MTEF@5@5@+= feaagKart1ev2aaatCvAUfeBSjuyZL2yd9gzLbvyNv2CaerbuLwBLn hiov2DGi1BTfMBaeXatLxBI9gBaerbd9wDYLwzYbItLDharqqtubsr 4rNCHbGeaGqiVu0Je9sqqrpepC0xbbL8F4rqqrFfpeea0xe9Lq=Jc9 vqaqpepm0xbba9pwe9Q8fs0=yqaqpepae9pg0FirpepeKkFr0xfr=x fr=xb9adbaqaaeGaciGaaiaabeqaamaabaabaaGcbiGaaW8aaWGbju aGcqaHXoqyaaa@3908@  is the damping coefficient, Ψ MathType@MTEF@5@5@+= feaagKart1ev2aaatCvAUfeBSjuyZL2yd9gzLbvyNv2CaerbuLwBLn hiov2DGi1BTfMBaeXatLxBI9gBaerbd9wDYLwzYbItLDharqqtubsr 4rNCHbGeaGqiVu0Je9sqqrpepC0xbbL8F4rqqrFfpeea0xe9Lq=Jc9 vqaqpepm0xbba9pwe9Q8fs0=yqaqpepae9pg0FirpepeKkFr0xfr=x fr=xb9adbaqaaeGaciGaaiaabeqaamaabaabaaGcbiGaaW8aaWGbju aGcqqHOoqwaaa@38F8@ is the control parameter: E for the voltage control, D for the current control, H for the magnet field strength control. From (3, 5), the boundary conditions on loaded surfaces, the strains along the axes the system of equations for the generalized structural-parametric model and the generalized parametric structural schematic diagram Figure 1 of the actuator are determined

Ξ 2 (p)=( 1 M 2 p 2 ){ F 2 (p)+( 1 χ ij Ψ )[ d mi Ψ m (p) ( γ sh( lγ ) )[ ch( lγ ) Ξ 2 (p) Ξ 1 (p) ] ] } MathType@MTEF@5@5@+= feaagKart1ev2aaatCvAUfeBSjuyZL2yd9gzLbvyNv2CaerbuLwBLn hiov2DGi1BTfMBaeXatLxBI9gBaerbd9wDYLwzYbItLDharqqtubsr 4rNCHbGeaGqiVu0Je9sqqrpepC0xbbL8F4rqqrFfpeea0xe9Lq=Jc9 vqaqpepm0xbba9pwe9Q8fs0=yqaqpepae9pg0FirpepeKkFr0xfr=x fr=xb9adbaqaaeGaciGaaiaabeqaamaabaabaaGcbaGaeuONdG1aaS baaSqaaiaaikdaaeqaaOGaaiikaiaadchacaGGPaGaeyypa0ZaaeWa aeaadaWcaaqaaiaaigdaaeaacaWGnbWaaSbaaSqaaiaaikdaaeqaaO GaamiCamaaCaaaleqabaGaaGOmaaaaaaaakiaawIcacaGLPaaadaGa daqaaiabgkHiTiaadAeadaWgaaWcbaGaaGOmaaqabaGccaGGOaGaam iCaiaacMcacqGHRaWkdaqadaqaamaalaaabaGaaGymaaqaaiabeE8a JnaaDaaaleaacaWGPbGaamOAaaqaaiabfI6azbaaaaaakiaawIcaca GLPaaadaWadaabaeqabaGaamizamaaBaaaleaacaWGTbGaamyAaaqa baGccqqHOoqwdaWgaaWcbaGaamyBaaqabaGccaGGOaGaamiCaiaacM cacqGHsislaeaadaqadaqaamaalaaabaGaeq4SdCgabaacbaGaa83C aiaa=HgadaqadaqaaiaadYgacqaHZoWzaiaawIcacaGLPaaaaaaaca GLOaGaayzkaaGaaGjbVpaadmaabaGaae4yaiaabIgadaqadaqaaiaa dYgacqaHZoWzaiaawIcacaGLPaaacqqHEoawdaWgaaWcbaGaaGOmaa qabaGccaGGOaGaamiCaiaacMcacqGHsislcqqHEoawdaWgaaWcbaGa aGymaaqabaGccaGGOaGaamiCaiaacMcaaiaawUfacaGLDbaaaaGaay 5waiaaw2faaaGaay5Eaiaaw2haaaaa@798F@  (6)

where χ ij Ψ = s ij Ψ S 0 MathType@MTEF@5@5@+= feaagKart1ev2aaatCvAUfeBSjuyZL2yd9gzLbvyNv2CaerbuLwBLn hiov2DGi1BTfMBaeXatLxBI9gBaerbd9wDYLwzYbItLDharqqtubsr 4rNCHbGeaGqiVu0Je9sqqrpepC0xbbL8F4rqqrFfpeea0xe9Lq=Jc9 vqaqpepm0xbba9pwe9Q8fs0=yqaqpepae9pg0FirpepeKkFr0xfr=x fr=xb9adbaqaaeGaciGaaiaabeqaamaabaabaaGcbiGaaW8aaWGbju aGcqaHhpWylmaaDaaajuaGbaqcLbmacaWGPbGaamOAaaqcfayaaKqz adGaeuiQdKfaaKqbakabg2da9maalaaabaGaam4CaSWaa0baaKqbag aajugWaiaadMgacaWGQbaajuaGbaqcLbmacqqHOoqwaaaajuaGbaGa am4uamaaBaaabaqcLbmacaaIWaaajuaGbeaaaaaaaa@4DDB@ d mi ={ d 33 , d 31 , d 15 g 33 , g 31 , g 15 d 33 , d 31 , d 15 MathType@MTEF@5@5@+= feaagKart1ev2aaatCvAUfeBSjuyZL2yd9gzLbvyNv2CaerbuLwBLn hiov2DGi1BTfMBaeXatLxBI9gBaerbd9wDYLwzYbItLDharqqtubsr 4rNCHbGeaGqiVu0Je9sqqrpepC0xbbL8F4rqqrFfpeea0xe9Lq=Jc9 vqaqpepm0xbba9pwe9Q8fs0=yqaqpepae9pg0FirpepeKkFr0xfr=x fr=xb9adbaqaaeGaciGaaiaabeqaamaabaabaaGcbiGaaW8aaWGbju aGcaWGKbWcdaWgaaqcfayaaKqzadGaamyBaiaadMgaaKqbagqaaiab g2da9maaceaabaqbaeqabmqaaaqaaiaadsgadaWgaaqaaKqzadGaaG 4maiaaiodaaKqbagqaaiaacYcacaWGKbWcdaWgaaqcfayaaKqzadGa aG4maiaaigdaaKqbagqaaiaacYcacaWGKbWaaSbaaeaajugWaiaaig dacaaI1aaajuaGbeaaaeaacaWGNbWcdaWgaaqcfayaaKqzadGaaG4m aiaaiodaaKqbagqaaiaacYcacaWGNbWaaSbaaeaajugWaiaaiodaca aIXaaajuaGbeaacaGGSaGaam4zamaaBaaabaqcLbmacaaIXaGaaGyn aaqcfayabaaabaGaamizaSWaaSbaaKqbagaajugWaiaaiodacaaIZa aajuaGbeaacaGGSaGaamizaSWaaSbaaKqbagaajugWaiaaiodacaaI XaaajuaGbeaacaGGSaGaamizamaaBaaabaqcLbmacaaIXaGaaGynaa qcfayabaaaaaGaay5Eaaaaaa@6B9E@ , Ψ m ={ E 3 , E 3 , E 1 D 3 , D 3 , D 1 H 3 , H 3 , H 1 MathType@MTEF@5@5@+= feaagKart1ev2aaatCvAUfeBSjuyZL2yd9gzLbvyNv2CaerbuLwBLn hiov2DGi1BTfMBaeXatLxBI9gBaerbd9wDYLwzYbItLDharqqtubsr 4rNCHbGeaGqiVu0Je9sqqrpepC0xbbL8F4rqqrFfpeea0xe9Lq=Jc9 vqaqpepm0xbba9pwe9Q8fs0=yqaqpepae9pg0FirpepeKkFr0xfr=x fr=xb9adbaqaaeGaciGaaiaabeqaamaabaabaaGcbiGaaW8aaWGbju aGcqqHOoqwlmaaBaaajuaGbaqcLbmacaWGTbaajuaGbeaacqGH9aqp daGabaqaauaabeqadeaaaeaacaWGfbWcdaWgaaqcfayaaKqzadGaaG 4maaqcfayabaGaaiilaiaadweadaWgaaqaaKqzadGaaG4maaqcfaya baGaaiilaiaadweadaWgaaqaaKqzadGaaGymaaqcfayabaaabaGaam iraSWaaSbaaKqbagaajugWaiaaiodaaKqbagqaaiaacYcacaWGebWa aSbaaeaajugWaiaaiodaaKqbagqaaiaacYcacaWGebWcdaWgaaqcfa yaaKqzadGaaGymaaqcfayabaaabaGaamisamaaBaaabaqcLbmacaaI ZaaajuaGbeaacaGGSaGaamisamaaBaaabaqcLbmacaaIZaaajuaGbe aacaGGSaGaamisaSWaaSbaaKqbagaajugWaiaaigdaaKqbagqaaaaa aiaawUhaaaaa@6397@ , s ij Ψ ={ s 33 E , s 11 E , s 55 E s 33 D , s 11 D , s 55 D s 33 H , s 11 H , s 55 H MathType@MTEF@5@5@+= feaagKart1ev2aaatCvAUfeBSjuyZL2yd9gzLbvyNv2CaerbuLwBLn hiov2DGi1BTfMBaeXatLxBI9gBaerbd9wDYLwzYbItLDharqqtubsr 4rNCHbGeaGqiVu0Je9sqqrpepC0xbbL8F4rqqrFfpeea0xe9Lq=Jc9 vqaqpepm0xbba9pwe9Q8fs0=yqaqpepae9pg0FirpepeKkFr0xfr=x fr=xb9adbaqaaeGaciGaaiaabeqaamaabaabaaGcbiGaaW8aaWGbju aGcaWGZbWcdaqhaaqcfayaaKqzadGaamyAaiaadQgaaKqbagaajugW aiabfI6azbaajuaGcqGH9aqpdaGabaqaauaabeqadeaaaeaacaWGZb WcdaqhaaqcfayaaKqzadGaaG4maiaaiodaaKqbagaajugWaiaadwea aaqcfaOaaiilaiaadohalmaaDaaajuaGbaqcLbmacaaIXaGaaGymaa qcfayaaKqzadGaamyraaaajuaGcaGGSaGaam4CaSWaa0baaKqbagaa jugWaiaaiwdacaaI1aaajuaGbaqcLbmacaWGfbaaaaqcfayaaiaado halmaaDaaajuaGbaqcLbmacaaIZaGaaG4maaqcfayaaKqzadGaamir aaaajuaGcaGGSaGaam4CaSWaa0baaKqbagaajugWaiaaigdacaaIXa aajuaGbaqcLbmacaWGebaaaKqbakaacYcacaWGZbWcdaqhaaqcfaya aKqzadGaaGynaiaaiwdaaKqbagaajugWaiaadseaaaaajuaGbaGaam 4CaSWaa0baaKqbagaajugWaiaaiodacaaIZaaajuaGbaqcLbmacaWG ibaaaKqbakaacYcacaWGZbWcdaqhaaqcfayaaKqzadGaaGymaiaaig daaKqbagaajugWaiaadIeaaaqcfaOaaiilaiaadohalmaaDaaajuaG baqcLbmacaaI1aGaaGynaaqcfayaaKqzadGaamisaaaaaaaajuaGca GL7baaaaa@893C@ , l={ δ, h,b MathType@MTEF@5@5@+= feaagKart1ev2aaatCvAUfeBSjuyZL2yd9gzLbvyNv2CaerbuLwBLn hiov2DGi1BTfMBaeXatLxBI9gBaerbd9wDYLwzYbItLDharqqtubsr 4rNCHbGeaGqiVu0Je9sqqrpepC0xbbL8F4rqqrFfpeea0xe9Lq=Jc9 vqaqpepm0xbba9pwe9Q8fs0=yqaqpepae9pg0FirpepeKkFr0xfr=x fr=xb9adbaqaaeGaciGaaiaabeqaamaabaabaaGcbiGaaW8aaWGbju aGcaWGSbGaeyypa0ZaaiqaaeaacaaMe8UaeqiTdqMaaiilaaGaay5E aaGaamiAaiaacYcacaWGIbaaaa@40E0@ , c Ψ ={ c E , c D , c H MathType@MTEF@5@5@+= feaagKart1ev2aaatCvAUfeBSjuyZL2yd9gzLbvyNv2CaerbuLwBLn hiov2DGi1BTfMBaeXatLxBI9gBaerbd9wDYLwzYbItLDharqqtubsr 4rNCHbGeaGqiVu0Je9sqqrpepC0xbbL8F4rqqrFfpeea0xe9Lq=Jc9 vqaqpepm0xbba9pwe9Q8fs0=yqaqpepae9pg0FirpepeKkFr0xfr=x fr=xb9adbaqaaeGaciGaaiaabeqaamaabaabaaGcbiGaaW8aaWGbju aGcaWGJbWaaWbaaeqabaqcLbmacqqHOoqwaaqcfaOaeyypa0Zaaiqa aeaacaaMe8Uaam4yamaaCaaabeqaaKqzadGaamyraaaajuaGcaGGSa Gaam4yamaaCaaabeqaaKqzadGaamiraaaaaKqbakaawUhaaiaacYca caWGJbWcdaahaaqcfayabeaajugWaiaadIeaaaaaaa@4B88@ , γ Ψ ={ γ E , γ D , γ H MathType@MTEF@5@5@+= feaagKart1ev2aaatCvAUfeBSjuyZL2yd9gzLbvyNv2CaerbuLwBLn hiov2DGi1BTfMBaeXatLxBI9gBaerbd9wDYLwzYbItLDharqqtubsr 4rNCHbGeaGqiVu0Je9sqqrpepC0xbbL8F4rqqrFfpeea0xe9Lq=Jc9 vqaqpepm0xbba9pwe9Q8fs0=yqaqpepae9pg0FirpepeKkFr0xfr=x fr=xb9adbaqaaeGaciGaaiaabeqaamaabaabaaGcbiGaaW8aaWGbju aGcqaHZoWzlmaaCaaajuaGbeqaaKqzadGaeuiQdKfaaKqbakabg2da 9maaceaabaGaaGjbVlabeo7aNnaaCaaabeqaaKqzadGaamyraaaaju aGcaGGSaGaeq4SdC2cdaahaaqcfayabeaajugWaiaadseaaaaajuaG caGL7baacaGGSaGaeq4SdC2aaWbaaeqabaqcLbmacaWGibaaaaaa@4F1D@ , d mi MathType@MTEF@5@5@+= feaagKart1ev2aaatCvAUfeBSjuyZL2yd9gzLbvyNv2CaerbuLwBLn hiov2DGi1BTfMBaeXatLxBI9gBaerbd9wDYLwzYbItLDharqqtubsr 4rNCHbGeaGqiVu0Je9sqqrpepC0xbbL8F4rqqrFfpeea0xe9Lq=Jc9 vqaqpepm0xbba9pwe9Q8fs0=yqaqpepae9pg0FirpepeKkFr0xfr=x fr=xb9adbaqaaeGaciGaaiaabeqaamaabaabaaGcbiGaaW8aaWGbju aGcaWGKbWcdaWgaaqcfayaaKqzadGaamyBaiaadMgaaKqbagqaaaaa @3CA8@  is the coefficient of the electromagnetolasticity (piezomodule or coefficient of magnetostriction). Figure 1 shows the generalized parametric structural schematic diagram of the electromagnetoelastic actuator corresponding to the set of equations (6). The generalized transfer functions of the electromagnetoelastic actuator are the ratio of the Laplace transform of the displacement of the face actuator and the Laplace transform of the corresponding control parameter or the force at zero initial conditions. From (6) the generalized matrix equation of the transfer functions of electromagnetoelastic actuator

Figure 1 Generalized parametric structural schematic diagram of the electromagnetoelastic actuator.

( Ξ 1 ( p ) Ξ 2 ( p ) )=( W 11 ( p ) W 12 ( p ) W 13 ( p ) W 21 ( p ) W 22 ( p ) W 23 ( p ) )( Ψ m ( p ) F 1 ( p ) F 2 ( p ) ) MathType@MTEF@5@5@+= feaagKart1ev2aaatCvAUfeBSjuyZL2yd9gzLbvyNv2CaerbuLwBLn hiov2DGi1BTfMBaeXatLxBI9gBaerbd9wDYLwzYbItLDharqqtubsr 4rNCHbGeaGqiVu0Je9sqqrpepC0xbbL8F4rqqrFfpeea0xe9Lq=Jc9 vqaqpepm0xbba9pwe9Q8fs0=yqaqpepae9pg0FirpepeKkFr0xfr=x fr=xb9adbaqaaeGaciGaaiaabeqaamaabaabaaGcbiGaaW8aaWGbju aGdaqadaqaauaabeqaceaaaeaacqqHEoawlmaaBaaajuaGbaqcLbma caaIXaaajuaGbeaalmaabmaajuaGbaqcLbmacaWGWbaajuaGcaGLOa GaayzkaaaabaGaeuONdG1cdaWgaaqcfayaaKqzadGaaGOmaaqcfaya baWcdaqadaqcfayaaKqzadGaamiCaaqcfaOaayjkaiaawMcaaaaaai aawIcacaGLPaaacqGH9aqpdaqadaqaauaabeqaceaaaeaafaqabeqa daaabaGaam4vaSWaaSbaaKqbagaajugWaiaaigdacaaIXaaajuaGbe aalmaabmaajuaGbaqcLbmacaWGWbaajuaGcaGLOaGaayzkaaaabaGa am4vaSWaaSbaaKqbagaajugWaiaaigdacaaIYaaajuaGbeaalmaabm aajuaGbaqcLbmacaWGWbaajuaGcaGLOaGaayzkaaaabaGaam4vaSWa aSbaaKqbagaajugWaiaaigdacaaIZaaajuaGbeaalmaabmaajuaGba qcLbmacaWGWbaajuaGcaGLOaGaayzkaaaaaaqaauaabeqabmaaaeaa caWGxbWcdaWgaaqcfayaaKqzadGaaGOmaiaaigdaaKqbagqaaSWaae WaaKqbagaajugWaiaadchaaKqbakaawIcacaGLPaaaaeaacaWGxbWc daWgaaqcfayaaKqzadGaaGOmaiaaikdaaKqbagqaaSWaaeWaaKqbag aajugWaiaadchaaKqbakaawIcacaGLPaaaaeaacaWGxbWcdaWgaaqc fayaaKqzadGaaGOmaiaaiodaaKqbagqaaSWaaeWaaKqbagaajugWai aadchaaKqbakaawIcacaGLPaaaaaaaaaGaayjkaiaawMcaaiaaysW7 daqadaqaauaabeqadeaaaeaacqqHOoqwlmaaBaaajuaGbaqcLbmaca WGTbaajuaGbeaalmaabmaajuaGbaqcLbmacaWGWbaajuaGcaGLOaGa ayzkaaaabaGaamOraSWaaSbaaKqbagaajugWaiaaigdaaKqbagqaaS WaaeWaaKqbagaajugWaiaadchaaKqbakaawIcacaGLPaaaaeaacaWG gbWcdaWgaaqcfayaaKqzadGaaGOmaaqcfayabaWcdaqadaqcfayaaK qzadGaamiCaaqcfaOaayjkaiaawMcaaaaaaiaawIcacaGLPaaaaaa@A703@  (7)

For m<< M 1 MathType@MTEF@5@5@+= feaagKart1ev2aaatCvAUfeBSjuyZL2yd9gzLbvyNv2CaerbuLwBLn hiov2DGi1BTfMBaeXatLxBI9gBaerbd9wDYLwzYbItLDharqqtubsr 4rNCHbGeaGqiVu0Je9sqqrpepC0xbbL8F4rqqrFfpeea0xe9Lq=Jc9 vqaqpepm0xbba9pwe9Q8fs0=yqaqpepae9pg0FirpepeKkFr0xfr=x fr=xb9adbaqaaeGaciGaaiaabeqaamaabaabaaGcbiGaaW8aaWGbju aGcaWGTbGaeyipaWJaeyipaWJaamytamaaBaaabaqcLbmacaaIXaaa juaGbeaaaaa@3DCD@  and m<<M2 MathType@MTEF@5@5@+= feaagKart1ev2aaatCvAUfeBSjuyZL2yd9gzLbvyNv2CaerbuLwBLn hiov2DGi1BTfMBaeXatLxBI9gBaerbd9wDYLwzYbItLDharqqtubsr 4rNCHbGeaGqiVu0Je9sqqrpepC0xbbL8F4rqqrFfpeea0xe9Lq=Jc9 vqaqpepm0xbba9pwe9Q8fs0=yqaqpepae9pg0FirpepeKkFr0xfr=x fr=xb9adbaqaaeGaciGaaiaabeqaamaabaabaaGcbiGaaW8aaWGbju aGcaWGTbGaeyipaWJaeyipaWJaamytaKqzadGaaGOmaaaa@3D1F@ the static displacement of the faces of the piezoactuator for the transverse piezoeffect are obtained

ξ 1 ( )= lim p0 α0 p W 11 ( p ) U 0 δp = d 31 h U 0 M 2 δ( M 1 + M 2 ) MathType@MTEF@5@5@+= feaagKart1ev2aaatCvAUfeBSjuyZL2yd9gzLbvyNv2CaerbuLwBLn hiov2DGi1BTfMBaeXatLxBI9gBaerbd9wDYLwzYbItLDharqqtubsr 4rNCHbGeaGqiVu0Je9sqqrpepC0xbbL8F4rqqrFfpeea0xe9Lq=Jc9 vqaqpepm0xbba9pwe9Q8fs0=yqaqpepae9pg0FirpepeKkFr0xfr=x fr=xb9adbaqaaeGaciGaaiaabeqaamaabaabaaGcbiGaaW8aaWGbju aGcqaH+oaElmaaBaaajuaGbaqcLbmacaaIXaaajuaGbeaadaqadaqa aiabg6HiLcGaayjkaiaawMcaaiabg2da9maaxababaGaciiBaiaacM gacaGGTbaabaqcLbmafaqabeGabaaajuaGbaqcLbmacaWGWbGaeyOK H4QaaGimaaqcfayaaKqzadGaeqySdeMaeyOKH4QaaGimaaaaaKqbag qaamaalaaabaGaamiCaiaadEfalmaaBaaajuaGbaqcLbmacaaIXaGa aGymaaqcfayabaWaaeWaaeaacaWGWbaacaGLOaGaayzkaaGaamyvaS WaaSbaaKqbagaajugWaiaaicdaaKqbagqaaaqaaiabes7aKjaadcha aaGaeyypa0ZaaSaaaeaacaWGKbWcdaWgaaqcfayaaKqzadGaaG4mai aaigdaaKqbagqaaiaadIgacaWGvbWaaSbaaeaajugWaiaaicdaaKqb agqaaiaad2ealmaaBaaajuaGbaqcLbmacaaIYaaajuaGbeaaaeaacq aH0oazdaqadaqaaiaad2ealmaaBaaajuaGbaqcLbmacaaIXaaajuaG beaacqGHRaWkcaWGnbWaaSbaaeaajugWaiaaikdaaKqbagqaaaGaay jkaiaawMcaaaaaaaa@793A@  (8)
ξ 2 ( )= lim p0 α0 p W 21 ( p ) U 0 δp = d 31 h U 0 M 1 δ( M 1 + M 2 ) MathType@MTEF@5@5@+= feaagKart1ev2aaatCvAUfeBSjuyZL2yd9gzLbvyNv2CaerbuLwBLn hiov2DGi1BTfMBaeXatLxBI9gBaerbd9wDYLwzYbItLDharqqtubsr 4rNCHbGeaGqiVu0Je9sqqrpepC0xbbL8F4rqqrFfpeea0xe9Lq=Jc9 vqaqpepm0xbba9pwe9Q8fs0=yqaqpepae9pg0FirpepeKkFr0xfr=x fr=xb9adbaqaaeGaciGaaiaabeqaamaabaabaaGcbiGaaW8aaWGbju aGcqaH+oaEdaWgaaqaaKqzadGaaGOmaaqcfayabaWaaeWaaeaacqGH EisPaiaawIcacaGLPaaacqGH9aqpdaWfqaqaaiGacYgacaGGPbGaai yBaaqaaKqzadqbaeqabiqaaaqcfayaaKqzadGaamiCaiabgkziUkaa icdaaKqbagaajugWaiaabg7acqGHsgIRcaaIWaaaaaqcfayabaWaaS aaaeaacaWGWbGaam4vaSWaaSbaaKqbagaajugWaiaaikdacaaIXaaa juaGbeaadaqadaqaaiaadchaaiaawIcacaGLPaaacaWGvbWaaSbaae aajugWaiaaicdaaKqbagqaaaqaaiaabs7acaWGWbaaaiabg2da9maa laaabaGaamizaSWaaSbaaKqbagaajugWaiaaiodacaaIXaaajuaGbe aacaWGObGaamyvaSWaaSbaaKqbagaajugWaiaaicdaaKqbagqaaiaa d2ealmaaBaaajuaGbaqcLbmacaaIXaaajuaGbeaaaeaacaqG0oWaae WaaeaacaWGnbWcdaWgaaqcfayaaKqzadGaaGymaaqcfayabaGaey4k aSIaamytamaaBaaabaqcLbmacaaIYaaajuaGbeaaaiaawIcacaGLPa aaaaaaaa@7764@  (9)

For the piezoactuator from PZT under the transverse piezoeffect at m<< M 1 MathType@MTEF@5@5@+= feaagKart1ev2aaatCvAUfeBSjuyZL2yd9gzLbvyNv2CaerbuLwBLn hiov2DGi1BTfMBaeXatLxBI9gBaerbd9wDYLwzYbItLDharqqtubsr 4rNCHbGeaGqiVu0Je9sqqrpepC0xbbL8F4rqqrFfpeea0xe9Lq=Jc9 vqaqpepm0xbba9pwe9Q8fs0=yqaqpepae9pg0FirpepeKkFr0xfr=x fr=xb9adbaqaaeGaciGaaiaabeqaamaabaabaaGcbiGaaW8aaWGbju aGcaWGTbGaeyipaWJaeyipaWJaamytamaaBaaabaqcLbmacaaIXaaa juaGbeaaaaa@3DCD@  and m<<M2 MathType@MTEF@5@5@+= feaagKart1ev2aaatCvAUfeBSjuyZL2yd9gzLbvyNv2CaerbuLwBLn hiov2DGi1BTfMBaeXatLxBI9gBaerbd9wDYLwzYbItLDharqqtubsr 4rNCHbGeaGqiVu0Je9sqqrpepC0xbbL8F4rqqrFfpeea0xe9Lq=Jc9 vqaqpepm0xbba9pwe9Q8fs0=yqaqpepae9pg0FirpepeKkFr0xfr=x fr=xb9adbaqaaeGaciGaaiaabeqaamaabaabaaGcbiGaaW8aaWGbju aGcaWGTbGaeyipaWJaeyipaWJaamytaKqzadGaaGOmaaaa@3D1F@ , d 31 =2.5 10 10 MathType@MTEF@5@5@+= feaagKart1ev2aaatCvAUfeBSjuyZL2yd9gzLbvyNv2CaerbuLwBLn hiov2DGi1BTfMBaeXatLxBI9gBaerbd9wDYLwzYbItLDharqqtubsr 4rNCHbGeaGqiVu0Je9sqqrpepC0xbbL8F4rqqrFfpeea0xe9Lq=Jc9 vqaqpepm0xbba9pwe9Q8fs0=yqaqpepae9pg0FirpepeKkFr0xfr=x fr=xb9adbaqaaeGaciGaaiaabeqaamaabaabaaGcbiGaaW8aaWGbju aGcaWGKbWcdaWgaaqcfayaaKqzadGaaG4maiaaigdaaKqbagqaaiab g2da9iaaikdacaGGUaGaaGynaiabgwSixlaaigdacaaIWaWcdaahaa qcfayabeaajugWaiabgkHiTiaaigdacaaIWaaaaaaa@477D@ m/V, h/δ =20 MathType@MTEF@5@5@+= feaagKart1ev2aaatCvAUfeBSjuyZL2yd9gzLbvyNv2CaerbuLwBLn hiov2DGi1BTfMBaeXatLxBI9gBaerbd9wDYLwzYbItLDharqqtubsr 4rNCHbGeaGqiVu0Je9sqqrpepC0xbbL8F4rqqrFfpeea0xe9Lq=Jc9 vqaqpepm0xbba9pwe9Q8fs0=yqaqpepae9pg0FirpepeKkFr0xfr=x fr=xb9adbaqaaeGaciGaaiaabeqaamaabaabaaGcbiGaaW8aaWGbju aGdaWcgaqaaiaadIgaaeaacqaH0oazaaGaeyypa0JaaGOmaiaaicda aaa@3C8D@ , U=120 MathType@MTEF@5@5@+= feaagKart1ev2aaatCvAUfeBSjuyZL2yd9gzLbvyNv2CaerbuLwBLn hiov2DGi1BTfMBaeXatLxBI9gBaerbd9wDYLwzYbItLDharqqtubsr 4rNCHbGeaGqiVu0Je9sqqrpepC0xbbL8F4rqqrFfpeea0xe9Lq=Jc9 vqaqpepm0xbba9pwe9Q8fs0=yqaqpepae9pg0FirpepeKkFr0xfr=x fr=xb9adbaqaaeGaciGaaiaabeqaamaabaabaaGcbiGaaW8aaWGbju aGcaWGvbGaeyypa0JaaGymaiaaikdacaaIWaaaaa@3B7A@ V, M 1 =2 MathType@MTEF@5@5@+= feaagKart1ev2aaatCvAUfeBSjuyZL2yd9gzLbvyNv2CaerbuLwBLn hiov2DGi1BTfMBaeXatLxBI9gBaerbd9wDYLwzYbItLDharqqtubsr 4rNCHbGeaGqiVu0Je9sqqrpepC0xbbL8F4rqqrFfpeea0xe9Lq=Jc9 vqaqpepm0xbba9pwe9Q8fs0=yqaqpepae9pg0FirpepeKkFr0xfr=x fr=xb9adbaqaaeGaciGaaiaabeqaamaabaabaaGcbiGaaW8aaWGbju aGcaWGnbWaaSbaaeaajugWaiaaigdaaKqbagqaaiabg2da9iaaikda aaa@3C95@ kg and M2=8 MathType@MTEF@5@5@+= feaagKart1ev2aaatCvAUfeBSjuyZL2yd9gzLbvyNv2CaerbuLwBLn hiov2DGi1BTfMBaeXatLxBI9gBaerbd9wDYLwzYbItLDharqqtubsr 4rNCHbGeaGqiVu0Je9sqqrpepC0xbbL8F4rqqrFfpeea0xe9Lq=Jc9 vqaqpepm0xbba9pwe9Q8fs0=yqaqpepae9pg0FirpepeKkFr0xfr=x fr=xb9adbaqaaeGaciGaaiaabeqaamaabaabaaGcbiGaaW8aaWGbju aGcaWGnbqcLbmacaaIYaqcfaOaeyypa0JaaGioaaaa@3C7B@  kg the static displacement of the faces are determined ξ 1 ( )=480 MathType@MTEF@5@5@+= feaagKart1ev2aaatCvAUfeBSjuyZL2yd9gzLbvyNv2CaerbuLwBLn hiov2DGi1BTfMBaeXatLxBI9gBaerbd9wDYLwzYbItLDharqqtubsr 4rNCHbGeaGqiVu0Je9sqqrpepC0xbbL8F4rqqrFfpeea0xe9Lq=Jc9 vqaqpepm0xbba9pwe9Q8fs0=yqaqpepae9pg0FirpepeKkFr0xfr=x fr=xb9adbaqaaeGaciGaaiaabeqaamaabaabaaGcbiGaaW8aaWGbju aGcqaH+oaElmaaBaaajuaGbaqcLbmacaaIXaaajuaGbeaadaqadaqa aiabg6HiLcGaayjkaiaawMcaaiabg2da9iaaisdacaaI4aGaaGimaa aa@4297@ nm, ξ2( )=120 MathType@MTEF@5@5@+= feaagKart1ev2aaatCvAUfeBSjuyZL2yd9gzLbvyNv2CaerbuLwBLn hiov2DGi1BTfMBaeXatLxBI9gBaerbd9wDYLwzYbItLDharqqtubsr 4rNCHbGeaGqiVu0Je9sqqrpepC0xbbL8F4rqqrFfpeea0xe9Lq=Jc9 vqaqpepm0xbba9pwe9Q8fs0=yqaqpepae9pg0FirpepeKkFr0xfr=x fr=xb9adbaqaaeGaciGaaiaabeqaamaabaabaaGcbiGaaW8aaWGbju aGcqaH+oaEjugWaiaaikdajuaGdaqadaqaaiabg6HiLcGaayjkaiaa wMcaaiabg2da9iaaigdacaaIYaGaaGimaaaa@41D5@ >nm, ξ 1 ( )+ ξ 2 ( )=600 MathType@MTEF@5@5@+= feaagKart1ev2aaatCvAUfeBSjuyZL2yd9gzLbvyNv2CaerbuLwBLn hiov2DGi1BTfMBaeXatLxBI9gBaerbd9wDYLwzYbItLDharqqtubsr 4rNCHbGeaGqiVu0Je9sqqrpepC0xbbL8F4rqqrFfpeea0xe9Lq=Jc9 vqaqpepm0xbba9pwe9Q8fs0=yqaqpepae9pg0FirpepeKkFr0xfr=x fr=xb9adbaqaaeGaciGaaiaabeqaamaabaabaaGcbiGaaW8aaWGbju aGcqaH+oaElmaaBaaajuaGbaqcLbmacaaIXaaajuaGbeaadaqadaqa aiabg6HiLcGaayjkaiaawMcaaiabgUcaRiabe67a4TWaaSbaaKqbag aajugWaiaaikdaaKqbagqaamaabmaabaGaeyOhIukacaGLOaGaayzk aaGaeyypa0JaaGOnaiaaicdacaaIWaaaaa@4B62@ nm. For the approximation of the hyperbolic cotangent by two terms of the power series in transfer function (7) the following expressions of the transfer function of the piezoactuator is obtained for the elastic-inertial load at M 1 MathType@MTEF@5@5@+= feaagKart1ev2aaatCvAUfeBSjuyZL2yd9gzLbvyNv2CaerbuLwBLn hiov2DGi1BTfMBaeXatLxBI9gBaerbd9wDYLwzYbItLDharqqtubsr 4rNCHbGeaGqiVu0Je9sqqrpepC0xbbL8F4rqqrFfpeea0xe9Lq=Jc9 vqaqpepm0xbba9pwe9Q8fs0=yqaqpepae9pg0FirpepeKkFr0xfr=x fr=xb9adbaqaaeGaciGaaiaabeqaamaabaabaaGcbiGaaW8aaWGbju aGcaWGnbWcdaWgaaqcfayaaKqzadGaaGymaaqcfayabaGaeyOKH4Qa eyOhIukaaa@3ECA@ , m<< M 2 MathType@MTEF@5@5@+= feaagKart1ev2aaatCvAUfeBSjuyZL2yd9gzLbvyNv2CaerbuLwBLn hiov2DGi1BTfMBaeXatLxBI9gBaerbd9wDYLwzYbItLDharqqtubsr 4rNCHbGeaGqiVu0Je9sqqrpepC0xbbL8F4rqqrFfpeea0xe9Lq=Jc9 vqaqpepm0xbba9pwe9Q8fs0=yqaqpepae9pg0FirpepeKkFr0xfr=x fr=xb9adbaqaaeGaciGaaiaabeqaamaabaabaaGcbiGaaW8aaWGbju aGcaWGTbGaeyipaWJaeyipaWJaamytamaaBaaabaqcLbmacaaIYaaa juaGbeaaaaa@3DCE@  under the transverse piezoeffect

W(p)= Ξ 2 (p) U(p) = d 31 h/δ ( 1+ C e / C 11 E ) ( T t 2 p 2 +2 T t ξ t p+1) MathType@MTEF@5@5@+= feaagKart1ev2aaatCvAUfeBSjuyZL2yd9gzLbvyNv2CaerbuLwBLn hiov2DGi1BTfMBaeXatLxBI9gBaerbd9wDYLwzYbItLDharqqtubsr 4rNCHbGeaGqiVu0Je9sqqrpepC0xbbL8F4rqqrFfpeea0xe9Lq=Jc9 vqaqpepm0xbba9pwe9Q8fs0=yqaqpepae9pg0FirpepeKkFr0xfr=x fr=xb9adbaqaaeGaciGaaiaabeqaamaabaabaaGcbiGaaW8aaWGbju aGcaWGxbGaaiikaiaadchacaGGPaGaeyypa0ZaaSaaaeaacqqHEoaw lmaaBaaajuaGbaqcLbmacaaIYaaajuaGbeaacaGGOaGaamiCaiaacM caaeaacaWGvbGaaiikaiaadchacaGGPaaaaiabg2da9maalaaabaGa amizaSWaaSbaaKqbagaajugWaiaaiodacaaIXaaajuaGbeaadaWcga qaaiaadIgaaeaacqaH0oazaaaabaWaaeWaaeaacaaIXaGaey4kaSYa aSGbaeaacaWGdbWaaSbaaeaajugWaiaadwgaaKqbagqaaaqaaiaado ealmaaDaaajuaGbaqcLbmacaaIXaGaaGymaaqcfayaaKqzadGaamyr aaaaaaaajuaGcaGLOaGaayzkaaWaaWbaaeqabaaaaiaacIcacaWGub WcdaqhaaqcfayaaKqzadGaamiDaaqcfayaaKqzadGaaGOmaaaajuaG caWGWbWcdaahaaqcfayabeaajugWaiaaikdaaaqcfaOaey4kaSIaaG OmaiaadsfalmaaBaaajuaGbaqcLbmacaWG0baajuaGbeaacqaH+oaE lmaaBaaajuaGbaqcLbmacaWG0baajuaGbeaacaWGWbGaey4kaSIaaG ymaiaacMcaaaaaaa@767E@  (10)
T t = M 2 / ( C + e C 11 E ) MathType@MTEF@5@5@+= feaagKart1ev2aaatCvAUfeBSjuyZL2yd9gzLbvyNv2CaerbuLwBLn hiov2DGi1BTfMBaeXatLxBI9gBaerbd9wDYLwzYbItLDharqqtubsr 4rNCHbGeaGqiVu0Je9sqqrpepC0xbbL8F4rqqrFfpeea0xe9Lq=Jc9 vqaqpepm0xbba9pwe9Q8fs0=yqaqpepae9pg0FirpepeKkFr0xfr=x fr=xb9adbaqaaeGaciGaaiaabeqaamaabaabaaGcbiGaaW8aaWGbju aGcaWGubWaaSbaaeaacaWG0baabeaacqGH9aqpdaGcaaqaamaalyaa baGaamytaSWaaSbaaKqbagaajugWaiaaikdaaKqbagqaaaqaamaabm aabaGaam4qamaaBeaabaqcLbmacaWGLbaajuaGbeaacqGHRaWkcaWG dbWcdaqhaaqcfayaaKqzadGaaGymaiaaigdaaKqbagaajugWaiaadw eaaaaajuaGcaGLOaGaayzkaaaaaaqabaaaaa@4BC2@ , ξ t = α h 2 C 11 E / ( 3 c E M( C e + C 11 E ) ) MathType@MTEF@5@5@+= feaagKart1ev2aaatCvAUfeBSjuyZL2yd9gzLbvyNv2CaerbuLwBLn hiov2DGi1BTfMBaeXatLxBI9gBaerbd9wDYLwzYbItLDharqqtubsr 4rNCHbGeaGqiVu0Je9sqqrpepC0xbbL8F4rqqrFfpeea0xe9Lq=Jc9 vqaqpepm0xbba9pwe9Q8fs0=yqaqpepae9pg0FirpepeKkFr0xfr=x fr=xb9adbaqaaeGaciGaaiaabeqaamaabaabaaGcbiGaaW8aaWGbju aGcqaH+oaEdaWgaaqaaiaadshaaeqaaiabg2da9maalyaabaGaeqyS deMaamiAamaaCaaabeqaaKqzadGaaGOmaaaajuaGcaWGdbWcdaqhaa qcfayaaKqzadGaaGymaiaaigdaaKqbagaajugWaiaadweaaaaajuaG baWaaeWaaeaacaaIZaGaam4yamaaCaaabeqaaKqzadGaamyraaaaju aGdaGcaaqaaiaad2eadaqadaqaaiaadoealmaaBaaajuaGbaqcLbma caWGLbaajuaGbeaacqGHRaWkcaWGdbWcdaqhaaqcfayaaKqzadGaaG ymaiaaigdaaKqbagaajugWaiaadweaaaaajuaGcaGLOaGaayzkaaaa beaaaiaawIcacaGLPaaaaaaaaa@5C49@

Where U( p ) MathType@MTEF@5@5@+= feaagKart1ev2aaatCvAUfeBSjuyZL2yd9gzLbvyNv2CaerbuLwBLn hiov2DGi1BTfMBaeXatLxBI9gBaerbd9wDYLwzYbItLDharqqtubsr 4rNCHbGeaGqiVu0Je9sqqrpepC0xbbL8F4rqqrFfpeea0xe9Lq=Jc9 vqaqpepm0xbba9pwe9Q8fs0=yqaqpepae9pg0FirpepeKkFr0xfr=x fr=xb9adbaqaaeGaciGaaiaabeqaamaabaabaaGcbaGaamyvamaabm aabaGaamiCaaGaayjkaiaawMcaaaaa@394E@  is the Laplace transform of the voltage, T t MathType@MTEF@5@5@+= feaagKart1ev2aaatCvAUfeBSjuyZL2yd9gzLbvyNv2CaerbuLwBLn hiov2DGi1BTfMBaeXatLxBI9gBaerbd9wDYLwzYbItLDharqqtubsr 4rNCHbGeaGqiVu0Je9sqqrpepC0xbbL8F4rqqrFfpeea0xe9Lq=Jc9 vqaqpepm0xbba9pwe9Q8fs0=yqaqpepae9pg0FirpepeKkFr0xfr=x fr=xb9adbaqaaeGaciGaaiaabeqaamaabaabaaGcbaGaamivamaaBa aaleaacaWG0baabeaaaaa@37F4@  is the time constant and ξ t MathType@MTEF@5@5@+= feaagKart1ev2aaatCvAUfeBSjuyZL2yd9gzLbvyNv2CaerbuLwBLn hiov2DGi1BTfMBaeXatLxBI9gBaerbd9wDYLwzYbItLDharqqtubsr 4rNCHbGeaGqiVu0Je9sqqrpepC0xbbL8F4rqqrFfpeea0xe9Lq=Jc9 vqaqpepm0xbba9pwe9Q8fs0=yqaqpepae9pg0FirpepeKkFr0xfr=x fr=xb9adbaqaaeGaciGaaiaabeqaamaabaabaaGcbaGaeqOVdG3aaS baaSqaaiaadshaaeqaaaaa@38DE@  is the damping coefficient of the piezoactuator. The expression for the transient response of the voltage-controlled piezoactuator for the elastic-inertial load under the transverse piezoeffect is determined

ξ( t )= ξ m [ 1 e ξ t t T t 1 ξ t 2 sin( ω t t+ ϕ t ) ] MathType@MTEF@5@5@+= feaagKart1ev2aaatCvAUfeBSjuyZL2yd9gzLbvyNv2CaerbuLwBLn hiov2DGi1BTfMBaeXatLxBI9gBaerbd9wDYLwzYbItLDharqqtubsr 4rNCHbGeaGqiVu0Je9sqqrpepC0xbbL8F4rqqrFfpeea0xe9Lq=Jc9 vqaqpepm0xbba9pwe9Q8fs0=yqaqpepae9pg0FirpepeKkFr0xfr=x fr=xb9adbaqaaeGaciGaaiaabeqaamaabaabaaGcbiGaaW8aaWGbju aGcqaH+oaEdaqadaqaaiaadshaaiaawIcacaGLPaaacqGH9aqpcqaH +oaElmaaBaaajuaGbaqcLbmacaWGTbaajuaGbeaadaWadaqaaiaaig dacqGHsisldaWcaaqaaiaadwgadaahaaqabeaacqGHsisldaWcaaqa aiabe67a4TWaaSbaaKqbagaajugWaiaadshaaKqbagqaaiaadshaae aacaWGubWcdaWgaaqcfayaaKqzadGaamiDaaqcfayabaaaaaaaaeaa daGcaaqaaiaaigdacqGHsislcqaH+oaElmaaDaaajuaGbaqcLbmaca WG0baajuaGbaqcLbmacaaIYaaaaaqcfayabaaaaiGacohacaGGPbGa aiOBamaabmaabaGaeqyYdC3aaSbaaeaajugWaiaadshaaKqbagqaai aadshacqGHRaWkcqaHvpGzdaWgaaqaaKqzadGaamiDaaqcfayabaaa caGLOaGaayzkaaaacaGLBbGaayzxaaWaaSbaaeaaaeqaaaaa@6B06@  (11)
ξ m = d 31 ( h/δ ) U m 1+ C e / C 11 E MathType@MTEF@5@5@+= feaagKart1ev2aaatCvAUfeBSjuyZL2yd9gzLbvyNv2CaerbuLwBLn hiov2DGi1BTfMBaeXatLxBI9gBaerbd9wDYLwzYbItLDharqqtubsr 4rNCHbGeaGqiVu0Je9sqqrpepC0xbbL8F4rqqrFfpeea0xe9Lq=Jc9 vqaqpepm0xbba9pwe9Q8fs0=yqaqpepae9pg0FirpepeKkFr0xfr=x fr=xb9adbaqaaeGaciGaaiaabeqaamaabaabaaGcbiGaaW8aaWGbju aGcqaH+oaElmaaBaaajuaGbaqcLbmacaWGTbaajuaGbeaacqGH9aqp daWcaaqaaiaadsgadaWgaaqaaKqzadGaaG4maiaaigdaaKqbagqaam aabmaabaWaaSGbaeaacaWGObaabaGaeqiTdqgaaaGaayjkaiaawMca aiaadwfalmaaBaaajuaGbaqcLbmacaWGTbaajuaGbeaaaeaacaaIXa Gaey4kaSYaaSGbaeaacaWGdbWcdaWgaaqcfayaaKqzadGaamyzaaqc fayabaaabaGaam4qaSWaa0baaKqbagaajugWaiaaigdacaaIXaaaju aGbaqcLbmacaWGfbaaaaaaaaaaaa@56E3@ , ω t = 1 ξ t 2 T t MathType@MTEF@5@5@+= feaagKart1ev2aaatCvAUfeBSjuyZL2yd9gzLbvyNv2CaerbuLwBLn hiov2DGi1BTfMBaeXatLxBI9gBaerbd9wDYLwzYbItLDharqqtubsr 4rNCHbGeaGqiVu0Je9sqqrpepC0xbbL8F4rqqrFfpeea0xe9Lq=Jc9 vqaqpepm0xbba9pwe9Q8fs0=yqaqpepae9pg0FirpepeKkFr0xfr=x fr=xb9adbaqaaeGaciGaaiaabeqaamaabaabaaGcbiGaaW8aaWGbju aGcqaHjpWDdaWgaaqaaKqzadGaamiDaaqcfayabaGaeyypa0ZaaSaa aeaadaGcaaqaaiaaigdacqGHsislcqaH+oaElmaaDaaajuaGbaqcLb macaWG0baajuaGbaqcLbmacaaIYaaaaaqcfayabaaabaGaamivamaa BaaabaqcLbmacaWG0baajuaGbeaaaaaaaa@4A34@ , ϕ t =arctg( 1 ξ t 2 ξ t ) MathType@MTEF@5@5@+= feaagKart1ev2aaatCvAUfeBSjuyZL2yd9gzLbvyNv2CaerbuLwBLn hiov2DGi1BTfMBaeXatLxBI9gBaerbd9wDYLwzYbItLDharqqtubsr 4rNCHbGeaGqiVu0Je9sqqrpepC0xbbL8F4rqqrFfpeea0xe9Lq=Jc9 vqaqpepm0xbba9pwe9Q8fs0=yqaqpepae9pg0FirpepeKkFr0xfr=x fr=xb9adbaqaaeGaciGaaiaabeqaamaabaabaaGcbiGaaW8aaWGbju aGcqaHvpGzlmaaBaaajuaGbaqcLbmacaWG0baajuaGbeaacqGH9aqp caqGHbGaaeOCaiaabogacaqG0bGaae4zamaabmaabaWaaSaaaeaada GcaaqaaiaaigdacqGHsislcqaH+oaElmaaDaaajuaGbaqcLbmacaWG 0baajuaGbaqcLbmacaaIYaaaaaqcfayabaaabaGaeqOVdG3cdaWgaa qcfayaaKqzadGaamiDaaqcfayabaaaaaGaayjkaiaawMcaaaaa@5274@

Where ξ m MathType@MTEF@5@5@+= feaagKart1ev2aaatCvAUfeBSjuyZL2yd9gzLbvyNv2CaerbuLwBLn hiov2DGi1BTfMBaeXatLxBI9gBaerbd9wDYLwzYbItLDharqqtubsr 4rNCHbGeaGqiVu0Je9sqqrpepC0xbbL8F4rqqrFfpeea0xe9Lq=Jc9 vqaqpepm0xbba9pwe9Q8fs0=yqaqpepae9pg0FirpepeKkFr0xfr=x fr=xb9adbaqaaeGaciGaaiaabeqaamaabaabaaGcbiGaaW8aaWGbju aGcqaH+oaEdaWgaaqaaKqzadGaamyBaaqcfayabaaaaa@3BFB@  is the steady-state value of displacement of the piezoactuator, U m MathType@MTEF@5@5@+= feaagKart1ev2aaatCvAUfeBSjuyZL2yd9gzLbvyNv2CaerbuLwBLn hiov2DGi1BTfMBaeXatLxBI9gBaerbd9wDYLwzYbItLDharqqtubsr 4rNCHbGeaGqiVu0Je9sqqrpepC0xbbL8F4rqqrFfpeea0xe9Lq=Jc9 vqaqpepm0xbba9pwe9Q8fs0=yqaqpepae9pg0FirpepeKkFr0xfr=x fr=xb9adbaqaaeGaciGaaiaabeqaamaabaabaaGcbiGaaW8aaWGbju aGcaWGvbWaaSbaaeaajugWaiaad2gaaKqbagqaaaaa@3B12@  is the amplitude of the voltage. For the voltage-controlled piezoactuator from the piezoceramics PZT under the transverse piezoelectric effect for the elastic-inertial load M 1 MathType@MTEF@5@5@+= feaagKart1ev2aaatCvAUfeBSjuyZL2yd9gzLbvyNv2CaerbuLwBLn hiov2DGi1BTfMBaeXatLxBI9gBaerbd9wDYLwzYbItLDharqqtubsr 4rNCHbGeaGqiVu0Je9sqqrpepC0xbbL8F4rqqrFfpeea0xe9Lq=Jc9 vqaqpepm0xbba9pwe9Q8fs0=yqaqpepae9pg0FirpepeKkFr0xfr=x fr=xb9adbaqaaeGaciGaaiaabeqaamaabaabaaGcbiGaaW8aaWGbju aGcaWGnbWaaSbaaeaajugWaiaaigdaaKqbagqaaiabgkziUkabg6Hi Lcaa@3E31@ , m<< M 2 MathType@MTEF@5@5@+= feaagKart1ev2aaatCvAUfeBSjuyZL2yd9gzLbvyNv2CaerbuLwBLn hiov2DGi1BTfMBaeXatLxBI9gBaerbd9wDYLwzYbItLDharqqtubsr 4rNCHbGeaGqiVu0Je9sqqrpepC0xbbL8F4rqqrFfpeea0xe9Lq=Jc9 vqaqpepm0xbba9pwe9Q8fs0=yqaqpepae9pg0FirpepeKkFr0xfr=x fr=xb9adbaqaaeGaciGaaiaabeqaamaabaabaaGcbiGaaW8aaWGbju aGcaWGTbGaeyipaWJaeyipaWJaamytamaaBaaabaqcLbmacaaIYaaa juaGbeaaaaa@3DCE@ and input voltage with amplitude U m =100 MathType@MTEF@5@5@+= feaagKart1ev2aaatCvAUfeBSjuyZL2yd9gzLbvyNv2CaerbuLwBLn hiov2DGi1BTfMBaeXatLxBI9gBaerbd9wDYLwzYbItLDharqqtubsr 4rNCHbGeaGqiVu0Je9sqqrpepC0xbbL8F4rqqrFfpeea0xe9Lq=Jc9 vqaqpepm0xbba9pwe9Q8fs0=yqaqpepae9pg0FirpepeKkFr0xfr=x fr=xb9adbaqaaeGaciGaaiaabeqaamaabaabaaGcbiWaaW8aaGgbaW GbjuaGcaWGvbWaaSbaaeaajugWaiaad2gaaKqbagqaaiabg2da9iaa igdacaaIWaGaaGimaaaa@3EB4@ V at d 31 =2.5 10 10 MathType@MTEF@5@5@+= feaagKart1ev2aaatCvAUfeBSjuyZL2yd9gzLbvyNv2CaerbuLwBLn hiov2DGi1BTfMBaeXatLxBI9gBaerbd9wDYLwzYbItLDharqqtubsr 4rNCHbGeaGqiVu0Je9sqqrpepC0xbbL8F4rqqrFfpeea0xe9Lq=Jc9 vqaqpepm0xbba9pwe9Q8fs0=yqaqpepae9pg0FirpepeKkFr0xfr=x fr=xb9adbaqaaeGaciGaaiaabeqaamaabaabaaGcbiWaaW8aaGgbaW GbjuaGcaWGKbWaaSbaaeaajugabiaaiodacaaIXaaajuaGbeaacqGH 9aqpcaaIYaGaaiOlaiaaiwdacqGHflY1caaIXaGaaGimamaaCaaabe qaaKqzadGaeyOeI0IaaGymaiaaicdaaaaaaa@45F9@ m/V, h/δ =20 MathType@MTEF@5@5@+= feaagKart1ev2aaatCvAUfeBSjuyZL2yd9gzLbvyNv2CaerbuLwBLn hiov2DGi1BTfMBaeXatLxBI9gBaerbd9wDYLwzYbItLDharqqtubsr 4rNCHbGeaGqiVu0Je9sqqrpepC0xbbL8F4rqqrFfpeea0xe9Lq=Jc9 vqaqpepm0xbba9pwe9Q8fs0=yqaqpepae9pg0FirpepeKkFr0xfr=x fr=xb9adbaqaaeGaciGaaiaabeqaamaabaabaaGcbiWaaW8aaGgbaW GbjuaGdaWcgaqaaiaadIgaaeaacqaH0oazaaGaeyypa0JaaGOmaiaa icdaaaa@3CFA@ , M 2 =9 MathType@MTEF@5@5@+= feaagKart1ev2aaatCvAUfeBSjuyZL2yd9gzLbvyNv2CaerbuLwBLn hiov2DGi1BTfMBaeXatLxBI9gBaerbd9wDYLwzYbItLDharqqtubsr 4rNCHbGeaGqiVu0Je9sqqrpepC0xbbL8F4rqqrFfpeea0xe9Lq=Jc9 vqaqpepm0xbba9pwe9Q8fs0=yqaqpepae9pg0FirpepeKkFr0xfr=x fr=xb9adbaqaaeGaciGaaiaabeqaamaabaabaaGcbiWaaW8aaGgbaW GbjuaGcaWGnbWaaSbaaeaajugWaiaaikdaaKqbagqaaiabg2da9iaa iMdaaaa@3D0A@ kg, C 11 E =2 10 7 MathType@MTEF@5@5@+= feaagKart1ev2aaatCvAUfeBSjuyZL2yd9gzLbvyNv2CaerbuLwBLn hiov2DGi1BTfMBaeXatLxBI9gBaerbd9wDYLwzYbItLDharqqtubsr 4rNCHbGeaGqiVu0Je9sqqrpepC0xbbL8F4rqqrFfpeea0xe9Lq=Jc9 vqaqpepm0xbba9pwe9Q8fs0=yqaqpepae9pg0FirpepeKkFr0xfr=x fr=xb9adbaqaaeGaciGaaiaabeqaamaabaabaaGcbiWaaW8aaGgbaW GbjuaGcaWGdbWcdaqhaaqcfayaaKqzadGaaGymaiaaigdaaKqbagaa jugWaiaadweaaaqcfaOaeyypa0JaaGOmaiabgwSixlaaigdacaaIWa WcdaahaaqcfayabeaajugWaiaaiEdaaaaaaa@473C@ N/m, C e =0.5 10 7 MathType@MTEF@5@5@+= feaagKart1ev2aaatCvAUfeBSjuyZL2yd9gzLbvyNv2CaerbuLwBLn hiov2DGi1BTfMBaeXatLxBI9gBaerbd9wDYLwzYbItLDharqqtubsr 4rNCHbGeaGqiVu0Je9sqqrpepC0xbbL8F4rqqrFfpeea0xe9Lq=Jc9 vqaqpepm0xbba9pwe9Q8fs0=yqaqpepae9pg0FirpepeKkFr0xfr=x fr=xb9adbaqaaeGaciGaaiaabeqaamaabaabaaGcbiWaaW8aaGgbaW GbjuaGcaWGdbWcdaWgaaqcfayaaKqzadGaamyzaaqcfayabaGaeyyp a0JaaGimaiaac6cacaaI1aGaeyyXICTaaGymaiaaicdadaahaaqabe aajugWaiaaiEdaaaaaaa@44FF@ H/m are obtained values ξ m =400 MathType@MTEF@5@5@+= feaagKart1ev2aaatCvAUfeBSjuyZL2yd9gzLbvyNv2CaerbuLwBLn hiov2DGi1BTfMBaeXatLxBI9gBaerbd9wDYLwzYbItLDharqqtubsr 4rNCHbGeaGqiVu0Je9sqqrpepC0xbbL8F4rqqrFfpeea0xe9Lq=Jc9 vqaqpepm0xbba9pwe9Q8fs0=yqaqpepae9pg0FirpepeKkFr0xfr=x fr=xb9adbaqaaeGaciGaaiaabeqaamaabaabaaGcbiWaaW8aaGgbaW GbjuaGcqaH+oaEdaWgaaqaaKqzadGaamyBaaqcfayabaGaeyypa0Ja aGinaiaaicdacaaIWaaaaa@3FA0@ nm, T t =0.6 10 3 MathType@MTEF@5@5@+= feaagKart1ev2aaatCvAUfeBSjuyZL2yd9gzLbvyNv2CaerbuLwBLn hiov2DGi1BTfMBaeXatLxBI9gBaerbd9wDYLwzYbItLDharqqtubsr 4rNCHbGeaGqiVu0Je9sqqrpepC0xbbL8F4rqqrFfpeea0xe9Lq=Jc9 vqaqpepm0xbba9pwe9Q8fs0=yqaqpepae9pg0FirpepeKkFr0xfr=x fr=xb9adbaqaaeGaciGaaiaabeqaamaabaabaaGcbiWaaW8aaGgbaW GbjuaGcaWGubWcdaWgaaqcfayaaKqzadGaamiDaaqcfayabaGaeyyp a0JaaGimaiaac6cacaaI2aGaeyyXICTaaGymaiaaicdalmaaCaaaju aGbeqaaKqzadGaeyOeI0IaaG4maaaaaaa@46A2@ c.

Result & discussion

The structural-parametric model and parametric structural schematic diagrams of the voltage-controlled piezoactuator for the longitudinal, transverse and shift piezoelectric effects are determined from the generalized structural-parametric model of the electromagnetoelastic actuator for the nanomedicine and the nanobiotechnology with the replacement of the following parameters

Ψ m ={ E 3 , E 3 , E 1 MathType@MTEF@5@5@+= feaagKart1ev2aaatCvAUfeBSjuyZL2yd9gzLbvyNv2CaerbuLwBLn hiov2DGi1BTfMBaeXatLxBI9gBaerbd9wDYLwzYbItLDharqqtubsr 4rNCHbGeaGqiVu0Je9sqqrpepC0xbbL8F4rqqrFfpeea0xe9Lq=Jc9 vqaqpepm0xbba9pwe9Q8fs0=yqaqpepae9pg0FirpepeKkFr0xfr=x fr=xb9adbaqaaeGaciGaaiaabeqaamaabaabaaGcbiWaaW8aaGgbaW GbjuaGcqqHOoqwdaWgaaqaaKqzadGaamyBaaqcfayabaGaeyypa0Za aiqaaeaacaWGfbWcdaWgaaqcfayaaKqzadGaaG4maaqcfayabaGaai ilaiaadweadaWgaaqaaKqzadGaaG4maaqcfayabaGaaiilaiaadwea lmaaBaaajuaGbaqcLbmacaaIXaaajuaGbeaaaiaawUhaaaaa@4B10@ , d mi ={ d 33 , d 31 , d 15 MathType@MTEF@5@5@+= feaagKart1ev2aaatCvAUfeBSjuyZL2yd9gzLbvyNv2CaerbuLwBLn hiov2DGi1BTfMBaeXatLxBI9gBaerbd9wDYLwzYbItLDharqqtubsr 4rNCHbGeaGqiVu0Je9sqqrpepC0xbbL8F4rqqrFfpeea0xe9Lq=Jc9 vqaqpepm0xbba9pwe9Q8fs0=yqaqpepae9pg0FirpepeKkFr0xfr=x fr=xb9adbaqaaeGaciGaaiaabeqaamaabaabaaGcbiWaaW8aaGgbaW GbjuaGcaWGKbWcdaWgaaqcfayaaKqzadGaamyBaiaadMgaaKqbagqa aiabg2da9maaceaabaGaamizaSWaaSbaaKqbagaajugWaiaaiodaca aIZaaajuaGbeaacaGGSaGaamizamaaBaaabaqcLbmacaaIZaGaaGym aaqcfayabaGaaiilaiaadsgalmaaBaaajuaGbaqcLbmacaaIXaGaaG ynaaqcfayabaaacaGL7baaaaa@4E85@ , s ij Ψ ={ s 33 E , s 11 E , s 55 E MathType@MTEF@5@5@+= feaagKart1ev2aaatCvAUfeBSjuyZL2yd9gzLbvyNv2CaerbuLwBLn hiov2DGi1BTfMBaeXatLxBI9gBaerbd9wDYLwzYbItLDharqqtubsr 4rNCHbGeaGqiVu0Je9sqqrpepC0xbbL8F4rqqrFfpeea0xe9Lq=Jc9 vqaqpepm0xbba9pwe9Q8fs0=yqaqpepae9pg0FirpepeKkFr0xfr=x fr=xb9adbaqaaeGaciGaaiaabeqaamaabaabaaGcbiWaaW8aaGgbaW GbjuaGcaWGZbWcdaqhaaqcfayaaKqzadGaamyAaiaadQgaaKqbagaa jugWaiabfI6azbaajuaGcqGH9aqpdaGabaqaaiaadohalmaaDaaaju aGbaqcLbmacaaIZaGaaG4maaqcfayaaKqzadGaamyraaaajuaGcaGG SaGaam4CaSWaa0baaKqbagaajugWaiaaigdacaaIXaaajuaGbaqcLb macaWGfbaaaKqbakaacYcacaWGZbWcdaqhaaqcfayaaKqzadGaaGyn aiaaiwdaaKqbagaajugWaiaadweaaaaajuaGcaGL7baaaaa@5A3A@ , l={ δ,h,b MathType@MTEF@5@5@+= feaagKart1ev2aaatCvAUfeBSjuyZL2yd9gzLbvyNv2CaerbuLwBLn hiov2DGi1BTfMBaeXatLxBI9gBaerbd9wDYLwzYbItLDharqqtubsr 4rNCHbGeaGqiVu0Je9sqqrpepC0xbbL8F4rqqrFfpeea0xe9Lq=Jc9 vqaqpepm0xbba9pwe9Q8fs0=yqaqpepae9pg0FirpepeKkFr0xfr=x fr=xb9adbaqaaeGaciGaaiaabeqaamaabaabaaGcbiWaaW8aaGgbaW GbjuaGcaWGSbGaeyypa0ZaaiqaaeaacaqG0oGaaiilaiaadIgacaGG SaGaamOyaaGaay5Eaaaaaa@3F55@

The generalized structural-parametric model, the generalized parametric structural schematic diagram and the matrix equation of the electromagnetoelastic actuator are obtained from the solutions of the wave equation with the Laplace transform and from its deformations along the coordinate axes. From the generalized matrix equation for the transfer functions of the electromagnetoelastic actuator after algebraic transformations are constructed the matrix equations of the piezoactuator for the longitudinal, transverse and shift piezoelectric effects.

Conclusion

The generalized structural-parametric model, the generalized parametric structural schematic diagram, the matrix equation of the electromagnetoelastic actuator for the nanomedicine and the nanobiotechnology are obtained. The structural-parametric model, the matrix equation and the parametric structural schematic diagram of the piezoactuator for the transverse, longitudinal, shift piezoelectric effects are obtained from the generalized structural-parametric model of the electromagnetoelastic actuator. From the solution of the wave equation, from the equation of the electromagnetolasticity and the deformations along the coordinate axes the generalized structural-parametric model and the generalized parametric structural schematic diagram of the electromagnetoelastic actuator are constructed for the control systems for the nanomedicine and the nanobiotechnology. The deformations of the actuator are described by the matrix equation for the transfer functions of the actuator.

Acknowledgement

None.

Conflict of interest

The author declares no conflict of interest.

References

  1. Schultz J, Ueda J, Asada H. Cellular Actuators. England: Butterworth-Heinemann Publisher; 2017. 382 p.
  2. Uchino K. Piezoelectric actuator and ultrasonic motors. USA: Kluwer Academic Publisher; 1997;1:350.
  3. Przybylski J. Static and dynamic analysis of a flextensional transducer with an axial piezoelectric actuation. Engineering structures. 2015;84:140–151.
  4. Ueda J, Secord T, Asada HH. Large effective-strain piezoelectric actuators using nested cellular architecture with exponential strain amplification mechanisms. IEEE/ASME Transactions on Mechatronics. 2010;15(5):770–782.
  5. Karpelson M, Wei GY, Wood RJ. Driving high voltage piezoelectric actuators in microrobotic applications. Sensors and Actuators A: Physical. 2012;176:78–89.
  6. Afonin SM. Solution of the wave equation for the control of an elecromagnetoelastic transduser. Doklady mathematics. 2006;73(2):307–313.
  7. Afonin SM. Structural parametric model of a piezoelectric nanodisplacement transduser. Doklady physics. 2008;53(3):137–143.
  8. Afonin SM. Stability of strain control systems of nano-and microdisplacement piezotransducers. Mechanics of solids. 2014;49(2):196–207.
  9. Talakokula V, Bhalla S, Ball RJ, et al. Diagnosis of carbonation induced corrosion initiation and progressionin reinforced concrete structures using piezo-impedance transducers. Sensors and Actuators A: Physical. 2016;242:79–91.
  10. Yang Y, Tan L. Equivalent circuit modeling of piezoelectric energy harvesters. Journal of intelligent material systems and structures. 2009;20(18):2223–2235.
  11. Cady WG. Piezoelectricity: An introduction to the theory and applications of electromechancial phenomena in crystals. 1st ed. USA: McGraw-Hill Book Company; 1946. 806 p.
  12. Physical Acoustics: Principles and Methods. In: Mason W editor. USA: Academic Press; 1946. 532 p.
  13. Zwillinger D. Handbook of Differential Equations. 1st ed. USA: Academic Press; 1989. 801 p.
  14. Afonin SM. Structural-parametric model and transfer functions of electroelastic actuator for nano- and microdisplacement. In: Parinov editor. USA: Nova Science; 2015. p. 225–242.
  15. Afonin SM. Structural-parametric model electromagnetoelastic actuator nano- and microdisplacement for precision engineering. Precision Engineering and Technology. 2016;3(6):110–119.
  16. Afonin SM. Structural-parametric models and transfer functions of electromagnetoelastic actuators nano- and microdisplacement for mechatronic systems. International Journal of Theoretical and Applied Mathematics. 2016;2(2):52–59.
  17. Afonin SM. Parametric structural diagram of a piezoelectric converter. Mechanics of solids. 2002;37(6):85–91.
  18. Afonin SM. Deformation, fracture, and mechanical characteristics of a compound piezoelectric transducer. Mechanics of solids. 2003;38(6):78–82.
  19. Afonin SM. Parametric block diagram and transfer functions of a composite piezoelectric transducer. Mechanics of solids. 2004;39(4):119–127.
  20. Afonin SM. Generalized parametric structural model of a compound elecromagnetoelastic transduser. Doklady physics. 2005;50(2):77–82.
  21. Afonin SM. Design static and dynamic characteristics of a piezoelectric nanomicrotransducers. Mechanics of solids. 2010;45(1):123–132.
  22. Afonin SM. Electromechanical deformation and transformation of the energy of a nano-scale piezomotor. Russian engineering research. 2011;31(7):638–642.
  23. Afonin SM. Electroelasticity problems for multilayer nano- and micromotors. Russian engineering research. 2011;31:842.
  24. Afonin SM. Nano- and micro-scale piezomotors. Russian engineering research. 2012;32(7-8):519–522.
  25. Afonin SM. Optimal control of a multilayer submicromanipulator with a longitudinal piezo effect. Russian engineering research. 2015;35(12):907–910.
  26. Afonin SM. Block diagrams of a multilayer piezoelectric motor for nano- and microdisplacements based on the transverse piezoeffect. Journal of computer and systems sciences international. 2015;54(3):424–439.
  27. Afonin SM. Absolute stability conditions for a system controlling the deformation of an elecromagnetoelastic transduser. Doklady mathematics. 2006;74(3):943–948.
  28. Afonin SM. Elastic compliances and mechanical and adjusting characteristics of composite piezoelectric transducers. Mechanics of solids. 2007;42(1):43–49.
  29. Afonin SM. Static and dynamic characteristics of a multy-layer electroelastic solid. Mechanics of solids. 2009;44(6):935–950.
  30. Afonin SM. Structural-parametric model electromagnetoelastic actuator nanodisplacement for mechatronics. International Journal of Physics. 2017;5(1):9–15.
  31. Afonin SM. A structural-parametric model of electroelastic actuator for nano- and microdisplacement of mechatronic system. In: Bartul Z, et al. editors.USA: Nova Science; 2017. p. 259–284.
  32. Springer Handbook of Nanotechnology. In: Bhushan B editor. USA: Springer; 2004. 1222 p.
Creative Commons Attribution License

©2017 Afonin. This is an open access article distributed under the terms of the, which permits unrestricted use, distribution, and build upon your work non-commercially.