Submit manuscript...
eISSN: 2574-8092

International Robotics & Automation Journal

Technical Paper Volume 5 Issue 1

Controllers comparison to balancing and trajectory tracking a two wheeled mobile robot

Ahmed J Abougarair

Deportment of Electrical and Electronics Engineering, University of Tripoli, Libya

Correspondence: Ahmed J Abougarair, Deportment of Electrical and Electronics Engineering, University of Tripoli, Libya

Received: April 06, 2018 | Published: February 25, 2019

Citation: Abougarair AJ. Controllers comparison to balancing and trajectory tracking a two wheeled mobile robot. Int Rob Auto J. 2019;5(1):28-31. DOI: 10.15406/iratj.2019.05.00168

Download PDF

Abstract

This paper presents an optimal controller design using three different algorithms for trajectory tracking of Two Wheeled Balancing Mobile Robot (TWBMR). All the proposed algorithms have been investigated through simulations under the influence of different inputs tracking and exogenous disturbance. This attempts to validate the significance of these algorithms in balance regulation and tracking trajectory. These algorithms are represented by PID-PID based parallel dual feed-back, serial dual feed-back and hybrid optimal control using Feed-forward PID and Feed-back LQR. Simulation results are provided to demonstrate that, the hybrid controller can achieve a better robust performance in comparing to the other two design algorithms. The graphical user interface (GUI) software has been used to show the simulation results in more convenient way.

Keywords: trajectory tracking, self balancing, pid controller, lqr controller, two wheeled balancing mobil robot

Introduction

property, therefore, the robot has become an essential and classical experiment facility to prove various kinds of control theory and control method.1,2 In addition it has some other advantages for autonomous mobile, small size, simple structure and flexibility of action, so it can suitable for some jobs in narrow space or dangerous work. Many similar systems, such as JOE, nBot have been studied by researchers.3,4 Modeling and control of TWBMR have been widely studied by several researches. Proposed pole placement controller for TWBMR, but did not deal with trajectory tracking. Ha and Yuta5 presented the trajectory tracking system for navigation of the inverse pendulum type self-contained mobile robot, but  this method was limited to simple straight line motion and simple turning. In spite of the previous literature, in this paper both balancing and tracking are controlled simultaneously by using of the mentioned algorithms. Where in the first algorithm, the parallel PID-PID parameters are tuned by LQR, the serial PID-PID parameters are adjusted by sequential quadratic programming (SQP) and in hybrid controller the PID-LQR is applied. The work of this paper can be arranged as follows, section 2 the dynamic model of the TWBMR is provided, section 3 presents the open loop analysis of the nonlinear and linearized model of the considered system, the controllers implementation is considered in section 4, the GUI simulation for the system with the hybrid controller algorithm is used to show the simulation results in convenience way.

Dynamics Of TWIPMR System

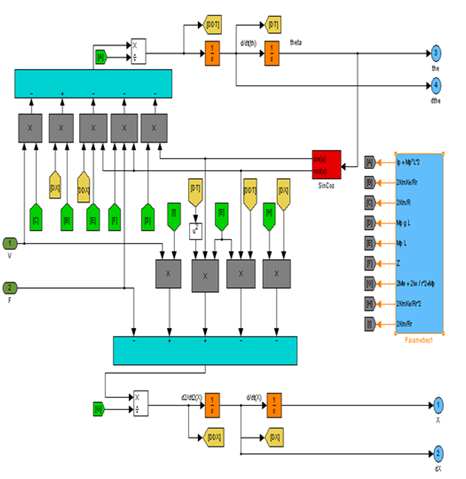
In order to develop the control system, the mathematical model is established to predict the behavior. The dynamic performance of a balancing robot depends on the efficiency of the control algorithms and the dynamic model of the system.6 The wheel and the pendulum are analyzed separately and the related nonlinear equations of the system are obtained by the Newton model.7 In order to simplify the model, some assumptions should be considered without affecting the premise of the robot model such as the geometrical parameters of the wheels are identical and the wheels are considered as rigid bodies.8 The set of equations describing the plant has been developed. Based on the definition of parameters listed below, the simulation of the nonlinear model given by equation (1) and equation (2) is carried out using the simulink model shown by Figure 1.

Figure 1 Simulink model of the nonlinear TWIPMR dynamics system.

( I p + M p l 2 ) θ ¨ p 2 k e k m R r  x ˙ +  2 k m R  V a   + M p glsin θ p + FZcos θ p =  M p l x ¨  cos θ p   MathType@MTEF@5@5@+= feaagKart1ev2aaatCvAUfeBSjuyZL2yd9gzLbvyNv2CaerbuLwBLn hiov2DGi1BTfMBaeXatLxBI9gBaerbd9wDYLwzYbItLDharqqtubsr 4rNCHbGeaGqiVCI8FfYJH8YrFfeuY=Hhbbf9v8qqaqFr0xc9pk0xbb a9q8WqFfeaY=biLkVcLq=JHqpepeea0=as0Fb9pgeaYRXxe9vr0=vr 0=vqpWqaaeaabiGaciaacaqabeaadaqaaqaaaOqaaKqbacbaaaaaaa aapeGaaiikaiaabMeapaWaaSbaaKqbGeaapeGaaeiCaaqcfa4daeqa a8qacqGHRaWkcaWGnbWdamaaBaaajuaibaWdbiaadchaaKqba+aabe aapeGaamiBa8aadaahaaqabKqbGeaapeGaaGOmaaaajuaGcaGGPaGa fqiUde3dayaadaWaaSbaaKqbGeaapeGaamiCaaqcfa4daeqaa8qacq GHsisldaWcaaWdaeaapeGaaGOmaiaadUgapaWaaSbaaKqbGeaapeGa amyzaaqcfa4daeqaa8qacaWGRbWdamaaBaaajuaibaWdbiaad2gaaK qba+aabeaaaeaapeGaamOuaiaacckacaWGYbGaaiiOaaaaceWG4bWd ayaacaWdbiabgUcaRiaacckadaWcaaWdaeaapeGaaGOmaiaadUgapa WaaSbaaKqbGeaapeGaamyBaaqcfa4daeqaaaqaa8qacaWGsbGaaiiO aaaacaWGwbWdamaaBaaajuaibaWdbiaadggaaKqba+aabeaapeGaae iOaiaabckacqGHRaWkcaWGnbWdamaaBaaajuaibaWdbiaadchaaKqb a+aabeaapeGaam4zaiaadYgaciGGZbGaaiyAaiaac6gacqaH4oqCpa WaaSbaaKqbGeaapeGaamiCaaqcfa4daeqaa8qacqGHRaWkcaGGGcGa amOraiaabQfacaqGJbGaae4BaiaabohacqaH4oqCpaWaaSbaaKqbGe aapeGaamiCaaqcfa4daeqaaiabg2da98qacqGHsislcaGGGcGaamyt a8aadaWgaaqcfasaa8qacaWGWbaajuaGpaqabaWdbiaadYgaceWG4b WdayaadaWdbiaacckaciGGJbGaai4BaiaacohacqaH4oqCpaWaaSba aKqbGeaapeGaamiCaaqcfa4daeqaa8qacaGGGcaaaa@868C@ (1)

( 2 M w + M p + 2 I w r 2 ) x ¨ + 2 k e k m R  r 2 x ˙ + M p θ ¨ cos θ p     M p l  θ ˙ p 2 sin θ p + F= 2 k m R r  V a MathType@MTEF@5@5@+= feaagKart1ev2aaatCvAUfeBSjuyZL2yd9gzLbvyNv2CaerbuLwBLn hiov2DGi1BTfMBaeXatLxBI9gBaerbd9wDYLwzYbItLDharqqtubsr 4rNCHbGeaGqiVCI8FfYJH8YrFfeuY=Hhbbf9v8qqaqFr0xc9pk0xbb a9q8WqFfeaY=biLkVcLq=JHqpepeea0=as0Fb9pgeaYRXxe9vr0=vr 0=vqpWqaaeaabiGaciaacaqabeaadaqaaqaaaOqaaKqbacbaaaaaaa aapeWaaeWaa8aabaWdbiaaikdacaWGnbWdamaaBaaajuaibaWdbiaa dEhaaKqba+aabeaapeGaey4kaSIaamyta8aadaWgaaqcfasaa8qaca WGWbaajuaGpaqabaWdbiabgUcaRmaalaaapaqaa8qacaaIYaGaamys a8aadaWgaaqcfasaa8qacaWG3baajuaGpaqabaaabaWdbiaadkhapa WaaWbaaeqajuaibaWdbiaaikdaaaaaaaqcfaOaayjkaiaawMcaaiqa dIhapaGbamaapeGaey4kaSYaaSaaa8aabaWdbiaaikdacaWGRbWdam aaBaaajuaibaWdbiaadwgaaKqba+aabeaapeGaam4Aa8aadaWgaaqc fasaa8qacaWGTbaajuaGpaqabaaabaWdbiaadkfacaGGGcGaamOCa8 aadaahaaqabKqbGeaapeGaaGOmaaaaaaqcfaOabmiEa8aagaGaa8qa cqGHRaWkcaWGnbWdamaaBaaajuaibaWdbiaadchaaKqba+aabeaape GafqiUdeNbamaaciGGJbGaai4BaiaacohacqaH4oqCpaWaaSbaaKqb GeaapeGaamiCaaqcfa4daeqaa8qacqGHsislcaGGGcGaaiiOaiaacc kacaWGnbWdamaaBaaajuaibaWdbiaadchaaKqba+aabeaapeGaamiB aiaacckacuaH4oqCgaGaa8aadaqhaaqcfasaa8qacaWGWbaapaqaa8 qacaaIYaaaaKqbakGacohacaGGPbGaaiOBaiabeI7aX9aadaWgaaqc fasaa8qacaWGWbaajuaGpaqabaWdbiabgUcaRiaacckacaWGgbGaey ypa0ZaaSaaa8aabaWdbiaaikdacaWGRbWdamaaBaaajuaibaWdbiaa d2gaaKqba+aabeaaaeaapeGaamOuaiaacckacaWGYbGaaiiOaaaaca WGwbWdamaaBaaajuaibaWdbiaadggaa8aabeaaaaa@846B@ (2)

Where

Mp: Body mass

Ip: Body inertia

Ke: Back EMF

Mw: Wheel mass

Iw: Wheel inertia

Km: Motor torque

R : Resistance

L: Dist. from COG

R: Wheel radius

Va: Applied voltage

g: Gravity

F: disturbance force

Z: Location of disturbance

Uncontrolled system

The linearized and nonlinear models of the considered robot system are simulated to show the open loop response behaviour in each model. The obtained results are shown in Figure 2, which indicates that the system is unstable and a rapid increase in output due to small input signal variation is observed. To address this stability problem the following three algorithms with different controllers are presented.

Figure 2 Position x and angle θ of the linear model and nonlinear of TWIPMR.

Controller implementation

The most important advantage of feedback control system is that it makes the control insensitive to external disturbances and variation of parameters of system. The main objective is to control the angular displacement (θ) of the robot body for returning the body back to the upright position after a change caused due to disturbance force and keeping the vehicle wheels within a specified linear position (x) from as specific reference position.

Parallel two loop PID algorithm

Based LQR

This section presents a Parallel Dual Feed-Back (PDFB) for TWBMR which combines the negative position feedback control and negative angle feedback control. The double loops work cooperatively to endow the system with strong anti-interference ability. The simulink model for the nonlinear TWBMR system with PDFB controller is implemented as shown in Figure 3, where the system with and without input disturbance is considered. The gain parameters of PID controllers are determined via the LQR approach. In order to test the controller’s trajectory tracking capability, three test cases such as step (Ref1), sinusoidal (Ref2) and multi level signal (Ref3) are applied independently. And the output states are shown for each input type as shown in Figure 4, the robot stood initially semi upright, and leaned to the right after the robot began to move. The robot recovered the balance because of the negative angle feedback of the angle controller. It is seen that, the controller successful to force the robot position x and balance angle to follow the of Ref1and Ref3 inputs with overshoot in transient and zero steady state error at steady state time. And in case of Ref2 where the sinusoidal input signal is applied, the robot position tracking and robot balancing can be accomplished.

Figure 3 Simulink model of TWIPMR using PDFB Based LQR Algorithm.

Figure 4 TWIPMR trajectory tracking using PDFB Based LQR Algorithm.

Series two loop pid algorithm   

Based SQP

This control system comprised of a Serial Dual Feed-Back (SDFB) based SQP. The outer loop has been implemented to take the robot position as feedback and the inner loop is the balancing control loop .This controller inserted in the closed loop of the system as shown by the simulink diagram in Figure 5 where the nonlinear control design (NCD) block to the outputs (x, θ) is connected. The NCD block automatically converts time-domain constraints into a constrained optimization problem and then solves the problem using SQP to find the gain parameters of PID controllers.

Figure 5 Simulink model of TWIPMR using SDFB Based SQP Algorithm.

Parameters of PID controllers

In the same fashion, the three types of inputs are applied to test the system performance. Figure 6 shows the response of the robot position and balance angle under the effect of these inputs, where it is observed that, the SDFB controller can achieve the position tracking with minimum overshoot and fails to achieve the balancing in case of three types of the inputs. Consequently, the seeking of the controller that can demonstrate an accurate tracking and balancing of the considered robot is the main goal of this work. The following section introduces the hybrid control strategy to improve the system performance.

Figure 6 TWIPMR trajectories tracking using SDFB Based SQP Algorithm.        

Hybrid control design

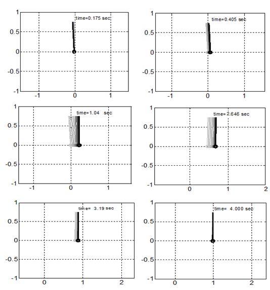
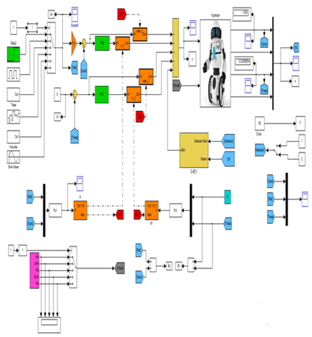
 An optimal control technique to make the optimal control decisions has been implemented here to control this system. Where, hybrid Controller (HC) is the combination method of PID and LQR () is considered to control of TWBMR. The closed loop system with such type of control strategy is implemented by the simulink as shown in Figure 7. In this design strategy, the LQR controller maintain the system around stable position which is upright position, and then simultaneously the PID controller can be added to controls a certain state to let the robot have different behaviour. The simulation results for PID-LQR are shown in Figure 8. According to the results PID-LOR is effective and suitable for improving the time domain characteristics of system response, such as settling time, overshoots and zero steady-state error. And in comparing to the other two control design strategies mentioned in the previous two sub-sections, a better position tracking and balancing have been detected in case of a hybrid control algorithm. Where, a zero overshoot and a lower settling time are obtained. Figure 9 show the snapshot of performance of proposed PID-LQR control method for mobile robot. The darkest line represents the most current state each snapshot, while the grey lines represent previous positions. The control algorithm combined by LQR and PID can achieve a good balance effect and has a good anti-disturbance effects, can restore dynamic fast.

Figure 7 Hybrid Strategy of PID and LQR control for TWIPMR.

Figure 8 Mobile robot trajectory tracking with uncertainty using PID-LQR.

Figure 9 Snapshots of the simulation of the controlled system different time instances after it's been subjected to a step input.

Conclusion

In this paper, the mathematical model linear and nonlinear of the TWIPMR is presented. The balance and tracking control of the two wheeled mobile robot has been studied and analyzed. The numerical simulation to test the effectiveness of each type of the controllers is carried out. Three types of control strategies, PID-PID based parallel dual feed-back, serial dual feed-back and hybrid optimal control using Feed-forward PID and Feed-back LQR have been designed. Different input reference signals have been applied to test the effectiveness of these controllers and it is demonstrated that an acceptable tracking accuracy can be achieved. It is concluded that for different set points, the hybrid controller can achieve a better performance of robot position tracking and balancing with very high accuracy. The disturbance is considered by different types and it have been seen that still the hybrid controller satisfy a better robust performance and reject effect of uncertainty. The hybrid control strategy candidates as preferred control design method for an optimal control design to demonstrate the desired characteristics (rise time, settling time, over shoot and steady state error) of the complex nonlinear dynamic systems.

Acknowledgments

None.

Conflicts of interest

Author declares there are no conflicts of interest.

References

Creative Commons Attribution License

©2019 Abougarair. This is an open access article distributed under the terms of the, which permits unrestricted use, distribution, and build upon your work non-commercially.