
Mini Review Volume 7 Issue 4
Electromagnetoelastic actuator for nanomedicine research
Afonin SM
National Research University of Electronic Technology, Russia
Correspondence: Afonin SM, National Research University of Electronic Technology, Russia
Received: May 16, 2018 | Published: July 18, 2018
Citation: Afonin SM. Electromagnetoelastic actuator for nanomedicine research. J Nanomed Res. 2018;7(4):231-233. DOI: 10.15406/jnmr.2018.07.00192
Download PDF
Abstract
In this work the static and dynamic characteristics, the structural diagram and the transfer functions of the electromagnetoelasticactuator are obtained. The generalized structural diagram, the matrix transfer functions of the electromagnetoelastic actuator make it possible to describe the static and dynamic characteristics of the actuator with regard to its physical parameters, external load.
Keywords: electromagnetoelasticactuator, piezoactuator, structural diagram, transfer function, static and dynamic characteristics
Introduction
The electromagnetoelastic actuator for nanodisplacement on the piezoelectric, piezomagnetic, electrostriction, magnetostriction effects is used in the electromechanics systems for the nanomedicine research in the scanning sensing microscopy and the adaptive optics.1‒8 For designing the nanotechnology equipment the static and dynamic characteristics, the mathematical model, the structural diagram and transfer functions of the electromagnetoelastic actuator are calculated.9‒18 The mathematical model, the structural diagram and transfer functions the electromagnetoelastic actuator based on the electromagnetoelasticity make it possible to describe the dynamic and static properties of the electromagnetoelastic actuator for the nanomedicine research with regard to its physical parameters and external load.19‒24 The static and dynamic characteristics, the mathematical model, the structural diagram and transfer functions of the electromagnetoelastic actuator are used for the nanomedicine research with the scanning sensing microscopy.
Structural diagram
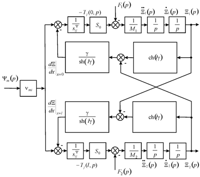
Let us consider the structural diagram of the electromagnetoelastic actuator for the nanomedicine research in contrast Cady and Mason electrical equivalent circuits. The method of mathematical physics is applied for the solution the wave equation and for the determination the structural diagram of the electromagnetoelastic actuator for nanomedicine research.1‒18 The mathematical model and the generalized structural diagram of the actuator 7,14 on (Figure 1) are determined,using method of the mathematical physics for the joints solution of the wave equation, the boundary conditions and the equation of the electromagnet elasticity, in the form
(1)
(2)
Where
,
,
(3)
,
,
,
(4)
Figure 1 Generalized structural diagram of electromagnetoelastic actuator for the nanomedicine research.
vmi is the coefficient electromagnetoelasticity,
is the control parameter, Em is the electric field strength for the voltage control along axis m, Dm is the electric induction for the current control along axis m, Hm for magnetic field strength control along axis m, dmi is the piezomoduleat the voltage-controlled piezoactuator or the coefficient of the magnetostriction at the magnetostrictive actuator, gmi is the piezomoduleat the current-controlled piezoactuator,
is the elastic complianceat Y = const, S0 is the cross section area, M1, M2 are the mass on the faces of the actuator,
,
and
,
are the Laplace transforms of the appropriate displacements and the forces on the faces 1, From equations of the forces acting on the faces of the actuator, the equation of the electromagnetoelasticity, the wave equation we obtain the generalized structural diagram of the electromagnetoelastic actuator. The structural diagrams of the voltage-controlled or current-controlled piezoactuator are determined from the mathematical model of the electromagnetoelastic actuator. (Figure 1) The generalized transfer functions of the of the electroelastic actuator are the ratio of the Laplace transform of the displacement of the face actuator and the Laplace transform of the corresponding control parameter or the force at zero initial conditions.
Characteristics of electromagnetoelastic actuator
The matrix transfer function of the actuator is deduced from its mathematical model (4)8,14,18 in the form
(5)
,
Where
is the column-matrix of the Laplace transforms of the displacements for the faces of the electromagnetoelastic actuator, (W(p)) is the matrix transfer function, (P(p)) the column-matrix of the Laplace transforms of the control parameter and the forces.
At
and vmi =d31 we have transfer functions of the piezoactuator in the form
The static characteristics of the actuator
and
have the form
(6)
(7)
The generalized structural scheme and the generalized transfer functions of the electromagnetoelastic actuator nano- and micro displacement are obtained from the generalized structural parametric model of the electromagnetoelastic actuator for the precision mechanics.
(8)
Where
are the mass of the actuator and load masses.
Let us consider the voltage-controlled the piezoactuator from PZT at the longitudinal piezo effect for
,
.At
m/V, U=150 V, M1 =1kg, M2=4kg the static characteristics of the actuatorhave following form
nm,
nm,
nm.
The transfer function of the voltage-controlled transverse piezoactuator at ,
have the form
,
Were Tt11 is the time constant and
is the damping coefficient for the piezoactuator. At
,
. d31 = 2.10-10 m/V,
, M2 = 1kg,
N/m,
H/m the parameters of the transfer function have the form
nm/V, Tt11= 0.2.10-3 c. Accordingly the static and dynamic characteristics of the voltage-controlled transverse piezoactuator for the nanomedicine research are determined.
Conclusion
The static and dynamic characteristics, the mathematical model, the structural diagram and transfer functions of the electromagnetoelastic actuator for the nanomedicine research are obtained. The generalized structural diagram, the transfers functions of the electromagnetoelastic actuator make it possible to describe the dynamic and static properties of the actuator with regard to its physical parameters, external load.
Acknowledgements
Conflict of interest
Author declares there is no conflict of interest.
References
- Schultz J, Ueda J, Asada H. Cellular actuators. Oxford: Butterworth-Heinemann Publisher; 2017. 382 p.
- Afonin SM. Absolute stability conditions for a system controlling the deformation of an elecromagnetoelastic transduser. Doklady mathematics. 2006;74(3):943‒948
- Zhou S, Yao Z. Design and optimization of a modal-independent linear ultrasonic motor. IEEE transaction on ultrasonics, ferroelectrics, and frequency control. 2014;61(3):535‒546
- Przybylski J. Static and dynamic analysis of a flextensional transducer with an axial piezoelectric actuation. Engineering structures. 2015;84:140‒151
- Ueda J, Secord T, Asada HH. Large effective-strain piezoelectric actuators using nested cellular architecture with exponential strain amplification mechanisms. IEEE/ASME transactions on mechatronics.2010;15(5):770‒782.
- Karpelson M, Wei G-Y, Wood RJ. Driving high voltage piezoelectric actuators in microrobotic applications. Sensors and actuators A: Physical. 2012;176:78‒89
- Afonin SM. Block diagrams of a multilayer piezoelectric motor for nano- and microdisplacements based on the transverse piezoeffect. Journal of computer and systems sciences international. 2015;54(3):424‒439
- Afonin SM. Structural parametric model of a piezoelectric nanodisplacement transduser. Doklady physics. 2008;53(3):137‒143
- Afonin SM. Solution of the wave equation for the control of an elecromagnetoelastic transduser. Doklady mathematics. 2006;73(2):307‒313.
- Cady WG. Piezoelectricity: An introduction to the theory and applications of electromechancial phenomena in crystals. London: McGraw-Hill Book Company; 1946. 806 p.
- Mason W. Physical acoustics: Principles and methods. Methods and devices. New York: Academic Press; 1964. 515p.
- Zwillinger D. Handbook of differential equations. Boston: Academic Press; 1989. 673 p.
- Afonin SM. Structural-parametric model and transfer functions of electroelastic actuator for nano- and microdisplacement. Chapter 9 in Piezoelectrics and nanomaterials: Fundamentals, developments and applications. New York: Nova Science; 2015:225‒242.
- Afonin SM. Bartul Z, Trenor J. A structural-parametric model of electroelastic actuator for nano- and microdisplacement of mechatronic system. Chapter 8 in Advances in nanotechnology, New York: Nova Science. 2017;(19):259‒284.
- Afonin SM. Nano- and micro-scale piezomotors.Russian engineering research. 2012;32(7-8):519‒522.
- Afonin SM. Elastic compliances and mechanical and adjusting characteristics of composite piezoelectric transducers. Mechanics of solids. 2007;42(1):43‒49.
- Afonin SM. Stability of strain control systems of nano-and microdisplacement piezotransducers. Mechanics of solids. 2014;49(2):196‒207.
- Afonin SM. Structural-parametric model electromagnetoelastic actuator nanodisplacement for mechatronics. International journal of physics. 2017;5(1):9‒15.
- Afonin SM. Structural-parametric model of piezoactuator nano- and microdisplacement for nanoscience. AASCIT Journal of Nanoscience. 2017;3(3):12‒18.
- Afonin SM. Solution wave equation and parametric structural schematic diagrams of electromagnetoelastic actuators nano- and microdisplacement. I J of Mathematical Analysis and Applications. 2016;3(4):31‒38.
- Afonin SM. Structural-parametric model electromagnetoelastic actuator nano and microdisplacement for precision engineering. Engineering and Technology. 2016;3(6):110‒119.
- Afonin SM. Structural-parametric model of electromagnetoelastic actuator for nanomechanics. Actuators. 2018;7(1),6:1‒9.
- Afonin SM. Structural-parametric models and transfer functions of electromagnetoelastic actuators nano- and microdisplacement for mechatronic systems. International Journal of Theoretical and Applied Mathematics. 2016;2(2): 52‒59.
- Bhushan B. Springer Handbook of Nanotechnology. Berlin: Springer; 2004. 1222 p.
©2018 Afonin. This is an open access article distributed under the terms of the,
which
permits unrestricted use, distribution, and build upon your work non-commercially.