Submit manuscript...
MOJ
eISSN: 2576-4519

Applied Bionics and Biomechanics

Mini Review Volume 4 Issue 2

Multilayer piezo engine for nanomedicine research

Afonin SM

National Research University of Electronic Technology, Russia

Correspondence: Afonin SM, National Research University of Electronic Technology, MIET, Moscow, Russia

Received: February 22, 2020 | Published: April 3, 2020

Citation: Afonin SM. Multilayer piezo engine for nanomedicine research. MOJ App Bio Biomech. 2020;4(2):30-31. DOI: 10.15406/mojabb.2020.04.00128

Download PDF

Abstract

We received the structural circuit of the multilayer piezo engine for nanomedicine research. The characteristics of the multilayer piezo engine are obtained.

Keywords: multilayer piezo engine; structural circuit, transfer function, characteristic

Introduction

The multilayer piezo engine with the piezoelectric effect is used for nanomedicine research in scanning microscopy, microdosing devices, nanomanipulates, nanopumps.15 The structural circuit of the multilayer piezo engine is obtained in contrast to Cady's and Mason's equivalent circuits.627

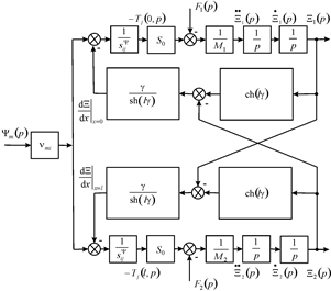
Structural circuit

The structural circuit of the multilayer piezo engine is received from the equation of the electro elasticity and its matrix of the quadripole. The equation of the electro elasticity,6 ,10,11 has the form

S i = ν mi Ψ m + s ij Ψ T j MathType@MTEF@5@5@+= feaagKart1ev2aaatCvAUfeBSjuyZL2yd9gzLbvyNv2CaerbuLwBLn hiov2DGi1BTfMBaeXatLxBI9gBaerbd9wDYLwzYbItLDharqqtubsr 4rNCHbGeaGqiVu0Je9sqqrpepC0xbbL8F4rqqrFfpeea0xe9Lq=Jc9 vqaqpepm0xbba9pwe9Q8fs0=yqaqpepae9pg0FirpepeKkFr0xfr=x fr=xb9adbaqaaeGaciGaaiaabeqaamaabaabaaGcbaGaam4uaSWaaS baaeaacaWGPbaabeaakiabg2da9iabe27aUnaaBaaaleaacaWGTbGa amyAaaGcbeaacqqHOoqwlmaaBaaabaGaamyBaaqabaGccqGHRaWkca WGZbWcdaqhaaqaaiaadMgacaWGQbaabaGaeuiQdKfaaOGaamivamaa BaaaleaacaWGQbaakeqaaaaa@46F8@

where S i MathType@MTEF@5@5@+= feaagKart1ev2aaatCvAUfeBSjuyZL2yd9gzLbvyNv2CaerbuLwBLn hiov2DGi1BTfMBaeXatLxBI9gBaerbd9wDYLwzYbItLDharqqtubsr 4rNCHbGeaGqiVu0Je9sqqrpepC0xbbL8F4rqqrFfpeea0xe9Lq=Jc9 vqaqpepm0xbba9pwe9Q8fs0=yqaqpepae9pg0FirpepeKkFr0xfr=x fr=xb9adbaqaaeGaciGaaiaabeqaamaabaabaaGcbaGaam4uaSWaaS baaeaacaWGPbaabeaaaaa@37E8@ , ν mi MathType@MTEF@5@5@+= feaagKart1ev2aaatCvAUfeBSjuyZL2yd9gzLbvyNv2CaerbuLwBLn hiov2DGi1BTfMBaeXatLxBI9gBaerbd9wDYLwzYbItLDharqqtubsr 4rNCHbGeaGqiVu0Je9sqqrpepC0xbbL8F4rqqrFfpeea0xe9Lq=Jc9 vqaqpepm0xbba9pwe9Q8fs0=yqaqpepae9pg0FirpepeKkFr0xfr=x fr=xb9adbaqaaeGaciGaaiaabeqaamaabaabaaGcbaGaeqyVd42aaS baaSqaaiaad2gacaWGPbaakeqaaaaa@39C4@ , Ψ m MathType@MTEF@5@5@+= feaagKart1ev2aaatCvAUfeBSjuyZL2yd9gzLbvyNv2CaerbuLwBLn hiov2DGi1BTfMBaeXatLxBI9gBaerbd9wDYLwzYbItLDharqqtubsr 4rNCHbGeaGqiVu0Je9sqqrpepC0xbbL8F4rqqrFfpeea0xe9Lq=Jc9 vqaqpepm0xbba9pwe9Q8fs0=yqaqpepae9pg0FirpepeKkFr0xfr=x fr=xb9adbaqaaeGaciGaaiaabeqaamaabaabaaGcbaGaeuiQdK1cda Wgaaqaaiaad2gaaeqaaaaa@38A3@ , s ij Ψ MathType@MTEF@5@5@+= feaagKart1ev2aaatCvAUfeBSjuyZL2yd9gzLbvyNv2CaerbuLwBLn hiov2DGi1BTfMBaeXatLxBI9gBaerbd9wDYLwzYbItLDharqqtubsr 4rNCHbGeaGqiVu0Je9sqqrpepC0xbbL8F4rqqrFfpeea0xe9Lq=Jc9 vqaqpepm0xbba9pwe9Q8fs0=yqaqpepae9pg0FirpepeKkFr0xfr=x fr=xb9adbaqaaeGaciGaaiaabeqaamaabaabaaGcbaGaam4CaSWaa0 baaeaacaWGPbGaamOAaaqaaiabfI6azbaaaaa@3A87@ , T j MathType@MTEF@5@5@+= feaagKart1ev2aaatCvAUfeBSjuyZL2yd9gzLbvyNv2CaerbuLwBLn hiov2DGi1BTfMBaeXatLxBI9gBaerbd9wDYLwzYbItLDharqqtubsr 4rNCHbGeaGqiVu0Je9sqqrpepC0xbbL8F4rqqrFfpeea0xe9Lq=Jc9 vqaqpepm0xbba9pwe9Q8fs0=yqaqpepae9pg0FirpepeKkFr0xfr=x fr=xb9adbaqaaeGaciGaaiaabeqaamaabaabaaGcbaGaamivamaaBa aaleaacaWGQbaakeqaaaaa@37F4@  are the relative displacement, the coefficient of electro elasticity, the control parameter, the elastic compliance and the mechanical stress.

For the multilayer piezo engine the causes force is obtained in the form

F= ν mi S 0 Ψ m / s ij Ψ MathType@MTEF@5@5@+= feaagKart1ev2aaatCvAUfeBSjuyZL2yd9gzLbvyNv2CaerbuLwBLn hiov2DGi1BTfMBaeXatLxBI9gBaerbd9wDYLwzYbItLDharqqtubsr 4rNCHbGeaGqiVu0Je9sqqrpepC0xbbL8F4rqqrFfpeea0xe9Lq=Jc9 vqaqpepm0xbba9pwe9Q8fs0=yqaqpepae9pg0FirpepeKkFr0xfr=x fr=xb9adbaqaaeGaciGaaiaabeqaamaabaabaaGcbaGaamOraiabg2 da9maalyaabaGaeqyVd42aaSbaaSqaaiaad2gacaWGPbaakeqaaiaa dofadaWgaaWcbaGaaGimaaqabaGccqqHOoqwlmaaBaaabaGaamyBaa qabaaakeaacaWGZbWcdaqhaaqaaiaadMgacaWGQbaabaGaeuiQdKfa aaaaaaa@44BB@

where So is the area of the multilayer piezo engine.

The matrix of the quadripole for the multilayer piezo engine,6, 2426 is received in the form

[ M ] n =[ ch( lγ ) Z 0 sh( lγ ) sh( lγ ) Z 0 ch( lγ ) ] MathType@MTEF@5@5@+= feaagKart1ev2aaatCvAUfeBSjuyZL2yd9gzLbvyNv2CaerbuLwBLn hiov2DGi1BTfMBaeXatLxBI9gBaerbd9wDYLwzYbItLDharqqtubsr 4rNCHbGeaGqiVu0Je9sqqrpepC0xbbL8F4rqqrFfpeea0xe9Lq=Jc9 vqaqpepm0xbba9pwe9Q8fs0=yqaqpepae9pg0FirpepeKkFr0xfr=x fr=xb9adbaqaaeGaciGaaiaabeqaamaabaabaaGcbaWaamWaaeaaca WGnbaacaGLBbGaayzxaaWcdaahaaqabeaacaWGUbaaaOGaeyypa0Za amWaaeaafaqabeGacaaabaGaae4yaiaabIgadaqadaqaaiaadYgacq aHZoWzaiaawIcacaGLPaaaaeaacaWGAbWaaSbaaSqaaiaaicdaaeqa aOGaae4CaiaabIgadaqadaqaaiaadYgacqaHZoWzaiaawIcacaGLPa aaaeaadaWcaaqaaiaabohacaqGObWaaeWaaeaacaWGSbGaeq4SdCga caGLOaGaayzkaaaabaGaamOwamaaBaaaleaacaaIWaaabeaaaaaake aacaqGJbGaaeiAamaabmaabaGaamiBaiabeo7aNbGaayjkaiaawMca aaaaaiaawUfacaGLDbaaaaa@5882@

where l is the length of the multilayer piezo engine and γ MathType@MTEF@5@5@+= feaagKart1ev2aaatCvAUfeBSjuyZL2yd9gzLbvyNv2CaerbuLwBLn hiov2DGi1BTfMBaeXatLxBI9gBaerbd9wDYLwzYbItLDharqqtubsr 4rNCHbGeaGqiVu0Je9sqqrpepC0xbbL8F4rqqrFfpeea0xe9Lq=Jc9 vqaqpepm0xbba9pwe9Q8fs0=yqaqpepae9pg0FirpepeKkFr0xfr=x fr=xb9adbaqaaeGaciGaaiaabeqaamaabaabaaGcbaGaeq4SdCgaaa@379D@  is the coefficient propagation.

The structural circuit of the multilayer piezo engine for nanomedicine research on Figure 1 is obtained in the form

Ξ 1 ( p )= [ 1/ ( M 1 p 2 ) ] × ×{ F 1 ( p )+ ( 1/ χ ij Ψ ) [ ν mi Ψ m ( p ) [ γ/ sh( lγ ) ] [ ch( lγ ) Ξ 1 ( p ) Ξ 2 ( p ) ] ] } MathType@MTEF@5@5@+= feaagKart1ev2aaatCvAUfeBSjuyZL2yd9gzLbvyNv2CaerbuLwBLn hiov2DGi1BTfMBaeXatLxBI9gBaerbd9wDYLwzYbItLDharqqtubsr 4rNCHbGeaGqiVu0Je9sqqrpepC0xbbL8F4rqqrFfpeea0xe9Lq=Jc9 vqaqpepm0xbba9pwe9Q8fs0=yqaqpepae9pg0FirpepeKkFr0xfr=x fr=xb9adbaqaaeGaciGaaiaabeqaamaabaabaaGceaqabeaacqqHEo awdaWgaaWcbaGaaGymaaqabaGcdaqadaqaaiaadchaaiaawIcacaGL PaaacqGH9aqpdaWadaqaamaalyaabaGaaGymaaqaamaabmaabaGaam ytamaaBaaaleaacaaIXaaabeaakiaadchadaahaaWcbeqaaiaaikda aaaakiaawIcacaGLPaaaaaaacaGLBbGaayzxaaWaaWbaaSqabeaaaa GccqGHxdaTaeaacqGHxdaTdaGadaqaaiabgkHiTiaadAeadaWgaaWc baGaaGymaaqabaGcdaqadaqaaiaadchaaiaawIcacaGLPaaacqGHRa WkdaqadaqaamaalyaabaGaaGymaaqaaiabeE8aJnaaDaaaleaacaWG PbGaamOAaaqaaiabfI6azbaaaaaakiaawIcacaGLPaaadaqhaaWcba aabaaaaOWaamWaaeaacqaH9oGBdaWgaaWcbaGaamyBaiaadMgaaeqa aOGaeuiQdK1aaSbaaSqaaiaad2gaaeqaaOWaaeWaaeaacaWGWbaaca GLOaGaayzkaaGaeyOeI0YaamWaaeaadaWcgaqaaiabeo7aNbqaaiaa bohacaqGObWaaeWaaeaacaWGSbGaeq4SdCgacaGLOaGaayzkaaaaaa Gaay5waiaaw2faamaaBaaaleaaaeqaaOWaamWaaeaacaqGJbGaaeiA amaabmaabaGaamiBaiabeo7aNbGaayjkaiaawMcaaiabf65aynaaBa aaleaacaaIXaaabeaakmaabmaabaGaamiCaaGaayjkaiaawMcaaiab gkHiTiabf65aynaaBaaaleaacaaIYaaabeaakmaabmaabaGaamiCaa GaayjkaiaawMcaaaGaay5waiaaw2faaaGaay5waiaaw2faaaGaay5E aiaaw2haaaaaaa@80F8@

Ξ 2 ( p )= [ 1/ ( M 2 p 2 ) ] × ×{ F 2 ( p )+ ( 1/ χ ij Ψ ) [ ν mi Ψ m ( p ) [ γ/ sh( lγ ) ] [ ch( lγ ) Ξ 2 ( p ) Ξ 1 ( p ) ] ] } MathType@MTEF@5@5@+= feaagKart1ev2aaatCvAUfeBSjuyZL2yd9gzLbvyNv2CaerbuLwBLn hiov2DGi1BTfMBaeXatLxBI9gBaerbd9wDYLwzYbItLDharqqtubsr 4rNCHbGeaGqiVu0Je9sqqrpepC0xbbL8F4rqqrFfpeea0xe9Lq=Jc9 vqaqpepm0xbba9pwe9Q8fs0=yqaqpepae9pg0FirpepeKkFr0xfr=x fr=xb9adbaqaaeGaciGaaiaabeqaamaabaabaaGceaqabeaacqqHEo awdaWgaaWcbaGaaGOmaaqabaGcdaqadaqaaiaadchaaiaawIcacaGL PaaacqGH9aqpdaWadaqaamaalyaabaGaaGymaaqaamaabmaabaGaam ytamaaBaaaleaacaaIYaaabeaakiaadchadaahaaWcbeqaaiaaikda aaaakiaawIcacaGLPaaaaaaacaGLBbGaayzxaaWaaWbaaSqabeaaaa GccqGHxdaTaeaacqGHxdaTdaGadaqaaiabgkHiTiaadAeadaWgaaWc baGaaGOmaaqabaGcdaqadaqaaiaadchaaiaawIcacaGLPaaacqGHRa WkdaqadaqaamaalyaabaGaaGymaaqaaiabeE8aJnaaDaaaleaacaWG PbGaamOAaaqaaiabfI6azbaaaaaakiaawIcacaGLPaaadaqhaaWcba aabaaaaOWaamWaaeaacqaH9oGBdaWgaaWcbaGaamyBaiaadMgaaeqa aOGaeuiQdK1aaSbaaSqaaiaad2gaaeqaaOWaaeWaaeaacaWGWbaaca GLOaGaayzkaaGaeyOeI0YaamWaaeaadaWcgaqaaiabeo7aNbqaaiaa bohacaqGObWaaeWaaeaacaWGSbGaeq4SdCgacaGLOaGaayzkaaaaaa Gaay5waiaaw2faamaaBaaaleaaaeqaaOWaamWaaeaacaqGJbGaaeiA amaabmaabaGaamiBaiabeo7aNbGaayjkaiaawMcaaiabf65aynaaBa aaleaacaaIYaaabeaakmaabmaabaGaamiCaaGaayjkaiaawMcaaiab gkHiTiabf65aynaaBaaaleaacaaIXaaabeaakmaabmaabaGaamiCaa GaayjkaiaawMcaaaGaay5waiaaw2faaaGaay5waiaaw2faaaGaay5E aiaaw2haaaaaaa@80FB@

Figure 1 Structural circuit of multilayer piezo engine for nanomedicine research.

where v mi ={ d 33 , d 31 , d 15 g 33 , g 31 , g 15 MathType@MTEF@5@5@+= feaagKart1ev2aaatCvAUfeBSjuyZL2yd9gzLbvyNv2CaerbuLwBLn hiov2DGi1BTfMBaeXatLxBI9gBaerbd9wDYLwzYbItLDharqqtubsr 4rNCHbGeaGqiVu0Je9sqqrpepC0xbbL8F4rqqrFfpeea0xe9Lq=Jc9 vqaqpepm0xbba9pwe9Q8fs0=yqaqpepae9pg0FirpepeKkFr0xfr=x fr=xb9adbaqaaeGaciGaaiaabeqaamaabaabaaGcbaGaamODamaaBa aaleaacaWGTbGaamyAaaqabaGccqGH9aqpdaGabaqaauaabeqaceaa aeaacaWGKbWaaSbaaSqaaiaaiodacaaIZaaabeaakiaacYcacaWGKb WaaSbaaSqaaiaaiodacaaIXaaabeaakiaacYcacaWGKbWaaSbaaSqa aiaaigdacaaI1aaabeaaaOqaaiaadEgadaWgaaWcbaGaaG4maiaaio daaeqaaOGaaiilaiaadEgadaWgaaWcbaGaaG4maiaaigdaaeqaaOGa aiilaiaadEgadaWgaaWcbaGaaGymaiaaiwdaaeqaaaaaaOGaay5Eaa aaaa@4D8F@ ; Ψ m ={ E 3 , E 1 D 3 , D 1 MathType@MTEF@5@5@+= feaagKart1ev2aaatCvAUfeBSjuyZL2yd9gzLbvyNv2CaerbuLwBLn hiov2DGi1BTfMBaeXatLxBI9gBaerbd9wDYLwzYbItLDharqqtubsr 4rNCHbGeaGqiVu0Je9sqqrpepC0xbbL8F4rqqrFfpeea0xe9Lq=Jc9 vqaqpepm0xbba9pwe9Q8fs0=yqaqpepae9pg0FirpepeKkFr0xfr=x fr=xb9adbaqaaeGaciGaaiaabeqaamaabaabaaGcbaGaeuiQdK1aaS baaSqaaiaad2gaaeqaaOGaeyypa0ZaaiqaaeaafaqabeGabaaabaGa amyramaaBaaaleaacaaIZaaabeaakiaacYcacaWGfbWaaSbaaSqaai aaigdaaeqaaaGcbaGaamiramaaBaaaleaacaaIZaaabeaakiaacYca caWGebWaaSbaaSqaaiaaigdaaeqaaaaaaOGaay5Eaaaaaa@4328@ ; s ij Ψ =={ s 33 E , s 11 E , s 55 E s 33 D , s 11 D , s 55 D MathType@MTEF@5@5@+= feaagKart1ev2aaatCvAUfeBSjuyZL2yd9gzLbvyNv2CaerbuLwBLn hiov2DGi1BTfMBaeXatLxBI9gBaerbd9wDYLwzYbItLDharqqtubsr 4rNCHbGeaGqiVu0Je9sqqrpepC0xbbL8F4rqqrFfpeea0xe9Lq=Jc9 vqaqpepm0xbba9pwe9Q8fs0=yqaqpepae9pg0FirpepeKkFr0xfr=x fr=xb9adbaqaaeGaciGaaiaabeqaamaabaabaaGcbaGaam4CamaaDa aaleaacaWGPbGaamOAaaqaaiabfI6azbaakiabg2da9iabg2da9maa ceaabaqbaeqabiqaaaqaaiaadohadaqhaaWcbaGaaG4maiaaiodaae aacaWGfbaaaOGaaiilaiaadohadaqhaaWcbaGaaGymaiaaigdaaeaa caWGfbaaaOGaaiilaiaadohadaqhaaWcbaGaaGynaiaaiwdaaeaaca WGfbaaaaGcbaGaam4CamaaDaaaleaacaaIZaGaaG4maaqaaiaadsea aaGccaGGSaGaam4CamaaDaaaleaacaaIXaGaaGymaaqaaiaadseaaa GccaGGSaGaam4CamaaDaaaleaacaaI1aGaaGynaaqaaiaadseaaaaa aaGccaGL7baaaaa@5533@ ;

c Ψ ={ c E c D MathType@MTEF@5@5@+= feaagKart1ev2aaatCvAUfeBSjuyZL2yd9gzLbvyNv2CaerbuLwBLn hiov2DGi1BTfMBaeXatLxBI9gBaerbd9wDYLwzYbItLDharqqtubsr 4rNCHbGeaGqiVu0Je9sqqrpepC0xbbL8F4rqqrFfpeea0xe9Lq=Jc9 vqaqpepm0xbba9pwe9Q8fs0=yqaqpepae9pg0FirpepeKkFr0xfr=x fr=xb9adbaqaaeGaciGaaiaabeqaamaabaabaaGcbaGaam4yamaaCa aaleqabaGaeuiQdKfaaOGaeyypa0ZaaiqaaeaafaqabeGabaaabaGa am4yaSWaaWbaaeqabaGaamyraaaaaOqaaiaadogadaahaaWcbeqaai aadseaaaaaaaGccaGL7baaaaa@3EA2@ ; γ=p/ c Ψ +α MathType@MTEF@5@5@+= feaagKart1ev2aaatCvAUfeBSjuyZL2yd9gzLbvyNv2CaerbuLwBLn hiov2DGi1BTfMBaeXatLxBI9gBaerbd9wDYLwzYbItLDharqqtubsr 4rNCHbGeaGqiVu0Je9sqqrpepC0xbbL8F4rqqrFfpeea0xe9Lq=Jc9 vqaqpepm0xbba9pwe9Q8fs0=yqaqpepae9pg0FirpepeKkFr0xfr=x fr=xb9adbaqaaeGaciGaaiaabeqaamaabaabaaGcbaGaeq4SdCMaey ypa0ZaaSGbaeaacaWGWbaabaGaam4yamaaCaaaleqabaGaeuiQdKfa aaaakiabgUcaRiabeg7aHbaa@3EDD@ ; χ ij Ψ = s ij Ψ / S 0 MathType@MTEF@5@5@+= feaagKart1ev2aaatCvAUfeBSjuyZL2yd9gzLbvyNv2CaerbuLwBLn hiov2DGi1BTfMBaeXatLxBI9gBaerbd9wDYLwzYbItLDharqqtubsr 4rNCHbGeaGqiVu0Je9sqqrpepC0xbbL8F4rqqrFfpeea0xe9Lq=Jc9 vqaqpepm0xbba9pwe9Q8fs0=yqaqpepae9pg0FirpepeKkFr0xfr=x fr=xb9adbaqaaeGaciGaaiaabeqaamaabaabaaGcbaGaeq4Xdm2aa0 baaSqaaiaadMgacaWGQbaabaGaeuiQdKfaaOGaeyypa0ZaaSGbaeaa caWGZbWaa0baaSqaaiaadMgacaWGQbaabaGaeuiQdKfaaaGcbaGaam 4uamaaBaaaleaacaaIWaaabeaaaaaaaa@42C5@ ; Ξ 1 ( p ) MathType@MTEF@5@5@+= feaagKart1ev2aaatCvAUfeBSjuyZL2yd9gzLbvyNv2CaerbuLwBLn hiov2DGi1BTfMBaeXatLxBI9gBaerbd9wDYLwzYbItLDharqqtubsr 4rNCHbGeaGqiVu0Je9sqqrpepC0xbbL8F4rqqrFfpeea0xe9Lq=Jc9 vqaqpepm0xbba9pwe9Q8fs0=yqaqpepae9pg0FirpepeKkFr0xfr=x fr=xb9adbaqaaeGaciGaaiaabeqaamaabaabaaGcbaGaeuONdG1aaS baaSqaaiaaigdaaeqaaOWaaeWaaeaacaWGWbaacaGLOaGaayzkaaaa aa@3AE9@ , Ξ 2 ( p ) MathType@MTEF@5@5@+= feaagKart1ev2aaatCvAUfeBSjuyZL2yd9gzLbvyNv2CaerbuLwBLn hiov2DGi1BTfMBaeXatLxBI9gBaerbd9wDYLwzYbItLDharqqtubsr 4rNCHbGeaGqiVu0Je9sqqrpepC0xbbL8F4rqqrFfpeea0xe9Lq=Jc9 vqaqpepm0xbba9pwe9Q8fs0=yqaqpepae9pg0FirpepeKkFr0xfr=x fr=xb9adbaqaaeGaciGaaiaabeqaamaabaabaaGcbaGaeuONdG1aaS baaSqaaiaaikdaaeqaaOWaaeWaaeaacaWGWbaacaGLOaGaayzkaaaa aa@3AEA@ , F 1 ( p ) MathType@MTEF@5@5@+= feaagKart1ev2aaatCvAUfeBSjuyZL2yd9gzLbvyNv2CaerbuLwBLn hiov2DGi1BTfMBaeXatLxBI9gBaerbd9wDYLwzYbItLDharqqtubsr 4rNCHbGeaGqiVu0Je9sqqrpepC0xbbL8F4rqqrFfpeea0xe9Lq=Jc9 vqaqpepm0xbba9pwe9Q8fs0=yqaqpepae9pg0FirpepeKkFr0xfr=x fr=xb9adbaqaaeGaciGaaiaabeqaamaabaabaaGcbaGaamOramaaBa aaleaacaaIXaaabeaakmaabmaabaGaamiCaaGaayjkaiaawMcaaaaa @3A30@ , F 2 ( p ) MathType@MTEF@5@5@+= feaagKart1ev2aaatCvAUfeBSjuyZL2yd9gzLbvyNv2CaerbuLwBLn hiov2DGi1BTfMBaeXatLxBI9gBaerbd9wDYLwzYbItLDharqqtubsr 4rNCHbGeaGqiVu0Je9sqqrpepC0xbbL8F4rqqrFfpeea0xe9Lq=Jc9 vqaqpepm0xbba9pwe9Q8fs0=yqaqpepae9pg0FirpepeKkFr0xfr=x fr=xb9adbaqaaeGaciGaaiaabeqaamaabaabaaGcbaGaamOramaaBa aaleaacaaIYaaabeaakmaabmaabaGaamiCaaGaayjkaiaawMcaaaaa @3A31@ are Laplace transforms of the displacements and the forces on the faces 1, 2 of the multilayer piezo engine; M 1 MathType@MTEF@5@5@+= feaagKart1ev2aaatCvAUfeBSjuyZL2yd9gzLbvyNv2CaerbuLwBLn hiov2DGi1BTfMBaeXatLxBI9gBaerbd9wDYLwzYbItLDharqqtubsr 4rNCHbGeaGqiVu0Je9sqqrpepC0xbbL8F4rqqrFfpeea0xe9Lq=Jc9 vqaqpepm0xbba9pwe9Q8fs0=yqaqpepae9pg0FirpepeKkFr0xfr=x fr=xb9adbaqaaeGaciGaaiaabeqaamaabaabaaGcbaGaamytamaaBa aaleaacaaIXaaabeaaaaa@37AF@ , M 1 MathType@MTEF@5@5@+= feaagKart1ev2aaatCvAUfeBSjuyZL2yd9gzLbvyNv2CaerbuLwBLn hiov2DGi1BTfMBaeXatLxBI9gBaerbd9wDYLwzYbItLDharqqtubsr 4rNCHbGeaGqiVu0Je9sqqrpepC0xbbL8F4rqqrFfpeea0xe9Lq=Jc9 vqaqpepm0xbba9pwe9Q8fs0=yqaqpepae9pg0FirpepeKkFr0xfr=x fr=xb9adbaqaaeGaciGaaiaabeqaamaabaabaaGcbaGaamytamaaBa aaleaacaaIXaaabeaaaaa@37AF@  are the masses of the loads.

Accordingly, in the practical application of the multilayer piezo engine, we have its parameters: displacement 1 nm -10μm, fast response 1-10ms, force 100-1000 N.

For the system with the lumped parameters the transfer function of the multilayer engine with longitudinal piezoeffect and one fixed face is obtained in the form

W( p )= Ξ 2 ( p ) U( p ) = d 33 n ( 1+ C e / C 33 E ) ( T t 2 p 2 +2 T t ξ t p+1 ) MathType@MTEF@5@5@+= feaagKart1ev2aaatCvAUfeBSjuyZL2yd9gzLbvyNv2CaerbuLwBLn hiov2DGi1BTfMBaeXatLxBI9gBaerbd9wDYLwzYbItLDharqqtubsr 4rNCHbGeaGqiVu0Je9sqqrpepC0xbbL8F4rqqrFfpeea0xe9Lq=Jc9 vqaqpepm0xbba9pwe9Q8fs0=yqaqpepae9pg0FirpepeKkFr0xfr=x fr=xb9adbaqaaeGaciGaaiaabeqaamaabaabaaGcbaGaam4vamaabm aabaGaamiCaaGaayjkaiaawMcaaiabg2da9maalaaabaGaeuONdG1a aSbaaSqaaiaaikdaaeqaaOWaaeWaaeaacaWGWbaacaGLOaGaayzkaa aabaGaamyvamaabmaabaGaamiCaaGaayjkaiaawMcaaaaacqGH9aqp daWcaaqaaiaadsgalmaaBaaabaGaaG4maiaaiodaaeqaaOGaamOBaa qaamaabmaabaGaaGymaiabgUcaRmaalyaabaGaam4qaSWaaSbaaeaa caWGLbaabeaaaOqaaiaadoeadaqhaaWcbaGaaG4maiaaiodaaeaaca WGfbaaaaaaaOGaayjkaiaawMcaamaaDaaaleaaaeaaaaGcdaqadaqa aiaadsfalmaaDaaabaGaamiDaaqaaiaaikdaaaGccaWGWbWcdaahaa qabeaacaaIYaaaaOGaey4kaSIaaGOmaiaadsfalmaaBaaabaGaamiD aaqabaGccqaH+oaElmaaBaaabaGaamiDaaqabaGccaWGWbGaey4kaS IaaGymaaGaayjkaiaawMcaaaaaaaa@5F52@

T t = M 2 / ( C e + C 33 E ) MathType@MTEF@5@5@+= feaagKart1ev2aaatCvAUfeBSjuyZL2yd9gzLbvyNv2CaerbuLwBLn hiov2DGi1BTfMBaeXatLxBI9gBaerbd9wDYLwzYbItLDharqqtubsr 4rNCHbGeaGqiVu0Je9sqqrpepC0xbbL8F4rqqrFfpeea0xe9Lq=Jc9 vqaqpepm0xbba9pwe9Q8fs0=yqaqpepae9pg0FirpepeKkFr0xfr=x fr=xb9adbaqaaeGaciGaaiaabeqaamaabaabaaGcbaGaamivaSWaaS baaeaacaWG0baabeaakiabg2da9maakaaabaWaaSGbaeaacaWGnbWa aSbaaSqaaiaaikdaaeqaaaGcbaWaaeWaaeaacaWGdbWcdaWgaaqaai aadwgaaeqaaiabgUcaROGaam4qamaaDaaaleaacaaIZaGaaG4maaqa aiaadweaaaaakiaawIcacaGLPaaaaaaabeaaaaa@4284@

ξ t = α ( nδ ) 2 C 33 E / ( 3 c E M 2 ( C e + C 33 E ) ) MathType@MTEF@5@5@+= feaagKart1ev2aaatCvAUfeBSjuyZL2yd9gzLbvyNv2CaerbuLwBLn hiov2DGi1BTfMBaeXatLxBI9gBaerbd9wDYLwzYbItLDharqqtubsr 4rNCHbGeaGqiVu0Je9sqqrpepC0xbbL8F4rqqrFfpeea0xe9Lq=Jc9 vqaqpepm0xbba9pwe9Q8fs0=yqaqpepae9pg0FirpepeKkFr0xfr=x fr=xb9adbaqaaeGaciGaaiaabeqaamaabaabaaGcbaGaeqOVdG3cda WgaaqaaiaadshaaeqaaOGaeyypa0ZaaSGbaeaacqaHXoqydaqadaqa aiaad6gacqaH0oazaiaawIcacaGLPaaadaahaaqabSqaaiaaikdaaa GccaWGdbWaa0baaSqaaiaaiodacaaIZaaabaGaamyraaaaaOqaamaa bmaabaGaaG4maiaadogadaahaaqabSqaaiaadweaaaGcdaGcaaqaai aad2eadaWgaaWcbaGaaGOmaaqabaGcdaqadaqaaiaadoealmaaBaaa baGaamyzaaqabaGaey4kaSIccaWGdbWaa0baaSqaaiaaiodacaaIZa aabaGaamyraaaaaOGaayjkaiaawMcaaaqabaaacaGLOaGaayzkaaaa aaaa@5193@

where T t MathType@MTEF@5@5@+= feaagKart1ev2aaatCvAUfeBSjuyZL2yd9gzLbvyNv2CaerbuLwBLn hiov2DGi1BTfMBaeXatLxBI9gBaerbd9wDYLwzYbItLDharqqtubsr 4rNCHbGeaGqiVu0Je9sqqrpepC0xbbL8F4rqqrFfpeea0xe9Lq=Jc9 vqaqpepm0xbba9pwe9Q8fs0=yqaqpepae9pg0FirpepeKkFr0xfr=x fr=xb9adbaqaaeGaciGaaiaabeqaamaabaabaaGcbaGaamivamaaBa aaleaacaWG0baabeaaaaa@37F4@ , ξ t MathType@MTEF@5@5@+= feaagKart1ev2aaatCvAUfeBSjuyZL2yd9gzLbvyNv2CaerbuLwBLn hiov2DGi1BTfMBaeXatLxBI9gBaerbd9wDYLwzYbItLDharqqtubsr 4rNCHbGeaGqiVu0Je9sqqrpepC0xbbL8F4rqqrFfpeea0xe9Lq=Jc9 vqaqpepm0xbba9pwe9Q8fs0=yqaqpepae9pg0FirpepeKkFr0xfr=x fr=xb9adbaqaaeGaciGaaiaabeqaamaabaabaaGcbaGaeqOVdG3aaS baaSqaaiaadshaaeqaaaaa@38DE@  are the time constant, the damping coefficient of the multilayer engine.

At d 33 MathType@MTEF@5@5@+= feaagKart1ev2aaatCvAUfeBSjuyZL2yd9gzLbvyNv2CaerbuLwBLn hiov2DGi1BTfMBaeXatLxBI9gBaerbd9wDYLwzYbItLDharqqtubsr 4rNCHbGeaGqiVu0Je9sqqrpepC0xbbL8F4rqqrFfpeea0xe9Lq=Jc9 vqaqpepm0xbba9pwe9Q8fs0=yqaqpepae9pg0FirpepeKkFr0xfr=x fr=xb9adbaqaaeGaciGaaiaabeqaamaabaabaaGcbaGaamizaSWaaS baaeaacaaIZaGaaG4maaqabaaaaa@3885@ =4∙10-10 m/V, =16,  = 60 V, M 2 MathType@MTEF@5@5@+= feaagKart1ev2aaatCvAUfeBSjuyZL2yd9gzLbvyNv2CaerbuLwBLn hiov2DGi1BTfMBaeXatLxBI9gBaerbd9wDYLwzYbItLDharqqtubsr 4rNCHbGeaGqiVu0Je9sqqrpepC0xbbL8F4rqqrFfpeea0xe9Lq=Jc9 vqaqpepm0xbba9pwe9Q8fs0=yqaqpepae9pg0FirpepeKkFr0xfr=x fr=xb9adbaqaaeGaciGaaiaabeqaamaabaabaaGcbaGaamytamaaBa aaleaacaaIYaaabeaaaaa@37B0@  = 4 kg, C 33 E MathType@MTEF@5@5@+= feaagKart1ev2aaatCvAUfeBSjuyZL2yd9gzLbvyNv2CaerbuLwBLn hiov2DGi1BTfMBaeXatLxBI9gBaerbd9wDYLwzYbItLDharqqtubsr 4rNCHbGeaGqiVu0Je9sqqrpepC0xbbL8F4rqqrFfpeea0xe9Lq=Jc9 vqaqpepm0xbba9pwe9Q8fs0=yqaqpepae9pg0FirpepeKkFr0xfr=x fr=xb9adbaqaaeGaciGaaiaabeqaamaabaabaaGcbaGaam4qaSWaa0 baaeaacaaIZaGaaG4maaqaaiaadweaaaaaaa@392F@  = 1.5∙107 N/m,  = 0.3∙107 N/m for the multilayer piezo engine from PZT are received the maximum static displacement of its second face ξ 2 MathType@MTEF@5@5@+= feaagKart1ev2aaatCvAUfeBSjuyZL2yd9gzLbvyNv2CaerbuLwBLn hiov2DGi1BTfMBaeXatLxBI9gBaerbd9wDYLwzYbItLDharqqtubsr 4rNCHbGeaGqiVu0Je9sqqrpepC0xbbL8F4rqqrFfpeea0xe9Lq=Jc9 vqaqpepm0xbba9pwe9Q8fs0=yqaqpepae9pg0FirpepeKkFr0xfr=x fr=xb9adbaqaaeGaciGaaiaabeqaamaabaabaaGcbaGaaeOVdmaaBa aaleaacaaIYaaabeaaaaa@3822@ =320 nm and the time constant  = 0.47∙10-3 s. The discrepancy between the experimental data and the calculation results is 5%.

Conclusion

We received the structural circuit of the multilayer piezo engine for nanomedicine research with used the equation of the electro elasticity and the matrix of the quadripole. We obtained the static displacement and the time constant of the multilayer piezo engine for nanomedicine research. The static and dynamic characteristics of the multilayer piezo engine are used in the calculation of the mechatronic control system.

Acknowledgments

None.

Conflicts of interest

The authors declare there are no conflicts of interest.

Funding

None.

References

  1. Schultz J, Ueda J, Asada H. Cellular Actuators. Oxford: Butterworth-Heinemann Publisher; 2017. p. 382.
  2. Afonin SM. Piezo actuators for nanomedicine research. MOJ Applied Bionics and Biomechanics. 2019;3(2):56‒57.
  3. Afonin SM. Condition absolute stability of control system with electro elastic actuator for nano bioengineering and microsurgery. Surgery and Case Studies Open Access Journal. 2019;3(3):307–309.
  4. Zhou S, Yao Z. Design and optimization of a modal-independent linear ultrasonic motor. IEEE transaction on ultrasonics, ferroelectrics, and frequency control. 2014;61(3):535‒546.
  5. Uchino K. Piezoelectric actuator and ultrasonic motors. Boston, MA: Kluwer Academic Publisher; 1997. p. 347.
  6. Afonin SM. Block diagrams of a multilayer piezoelectric motor for nano- and microdisplacements based on the transverse piezoeffect. Journal of computer and systems sciences international. 2015;54(3):424‒439.
  7. Afonin SM. Structural parametric model of a piezoelectric nanodisplacement transduser. Doklady physics. 2008;53(3):137‒143.
  8. Afonin SM. Solution of the wave equation for the control of an elecromagnetoelastic transduser. Doklady mathematics. 2006;73(2):307‒313.
  9. Cady WG. Piezoelectricity: An introduction to the theory and applications of electromechancial phenomena in crystals. McGraw-Hill Book Company, London: New York; 1946. p. 806.
  10. Mason W. Physical Acoustics: Principles and Methods. Vol.1. Part A. Methods and Devices. New York: Academic Press; 1964. p. 515.
  11. Afonin SM. Structural-parametric model and transfer functions of electroelastic actuator for nano- and microdisplacement. Chapter 9 in Piezoelectrics and Nanomaterials: Fundamentals, Developments and Applications. Parinov IA, editor. New York: Nova Science; 2015. p. 225‒242.
  12. Afonin SM. Stability of strain control systems of nano-and microdisplacement piezotransducers. Mechanics of solids. 2014;49(2):196‒207.
  13. Afonin SM. Structural-parametric model electromagnetoelastic actuator nanodisplacement for mechatronics. International Journal of Physics. 2017;5(1):9‒15.
  14. Afonin SM. Structural-parametric model multilayer electromagnetoelastic actuator for nanomechatronics. International Journal of Physics. 2019;7(2):50‒57.
  15. Afonin SM. Solution wave equation and parametric structural schematic diagrams of electromagnetoelastic actuators nano- and microdisplacement. International Journal of Mathematical Analysis and Applications. 2016;3(4):31‒38.
  16. Afonin SM. Structural-parametric model of electromagnetoelastic actuator for nanomechanics. Actuators. 2018;7(1):1‒9.
  17. Afonin SM. Structural-parametric models and transfer functions of electromagnetoelastic actuators nano- and microdisplacement for mechatronic systems. International Journal of Theoretical and Applied Mathematics. 2016;2(2):52‒59.
  18. Afonin SM. Parametric block diagrams of a multi-layer piezoelectric transducer of nano- and microdisplacements under transverse piezoelectric effect. Mechanics of Solids. 2017;52(1):81‒94.
  19. Afonin SM. Multilayer electromagnetoelastic actuator for robotics systems of nanotechnology, Proceedings of the 2018 IEEE Conference EIConRus. 2018. p. 1698‒1701.
  20. Afonin SM. Electromagnetoelastic nano- and microactuators for mechatronic systems. Russian Engineering Research. 2018;38(12):938‒944.
  21. Afonin SM. Structural-parametric model of electro elastic actuator for nanotechnology and biotechnology. Journal of Pharmacy and Pharmaceutics. 2018;5(1):8‒12.
  22. Afonin SM. Electromagnetoelastic actuator for nanomechanics. Global Journal of Research in Engineering. A: Mechanical and Mechanics Engineering. 2018;18(2):19‒23.
  23. Afonin SM. Structural–parametric model electroelastic actuator nano– and microdisplacement of mechatronics systems for nanotechnology and ecology research. MOJ Ecology and Environmental Sciences. 2018;3(5):306‒309.
  24. Afonin SM. Static and dynamic characteristics of multilayered electromagnetoelastic transducer of nano- and micrometric movements. Journal of Computer and Systems Sciences International. 2010;49(1):73-85.
  25. Afonin SM. Static and dynamic characteristics of a multi-layer electroelastic solid. Mechanics of Solids. 2009;44(6):935‒950.
  26. Afonin SM. Structural-parametric model and diagram of a multilayer electromagnetoelastic actuator for nanomechanics. Actuators. 2019;8(3):1‒14.
  27. Springer Handbook of Nanotechnology. Bhushan B, editor. Berlin, New York: Springer; 2004. p. 1222.
Creative Commons Attribution License

©2020 Afonin. This is an open access article distributed under the terms of the, which permits unrestricted use, distribution, and build upon your work non-commercially.