Submit manuscript...
MOJ
eISSN: 2576-4519

Applied Bionics and Biomechanics

Research Article Volume 8 Issue 1

Parallel and coded control of multi layered longitudinal piezo engine for nano biomedical research

Afonin S.M.

National Research University of Electronic Technology MIET, Russia

Correspondence: Afonin SM, National Research University of Electronic Technology MIET, Moscow, Russia

Received: May 28, 2024 | Published: June 11, 2024

Citation: Afonin SM. Parallel and coded control of multi layered longitudinal piezo engine for nano biomedical research. MOJ App Bio Biomech. 2024;8(1):62-65. DOI: 10.15406/mojabb.2024.08.00210

Download PDF

Abstract

The multi-layer longitudinal piezo engine with parallel and coded control is used for nano biomedical research. The characteristics of the multi-layer longitudinal piezo engine with parallel and coded control are determined for nano biomedical research. The characteristics of the multi-layer longitudinal piezo engine are obtained by applied method of mathematical physics.

Keywords: Multi-layer longitudinal piezo engine, parallel and coded control, characteristics, biomedical research

Introduction

The use of the multi-layer longitudinal piezo engine for nano- and micro displacements is promising in nano biomedical research for the compensation of gravitational and temperature deformations, precise alignment,1−10 Nano pumps, microsurgery, scanning microscopy, adaptive optics, interferometers.8−38

Increasing the range of displacement to tens of micrometers is achieved by using the multi-layer longitudinal piezo engine in the form the composite, stack or block piezo engine.1−8

At present the use of the multi-layer longitudinal piezo engine with parallel and coded control is relevant, which requires determining the characteristics of this piezo engine. The application of the multi-layer longitudinal piezo engine at coded control makes it possible to effectively use electromechanical digital-to-analog conversion proportional to the control code for nano- and microdisplacements.11−34

In contrast to the simple piezo engine the multi-layer longitudinal piezo engine in static without load has the range of the movement increased in n times, where n – the number of the piezo layers. The characteristics of the multi-layer longitudinal piezo engine for parallel and coded control are calculated by applied method of mathematical physics.

Characteristics multi-layer longitudinal piezo engine at parallel control

Structurally the multi-layer longitudinal piezo engine, depending on the manufacturing technology, can be made in the form: the composite piezo engine made of individual elastically pressed piezo plates; packaged or block piezo engine made of piezo plates sintered using silver paste; the composite piezo engine made of the piezo packages with elastic reinforcement; the glued multi-layer piezo engine made of the piezo plates; the multi-layer piezo engine with the layers by using thick-film or thin-film.1–18

The equation3−6 of the inverse longitudinal piezo effect has the form

S 3 = d 33 E 3 + s 33 E T 3 MathType@MTEF@5@5@+= feaagKart1ev2aaatCvAUfeBSjuyZL2yd9gzLbvyNv2CaerbuLwBLn hiov2DGi1BTfMBaeXatLxBI9gBaerbujxzIv3yOvgDG00uaerbd9wD YLwzYbItLDharqqtubsr4rNCHbGeaGqkY=MjYJH8sqFD0xXdHaVhbb f9v8qqaqFr0xc9pk0xbba9q8WqFfea0=yr0RYxir=Jbba9q8aq0=yq =He9q8qqQ8frFve9Fve9Ff0dmeaabaqaciGacaGaaeaadaabaeaafa aakeaacaWGtbWcdaWgaaqaaiaabodaaeqaaOGaeyypa0JaamizaSWa aSbaaeaacaqGZaGaae4maaqabaGccaWGfbWaaSbaaSqaaiaabodaae qaaOGaey4kaSIaam4CaSWaa0baaeaacaqGZaGaae4maaqaaiaadwea aaGaaGPaVRGaamivaSWaaSbaaeaacaqGZaaabeaaaaa@4ADA@

here S 3 , E 3 , T 3 , d 33 , s 33 E MathType@MTEF@5@5@+= feaagKart1ev2aaatCvAUfeBSjuyZL2yd9gzLbvyNv2CaerbuLwBLn hiov2DGi1BTfMBaeXatLxBI9gBaerbujxzIv3yOvgDG00uaerbd9wD YLwzYbItLDharqqtubsr4rNCHbGeaGqkY=MjYJH8sqFD0xXdHaVhbb f9v8qqaqFr0xc9pk0xbba9q8WqFfea0=yr0RYxir=Jbba9q8aq0=yq =He9q8qqQ8frFve9Fve9Ff0dmeaabaqaciGacaGaaeaadaabaeaafa aakeaacaWGtbWcdaWgaaqaaiaabodaaeqaaiaacYcacaaMc8UaaGPa VlaaykW7kiaadwealmaaBaaabaGaae4maaqabaGaaiilaiaaykW7ca aMc8UccaWGubWcdaWgaaqaaiaabodaaeqaaiaacYcacaaMc8UaaGPa VRGaamizaSWaaSbaaeaacaqGZaGaae4maaqabaGaaiilaiaaykW7ca aMc8UccaWGZbWcdaqhaaqaaiaabodacaqGZaaabaGaamyraaaaaaa@580A@ − the relative displacement, the electric field stress, the mechanical stress, the piezo module, the elastic compliance with E=const MathType@MTEF@5@5@+= feaagKart1ev2aaatCvAUfeBSjuyZL2yd9gzLbvyNv2CaerbuLwBLn hiov2DGi1BTfMBaeXatLxBI9gBaerbujxzIv3yOvgDG00uaerbd9wD YLwzYbItLDharqqtubsr4rNCHbGeaGqkY=MjYJH8sqFD0xXdHaVhbb f9v8qqaqFr0xc9pk0xbba9q8WqFfea0=yr0RYxir=Jbba9q8aq0=yq =He9q8qqQ8frFve9Fve9Ff0dmeaabaqaciGacaGaaeaadaabaeaafa aakeaacaWGfbGaeyypa0Jaae4yaiaab+gacaqGUbGaae4Caiaabsha aaa@42C8@ , index 3 for 3 axis.

We have the equation of the mechanical characteristic at parallel control in the form Δl= d 33 nU s 33 E Fl/ S 0 = d 33 nUF/ C 33 E MathType@MTEF@5@5@+= feaagKart1ev2aaatCvAUfeBSjuyZL2yd9gzLbvyNv2CaerbuLwBLn hiov2DGi1BTfMBaeXatLxBI9gBaerbujxzIv3yOvgDG00uaerbd9wD YLwzYbItLDharqqtubsr4rNCHbGeaGqkY=MjYJH8sqFD0xXdHaVhbb f9v8qqaqFr0xc9pk0xbba9q8WqFfea0=yr0RYxir=Jbba9q8aq0=yq =He9q8qqQ8frFve9Fve9Ff0dmeaabaqaciGacaGaaeaadaabaeaafa aakeaacqqHuoarcaWGSbGaeyypa0JaamizaSWaaSbaaeaacaqGZaGa ae4maaqabaGaaGPaVRGaamOBaiaadwfacqGHsisldaWcgaqaaiaado halmaaDaaabaGaae4maiaabodaaeaacaWGfbaaaOGaamOraiaadYga aeaacaWGtbWcdaWgaaqaaiaabcdaaeqaaaaakiabg2da9iaadsgalm aaBaaabaGaae4maiaabodaaeqaaOGaamOBaiaadwfacqGHsisldaWc gaqaaiaadAeaaeaacaWGdbWaa0baaSqaaiaabodacaqGZaaabaGaam yraaaaaaaaaa@57BE@ and after the transformation we have the equation of the mechanical characteristic

Δl=Δl ( 1F/ F 3max ) 3max MathType@MTEF@5@5@+= feaagKart1ev2aaatCvAUfeBSjuyZL2yd9gzLbvyNv2CaerbuLwBLn hiov2DGi1BTfMBaeXatLxBI9gBaerbujxzIv3yOvgDG00uaerbd9wD YLwzYbItLDharqqtubsr4rNCHbGeaGqkY=MjYJH8sqFD0xXdHaVhbb f9v8qqaqFr0xc9pk0xbba9q8WqFfea0=yr0RYxir=Jbba9q8aq0=yq =He9q8qqQ8frFve9Fve9Ff0dmeaabaqaciGacaGaaeaadaabaeaafa aakeaacqqHuoarcaWGSbGaeyypa0JaeuiLdqKaamiBaSWaaSraaeaa caqGZaGaaeyBaiaabggacaqG4baabeaakmaabmaabaGaaeymaiabgk HiTmaalyaabaGaamOraaqaaiaadAealmaaBaaabaGaae4maiaab2ga caqGHbGaaeiEaaqabaaaaaGccaGLOaGaayzkaaaaaa@4E43@

Δl = 3max d 33 nU, F 3max = d 33 U S 0 / ( s 33 E δ ) MathType@MTEF@5@5@+= feaagKart1ev2aaatCvAUfeBSjuyZL2yd9gzLbvyNv2CaerbuLwBLn hiov2DGi1BTfMBaeXatLxBI9gBaerbujxzIv3yOvgDG00uaerbd9wD YLwzYbItLDharqqtubsr4rNCHbGeaGqkY=MjYJH8sqFD0xXdHaVhbb f9v8qqaqFr0xc9pk0xbba9q8WqFfea0=yr0RYxir=Jbba9q8aq0=yq =He9q8qqQ8frFve9Fve9Ff0dmeaabaqaciGacaGaaeaadaabaeaafa aakeaacqqHuoarcaWGSbWcdaWgbaqaaiaabodacaqGTbGaaeyyaiaa bIhaaeqaaOGaeyypa0JaamizaSWaaSbaaeaacaqGZaGaae4maaqaba GccaWGUbGaamyvaiaacYcacaaMc8UaaGPaVlaadAealmaaBaaabaGa ae4maiaab2gacaqGHbGaaeiEaaqabaGccqGH9aqpdaWcgaqaaiaads galmaaBaaabaGaae4maiaabodaaeqaaiaaykW7kiaadwfacaWGtbWa aSbaaSqaaiaabcdaaOqabaaabaWaaeWaaeaacaWGZbWcdaqhaaqaai aabodacaqGZaaabaGaamyraaaakiabes7aKbGaayjkaiaawMcaaaaa aaa@5E5F@

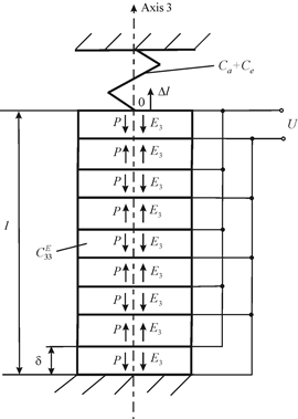
here l=nδ MathType@MTEF@5@5@+= feaagKart1ev2aaatCvAUfeBSjuyZL2yd9gzLbvyNv2CaerbuLwBLn hiov2DGi1BTfMBaeXatLxBI9gBaerbujxzIv3yOvgDG00uaerbd9wD YLwzYbItLDharqqtubsr4rNCHbGeaGqkY=MjYJH8sqFD0xXdHaVhbb f9v8qqaqFr0xc9pk0xbba9q8WqFfea0=yr0RYxir=Jbba9q8aq0=yq =He9q8qqQ8frFve9Fve9Ff0dmeaabaqaciGacaGaaeaadaabaeaafa aakeaacaWGSbGaeyypa0JaamOBaiabes7aKbaa@40D1@  − the length, C 33 E = S 0 / ( s 33 E l ) MathType@MTEF@5@5@+= feaagKart1ev2aaatCvAUfeBSjuyZL2yd9gzLbvyNv2CaerbuLwBLn hiov2DGi1BTfMBaeXatLxBI9gBaerbujxzIv3yOvgDG00uaerbd9wD YLwzYbItLDharqqtubsr4rNCHbGeaGqkY=MjYJH8sqFD0xXdHaVhbb f9v8qqaqFr0xc9pk0xbba9q8WqFfea0=yr0RYxir=Jbba9q8aq0=yq =He9q8qqQ8frFve9Fve9Ff0dmeaabaqaciGacaGaaeaadaabaeaafa aakeaacaWGdbWaa0baaSqaaiaabodacaqGZaaabaGaamyraaaakiab g2da9maalyaabaGaam4uaSWaaSbaaeaacaqGWaaabeaaaOqaamaabm aabaGaam4CaSWaa0baaeaacaqGZaGaae4maaqaaiaadweaaaGccaWG SbaacaGLOaGaayzkaaaaaaaa@4833@  − the rigidity of the of the multi-layer longitudinal piezo engine, Δl MathType@MTEF@5@5@+= feaagKart1ev2aaatCvAUfeBSjuyZL2yd9gzLbvyNv2CaerbuLwBLn hiov2DGi1BTfMBaeXatLxBI9gBaerbujxzIv3yOvgDG00uaerbd9wD YLwzYbItLDharqqtubsr4rNCHbGeaGqkY=MjYJH8sqFD0xXdHaVhbb f9v8qqaqFr0xc9pk0xbba9q8WqFfea0=yr0RYxir=Jbba9q8aq0=yq =He9q8qqQ8frFve9Fve9Ff0dmeaabaqaciGacaGaaeaadaabaeaafa aakeaacqqHuoarcaWGSbaaaa@3E99@  − the displacement, F MathType@MTEF@5@5@+= feaagKart1ev2aaatCvAUfeBSjuyZL2yd9gzLbvyNv2CaerbuLwBLn hiov2DGi1BTfMBaeXatLxBI9gBaerbujxzIv3yOvgDG00uaerbd9wD YLwzYbItLDharqqtubsr4rNCHbGeaGqkY=MjYJH8sqFD0xXdHaVhbb f9v8qqaqFr0xc9pk0xbba9q8WqFfea0=yr0RYxir=Jbba9q8aq0=yq =He9q8qqQ8frFve9Fve9Ff0dmeaabaqaciGacaGaaeaadaabaeaafa aakeaacaWGgbaaaa@3D0D@  − the force. Let us consider the mechanical characteristic on Figure 1 of the multi-layer longitudinal piezo engine at parallel control from ceramic PZT.

Figure 1 Mechanical characteristic of multi-layer longitudinal piezo engine at parallel control.

The measurements of the mechanical characteristic were made on the Universal testing machine UMM-5 Russia in the range of working loads under mechanical stresses in the multi layered longitudinal piezo engine up to 100 MPa. At d 33 MathType@MTEF@5@5@+= feaagKart1ev2aaatCvAUfeBSjuyZL2yd9gzLbvyNv2CaerbuLwBLn hiov2DGi1BTfMBaeXatLxBI9gBaerbujxzIv3yOvgDG00uaerbd9wD YLwzYbItLDharqqtubsr4rNCHbGeaGqkY=MjYJH8sqFD0xXdHaVhbb f9v8qqaqFr0xc9pk0xbba9q8WqFfea0=yr0RYxir=Jbba9q8aq0=yq =He9q8qqQ8frFve9Fve9Ff0dmeaabaqaciGacaGaaeaadaabaeaafa aakeaacaWGKbWcdaWgaaqaaiaabodacaqGZaaabeaaaaa@3EC3@  = 0.4 nm/V, n = 50, C 33 E MathType@MTEF@5@5@+= feaagKart1ev2aaatCvAUfeBSjuyZL2yd9gzLbvyNv2CaerbuLwBLn hiov2DGi1BTfMBaeXatLxBI9gBaerbujxzIv3yOvgDG00uaerbd9wD YLwzYbItLDharqqtubsr4rNCHbGeaGqkY=MjYJH8sqFD0xXdHaVhbb f9v8qqaqFr0xc9pk0xbba9q8WqFfea0=yr0RYxir=Jbba9q8aq0=yq =He9q8qqQ8frFve9Fve9Ff0dmeaabaqaciGacaGaaeaadaabaeaafa aakeaacaWGdbWaa0baaSqaaiaabodacaqGZaaabaGaamyraaaaaaa@3F6D@  = 2×108 N/m for 1) U = 50 V; 2) U = 100 V; 3) U = 150 V the parameters of the multi-layer longitudinal piezo engine from ceramic PZT are determined on Figure 1 in the form 1) Δ l 3max MathType@MTEF@5@5@+= feaagKart1ev2aaatCvAUfeBSjuyZL2yd9gzLbvyNv2CaerbuLwBLn hiov2DGi1BTfMBaeXatLxBI9gBaerbujxzIv3yOvgDG00uaerbd9wD YLwzYbItLDharqqtubsr4rNCHbGeaGqkY=MjYJH8sqFD0xXdHaVhbb f9v8qqaqFr0xc9pk0xbba9q8WqFfea0=yr0RYxir=Jbba9q8aq0=yq =He9q8qqQ8frFve9Fve9Ff0dmeaabaqaciGacaGaaeaadaabaeaafa aakeaacqqHuoarcaWGSbWcdaWgaaqaaiaabodacaqGTbGaaeyyaiaa bIhaaeqaaaaa@424A@  = 1000 nm, F 3max MathType@MTEF@5@5@+= feaagKart1ev2aaatCvAUfeBSjuyZL2yd9gzLbvyNv2CaerbuLwBLn hiov2DGi1BTfMBaeXatLxBI9gBaerbujxzIv3yOvgDG00uaerbd9wD YLwzYbItLDharqqtubsr4rNCHbGeaGqkY=MjYJH8sqFD0xXdHaVhbb f9v8qqaqFr0xc9pk0xbba9q8WqFfea0=yr0RYxir=Jbba9q8aq0=yq =He9q8qqQ8frFve9Fve9Ff0dmeaabaqaciGacaGaaeaadaabaeaafa aakeaacaWGgbWcdaWgaaqaaiaabodacaqGTbGaaeyyaiaabIhaaeqa aaaa@40BE@  = 200 N; 2) Δ l 3max MathType@MTEF@5@5@+= feaagKart1ev2aaatCvAUfeBSjuyZL2yd9gzLbvyNv2CaerbuLwBLn hiov2DGi1BTfMBaeXatLxBI9gBaerbujxzIv3yOvgDG00uaerbd9wD YLwzYbItLDharqqtubsr4rNCHbGeaGqkY=MjYJH8sqFD0xXdHaVhbb f9v8qqaqFr0xc9pk0xbba9q8WqFfea0=yr0RYxir=Jbba9q8aq0=yq =He9q8qqQ8frFve9Fve9Ff0dmeaabaqaciGacaGaaeaadaabaeaafa aakeaacqqHuoarcaWGSbWcdaWgaaqaaiaabodacaqGTbGaaeyyaiaa bIhaaeqaaaaa@424A@  = 2000 nm, F 3max MathType@MTEF@5@5@+= feaagKart1ev2aaatCvAUfeBSjuyZL2yd9gzLbvyNv2CaerbuLwBLn hiov2DGi1BTfMBaeXatLxBI9gBaerbujxzIv3yOvgDG00uaerbd9wD YLwzYbItLDharqqtubsr4rNCHbGeaGqkY=MjYJH8sqFD0xXdHaVhbb f9v8qqaqFr0xc9pk0xbba9q8WqFfea0=yr0RYxir=Jbba9q8aq0=yq =He9q8qqQ8frFve9Fve9Ff0dmeaabaqaciGacaGaaeaadaabaeaafa aakeaacaWGgbWcdaWgaaqaaiaabodacaqGTbGaaeyyaiaabIhaaeqa aaaa@40BE@  = 400 N; 3) Δ l 3max MathType@MTEF@5@5@+= feaagKart1ev2aaatCvAUfeBSjuyZL2yd9gzLbvyNv2CaerbuLwBLn hiov2DGi1BTfMBaeXatLxBI9gBaerbujxzIv3yOvgDG00uaerbd9wD YLwzYbItLDharqqtubsr4rNCHbGeaGqkY=MjYJH8sqFD0xXdHaVhbb f9v8qqaqFr0xc9pk0xbba9q8WqFfea0=yr0RYxir=Jbba9q8aq0=yq =He9q8qqQ8frFve9Fve9Ff0dmeaabaqaciGacaGaaeaadaabaeaafa aakeaacqqHuoarcaWGSbWcdaWgaaqaaiaabodacaqGTbGaaeyyaiaa bIhaaeqaaaaa@424A@  = 3000 nm, F max MathType@MTEF@5@5@+= feaagKart1ev2aaatCvAUfeBSjuyZL2yd9gzLbvyNv2CaerbuLwBLn hiov2DGi1BTfMBaeXatLxBI9gBaerbujxzIv3yOvgDG00uaerbd9wD YLwzYbItLDharqqtubsr4rNCHbGeaGqkY=MjYJH8sqFD0xXdHaVhbb f9v8qqaqFr0xc9pk0xbba9q8WqFfea0=yr0RYxir=Jbba9q8aq0=yq =He9q8qqQ8frFve9Fve9Ff0dmeaabaqaciGacaGaaeaadaabaeaafa aakeaacaWGgbWcdaWgaaqaaiaab2gacaqGHbGaaeiEaaqabaaaaa@4008@  = 600 N. The discrepancy between the experimental data and the calculation results is 10%.

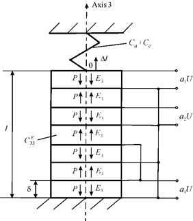
The displacement of the multi-layer longitudinal piezo engine at parallel control and elastic load on Figure 2 has the form

Δl= d 33 nUF/ C 33 E MathType@MTEF@5@5@+= feaagKart1ev2aaatCvAUfeBSjuyZL2yd9gzLbvyNv2CaerbuLwBLn hiov2DGi1BTfMBaeXatLxBI9gBaerbujxzIv3yOvgDG00uaerbd9wD YLwzYbItLDharqqtubsr4rNCHbGeaGqkY=MjYJH8sqFD0xXdHaVhbb f9v8qqaqFr0xc9pk0xbba9q8WqFfea0=yr0RYxir=Jbba9q8aq0=yq =He9q8qqQ8frFve9Fve9Ff0dmeaabaqaciGacaGaaeaadaabaeaafa aakeaacqqHuoarcaWGSbGaeyypa0JaamizaSWaaSbaaeaacaqGZaGa ae4maaqabaGccaWGUbGaamyvaiabgkHiTmaalyaabaGaamOraaqaai aadoeadaqhaaWcbaGaae4maiaabodaaeaacaWGfbaaaaaaaaa@48F0@

F= F 0 + C a Δl+ C e Δl, F 0 = σ a S 0 MathType@MTEF@5@5@+= feaagKart1ev2aaatCvAUfeBSjuyZL2yd9gzLbvyNv2CaerbuLwBLn hiov2DGi1BTfMBaeXatLxBI9gBaerbujxzIv3yOvgDG00uaerbd9wD YLwzYbItLDharqqtubsr4rNCHbGeaGqkY=MjYJH8sqFD0xXdHaVhbb f9v8qqaqFr0xc9pk0xbba9q8WqFfea0=yr0RYxir=Jbba9q8aq0=yq =He9q8qqQ8frFve9Fve9Ff0dmeaabaqaciGacaGaaeaadaabaeaafa aakeaacaWGgbGaeyypa0JaamOraSWaaSbaaeaacaqGWaaabeaakiab gUcaRiaadoeadaWgaaWcbaGaamyyaaGcbeaacqqHuoarcaWGSbGaey 4kaSIaam4qamaaBaaaleaacaWGLbaakeqaaiabfs5aejaadYgacaGG SaGaaGPaVlaaykW7caWGgbWaaSbaaSqaaiaabcdaaeqaaOGaeyypa0 Jaeq4Wdm3aaSbaaSqaaiaadggaaeqaaOGaam4uamaaBaaaleaacaqG Waaabeaaaaa@551B@

Figure 2 Multi-layer longitudinal piezo engines at parallel control and elastic load.

Here F 0 MathType@MTEF@5@5@+= feaagKart1ev2aaatCvAUfeBSjuyZL2yd9gzLbvyNv2CaerbuLwBLn hiov2DGi1BTfMBaeXatLxBI9gBaerbujxzIv3yOvgDG00uaerbd9wD YLwzYbItLDharqqtubsr4rNCHbGeaGqkY=MjYJH8sqFD0xXdHaVhbb f9v8qqaqFr0xc9pk0xbba9q8WqFfea0=yr0RYxir=Jbba9q8aq0=yq =He9q8qqQ8frFve9Fve9Ff0dmeaabaqaciGacaGaaeaadaabaeaafa aakeGabaabciaadAealmaaBaaabaGaaeimaaqabaaaaa@3DF5@  − the force of initial compression by the elastic element; σ a MathType@MTEF@5@5@+= feaagKart1ev2aaatCvAUfeBSjuyZL2yd9gzLbvyNv2CaerbuLwBLn hiov2DGi1BTfMBaeXatLxBI9gBaerbujxzIv3yOvgDG00uaerbd9wD YLwzYbItLDharqqtubsr4rNCHbGeaGqkY=MjYJH8sqFD0xXdHaVhbb f9v8qqaqFr0xc9pk0xbba9q8WqFfea0=yr0RYxir=Jbba9q8aq0=yq =He9q8qqQ8frFve9Fve9Ff0dmeaabaqaciGacaGaaeaadaabaeaafa aakeaacqaHdpWCdaWgaaWcbaGaamyyaaqabaaaaa@3F17@  − the mechanical stress of the initial reinforcement in the piezo engine; C a MathType@MTEF@5@5@+= feaagKart1ev2aaatCvAUfeBSjuyZL2yd9gzLbvyNv2CaerbuLwBLn hiov2DGi1BTfMBaeXatLxBI9gBaerbujxzIv3yOvgDG00uaerbd9wD YLwzYbItLDharqqtubsr4rNCHbGeaGqkY=MjYJH8sqFD0xXdHaVhbb f9v8qqaqFr0xc9pk0xbba9q8WqFfea0=yr0RYxir=Jbba9q8aq0=yq =He9q8qqQ8frFve9Fve9Ff0dmeaabaqaciGacaGaaeaadaabaeaafa aakeaacaWGdbWaaSbaaSqaaiaadggaaOqabaaaaa@3E26@  − the rigidity of the reinforcing element; C e MathType@MTEF@5@5@+= feaagKart1ev2aaatCvAUfeBSjuyZL2yd9gzLbvyNv2CaerbuLwBLn hiov2DGi1BTfMBaeXatLxBI9gBaerbujxzIv3yOvgDG00uaerbd9wD YLwzYbItLDharqqtubsr4rNCHbGeaGqkY=MjYJH8sqFD0xXdHaVhbb f9v8qqaqFr0xc9pk0xbba9q8WqFfea0=yr0RYxir=Jbba9q8aq0=yq =He9q8qqQ8frFve9Fve9Ff0dmeaabaqaciGacaGaaeaadaabaeaafa aakeaacaWGdbWaaSbaaSqaaiaadwgaaOqabaaaaa@3E2A@  − the load rigidity.

Consequently, the equation for the adjustment characteristic of the multi-layer longitudinal piezo engine at parallel control and elastic load has the form

Δl= d 33 nU σ a l s 33 E 1+ ( C a + C e )/ C 33 E = l( d 33 E 3 σ a s 33 E ) 1+( C a + C e )/ C 33 E MathType@MTEF@5@5@+= feaagKart1ev2aaatCvAUfeBSjuyZL2yd9gzLbvyNv2CaerbuLwBLn hiov2DGi1BTfMBaeXatLxBI9gBaerbujxzIv3yOvgDG00uaerbd9wD YLwzYbItLDharqqtubsr4rNCHbGeaGqkY=MjYJH8sqFD0xXdHaVhbb f9v8qqaqFr0xc9pk0xbba9q8WqFfea0=yr0RYxir=Jbba9q8aq0=yq =He9q8qqQ8frFve9Fve9Ff0dmeaabaqaciGacaGaaeaadaabaeaafa aakeaacqqHuoarcaWGSbGaeyypa0ZaaSaaaeaacaWGKbWcdaWgaaqa aiaabodacaqGZaaabeaakiaad6gacaWGvbGaeyOeI0Iaeq4Wdm3aaS baaSqaaiaadggaaOqabaGaamiBaiaadohalmaaDaaabaGaae4maiaa bodaaeaacaWGfbaaaaGcbaGaaeymaiabgUcaRmaalyaabaWaaeWaae aacaWGdbWcdaWgaaqaaiaadggaaeqaaOGaey4kaSIaam4qamaaBaaa leaacaWGLbaabeaaaOGaayjkaiaawMcaaaqaaiaadoealmaaDaaaba Gaae4maiaabodaaeaacaWGfbaaaaaaaaGccqGH9aqpdaWcaaqaaiaa dYgacaaMe8+aaeWaaeaacaWGKbWaaSbaaSqaaiaabodacaqGZaaake qaaiaadwealmaaBaaabaGaae4maaqabaGccqGHsislcqaHdpWClmaa BaaabaGaamyyaaqabaGaam4CamaaDaaabaGaae4maiaabodaaeaaca WGfbaaaaGccaGLOaGaayzkaaaabaWaaSGbaeaacaqGXaGaey4kaSYa aeWaaeaacaWGdbWcdaWgaaqaaiaadggaaeqaaOGaey4kaSIaam4qam aaBaaaleaacaWGLbaabeaaaOGaayjkaiaawMcaaaqaaiaadoealmaa DaaabaGaae4maiaabodaaeaacaWGfbaaaaaaaaaaaa@72C9@

For σ a =0 MathType@MTEF@5@5@+= feaagKart1ev2aaatCvAUfeBSjuyZL2yd9gzLbvyNv2CaerbuLwBLn hiov2DGi1BTfMBaeXatLxBI9gBaerbujxzIv3yOvgDG00uaerbd9wD YLwzYbItLDharqqtubsr4rNCHbGeaGqkY=MjYJH8sqFD0xXdHaVhbb f9v8qqaqFr0xc9pk0xbba9q8WqFfea0=yr0RYxir=Jbba9q8aq0=yq =He9q8qqQ8frFve9Fve9Ff0dmeaabaqaciGacaGaaeaadaabaeaafa aakeaacqaHdpWCdaWgaaWcbaGaamyyaaqabaGccqGH9aqpcaqGWaaa aa@40DA@  and C a =0 MathType@MTEF@5@5@+= feaagKart1ev2aaatCvAUfeBSjuyZL2yd9gzLbvyNv2CaerbuLwBLn hiov2DGi1BTfMBaeXatLxBI9gBaerbujxzIv3yOvgDG00uaerbd9wD YLwzYbItLDharqqtubsr4rNCHbGeaGqkY=MjYJH8sqFD0xXdHaVhbb f9v8qqaqFr0xc9pk0xbba9q8WqFfea0=yr0RYxir=Jbba9q8aq0=yq =He9q8qqQ8frFve9Fve9Ff0dmeaabaqaciGacaGaaeaadaabaeaafa aakeaacaWGdbWaaSbaaSqaaiaadggaaeqaaOGaeyypa0Jaaeimaaaa @3FDF@  the equation the adjustment characteristic on Figure 3 of the multi-layer longitudinal piezo engine at parallel control and elastic load has the form

Δl= d 33 nU 1+ C e / C 33 E = Δ l 3max 1+ C e / C 33 E MathType@MTEF@5@5@+= feaagKart1ev2aaatCvAUfeBSjuyZL2yd9gzLbvyNv2CaerbuLwBLn hiov2DGi1BTfMBaeXatLxBI9gBaerbujxzIv3yOvgDG00uaerbd9wD YLwzYbItLDharqqtubsr4rNCHbGeaGqkY=MjYJH8sqFD0xXdHaVhbb f9v8qqaqFr0xc9pk0xbba9q8WqFfea0=yr0RYxir=Jbba9q8aq0=yq =He9q8qqQ8frFve9Fve9Ff0dmeaabaqaciGacaGaaeaadaabaeaafa aakeaacqqHuoarcaWGSbGaeyypa0ZaaSaaaeaacaWGKbWcdaWgaaqa aiaabodacaqGZaaabeaakiaad6gacaWGvbaabaGaaeymaiabgUcaRm aalyaabaGaam4qamaaBaaaleaacaWGLbaabeaaaOqaaiaadoealmaa DaaabaGaae4maiaabodaaeaacaWGfbaaaaaaaaGccqGH9aqpdaWcaa qaaiabfs5aejaadYgalmaaBaaabaGaae4maiaab2gacaqGHbGaaeiE aaqabaaakeaacaqGXaGaey4kaSYaaSGbaeaacaWGdbWaaSbaaSqaai aadwgaaeqaaaGcbaGaam4qaSWaa0baaeaacaqGZaGaae4maaqaaiaa dweaaaaaaaaaaaa@58B7@

Figure 3 Adjustment characteristic at parallel control and elastic load.

The adjustment characteristics on Figure 3 are determined by using electronic measuring system of displacement Model 214 Russia for the multi-layer longitudinal piezo engine from PZT for parallel control and elastic load at d 33 MathType@MTEF@5@5@+= feaagKart1ev2aaatCvAUfeBSjuyZL2yd9gzLbvyNv2CaerbuLwBLn hiov2DGi1BTfMBaeXatLxBI9gBaerbujxzIv3yOvgDG00uaerbd9wD YLwzYbItLDharqqtubsr4rNCHbGeaGqkY=MjYJH8sqFD0xXdHaVhbb f9v8qqaqFr0xc9pk0xbba9q8WqFfea0=yr0RYxir=Jbba9q8aq0=yq =He9q8qqQ8frFve9Fve9Ff0dmeaabaqaciGacaGaaeaadaabaeaafa aakeaacaWGKbWcdaWgaaqaaiaabodacaqGZaaabeaaaaa@3EC3@ = 0.4 nm/V, n = 25, C 33 E MathType@MTEF@5@5@+= feaagKart1ev2aaatCvAUfeBSjuyZL2yd9gzLbvyNv2CaerbuLwBLn hiov2DGi1BTfMBaeXatLxBI9gBaerbujxzIv3yOvgDG00uaerbd9wD YLwzYbItLDharqqtubsr4rNCHbGeaGqkY=MjYJH8sqFD0xXdHaVhbb f9v8qqaqFr0xc9pk0xbba9q8WqFfea0=yr0RYxir=Jbba9q8aq0=yq =He9q8qqQ8frFve9Fve9Ff0dmeaabaqaciGacaGaaeaadaabaeaafa aakeaacaWGdbWaa0baaSqaaiaabodacaqGZaaabaGaamyraaaaaaa@3F6D@  = 4×108 N/m, C a =0 MathType@MTEF@5@5@+= feaagKart1ev2aaatCvAUfeBSjuyZL2yd9gzLbvyNv2CaerbuLwBLn hiov2DGi1BTfMBaeXatLxBI9gBaerbujxzIv3yOvgDG00uaerbd9wD YLwzYbItLDharqqtubsr4rNCHbGeaGqkY=MjYJH8sqFD0xXdHaVhbb f9v8qqaqFr0xc9pk0xbba9q8WqFfea0=yr0RYxir=Jbba9q8aq0=yq =He9q8qqQ8frFve9Fve9Ff0dmeaabaqaciGacaGaaeaadaabaeaafa aakeaacaWGdbWaaSbaaSqaaiaadggaaeqaaOGaeyypa0Jaaeimaaaa @3FDF@  for 1) C e =0 MathType@MTEF@5@5@+= feaagKart1ev2aaatCvAUfeBSjuyZL2yd9gzLbvyNv2CaerbuLwBLn hiov2DGi1BTfMBaeXatLxBI9gBaerbujxzIv3yOvgDG00uaerbd9wD YLwzYbItLDharqqtubsr4rNCHbGeaGqkY=MjYJH8sqFD0xXdHaVhbb f9v8qqaqFr0xc9pk0xbba9q8WqFfea0=yr0RYxir=Jbba9q8aq0=yq =He9q8qqQ8frFve9Fve9Ff0dmeaabaqaciGacaGaaeaadaabaeaafa aakeaacaWGdbWaaSbaaSqaaiaadwgaaeqaaOGaeyypa0Jaaeimaaaa @3FE3@ ; 2) C e MathType@MTEF@5@5@+= feaagKart1ev2aaatCvAUfeBSjuyZL2yd9gzLbvyNv2CaerbuLwBLn hiov2DGi1BTfMBaeXatLxBI9gBaerbujxzIv3yOvgDG00uaerbd9wD YLwzYbItLDharqqtubsr4rNCHbGeaGqkY=MjYJH8sqFD0xXdHaVhbb f9v8qqaqFr0xc9pk0xbba9q8WqFfea0=yr0RYxir=Jbba9q8aq0=yq =He9q8qqQ8frFve9Fve9Ff0dmeaabaqaciGacaGaaeaadaabaeaafa aakeaacaWGdbWaaSbaaSqaaiaadwgaaeqaaaaa@3E20@  = 0.4×108 N/m with error 10%.

Characteristics multi-layer longitudinal piezo engine at coded control

The length of the multi-layer longitudinal piezo engine at coded control has the form

l= k=1 N l k = ( 2 N 1 )δ MathType@MTEF@5@5@+= feaagKart1ev2aaatCvAUfeBSjuyZL2yd9gzLbvyNv2CaerbuLwBLn hiov2DGi1BTfMBaeXatLxBI9gBaerbujxzIv3yOvgDG00uaerbd9wD YLwzYbItLDharqqtubsr4rNCHbGeaGqkY=MjYJH8sqFD0xXdHaVhbb f9v8qqaqFr0xc9pk0xbba9q8WqFfea0=yr0RYxir=Jbba9q8aq0=yq =He9q8qqQ8frFve9Fve9Ff0dmeaabaqaciGacaGaaeaadaabaeaafa aakeaacaWGSbGaeyypa0ZaaabCaeaacaWGSbWcdaWgaaqaaiaadUga aeqaaOGaeyypa0daleaacaWGRbGaeyypa0Jaaeymaaqaaiaad6eaaO GaeyyeIuoadaqadaqaaiaabkdalmaaCaaabeqaaiaad6eaaaGccqGH sislcaqGXaaacaGLOaGaayzkaaGaeqiTdqgaaa@4DA0@

The maximum displacement of the multi-layer longitudinal piezo engine at coded control has the form

Δ l max = d 33 ( 2 N 1 )U= d 33 nU MathType@MTEF@5@5@+= feaagKart1ev2aaatCvAUfeBSjuyZL2yd9gzLbvyNv2CaerbuLwBLn hiov2DGi1BTfMBaeXatLxBI9gBaerbujxzIv3yOvgDG00uaerbd9wD YLwzYbItLDharqqtubsr4rNCHbGeaGqkY=MjYJH8sqFD0xXdHaVhbb f9v8qqaqFr0xc9pk0xbba9q8WqFfea0=yr0RYxir=Jbba9q8aq0=yq =He9q8qqQ8frFve9Fve9Ff0dmeaabaqaciGacaGaaeaadaabaeaafa aakeaacqqHuoarcaWGSbWaaSbaaWqaaiGac2gacaGGHbGaaiiEaaGc beaacqGH9aqpcaWGKbWaaSbaaSqaaiaabodacaqGZaaakeqaamaabm aabaGaaeOmaSWaaWbaaeqabaGaamOtaaaakiabgkHiTiaabgdaaiaa wIcacaGLPaaacaWGvbGaeyypa0JaamizamaaBaaaleaacaqGZaGaae 4maaGcbeaacaWGUbGaamyvaaaa@5056@

here n= 2 N 1 MathType@MTEF@5@5@+= feaagKart1ev2aaatCvAUfeBSjuyZL2yd9gzLbvyNv2CaerbuLwBLn hiov2DGi1BTfMBaeXatLxBI9gBaerbujxzIv3yOvgDG00uaerbd9wD YLwzYbItLDharqqtubsr4rNCHbGeaGqkY=MjYJH8sqFD0xXdHaVhbb f9v8qqaqFr0xc9pk0xbba9q8WqFfea0=yr0RYxir=Jbba9q8aq0=yq =He9q8qqQ8frFve9Fve9Ff0dmeaabaqaciGacaGaaeaadaabaeaafa aakeaacaWGUbGaeyypa0JaaeOmamaaCaaabeWcbaGaamOtaaaakiab gkHiTiaabgdaaaa@419B@  is the number of the piezo layers.

In static conditions at the force F=0 MathType@MTEF@5@5@+= feaagKart1ev2aaatCvAUfeBSjuyZL2yd9gzLbvyNv2CaerbuLwBLn hiov2DGi1BTfMBaeXatLxBI9gBaerbujxzIv3yOvgDG00uaerbd9wD YLwzYbItLDharqqtubsr4rNCHbGeaGqkY=MjYJH8sqFD0xXdHaVhbb f9v8qqaqFr0xc9pk0xbba9q8WqFfea0=yr0RYxir=Jbba9q8aq0=yq =He9q8qqQ8frFve9Fve9Ff0dmeaabaqaciGacaGaaeaadaabaeaafa aakeaacaWGgbGaeyypa0Jaaeimaaaa@3EC6@ and the binary code a k =0,1 MathType@MTEF@5@5@+= feaagKart1ev2aaatCvAUfeBSjuyZL2yd9gzLbvyNv2CaerbuLwBLn hiov2DGi1BTfMBaeXatLxBI9gBaerbujxzIv3yOvgDG00uaerbd9wD YLwzYbItLDharqqtubsr4rNCHbGeaGqkY=MjYJH8sqFD0xXdHaVhbb f9v8qqaqFr0xc9pk0xbba9q8WqFfea0=yr0RYxir=Jbba9q8aq0=yq =He9q8qqQ8frFve9Fve9Ff0dmeaabaqaciGacaGaaeaadaabaeaafa aakeaacaWGHbWaaSbaaSqaaiaadUgaaOqabaGaeyypa0Jaaeimaiaa bYcacaaMe8Uaaeymaaaa@42F7@  we have displacement of the multi-layer longitudinal piezo engine at coded control in the form

Δl= k=1 N a k Δ l k MathType@MTEF@5@5@+= feaagKart1ev2aaatCvAUfeBSjuyZL2yd9gzLbvyNv2CaerbuLwBLn hiov2DGi1BTfMBaeXatLxBI9gBaerbujxzIv3yOvgDG00uaerbd9wD YLwzYbItLDharqqtubsr4rNCHbGeaGqkY=MjYJH8sqFD0xXdHaVhbb f9v8qqaqFr0xc9pk0xbba9q8WqFfea0=yr0RYxir=Jbba9q8aq0=yq =He9q8qqQ8frFve9Fve9Ff0dmeaabaqaciGacaGaaeaadaabaeaafa aakeaacqqHuoarcaWGSbGaeyypa0ZaaabCaeaacaWGHbWaaSbaaSqa aiaadUgaaOqabaGaeuiLdqKaamiBaSWaaSbaaeaacaWGRbaabeaaae aacaWGRbGaeyypa0Jaaeymaaqaaiaad6eaaOGaeyyeIuoaaaa@4ACF@

Therefore, its displacement has the form

Δl= k=1 N a k d 33 2 k1 U= d 33 ( k=1 N a k 2 k1 )U MathType@MTEF@5@5@+= feaagKart1ev2aaatCvAUfeBSjuyZL2yd9gzLbvyNv2CaerbuLwBLn hiov2DGi1BTfMBaeXatLxBI9gBaerbujxzIv3yOvgDG00uaerbd9wD YLwzYbItLDharqqtubsr4rNCHbGeaGqkY=MjYJH8sqFD0xXdHaVhbb f9v8qqaqFr0xc9pk0xbba9q8WqFfea0=yr0RYxir=Jbba9q8aq0=yq =He9q8qqQ8frFve9Fve9Ff0dmeaabaqaciGacaGaaeaadaabaeaafa aakeaacqqHuoarcaWGSbGaeyypa0ZaaabCaeaacaWGHbWcdaWgaaqa aiaadUgaaeqaaOGaamizamaaBaaaleaacaqGZaGaae4maaGcbeaaca qGYaWcdaahaaqabeaacaWGRbGaeyOeI0IaaeymaaaacaaMc8UccaWG vbGaeyypa0daleaacaWGRbGaeyypa0Jaaeymaaqaaiaad6eaaOGaey yeIuoacaWGKbWcdaWgaaqaaiaabodacaqGZaaabeaakmaabmaabaWa aabCaeaacaWGHbWaaSbaaSqaaiaadUgaaOqabaGaaeOmaSWaaWbaae qabaGaam4AaiabgkHiTiaabgdaaaaabaGaam4Aaiabg2da9iaabgda aeaacaWGobaakiabggHiLdaacaGLOaGaayzkaaGaamyvaaaa@60F8@

We have the mechanical characteristic at coded control11−34 in the form Δl= d 33 ( k=1 N a k 2 k1 )U s 33 E Fl/ S 0 = d 33 ( k=1 N a k 2 k1 )UF/ C 33 E MathType@MTEF@5@5@+= feaagKart1ev2aaatCvAUfeBSjuyZL2yd9gzLbvyNv2CaerbuLwBLn hiov2DGi1BTfMBaeXatLxBI9gBaerbujxzIv3yOvgDG00uaerbd9wD YLwzYbItLDharqqtubsr4rNCHbGeaGqkY=MjYJH8sqFD0xXdHaVhbb f9v8qqaqFr0xc9pk0xbba9q8WqFfea0=yr0RYxir=Jbba9q8aq0=yq =He9q8qqQ8frFve9Fve9Ff0dmeaabaqaciGacaGaaeaadaabaeaafa aakeaacqqHuoarcaWGSbGaeyypa0JaamizamaaBaaaleGabaapfiaa bodacaqGZaaakeqaamaabmaabaWaaabCaeaacaWGHbWcdaWgaaqaai aadUgaaeqaaOGaaeOmamaaCaaabeWcbiqaa8QacaWGRbGaeyOeI0Ia aeymaaaaaeaacaWGRbGaeyypa0Jaaeymaaqaaiaad6eaaOGaeyyeIu oaaiaawIcacaGLPaaacaWGvbGaeyOeI0YaaSGbaeaacaWGZbWcdaqh aaqaaiaabodacaqGZaaabaGaamyraaaacaaMc8UccaWGgbGaamiBaa qaaiaadofalmaaBaaabaGaaeimaaqabaaaaOGaeyypa0JaamizaSWa aSbaaeaacaqGZaGaae4maaqabaGcdaqadaqaamaaqahabaGaamyyaS WaaSbaaeaacaWGRbaabeaakiaabkdadaahaaqabeaaliaadUgacqGH sislcaqGXaaaaaqaaiaadUgacqGH9aqpcaqGXaaabaGaamOtaaGccq GHris5aaGaayjkaiaawMcaaiaadwfacqGHsisldaWcgaqaaiaadAea aeaacaWGdbWcdaqhaaqaaiaabodacaqGZaaabaGaamyraaaaaaaaaa@7042@ after transformation, the normalized mechanical characteristic has the form

Δl/ Δl 3max =1F/ F 3max Δ 3max = d 33 ( k=1 N a k 2 k1 )U, F 3max = d 33 ( k=1 N a k 2 k1 )U S 0 / ( s 33 E l ) MathType@MTEF@5@5@+= feaagKart1ev2aaatCvAUfeBSjuyZL2yd9gzLbvyNv2CaerbuLwBLn hiov2DGi1BTfMBaeXatLxBI9gBaerbujxzIv3yOvgDG00uaerbd9wD YLwzYbItLDharqqtubsr4rNCHbGeaGqkY=MjYJH8sqFD0xXdHaVhbb f9v8qqaqFr0xc9pk0xbba9q8WqFfea0=yr0RYxir=Jbba9q8aq0=yq =He9q8qqQ8frFve9Fve9Ff0dmeaabaqaciGacaGaaeaadaabaeaafa aakqaabeqaamaalyaabaGaeuiLdqKaamiBaaqaaiabfs5aejaadYga lmaaBeaabaGaae4maiaab2gacaqGHbGaaeiEaaqabaaaaOGaeyypa0 JaaeymaiabgkHiTmaalyaabaGaamOraaqaaiaadAealmaaBaaabaGa ae4maiaab2gacaqGHbGaaeiEaaqabaaaaaGcbaGaeuiLdq0cdaWgaa qaaiaabodacaqGTbGaaeyyaiaabIhaaeqaaOGaeyypa0Jaamizamaa BaaaleaacaqGZaGaae4maaGcbeaadaqadaqaamaaqahabaGaamyyaS WaaSbaaeaacaWGRbaabeaakiaabkdalmaaCaaabeqaaiaadUgacqGH sislcaqGXaaaaaqaaiaadUgacqGH9aqpcaqGXaaabaGaamOtaaGccq GHris5aaGaayjkaiaawMcaaiaadwfacaGGSaGaamOraSWaaSbaaeaa caqGZaGaaeyBaiaabggacaqG4baabeaakiabg2da9maalyaabaGaam izaSWaaSbaaeaacaqGZaGaae4maaqabaGcdaqadaqaamaaqahabaGa amyyaSWaaSbaaeaacaWGRbaabeaakiaabkdalmaaCaaabeqaaiaadU gacqGHsislcaqGXaaaaaqaaiaadUgacqGH9aqpcaqGXaaabaGaamOt aaGccqGHris5aaGaayjkaiaawMcaaiaadwfacaWGtbWaaSbaaSqaai aabcdaaOqabaaabaWaaeWaaeaacaWGZbWcdaqhaaqaaiaabodacaqG ZaaabaGaamyraaaakiaadYgaaiaawIcacaGLPaaaaaaaaaa@812C@

here C 33 E = S 0 / ( s 33 E l ) MathType@MTEF@5@5@+= feaagKart1ev2aaatCvAUfeBSjuyZL2yd9gzLbvyNv2CaerbuLwBLn hiov2DGi1BTfMBaeXatLxBI9gBaerbujxzIv3yOvgDG00uaerbd9wD YLwzYbItLDharqqtubsr4rNCHbGeaGqkY=MjYJH8sqFD0xXdHaVhbb f9v8qqaqFr0xc9pk0xbba9q8WqFfea0=yr0RYxir=Jbba9q8aq0=yq =He9q8qqQ8frFve9Fve9Ff0dmeaabaqaciGacaGaaeaadaabaeaafa aakeaacaWGdbWcdaqhaaqaaiaabodacaqGZaaabaGaamyraaaakiab g2da9maalyaabaGaam4uamaaBaaaleaacaqGWaaakeqaaaqaamaabm aabaGaam4CaSWaa0baaeaacaqGZaGaae4maaqaaiaadweaaaGccaWG SbaacaGLOaGaayzkaaaaaaaa@4833@ .

Consequently, the equation for the adjustment characteristic of the multi-layer longitudinal piezo engine at coded control and elastic load on Figure 4 has the form

Δl= d 33 ( k=1 N a k 2 k1 )U 1+ ( C a + C e )/ C 33 E MathType@MTEF@5@5@+= feaagKart1ev2aaatCvAUfeBSjuyZL2yd9gzLbvyNv2CaerbuLwBLn hiov2DGi1BTfMBaeXatLxBI9gBaerbujxzIv3yOvgDG00uaerbd9wD YLwzYbItLDharqqtubsr4rNCHbGeaGqkY=MjYJH8sqFD0xXdHaVhbb f9v8qqaqFr0xc9pk0xbba9q8WqFfea0=yr0RYxir=Jbba9q8aq0=yq =He9q8qqQ8frFve9Fve9Ff0dmeaabaqaciGacaGaaeaadaabaeaafa aakeaacqqHuoarcaWGSbGaeyypa0ZaaSaaaeaacaWGKbWcdaWgaaqa aiaabodacaqGZaaabeaakmaabmaabaWaaabCaeaacaWGHbWaaSbaaS qaaiaadUgaaOqabaGaaeOmaSWaaWbaaeqabaGaam4AaiabgkHiTiaa bgdaaaaakeaaliaadUgacqGH9aqpcaqGXaaabaGaamOtaaGccqGHri s5aaGaayjkaiaawMcaaiaadwfaaeaacaqGXaGaey4kaSYaaSGbaeaa daqadaqaaiaadoeadaWgaaWcbaGaamyyaaGcbeaacqGHRaWkcaWGdb WcdaWgaaqaaiaadwgaaeqaaaGccaGLOaGaayzkaaaabaGaam4qamaa DaaaleaacaqGZaGaae4maaqaaiaadweaaaaaaaaaaaa@5AF0@

Figure 4 Multi-layer longitudinal piezo engines at coded control and elastic load.

Therefore, the displacement of the multi-layer longitudinal piezo engine elastic load has the form

Δl= k c U MathType@MTEF@5@5@+= feaagKart1ev2aaatCvAUfeBSjuyZL2yd9gzLbvyNv2CaerbuLwBLn hiov2DGi1BTfMBaeXatLxBI9gBaerbujxzIv3yOvgDG00uaerbd9wD YLwzYbItLDharqqtubsr4rNCHbGeaGqkY=MjYJH8sqFD0xXdHaVhbb f9v8qqaqFr0xc9pk0xbba9q8WqFfea0=yr0RYxir=Jbba9q8aq0=yq =He9q8qqQ8frFve9Fve9Ff0dmeaabaqaciGacaGaaeaadaabaeaafa aakeaacqqHuoarcaWGSbGaeyypa0Jaam4AaSWaaSbaaeaacaWGJbaa beaakiaadwfaaaa@4287@

here k c MathType@MTEF@5@5@+= feaagKart1ev2aaatCvAUfeBSjuyZL2yd9gzLbvyNv2CaerbuLwBLn hiov2DGi1BTfMBaeXatLxBI9gBaerbujxzIv3yOvgDG00uaerbd9wD YLwzYbItLDharqqtubsr4rNCHbGeaGqkY=MjYJH8sqFD0xXdHaVhbb f9v8qqaqFr0xc9pk0xbba9q8WqFfea0=yr0RYxir=Jbba9q8aq0=yq =He9q8qqQ8frFve9Fve9Ff0dmeaabaqaciGacaGaaeaadaabaeaafa aakeaacaWGRbWcdaWgaaqaaiaadogaaeqaaaaa@3E46@ is the coefficient

k c ={ d 33 n 1+ ( C a + C e )/ C 33 E with parallel  control,  d 33 ( k=1 N a k 2 k1 ) 1+ ( C a + C e )/ C 33 E with codedl  control. MathType@MTEF@5@5@+= feaagKart1ev2aaatCvAUfeBSjuyZL2yd9gzLbvyNv2CaerbuLwBLn hiov2DGi1BTfMBaeXatLxBI9gBaerbujxzIv3yOvgDG00uaerbd9wD YLwzYbItLDharqqtubsr4rNCHbGeaGqkY=MjYJH8sqFD0xXdHaVhbb f9v8qqaqFr0xc9pk0xbba9q8WqFfea0=yr0RYxir=Jbba9q8aq0=yq =He9q8qqQ8frFve9Fve9Ff0dmeaabaqaciGacaGaaeaadaabaeaafa aakeaacaWGRbWcdaWgaaqaaiaadogaaeqaaOGaeyypa0Zaaiqaaeaa faqabeGabaaabaWaaSaaaeaacaWGKbWaaSbaaSqaaiaabodacaqGZa aakeqaaiaad6gaaeaacaqGXaGaey4kaSYaaSGbaeaadaqadaqaaiaa doeadaWgaaWcbaGaamyyaaGcbeaacqGHRaWkcaWGdbWcdaWgaaqaai aadwgaaeqaaaGccaGLOaGaayzkaaaabaGaam4qamaaDaaaleaacaqG ZaGaae4maaqaaiaadweaaaaaaaaakiaaysW7cqGHsislcaaMe8Uaae 4DaiaabMgacaqG0bGaaeiAaiaabccacaqGWbGaaeyyaiaabkhacaqG HbGaaeiBaiaabYgacaqGLbGaaeiBaiaabccacaqGGaGaae4yaiaab+ gacaqGUbGaaeiDaiaabkhacaqGVbGaaeiBaiaabYcacaqGGaaabaWa aSaaaeaacaWGKbWcdaWgaaqaaiaabodacaqGZaaabeaakmaabmaaba WaaabCaeaacaWGHbWaaSbaaSqaaiaadUgaaOqabaGaaeOmaSWaaWba aeqabaGaam4AaiabgkHiTiaabgdaaaaakeaaliaadUgacqGH9aqpca qGXaaabaGaamOtaaGccqGHris5aaGaayjkaiaawMcaaaqaaiaabgda cqGHRaWkdaWcgaqaamaabmaabaGaam4qamaaBaaaleaacaWGHbaake qaaiabgUcaRiaadoealmaaBaaabaGaamyzaaqabaaakiaawIcacaGL PaaaaeaacaWGdbWaa0baaSqaaiaabodacaqGZaaabaGaamyraaaaaa aaaOGaaGjbVlabgkHiTiaaysW7caqG3bGaaeyAaiaabshacaqGObGa aeiiaiaabogacaqGVbGaaeizaiaabwgacaqGKbGaaeiBaiaabccaca qGGaGaae4yaiaab+gacaqGUbGaaeiDaiaabkhacaqGVbGaaeiBaiaa c6caaaaacaGL7baaaaa@9926@

The measurements of the parameters mechanical characteristic were made on the Universal testing machine UMM-5 Russia for the multi-layer longitudinal piezo engine from PZT for coded control at d 33 MathType@MTEF@5@5@+= feaagKart1ev2aaatCvAUfeBSjuyZL2yd9gzLbvyNv2CaerbuLwBLn hiov2DGi1BTfMBaeXatLxBI9gBaerbujxzIv3yOvgDG00uaerbd9wD YLwzYbItLDharqqtubsr4rNCHbGeaGqkY=MjYJH8sqFD0xXdHaVhbb f9v8qqaqFr0xc9pk0xbba9q8WqFfea0=yr0RYxir=Jbba9q8aq0=yq =He9q8qqQ8frFve9Fve9Ff0dmeaabaqaciGacaGaaeaadaabaeaafa aakeaacaWGKbWcdaWgaaqaaiaabodacaqGZaaabeaaaaa@3EC3@ = 0.4 nm/V, n = 7, C 33 E MathType@MTEF@5@5@+= feaagKart1ev2aaatCvAUfeBSjuyZL2yd9gzLbvyNv2CaerbuLwBLn hiov2DGi1BTfMBaeXatLxBI9gBaerbujxzIv3yOvgDG00uaerbd9wD YLwzYbItLDharqqtubsr4rNCHbGeaGqkY=MjYJH8sqFD0xXdHaVhbb f9v8qqaqFr0xc9pk0xbba9q8WqFfea0=yr0RYxir=Jbba9q8aq0=yq =He9q8qqQ8frFve9Fve9Ff0dmeaabaqaciGacaGaaeaadaabaeaafa aakeaacaWGdbWaa0baaSqaaiaabodacaqGZaaabaGaamyraaaaaaa@3F6D@  = 8×108 N/m, and U = 200 V for 1) a 1 MathType@MTEF@5@5@+= feaagKart1ev2aaatCvAUfeBSjuyZL2yd9gzLbvyNv2CaerbuLwBLn hiov2DGi1BTfMBaeXatLxBI9gBaerbujxzIv3yOvgDG00uaerbd9wD YLwzYbItLDharqqtubsr4rNCHbGeaGqkY=MjYJH8sqFD0xXdHaVhbb f9v8qqaqFr0xc9pk0xbba9q8WqFfea0=yr0RYxir=Jbba9q8aq0=yq =He9q8qqQ8frFve9Fve9Ff0dmeaabaqaciGacaGaaeaadaabaeaafa aakeaacaWGHbWcdaWgaaqaaiaabgdaaeqaaaaa@3E08@  = 1, a 2 MathType@MTEF@5@5@+= feaagKart1ev2aaatCvAUfeBSjuyZL2yd9gzLbvyNv2CaerbuLwBLn hiov2DGi1BTfMBaeXatLxBI9gBaerbujxzIv3yOvgDG00uaerbd9wD YLwzYbItLDharqqtubsr4rNCHbGeaGqkY=MjYJH8sqFD0xXdHaVhbb f9v8qqaqFr0xc9pk0xbba9q8WqFfea0=yr0RYxir=Jbba9q8aq0=yq =He9q8qqQ8frFve9Fve9Ff0dmeaabaqaciGacaGaaeaadaabaeaafa aakeaacaWGHbWcdaWgaaqaaiaabkdaaeqaaaaa@3E09@  = 0, a 3 MathType@MTEF@5@5@+= feaagKart1ev2aaatCvAUfeBSjuyZL2yd9gzLbvyNv2CaerbuLwBLn hiov2DGi1BTfMBaeXatLxBI9gBaerbujxzIv3yOvgDG00uaerbd9wD YLwzYbItLDharqqtubsr4rNCHbGeaGqkY=MjYJH8sqFD0xXdHaVhbb f9v8qqaqFr0xc9pk0xbba9q8WqFfea0=yr0RYxir=Jbba9q8aq0=yq =He9q8qqQ8frFve9Fve9Ff0dmeaabaqaciGacaGaaeaadaabaeaafa aakeaacaWGHbWcdaWgaaqaaiaabodaaeqaaaaa@3E0A@  = 0; 2) a 1 MathType@MTEF@5@5@+= feaagKart1ev2aaatCvAUfeBSjuyZL2yd9gzLbvyNv2CaerbuLwBLn hiov2DGi1BTfMBaeXatLxBI9gBaerbujxzIv3yOvgDG00uaerbd9wD YLwzYbItLDharqqtubsr4rNCHbGeaGqkY=MjYJH8sqFD0xXdHaVhbb f9v8qqaqFr0xc9pk0xbba9q8WqFfea0=yr0RYxir=Jbba9q8aq0=yq =He9q8qqQ8frFve9Fve9Ff0dmeaabaqaciGacaGaaeaadaabaeaafa aakeaacaWGHbWcdaWgaaqaaiaabgdaaeqaaaaa@3E08@ = 1, a 2 MathType@MTEF@5@5@+= feaagKart1ev2aaatCvAUfeBSjuyZL2yd9gzLbvyNv2CaerbuLwBLn hiov2DGi1BTfMBaeXatLxBI9gBaerbujxzIv3yOvgDG00uaerbd9wD YLwzYbItLDharqqtubsr4rNCHbGeaGqkY=MjYJH8sqFD0xXdHaVhbb f9v8qqaqFr0xc9pk0xbba9q8WqFfea0=yr0RYxir=Jbba9q8aq0=yq =He9q8qqQ8frFve9Fve9Ff0dmeaabaqaciGacaGaaeaadaabaeaafa aakeaacaWGHbWcdaWgaaqaaiaabkdaaeqaaaaa@3E09@ = 1, a 3 MathType@MTEF@5@5@+= feaagKart1ev2aaatCvAUfeBSjuyZL2yd9gzLbvyNv2CaerbuLwBLn hiov2DGi1BTfMBaeXatLxBI9gBaerbujxzIv3yOvgDG00uaerbd9wD YLwzYbItLDharqqtubsr4rNCHbGeaGqkY=MjYJH8sqFD0xXdHaVhbb f9v8qqaqFr0xc9pk0xbba9q8WqFfea0=yr0RYxir=Jbba9q8aq0=yq =He9q8qqQ8frFve9Fve9Ff0dmeaabaqaciGacaGaaeaadaabaeaafa aakeaacaWGHbWcdaWgaaqaaiaabodaaeqaaaaa@3E0A@ = 0; 3) a 1 MathType@MTEF@5@5@+= feaagKart1ev2aaatCvAUfeBSjuyZL2yd9gzLbvyNv2CaerbuLwBLn hiov2DGi1BTfMBaeXatLxBI9gBaerbujxzIv3yOvgDG00uaerbd9wD YLwzYbItLDharqqtubsr4rNCHbGeaGqkY=MjYJH8sqFD0xXdHaVhbb f9v8qqaqFr0xc9pk0xbba9q8WqFfea0=yr0RYxir=Jbba9q8aq0=yq =He9q8qqQ8frFve9Fve9Ff0dmeaabaqaciGacaGaaeaadaabaeaafa aakeaacaWGHbWcdaWgaaqaaiaabgdaaeqaaaaa@3E08@ = 1, a 2 MathType@MTEF@5@5@+= feaagKart1ev2aaatCvAUfeBSjuyZL2yd9gzLbvyNv2CaerbuLwBLn hiov2DGi1BTfMBaeXatLxBI9gBaerbujxzIv3yOvgDG00uaerbd9wD YLwzYbItLDharqqtubsr4rNCHbGeaGqkY=MjYJH8sqFD0xXdHaVhbb f9v8qqaqFr0xc9pk0xbba9q8WqFfea0=yr0RYxir=Jbba9q8aq0=yq =He9q8qqQ8frFve9Fve9Ff0dmeaabaqaciGacaGaaeaadaabaeaafa aakeaacaWGHbWcdaWgaaqaaiaabkdaaeqaaaaa@3E09@ = 1, a 3 MathType@MTEF@5@5@+= feaagKart1ev2aaatCvAUfeBSjuyZL2yd9gzLbvyNv2CaerbuLwBLn hiov2DGi1BTfMBaeXatLxBI9gBaerbujxzIv3yOvgDG00uaerbd9wD YLwzYbItLDharqqtubsr4rNCHbGeaGqkY=MjYJH8sqFD0xXdHaVhbb f9v8qqaqFr0xc9pk0xbba9q8WqFfea0=yr0RYxir=Jbba9q8aq0=yq =He9q8qqQ8frFve9Fve9Ff0dmeaabaqaciGacaGaaeaadaabaeaafa aakeaacaWGHbWcdaWgaaqaaiaabodaaeqaaaaa@3E0A@ = 1. The maximum displacements and the maximum forces on Figure 5 are obtained 1) Δ l max MathType@MTEF@5@5@+= feaagKart1ev2aaatCvAUfeBSjuyZL2yd9gzLbvyNv2CaerbuLwBLn hiov2DGi1BTfMBaeXatLxBI9gBaerbujxzIv3yOvgDG00uaerbd9wD YLwzYbItLDharqqtubsr4rNCHbGeaGqkY=MjYJH8sqFD0xXdHaVhbb f9v8qqaqFr0xc9pk0xbba9q8WqFfea0=yr0RYxir=Jbba9q8aq0=yq =He9q8qqQ8frFve9Fve9Ff0dmeaabaqaciGacaGaaeaadaabaeaafa aakeaacqqHuoarcaWGSbWcdaWgaaqaaiaab2gacaqGHbGaaeiEaaqa baaaaa@4194@  = 80 nm, F max MathType@MTEF@5@5@+= feaagKart1ev2aaatCvAUfeBSjuyZL2yd9gzLbvyNv2CaerbuLwBLn hiov2DGi1BTfMBaeXatLxBI9gBaerbujxzIv3yOvgDG00uaerbd9wD YLwzYbItLDharqqtubsr4rNCHbGeaGqkY=MjYJH8sqFD0xXdHaVhbb f9v8qqaqFr0xc9pk0xbba9q8WqFfea0=yr0RYxir=Jbba9q8aq0=yq =He9q8qqQ8frFve9Fve9Ff0dmeaabaqaciGacaGaaeaadaabaeaafa aakeaacaWGgbWcdaWgaaqaaiaab2gacaqGHbGaaeiEaaqabaaaaa@4008@  = 64 N; 2) Δ l max MathType@MTEF@5@5@+= feaagKart1ev2aaatCvAUfeBSjuyZL2yd9gzLbvyNv2CaerbuLwBLn hiov2DGi1BTfMBaeXatLxBI9gBaerbujxzIv3yOvgDG00uaerbd9wD YLwzYbItLDharqqtubsr4rNCHbGeaGqkY=MjYJH8sqFD0xXdHaVhbb f9v8qqaqFr0xc9pk0xbba9q8WqFfea0=yr0RYxir=Jbba9q8aq0=yq =He9q8qqQ8frFve9Fve9Ff0dmeaabaqaciGacaGaaeaadaabaeaafa aakeaacqqHuoarcaWGSbWcdaWgaaqaaiaab2gacaqGHbGaaeiEaaqa baaaaa@4194@  = 240 nm, F max MathType@MTEF@5@5@+= feaagKart1ev2aaatCvAUfeBSjuyZL2yd9gzLbvyNv2CaerbuLwBLn hiov2DGi1BTfMBaeXatLxBI9gBaerbujxzIv3yOvgDG00uaerbd9wD YLwzYbItLDharqqtubsr4rNCHbGeaGqkY=MjYJH8sqFD0xXdHaVhbb f9v8qqaqFr0xc9pk0xbba9q8WqFfea0=yr0RYxir=Jbba9q8aq0=yq =He9q8qqQ8frFve9Fve9Ff0dmeaabaqaciGacaGaaeaadaabaeaafa aakeaacaWGgbWcdaWgaaqaaiGac2gacaGGHbGaaiiEaaqabaaaaa@400D@ = 192 N; 3) Δ l max MathType@MTEF@5@5@+= feaagKart1ev2aaatCvAUfeBSjuyZL2yd9gzLbvyNv2CaerbuLwBLn hiov2DGi1BTfMBaeXatLxBI9gBaerbujxzIv3yOvgDG00uaerbd9wD YLwzYbItLDharqqtubsr4rNCHbGeaGqkY=MjYJH8sqFD0xXdHaVhbb f9v8qqaqFr0xc9pk0xbba9q8WqFfea0=yr0RYxir=Jbba9q8aq0=yq =He9q8qqQ8frFve9Fve9Ff0dmeaabaqaciGacaGaaeaadaabaeaafa aakeaacqqHuoarcaWGSbWcdaWgaaqaaiGac2gacaGGHbGaaiiEaaqa baaaaa@4199@  = 560 nm, F max MathType@MTEF@5@5@+= feaagKart1ev2aaatCvAUfeBSjuyZL2yd9gzLbvyNv2CaerbuLwBLn hiov2DGi1BTfMBaeXatLxBI9gBaerbujxzIv3yOvgDG00uaerbd9wD YLwzYbItLDharqqtubsr4rNCHbGeaGqkY=MjYJH8sqFD0xXdHaVhbb f9v8qqaqFr0xc9pk0xbba9q8WqFfea0=yr0RYxir=Jbba9q8aq0=yq =He9q8qqQ8frFve9Fve9Ff0dmeaabaqaciGacaGaaeaadaabaeaafa aakeaacaWGgbWcdaWgaaqaaiGac2gacaGGHbGaaiiEaaqabaaaaa@400D@  = 448 N with error 10%.

Figure 5 Mechanical characteristic at coded control.

Thus, the adjustment and mechanical characteristics of the multi-layer longitudinal piezo engine at parallel and coded control are found.

Discussion

Through the use of mathematical physics we have obtained the adjustment and mechanical characteristics of the multi-layer longitudinal piezo engine at parallel and coded control for nano biomedical research. The generalized adjustment and mechanical characteristics of the multi-layer longitudinal piezo engine at parallel and coded control are determined by using the equations of the inverse longitudinal piezo effect and the mechanical force.

Conclusion

The multi-layer longitudinal piezo engine is used in nano biomedical research for the compensation of gravitational and temperature deformations, scanning microscopy, adaptive optics. The characteristics of the multi-layer longitudinal piezo engine at parallel and coded control are obtained by using method of mathematical physics. The parameters and the characteristics of this multi-layer longitudinal piezo engines are determined.

The adjustment and mechanical characteristics in general of the multi-layer longitudinal piezo engine at parallel and coded control are found for nano biomedical research. Future works are planned to investigate the characteristics of multi-layer piezo engines in various applications.

Acknowledgments

None.

Funding

None.

Conflicts of interest

The author declares that there is no conflict of interest.

References

  1. Uchino K. Piezoelectric actuator and ultrasonic motors. Boston, MA: Kluwer Academic Publisher. 1997:350.
  2. Schultz J, Ueda J, Asada H. Cellular actuators. Butterworth-Heinemann Publisher, Oxford. 2017:382.
  3. Afonin SM. Absolute stability conditions for a system controlling the deformation of an elecromagnetoelastic transduser. Dokl Math. 2006;74(3):943–948.
  4. Bhushan B, editor. Springer handbook of nanotechnology. New York: Springer. 2004:1222.
  5. Shevtsov SN, Soloviev AN, Parinov IA, et al. Piezoelectric actuators and generators for energy harvesting. Research and Development. Springer, Switzerland, Cham. 2018:182.
  6. Afonin SM. Generalized parametric structural model of a compound elecromagnetoelastic transduser. Dokl Phys. 2005;50(2):77–82.
  7. Afonin SM. Structural parametric model of a piezoelectric nanodisplacement transducer. Dokl Phys. 2008;53(3):137–143.
  8. Afonin SM. Solution of the wave equation for the control of an elecromagnetoelastic transduser. Dokl Math. 2006;73(2):307–313.
  9. Afonin SM. Optimal control of a multilayer electroelastic engine with a longitudinal piezoeffect for nanomechatronics systems. Appl Syst Innov. 2020;3(4):1–7.
  10. Afonin SM. Coded сontrol of a sectional electroelastic engine for nanomechatronics systems. Appl Syst Innov. 2021;4(3):1–11.
  11. Cady WG. Piezoelectricity: an introduction to the theory and applications of electromechancial phenomena in crystals. McGraw-Hill Book Company, New York, London. 1946:806.
  12. Mason W, editor. Physical acoustics: principles and methods. Vol. 1. Part A. Methods and devices. Academic Press, New York. 1964:515.
  13. Liu Y, Zeng A, Zhang S, et al. An experimental investigation on polarization process of a PZT-52 tube actuator with interdigitated electrodes. Micromachines. 2022;13(10):1760.
  14.  Jang Seon-Min, Yang Su Chul. Highly piezoelectric BaTiO3 nanorod bundle arrays using epitaxially grown TiO2 nanomaterials. Nanotechnology. 2018;29(23):235602.
  15. Afonin SM. Structural-parametric model and transfer functions of electroelastic actuator for nano- and microdisplacement. Chapter 9 in Piezoelectrics and Nanomaterials: Fundamentals, Developments and Applications. Ed. Parinov IA. Nova Science, New York. 2015:225–242.
  16. Afonin SM. Structural-parametric model electromagnetoelastic actuator nanodisplacement for mechatronics. Int J Phy. 2017;5(1):9–15.
  17. Afonin SM. Structural-parametric model multilayer electromagnetoelastic actuator for nanomechatronics. Int J Phy. 2019;7(2):50–57.
  18. Afonin SM. Structural-parametric model of electromagnetoelastic actuator for nanomechanics. Actuators. 2018;7(1):1–9.
  19. Afonin SM. Structural-parametric model and diagram of a multilayer electromagnetoelastic actuator for nanomechanics. Actuators. 2019;8(3):1–14.
  20. Afonin SM. Condition absolute stability control system of electromagnetoelastic actuator for communication equipment. Trans Netw Com. 2020;8(1):8–15.
  21. Afonin SM. Rigidity of a multilayer piezoelectric actuator for the nano and micro range. Russ Engin Res. 2021;41(4):285–288.
  22. Afonin SM. Structural scheme of an electromagnetoelastic actuator for nanotechnology research. Chapter 45 in Physics and Mechanics of New Materials and Their Applications. PHENMA 2023. Springer Proceedings in Materials. Vol.41. Editors Parinov IA, Chang SH, Putri EP. Springer, Cham. 2024:486–501.
  23. Afonin SM. Piezoengine for nanomedicine and applied bionics. MOJ App Bio Biomech. 2022;6(1):30–33.
  24. Afonin SM. System with nano piezoengine under randomly influences for biomechanics. MOJ App Bio Biomech. 2024;8(1):1–3.
  25. Afonin SM. DAC electro elastic engine for nanomedicine. MOJ App Bio Biomech. 2024;8(1):38–40.
  26. Afonin SM. Characteristics of an electroelastic actuator nano- and microdisplacement for nanotechnology. Chapter 8 in Advances in Nanotechnology. Volume 25. Eds. Bartul Z, Trenor J, Nova Science, New York. 2021:251–266.
  27. Afonin SM. Absolute stability of system with nano piezoengine for biomechanics. MOJ App Bio Biomech. 2023;7(1):211–213.
  28. Afonin SM. Structural model of nano piezoengine for applied biomechanics and biosciencess. MOJ App Bio Biomech. 2023;7(1):21–25.
  29. Afonin SM. Multilayer piezo motor for nanomedicine research. MOJ App Bio Biomech. 2020;4(2):30–31.
  30. Afonin SM. Characteristics electroelastic engine for nanobiomechanics. MOJ App Bio Biomech. 2020;4(3):51–53.
  31. Afonin SM. Piezo actuators for nanomedicine research. MOJ App Bio Biomech. 2019;3(2):56–57.
  32. Afonin SM. Structural scheme of piezoactuator for astrophysics. Phys Astron Int J. 2024;8(1):32‒36.
  33. Afonin SM. Nanopiezoactuator for astrophysics equipment. Phys Astron Int J. 2023;7(2):153–155.
  34. Afonin SM. Condition absolute stability of system with nano piezoactuator for astrophysics research. Aeron Aero Open Access J. 2023;7(3):99–102.
  35. Afonin SM. Electroelastic actuator of nanomechatronics systems for nanoscience. Chapter 2 in Recent Progress in Chemical Science Research. Volume 6. Ed. Min HS, B P International, India, UK. London. 2023:15–27.
  36.  Afonin SM. Harmonious linearization of hysteresis characteristic of an electroelastic actuator for nanomechatronics systems. Chapter 34 in Physics and Mechanics of New Materials and Their Applications. Proceedings of the International Conference PHENMA 2021-2022, Springer Proceedings in Materials series. Vol. 20. Eds. Parinov IA, Chang SH, Soloviev AN. Springer, Cham. 2023:419–428.
  37. Afonin SM. Structural parametric model and diagram of electromagnetoelastic actuator for nanodisplacement in chemistry and biochemistry research. Chapter 7 in Current topics on chemistry and biochemistry. Vol 9. Ed. Baena O.J.R., B P International, India, UK. 2023:77–95.
  38. Nalwa HS, editor. Encyclopedia of nanoscience and nanotechnology. Los Angeles: American scientific publishers. 2004:10.
Creative Commons Attribution License

©2024 Afonin. This is an open access article distributed under the terms of the, which permits unrestricted use, distribution, and build upon your work non-commercially.