A piezoengine works on basis of the reverse piezoelectric effect in the form3–52
where
,
,
,
,
are the relative deformation, elastic compliance, strength mechanical field, piezomodule, strength electric field, i, j . m are indexes.
The differential equation is written4–52
Here
, s,
,
are the transform of the deformation, the parameter of the Laplace transform, the coordinate, the propagation factor. For the transverse piezoengine we have at
the first deformation
and at
the second deformation
.
The decision of the differential equation is obtained.
Where
,
are the transforms of the deformations.
At
and
we have the system for the transverse piezoengine
The mathematical model for the transverse piezoengine has the form.
At
and
the system in general for a piezoengine is obtained.
Where
the length for the longitudinal, transverse or shift piezoengine.
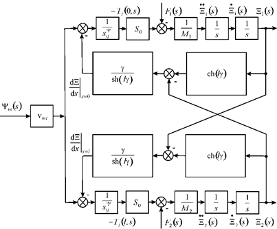
Therefore, the mathematical model of a piezoengine is determined on Figure 1.
Figure 1 Structural scheme in general of piezoengine.
Where
The mathematical model and the structural scheme of a piezoengine on Figure 1 are used for the design of a precise control system in nanomedicine and applied bionics.
The matrix of the deformations is written
The settled longitudinal deformations are determined
For
= 4×10-10 m/V,
= 125 V,
= 1 kg,
= 4 kg we have the settled deformations parameters
= 40 nm,
= 10 nm and
= 50 nm at error 10%.
For the transverse piezoengine at one the fixed face the transfer expression is obtained
,
For
= 4 kg,
= 0.2×107 N/m,
= 1.4×107 N/m we have the parameters
= 0.5×10-3 s,
= 2×103 s-1 at error 10%.
The settled transverse deformation has the form
For
= 2∙10-10 m/V,
= 20,
= 0.14 the coefficient is determined
= 3.5 nm/V at error 10%.