Submit manuscript...
MOJ
eISSN: 2576-4519

Applied Bionics and Biomechanics

Research Article Volume 9 Issue 1

Schemes nano piezo engine for applied bionics

Afonin SM

National Research University of Electronic Technology, Russia

Correspondence: Afonin SM, National Research University of Electronic Technology, MIET, 124498, Moscow, Russia

Received: April 17, 2025 | Published: May 1, 2025

Citation: Afonin SM. Schemes nano piezo engine for applied bionics. MOJ App Bio Biomech. 2025;9(1):35-38. DOI: 10.15406/mojabb.2025.09.00222

Download PDF

Abstract

The schemes with lumped parameters and distributed parameters of the nano piezo engine are constructed for applied bionics. The scheme of the nano piezo engine is founded by method mathematical physics. The displacement matrix of nano engine is determined.

Keywords: nano piezo engine, scheme, applied bionics

Introduction

The nano piezo engine is used in applied bionics for nano positioning system, dampen mechanical vibrations, adaptive optics, ring quantum generator, scanning microscopy, works with DNA.1–18 Its scheme is constructed by method mathematical physics for lumped parameters or distributed parameters of nano piezo engine.

Schemes

Let us consider the scheme of the nano piezo engine for lumped parameters. The scheme of nano piezo engine is determined by method mathematical physics with using the equation of the reverse piezo effect and the equations forces of engine in dynamics.16–57

The equation of the reverse piezo effect has the form3–59

S i = d mi E m + s ij E T j MathType@MTEF@5@5@+= feaagKart1ev2aaatCvAUfeBSjuyZL2yd9gzLbvyNv2CaerbuLwBLn hiov2DGi1BTfMBaeXatLxBI9gBaerbujxzIv3yOvgDG00uaerbd9wD YLwzYbItLDharqqtubsr4rNCHbGeaGqkY=MjYJH8sqFD0xXdHaVhbb f9v8qqaqFr0xc9pk0xbba9q8WqFfea0=yr0RYxir=Jbba9q8aq0=yq =He9q8qqQ8frFve9Fve9Ff0dmeaabaqaciGacaGaaeaadaabaeaafa aakeaacaWGtbWaaSbaaSqaaiaadMgaaeqaaOGaeyypa0Jaamizamaa BaaaleaacaWGTbGaamyAaaqabaGccaaMc8UaamyramaaBaaaleaaca WGTbaabeaakiabgUcaRiaadohadaqhaaWcbaGaamyAaiaadQgaaeaa caWGfbaaaOGaaGPaVlaadsfadaWgaaWcbaGaamOAaaqabaaaaa@4DF7@

here the indexes i, j, m and S i , E m , T j , d mi , s ij E MathType@MTEF@5@5@+= feaagKart1ev2aaatCvAUfeBSjuyZL2yd9gzLbvyNv2CaerbuLwBLn hiov2DGi1BTfMBaeXatLxBI9gBaerbujxzIv3yOvgDG00uaerbd9wD YLwzYbItLDharqqtubsr4rNCHbGeaGqkY=MjYJH8sqFD0xXdHaVhbb f9v8qqaqFr0xc9pk0xbba9q8WqFfea0=yr0RYxir=Jbba9q8aq0=yq =He9q8qqQ8frFve9Fve9Ff0dmeaabaqaciGacaGaaeaadaabaeaafa aakeaacaWGtbWaaSbaaSqaaiaadMgaaeqaaOGaaiilaiaaykW7caWG fbWaaSbaaSqaaiaad2gaaeqaaOGaaiilaiaaykW7caWGubWaaSbaaS qaaiaadQgaaeqaaOGaaiilaiaaykW7caWGKbWaaSbaaSqaaiaad2ga caWGPbaabeaakiaacYcacaaMc8Uaam4CamaaDaaaleaacaWGPbGaam OAaaqaaiaadweaaaaaaa@51E5@ are the relative displacement, the strength electric field, the strength mechanical field, the piezo module, and the elastic compliance at E=const. MathType@MTEF@5@5@+= feaagKart1ev2aaatCvAUfeBSjuyZL2yd9gzLbvyNv2CaerbuLwBLn hiov2DGi1BTfMBaeXatLxBI9gBaerbujxzIv3yOvgDG00uaerbd9wD YLwzYbItLDharqqtubsr4rNCHbGeaGqkY=MjYJH8sqFD0xXdHaVhbb f9v8qqaqFr0xc9pk0xbba9q8WqFfea0=yr0RYxir=Jbba9q8aq0=yq =He9q8qqQ8frFve9Fve9Ff0dmeaabaqaciGacaGaaeaadaabaeaafa aakeaacaWGfbGaeyypa0Jaae4yaiaab+gacaqGUbGaae4Caiaabsha caqGUaaaaa@4379@

Than the Laplace transform general force F( s ) MathType@MTEF@5@5@+= feaagKart1ev2aaatCvAUfeBSjuyZL2yd9gzLbvyNv2CaerbuLwBLn hiov2DGi1BTfMBaeXatLxBI9gBaerbujxzIv3yOvgDG00uaerbd9wD YLwzYbItLDharqqtubsr4rNCHbGeaGqkY=MjYJH8sqFD0xXdHaVhbb f9v8qqaqFr0xc9pk0xbba9q8WqFfea0=yr0RYxir=Jbba9q8aq0=yq =He9q8qqQ8frFve9Fve9Ff0dmeaabaqaciGacaGaaeaadaabaeaafa aakeaacaWGgbWaaeWaaeaacaWGZbaacaGLOaGaayzkaaaaaa@3F8E@ of the nano piezo engine is founded

F( s )= d mi S 0 E m ( s )/ s ij E MathType@MTEF@5@5@+= feaagKart1ev2aaatCvAUfeBSjuyZL2yd9gzLbvyNv2CaerbuLwBLn hiov2DGi1BTfMBaeXatLxBI9gBaerbujxzIv3yOvgDG00uaerbd9wD YLwzYbItLDharqqtubsr4rNCHbGeaGqkY=MjYJH8sqFD0xXdHaVhbb f9v8qqaqFr0xc9pk0xbba9q8WqFfea0=yr0RYxir=Jbba9q8aq0=yq =He9q8qqQ8frFve9Fve9Ff0dmeaabaqaciGacaGaaeaadaabaeaafa aakeaacaWGgbWaaeWaaeaacaWGZbaacaGLOaGaayzkaaGaeyypa0Za aSGbaeaacaWGKbWaaSbaaSqaaiaad2gacaWGPbaakeqaaiaadofada WgaaWcbaGaaeimaaqabaGccaaMc8UaamyraSWaaSbaaeaacaWGTbaa beaakmaabmaabaGaam4CaaGaayjkaiaawMcaaaqaaiaadohalmaaDa aabaGaamyAaiaadQgaaeaacaWGfbaaaaaaaaa@4F34@

We have the transform general force by using the voltage U C ( s )= U( s )/ ( R C 0 s+1 ) MathType@MTEF@5@5@+= feaagKart1ev2aaatCvAUfeBSjuyZL2yd9gzLbvyNv2CaerbuLwBLn hiov2DGi1BTfMBaeXatLxBI9gBaerbujxzIv3yOvgDG00uaerbd9wD YLwzYbItLDharqqtubsr4rNCHbGeaGqkY=MjYJH8sqFD0xXdHaVhbb f9v8qqaqFr0xc9pk0xbba9q8WqFfea0=yr0RYxir=Jbba9q8aq0=yq =He9q8qqQ8frFve9Fve9Ff0dmeaabaqaciGacaGaaeaadaabaeaafa aakeaacaWGvbWaaSbaaSqaaiaadoeaaeqaaOWaaeWaaeaacaWGZbaa caGLOaGaayzkaaGaeyypa0ZaaSGbaeaacaWGvbWaaeWaaeaacaWGZb aacaGLOaGaayzkaaaabaWcdaqadaqaaOGaamOuaiaadoealmaaBaaa baGaaeimaaqabaGccaWGZbGaey4kaSIaaeymaaWccaGLOaGaayzkaa aaaaaa@4BD1@ on the piezo capacitor in the form

F( s )= d mi S 0 U C ( s ) δ s ij E = d mi S 0 U( s ) δ s ij E ( R C 0 s+1 ) MathType@MTEF@5@5@+= feaagKart1ev2aaatCvAUfeBSjuyZL2yd9gzLbvyNv2CaerbuLwBLn hiov2DGi1BTfMBaeXatLxBI9gBaerbujxzIv3yOvgDG00uaerbd9wD YLwzYbItLDharqqtubsr4rNCHbGeaGqkY=MjYJH8sqFD0xXdHaVhbb f9v8qqaqFr0xc9pk0xbba9q8WqFfea0=yr0RYxir=Jbba9q8aq0=yq =He9q8qqQ8frFve9Fve9Ff0dmeaabaqaciGacaGaaeaadaabaeaafa aakeaacaWGgbWaaeWaaeaacaWGZbaacaGLOaGaayzkaaGaeyypa0Za aSaaaeaacaWGKbWaaSbaaSqaaiaad2gacaWGPbaakeqaaiaadofada WgaaWcbaGaaeimaaqabaGccaWGvbWaaSbaaSqaaiaadoeaaeqaaOWa aeWaaeaacaWGZbaacaGLOaGaayzkaaaabaGaeqiTdqMaam4CaSWaa0 baaeaacaWGPbGaamOAaaqaaiaadweaaaaaaOGaeyypa0ZaaSaaaeaa caWGKbWaaSbaaSqaaiaad2gacaWGPbaakeqaaiaadofadaWgaaWcba GaaeimaaqabaGccaWGvbWaaeWaaeaacaWGZbaacaGLOaGaayzkaaaa baGaeqiTdqMaam4CaSWaa0baaeaacaWGPbGaamOAaaqaaiaadweaaa WaaeWaaeaakiaadkfacaWGdbWcdaWgaaqaaiaabcdaaeqaaOGaam4C aiabgUcaRiaabgdaaSGaayjkaiaawMcaaaaaaaa@648E@

The Laplace transform general force of the nano piezo engine is written

F( s )= k r U C ( s ) MathType@MTEF@5@5@+= feaagKart1ev2aaatCvAUfeBSjuyZL2yd9gzLbvyNv2CaerbuLwBLn hiov2DGi1BTfMBaeXatLxBI9gBaerbujxzIv3yOvgDG00uaerbd9wD YLwzYbItLDharqqtubsr4rNCHbGeaGqkY=MjYJH8sqFD0xXdHaVhbb f9v8qqaqFr0xc9pk0xbba9q8WqFfea0=yr0RYxir=Jbba9q8aq0=yq =He9q8qqQ8frFve9Fve9Ff0dmeaabaqaciGacaGaaeaadaabaeaafa aakeaacaWGgbWaaeWaaeaacaWGZbaacaGLOaGaayzkaaGaeyypa0Ja am4AamaaBaaaleaacaWGYbaabeaakiaadwfadaWgaaWcbaGaam4qaa qabaGcdaqadaqaaiaadohaaiaawIcacaGLPaaaaaa@470A@

here k r MathType@MTEF@5@5@+= feaagKart1ev2aaatCvAUfeBSjuyZL2yd9gzLbvyNv2CaerbuLwBLn hiov2DGi1BTfMBaeXatLxBI9gBaerbujxzIv3yOvgDG00uaerbd9wD YLwzYbItLDharqqtubsr4rNCHbGeaGqkY=MjYJH8sqFD0xXdHaVhbb f9v8qqaqFr0xc9pk0xbba9q8WqFfea0=yr0RYxir=Jbba9q8aq0=yq =He9q8qqQ8frFve9Fve9Ff0dmeaabaqaciGacaGaaeaadaabaeaafa aakeaacaWGRbWaaSbaaSqaaiaadkhaaeqaaaaa@3E55@ is the reverse coefficient in the form

k r = d mi S 0 δ s ij E MathType@MTEF@5@5@+= feaagKart1ev2aaatCvAUfeBSjuyZL2yd9gzLbvyNv2CaerbuLwBLn hiov2DGi1BTfMBaeXatLxBI9gBaerbujxzIv3yOvgDG00uaerbd9wD YLwzYbItLDharqqtubsr4rNCHbGeaGqkY=MjYJH8sqFD0xXdHaVhbb f9v8qqaqFr0xc9pk0xbba9q8WqFfea0=yr0RYxir=Jbba9q8aq0=yq =He9q8qqQ8frFve9Fve9Ff0dmeaabaqaciGacaGaaeaadaabaeaafa aakeaacaWGRbWaaSbaaSqaaiaadkhaaeqaaOGaeyypa0ZaaSaaaeaa caWGKbWaaSbaaSqaaiaad2gacaWGPbaakeqaaiaadofadaWgaaWcba GaaeimaaqabaaakeaacqaH0oazcaWGZbWcdaqhaaqaaiaadMgacaWG QbaabaGaamyraaaaaaaaaa@49A6@

The equation direct piezo effect has form3–43

D m = d mi T i + ε mk E E k MathType@MTEF@5@5@+= feaagKart1ev2aaatCvAUfeBSjuyZL2yd9gzLbvyNv2CaerbuLwBLn hiov2DGi1BTfMBaeXatLxBI9gBaerbujxzIv3yOvgDG00uaerbd9wD YLwzYbItLDharqqtubsr4rNCHbGeaGqkY=MjYJH8sqFD0xXdHaVhbb f9v8qqaqFr0xc9pk0xbba9q8WqFfea0=yr0RYxir=Jbba9q8aq0=yq =He9q8qqQ8frFve9Fve9Ff0dmeaabaqaciGacaGaaeaadaabaeaafa aakeaacaWGebWaaSbaaSqaaiaad2gaaeqaaOGaeyypa0Jaamizamaa BaaaleaacaWGTbGaamyAaaqabaGccaWGubWaaSbaaSqaaiaadMgaae qaaOGaey4kaSIaeqyTdu2cdaqhaaqaaiaad2gacaWGRbaabaGaamyr aaaakiaadweadaWgaaWcbaGaam4Aaaqabaaaaa@4B87@

here ε mk E MathType@MTEF@5@5@+= feaagKart1ev2aaatCvAUfeBSjuyZL2yd9gzLbvyNv2CaerbuLwBLn hiov2DGi1BTfMBaeXatLxBI9gBaerbujxzIv3yOvgDG00uaerbd9wD YLwzYbItLDharqqtubsr4rNCHbGeaGqkY=MjYJH8sqFD0xXdHaVhbb f9v8qqaqFr0xc9pk0xbba9q8WqFfea0=yr0RYxir=Jbba9q8aq0=yq =He9q8qqQ8frFve9Fve9Ff0dmeaabaqaciGacaGaaeaadaabaeaafa aakeaacqaH1oqzdaqhaaWcbaGaamyBaiaadUgaaeaacaWGfbaaaaaa @40C2@ is the permittivity.

Than the direct coefficient k d MathType@MTEF@5@5@+= feaagKart1ev2aaatCvAUfeBSjuyZL2yd9gzLbvyNv2CaerbuLwBLn hiov2DGi1BTfMBaeXatLxBI9gBaerbujxzIv3yOvgDG00uaerbd9wD YLwzYbItLDharqqtubsr4rNCHbGeaGqkY=MjYJH8sqFD0xXdHaVhbb f9v8qqaqFr0xc9pk0xbba9q8WqFfea0=yr0RYxir=Jbba9q8aq0=yq =He9q8qqQ8frFve9Fve9Ff0dmeaabaqaciGacaGaaeaadaabaeaafa aakeaacaWGRbWaaSbaaSqaaiaadsgaaeqaaaaa@3E47@ is founded in the form

k d = k r = d mi S 0 δ s ij E MathType@MTEF@5@5@+= feaagKart1ev2aaatCvAUfeBSjuyZL2yd9gzLbvyNv2CaerbuLwBLn hiov2DGi1BTfMBaeXatLxBI9gBaerbujxzIv3yOvgDG00uaerbd9wD YLwzYbItLDharqqtubsr4rNCHbGeaGqkY=MjYJH8sqFD0xXdHaVhbb f9v8qqaqFr0xc9pk0xbba9q8WqFfea0=yr0RYxir=Jbba9q8aq0=yq =He9q8qqQ8frFve9Fve9Ff0dmeaabaqaciGacaGaaeaadaabaeaafa aakeaacaWGRbWaaSbaaSqaaiaadsgaaeqaaOGaeyypa0Jaam4Aamaa BaaaleaacaWGYbaabeaakiabg2da9maalaaabaGaamizamaaBaaale aacaWGTbGaamyAaaGcbeaacaWGtbWaaSbaaSqaaiaabcdaaeqaaaGc baGaeqiTdqMaam4CaSWaa0baaeaacaWGPbGaamOAaaqaaiaadweaaa aaaaaa@4CBB@

The Laplace transform voltage for the first feedback on the velocity of the second end is founded on Figure 1 in the form

U d ( s )= d mi S 0 δ s ij E Ξ ˙ 2 ( s )R= k d Ξ ˙ 2 ( s )R MathType@MTEF@5@5@+= feaagKart1ev2aaatCvAUfeBSjuyZL2yd9gzLbvyNv2CaerbuLwBLn hiov2DGi1BTfMBaeXatLxBI9gBaerbujxzIv3yOvgDG00uaerbd9wD YLwzYbItLDharqqtubsr4rNCHbGeaGqkY=MjYJH8sqFD0xXdHaVhbb f9v8qqaqFr0xc9pk0xbba9q8WqFfea0=yr0RYxir=Jbba9q8aq0=yq =He9q8qqQ8frFve9Fve9Ff0dmeaabaqaciGacaGaaeaadaabaeaafa aakeaacaWGvbWaaSbaaSqaaiaadsgaaeqaaOWaaeWaaeaacaWGZbaa caGLOaGaayzkaaGaeyypa0ZaaSaaaeaacaWGKbWcdaWgaaqaaiaad2 gacaWGPbaabeaakiaadofalmaaBaaabaGaaeimaaqabaaakeaacqaH 0oazcaWGZbWaa0baaSqaaiaadMgacaWGQbaabaGaamyraaaaaaGccu qHEoawgaGaamaaBaaaleaacaqGYaaabeaakmaabmaabaGaam4CaaGa ayjkaiaawMcaaiaadkfacqGH9aqpcaWGRbWaaSbaaSqaaiaadsgaae qaaOGafuONdGLbaiaadaWgaaWcbaGaaeOmaaqabaGcdaqadaqaaiaa dohaaiaawIcacaGLPaaacaWGsbaaaa@5AC2@

by using the Laplace transform velocity the second end Ξ ˙ 2 MathType@MTEF@5@5@+= feaagKart1ev2aaatCvAUfeBSjuyZL2yd9gzLbvyNv2CaerbuLwBLn hiov2DGi1BTfMBaeXatLxBI9gBaerbujxzIv3yOvgDG00uaerbd9wD YLwzYbItLDharqqtubsr4rNCHbGeaGqkY=MjYJH8sqFD0xXdHaVhbb f9v8qqaqFr0xc9pk0xbba9q8WqFfea0=yr0RYxir=Jbba9q8aq0=yq =He9q8qqQ8frFve9Fve9Ff0dmeaabaqaciGacaGaaeaadaabaeaafa aakeaacuqHEoawgaGaamaaBaaaleaacaqGYaaabeaaaaa@3EB0@ of the nano engine.

The transform force at the second end F 2 ( s ) MathType@MTEF@5@5@+= feaagKart1ev2aaatCvAUfeBSjuyZL2yd9gzLbvyNv2CaerbuLwBLn hiov2DGi1BTfMBaeXatLxBI9gBaerbujxzIv3yOvgDG00uaerbd9wD YLwzYbItLDharqqtubsr4rNCHbGeaGqkY=MjYJH8sqFD0xXdHaVhbb f9v8qqaqFr0xc9pk0xbba9q8WqFfea0=yr0RYxir=Jbba9q8aq0=yq =He9q8qqQ8frFve9Fve9Ff0dmeaabaqaciGacaGaaeaadaabaeaafa aakeaacaWGgbWaaSbaaSqaaiaabkdaaeqaaOWaaeWaaeaacaWGZbaa caGLOaGaayzkaaaaaa@4079@ and the load force F l ( s ) MathType@MTEF@5@5@+= feaagKart1ev2aaatCvAUfeBSjuyZL2yd9gzLbvyNv2CaerbuLwBLn hiov2DGi1BTfMBaeXatLxBI9gBaerbujxzIv3yOvgDG00uaerbd9wD YLwzYbItLDharqqtubsr4rNCHbGeaGqkY=MjYJH8sqFD0xXdHaVhbb f9v8qqaqFr0xc9pk0xbba9q8WqFfea0=yr0RYxir=Jbba9q8aq0=yq =He9q8qqQ8frFve9Fve9Ff0dmeaabaqaciGacaGaaeaadaabaeaafa aakeaacaWGgbWaaSbaaSqaaiaadYgaaeqaaOWaaeWaaeaacaWGZbaa caGLOaGaayzkaaaaaa@40B5@ are subtracted on Figure 1. The Laplace transform force for the second feedback has the form

F l ( s )=( C e + C ij E + k ν s ) Ξ 2 ( s ) MathType@MTEF@5@5@+= feaagKart1ev2aaatCvAUfeBSjuyZL2yd9gzLbvyNv2CaerbuLwBLn hiov2DGi1BTfMBaeXatLxBI9gBaerbujxzIv3yOvgDG00uaerbd9wD YLwzYbItLDharqqtubsr4rNCHbGeaGqkY=MjYJH8sqFD0xXdHaVhbb f9v8qqaqFr0xc9pk0xbba9q8WqFfea0=yr0RYxir=Jbba9q8aq0=yq =He9q8qqQ8frFve9Fve9Ff0dmeaabaqaciGacaGaaeaadaabaeaafa aakeaacaWGgbWaaSbaaSqaaiaadYgaaeqaaOWaaeWaaeaacaWGZbaa caGLOaGaayzkaaGaeyypa0ZaaeWaaeaacaWGdbWaaSbaaSqaaiaadw gaaeqaaOGaey4kaSIaam4qamaaDaaaleaacaWGPbGaamOAaaqaaiaa dweaaaGccqGHRaWkcaWGRbWaaSbaaSqaaiabe27aUbqabaGccaWGZb aacaGLOaGaayzkaaGaaGjbVlabf65aynaaBaaaleaacaqGYaaabeaa kmaabmaabaGaam4CaaGaayjkaiaawMcaaaaa@54E9@

here C e , C ij E , k ν MathType@MTEF@5@5@+= feaagKart1ev2aaatCvAUfeBSjuyZL2yd9gzLbvyNv2CaerbuLwBLn hiov2DGi1BTfMBaeXatLxBI9gBaerbujxzIv3yOvgDG00uaerbd9wD YLwzYbItLDharqqtubsr4rNCHbGeaGqkY=MjYJH8sqFD0xXdHaVhbb f9v8qqaqFr0xc9pk0xbba9q8WqFfea0=yr0RYxir=Jbba9q8aq0=yq =He9q8qqQ8frFve9Fve9Ff0dmeaabaqaciGacaGaaeaadaabaeaafa aakeaacaWGdbWaaSbaaSqaaiaadwgaaeqaaOGaaiilaiaaykW7caWG dbWaa0baaSqaaiaadMgacaWGQbaabaGaamyraaaakiaacYcacaaMc8 Uaam4AamaaBaaaleaacqaH9oGBaeqaaaaa@491A@ are the elastic load stiffness, the stiffness piezo engine, the coefficient of viscous friction. This Laplace transform the load force has form the sum of the elastic force and the viscous friction force.

The scheme for lumped parameters of the nano piezo engine is constructed on Figure 1 at the first fixed end, the elastic inertial load with the mass load M 2 MathType@MTEF@5@5@+= feaagKart1ev2aaatCvAUfeBSjuyZL2yd9gzLbvyNv2CaerbuLwBLn hiov2DGi1BTfMBaeXatLxBI9gBaerbujxzIv3yOvgDG00uaerbd9wD YLwzYbItLDharqqtubsr4rNCHbGeaGqkY=MjYJH8sqFD0xXdHaVhbb f9v8qqaqFr0xc9pk0xbba9q8WqFfea0=yr0RYxir=Jbba9q8aq0=yq =He9q8qqQ8frFve9Fve9Ff0dmeaabaqaciGacaGaaeaadaabaeaafa aakeaacaWGnbWaaSbaaSqaaiaabkdaaeqaaaaa@3DF5@ and the voltage control.

The transfer function for lumped parameters of the nano engine on Figure 1 has the form

Figure 1 Scheme for lumped parameters nano engine.

W( s )= Ξ 2 ( s )/ U( s ) = k r / ( a 3 p 3 + a 2 p 2 + a 1 p+ a 0 ) MathType@MTEF@5@5@+= feaagKart1ev2aaatCvAUfeBSjuyZL2yd9gzLbvyNv2CaerbuLwBLn hiov2DGi1BTfMBaeXatLxBI9gBaerbujxzIv3yOvgDG00uaerbd9wD YLwzYbItLDharqqtubsr4rNCHbGeaGqkY=MjYJH8sqFD0xXdHaVhbb f9v8qqaqFr0xc9pk0xbba9q8WqFfea0=yr0RYxir=Jbba9q8aq0=yq =He9q8qqQ8frFve9Fve9Ff0dmeaabaqaciGacaGaaeaadaabaeaafa aakeaacaWGxbWaaeWaaeaacaWGZbaacaGLOaGaayzkaaGaeyypa0Za aSGbaeaacqqHEoawdaWgaaWcbaGaaeOmaaqabaGcdaqadaqaaiaado haaiaawIcacaGLPaaaaeaacaWGvbWaaeWaaeaacaWGZbaacaGLOaGa ayzkaaaaaiabg2da9maalyaabaGaam4AamaaBaaaleaacaWGYbaabe aaaOqaamaabmaabaGaamyyamaaBaaaleaacaqGZaaabeaakiaadcha lmaaCaaabeqaaiaabodaaaGccqGHRaWkcaWGHbWaaSbaaSqaaiaabk daaeqaaOGaamiCaSWaaWbaaeqabaGaaeOmaaaacqGHRaWkkiaadgga daWgaaWcbaGaaeymaaqabaGccaWGWbGaey4kaSIaamyyamaaBaaale aacaqGWaaabeaaaOGaayjkaiaawMcaaaaaaaa@5C68@

a 3 =R C 0 M 2 MathType@MTEF@5@5@+= feaagKart1ev2aaatCvAUfeBSjuyZL2yd9gzLbvyNv2CaerbuLwBLn hiov2DGi1BTfMBaeXatLxBI9gBaerbujxzIv3yOvgDG00uaerbd9wD YLwzYbItLDharqqtubsr4rNCHbGeaGqkY=MjYJH8sqFD0xXdHaVhbb f9v8qqaqFr0xc9pk0xbba9q8WqFfea0=yr0RYxir=Jbba9q8aq0=yq =He9q8qqQ8frFve9Fve9Ff0dmeaabaqaciGacaGaaeaadaabaeaafa aakeaacaWGHbWaaSbaaSqaaiaabodaaeqaaOGaeyypa0JaamOuaiaa doealmaaBaaabaGaaeimaaqabaGccaWGnbWaaSbaaSqaaiaabkdaae qaaaaa@4355@ , a 2 = M 2 +R C 0 k v MathType@MTEF@5@5@+= feaagKart1ev2aaatCvAUfeBSjuyZL2yd9gzLbvyNv2CaerbuLwBLn hiov2DGi1BTfMBaeXatLxBI9gBaerbujxzIv3yOvgDG00uaerbd9wD YLwzYbItLDharqqtubsr4rNCHbGeaGqkY=MjYJH8sqFD0xXdHaVhbb f9v8qqaqFr0xc9pk0xbba9q8WqFfea0=yr0RYxir=Jbba9q8aq0=yq =He9q8qqQ8frFve9Fve9Ff0dmeaabaqaciGacaGaaeaadaabaeaafa aakeaacaWGHbWaaSbaaSqaaiaabkdaaeqaaOGaeyypa0Jaamytamaa BaaaleaacaqGYaaabeaakiabgUcaRiaadkfacaWGdbWaaSbaaSqaai aabcdaaeqaaOGaam4AamaaBaaaleaacaWG2baabeaaaaa@4657@

a 1 = k v +R C 0 C ij E +R C 0 C + e R k r k d MathType@MTEF@5@5@+= feaagKart1ev2aaatCvAUfeBSjuyZL2yd9gzLbvyNv2CaerbuLwBLn hiov2DGi1BTfMBaeXatLxBI9gBaerbujxzIv3yOvgDG00uaerbd9wD YLwzYbItLDharqqtubsr4rNCHbGeaGqkY=MjYJH8sqFD0xXdHaVhbb f9v8qqaqFr0xc9pk0xbba9q8WqFfea0=yr0RYxir=Jbba9q8aq0=yq =He9q8qqQ8frFve9Fve9Ff0dmeaabaqaciGacaGaaeaadaabaeaafa aakeaacaWGHbWaaSbaaSqaaiaabgdaaeqaaOGaeyypa0Jaam4Aamaa BaaaleaacaWG2baabeaakiabgUcaRiaadkfacaWGdbWaaSbaaSqaai aabcdaaeqaaOGaam4qamaaDaaaleaacaWGPbGaamOAaaqaaiaadwea aaGccqGHRaWkcaWGsbGaam4qamaaBaaaleaacaqGWaaabeaakiaado ealmaaBeaabaGaamyzaaqabaGccqGHRaWkcaWGsbGaam4AamaaBaaa leaacaWGYbaabeaakiaadUgadaWgaaWcbaGaamizaaqabaaaaa@5377@ , a 0 =C + e C ij E MathType@MTEF@5@5@+= feaagKart1ev2aaatCvAUfeBSjuyZL2yd9gzLbvyNv2CaerbuLwBLn hiov2DGi1BTfMBaeXatLxBI9gBaerbujxzIv3yOvgDG00uaerbd9wD YLwzYbItLDharqqtubsr4rNCHbGeaGqkY=MjYJH8sqFD0xXdHaVhbb f9v8qqaqFr0xc9pk0xbba9q8WqFfea0=yr0RYxir=Jbba9q8aq0=yq =He9q8qqQ8frFve9Fve9Ff0dmeaabaqaciGacaGaaeaadaabaeaafa aakeaacaWGHbWaaSbaaSqaaiaabcdaaeqaaOGaeyypa0Jaam4qaSWa aSraaeaacaWGLbaabeaakiabgUcaRiaadoeadaqhaaWcbaGaamyAai aadQgaaeaacaWGfbaaaaaa@457E@

At R=0 MathType@MTEF@5@5@+= feaagKart1ev2aaatCvAUfeBSjuyZL2yd9gzLbvyNv2CaerbuLwBLn hiov2DGi1BTfMBaeXatLxBI9gBaerbujxzIv3yOvgDG00uaerbd9wD YLwzYbItLDharqqtubsr4rNCHbGeaGqkY=MjYJH8sqFD0xXdHaVhbb f9v8qqaqFr0xc9pk0xbba9q8WqFfea0=yr0RYxir=Jbba9q8aq0=yq =He9q8qqQ8frFve9Fve9Ff0dmeaabaqaciGacaGaaeaadaabaeaafa aakeaacaWGsbGaeyypa0Jaaeimaaaa@3ED2@ the transfer function is founded in the form

W( s )= Ξ 2 ( s )/ U( s ) = k 31 U / ( T t 2 s 2 +2 T t ξ t s+1 ) MathType@MTEF@5@5@+= feaagKart1ev2aaatCvAUfeBSjuyZL2yd9gzLbvyNv2CaerbuLwBLn hiov2DGi1BTfMBaeXatLxBI9gBaerbujxzIv3yOvgDG00uaerbd9wD YLwzYbItLDharqqtubsr4rNCHbGeaGqkY=MjYJH8sqFD0xXdHaVhbb f9v8qqaqFr0xc9pk0xbba9q8WqFfea0=yr0RYxir=Jbba9q8aq0=yq =He9q8qqQ8frFve9Fve9Ff0dmeaabaqaciGacaGaaeaadaabaeaafa aakeaacaWGxbWaaeWaaeaacaWGZbaacaGLOaGaayzkaaGaeyypa0Za aSGbaeaacqqHEoawdaWgaaWcbaGaaeOmaaqabaGcdaqadaqaaiaado haaiaawIcacaGLPaaaaeaacaWGvbWaaeWaaeaacaWGZbaacaGLOaGa ayzkaaaaaiabg2da9maalyaabaGaam4AamaaDaaaleaacaqGZaGaae ymaaqaaiaadwfaaaaakeaadaqadaqaaiaadsfalmaaDaaabaGaamiD aaqaaiaabkdaaaGccaWGZbWcdaahaaqabeaacaqGYaaaaOGaey4kaS IaaeOmaiaadsfalmaaBaaabaGaamiDaaqabaGccqaH+oaElmaaBaaa baGaamiDaaqabaGccaWGZbGaey4kaSIaaeymaaGaayjkaiaawMcaaa aaaaa@5CD7@
k 31 U = d 31 ( h/δ )/ ( 1+ C e / C 11 E ) MathType@MTEF@5@5@+= feaagKart1ev2aaatCvAUfeBSjuyZL2yd9gzLbvyNv2CaerbuLwBLn hiov2DGi1BTfMBaeXatLxBI9gBaerbujxzIv3yOvgDG00uaerbd9wD YLwzYbItLDharqqtubsr4rNCHbGeaGqkY=MjYJH8sqFD0xXdHaVhbb f9v8qqaqFr0xc9pk0xbba9q8WqFfea0=yr0RYxir=Jbba9q8aq0=yq =He9q8qqQ8frFve9Fve9Ff0dmeaabaqaciGacaGaaeaadaabaeaafa aakeaacaWGRbWaa0baaSqaaiaabodacaqGXaaabaGaamyvaaaakiab g2da9maalyaabaqcLbuacaWGKbWcdaWgaaqaaKqzadGaae4maiaabg daaSqabaGcdaqadaqaamaalyaabaGaamiAaaqaaiabes7aKbaaaiaa wIcacaGLPaaaaeaadaqadaqaaiaabgdacqGHRaWkdaWcgaqaaiaado eadaWgaaWcbaGaamyzaaqabaaakeaacaWGdbWaa0baaSqaaiaabgda caqGXaaabaGaamyraaaaaaaakiaawIcacaGLPaaaaaaaaa@51B9@

T t = M 2 / ( C e + C 11 E ) MathType@MTEF@5@5@+= feaagKart1ev2aaatCvAUfeBSjuyZL2yd9gzLbvyNv2CaerbuLwBLn hiov2DGi1BTfMBaeXatLxBI9gBaerbujxzIv3yOvgDG00uaerbd9wD YLwzYbItLDharqqtubsr4rNCHbGeaGqkY=MjYJH8sqFD0xXdHaVhbb f9v8qqaqFr0xc9pk0xbba9q8WqFfea0=yr0RYxir=Jbba9q8aq0=yq =He9q8qqQ8frFve9Fve9Ff0dmeaabaqaciGacaGaaeaadaabaeaafa aakeaacaWGubWaaSbaaSqaaiaadshaaeqaaOGaeyypa0ZaaOaaaeaa daWcgaqaaKqzafGaamytaOWaaSbaaSqaaiaabkdaaKqzafqabaaake aadaqadaqaaiaadoeadaWgaaWcbaGaamyzaaqabaGccqGHRaWkcaWG dbWcdaqhaaqaaKqzadGaaeymaiaabgdaaSqaaKqzadGaamyraaaaaO GaayjkaiaawMcaaaaaaSqabaaaaa@4C91@ , ω t =1/ T t MathType@MTEF@5@5@+= feaagKart1ev2aaatCvAUfeBSjuyZL2yd9gzLbvyNv2CaerbuLwBLn hiov2DGi1BTfMBaeXatLxBI9gBaerbujxzIv3yOvgDG00uaerbd9wD YLwzYbItLDharqqtubsr4rNCHbGeaGqkY=MjYJH8sqFD0xXdHaVhbb f9v8qqaqFr0xc9pk0xbba9q8WqFfea0=yr0RYxir=Jbba9q8aq0=yq =He9q8qqQ8frFve9Fve9Ff0dmeaabaqaciGacaGaaeaadaabaeaafa aakeaacqaHjpWDlmaaBaaabaGaamiDaaqabaGccqGH9aqpdaWcgaqa aiaabgdaaeaacaWGubWaaSbaaSqaaiaadshaaeqaaaaaaaa@430C@

At nano PZT engine M 2 MathType@MTEF@5@5@+= feaagKart1ev2aaatCvAUfeBSjuyZL2yd9gzLbvyNv2CaerbuLwBLn hiov2DGi1BTfMBaeXatLxBI9gBaerbujxzIv3yOvgDG00uaerbd9wD YLwzYbItLDharqqtubsr4rNCHbGeaGqkY=MjYJH8sqFD0xXdHaVhbb f9v8qqaqFr0xc9pk0xbba9q8WqFfea0=yr0RYxir=Jbba9q8aq0=yq =He9q8qqQ8frFve9Fve9Ff0dmeaabaqaciGacaGaaeaadaabaeaafa aakeaacaWGnbWaaSbaaSqaaiaabkdaaeqaaaaa@3DF5@ = 1 kg, C e MathType@MTEF@5@5@+= feaagKart1ev2aaatCvAUfeBSjuyZL2yd9gzLbvyNv2CaerbuLwBLn hiov2DGi1BTfMBaeXatLxBI9gBaerbujxzIv3yOvgDG00uaerbd9wD YLwzYbItLDharqqtubsr4rNCHbGeaGqkY=MjYJH8sqFD0xXdHaVhbb f9v8qqaqFr0xc9pk0xbba9q8WqFfea0=yr0RYxir=Jbba9q8aq0=yq =He9q8qqQ8frFve9Fve9Ff0dmeaabaqaciGacaGaaeaadaabaeaafa aakeaacaWGdbWcdaWgaaqaaiaadwgaaeqaaaaa@3E20@ = 0.4×107 N/m, C 11 E MathType@MTEF@5@5@+= feaagKart1ev2aaatCvAUfeBSjuyZL2yd9gzLbvyNv2CaerbuLwBLn hiov2DGi1BTfMBaeXatLxBI9gBaerbujxzIv3yOvgDG00uaerbd9wD YLwzYbItLDharqqtubsr4rNCHbGeaGqkY=MjYJH8sqFD0xXdHaVhbb f9v8qqaqFr0xc9pk0xbba9q8WqFfea0=yr0RYxir=Jbba9q8aq0=yq =He9q8qqQ8frFve9Fve9Ff0dmeaabaqaciGacaGaaeaadaabaeaafa aakeaacaWGdbWcdaqhaaqaaiaabgdacaqGXaaabaGaamyraaaaaaa@3F69@ = 1.2×107 N/m its parameters are determined T t MathType@MTEF@5@5@+= feaagKart1ev2aaatCvAUfeBSjuyZL2yd9gzLbvyNv2CaerbuLwBLn hiov2DGi1BTfMBaeXatLxBI9gBaerbujxzIv3yOvgDG00uaerbd9wD YLwzYbItLDharqqtubsr4rNCHbGeaGqkY=MjYJH8sqFD0xXdHaVhbb f9v8qqaqFr0xc9pk0xbba9q8WqFfea0=yr0RYxir=Jbba9q8aq0=yq =He9q8qqQ8frFve9Fve9Ff0dmeaabaqaciGacaGaaeaadaabaeaafa aakeaacaWGubWcdaWgaaqaaiaadshaaeqaaaaa@3E40@ = 0.25×10-3 s, ω t MathType@MTEF@5@5@+= feaagKart1ev2aaatCvAUfeBSjuyZL2yd9gzLbvyNv2CaerbuLwBLn hiov2DGi1BTfMBaeXatLxBI9gBaerbujxzIv3yOvgDG00uaerbd9wD YLwzYbItLDharqqtubsr4rNCHbGeaGqkY=MjYJH8sqFD0xXdHaVhbb f9v8qqaqFr0xc9pk0xbba9q8WqFfea0=yr0RYxir=Jbba9q8aq0=yq =He9q8qqQ8frFve9Fve9Ff0dmeaabaqaciGacaGaaeaadaabaeaafa aakeaacqaHjpWDlmaaBaaabaGaamiDaaqabaaaaa@3F34@ = 4×103 s-1.

At PZT drive d 31 MathType@MTEF@5@5@+= feaagKart1ev2aaatCvAUfeBSjuyZL2yd9gzLbvyNv2CaerbuLwBLn hiov2DGi1BTfMBaeXatLxBI9gBaerbujxzIv3yOvgDG00uaerbd9wD YLwzYbItLDharqqtubsr4rNCHbGeaGqkY=MjYJH8sqFD0xXdHaVhbb f9v8qqaqFr0xc9pk0xbba9q8WqFfea0=yr0RYxir=Jbba9q8aq0=yq =He9q8qqQ8frFve9Fve9Ff0dmeaabaqaciGacaGaaeaadaabaeaafa aakeaacaWGKbWcdaWgaaqaaiaabodacaqGXaaabeaaaaa@3EC1@ = 0.2∙nm/V, h/δ MathType@MTEF@5@5@+= feaagKart1ev2aaatCvAUfeBSjuyZL2yd9gzLbvyNv2CaerbuLwBLn hiov2DGi1BTfMBaeXatLxBI9gBaerbujxzIv3yOvgDG00uaerbd9wD YLwzYbItLDharqqtubsr4rNCHbGeaGqkY=MjYJH8sqFD0xXdHaVhbb f9v8qqaqFr0xc9pk0xbba9q8WqFfea0=yr0RYxir=Jbba9q8aq0=yq =He9q8qqQ8frFve9Fve9Ff0dmeaabaqaciGacaGaaeaadaabaeaafa aakeaadaWcgaqaaiaadIgaaeaacqaH0oazaaaaaa@3EEA@ = 20, C e / C 11 E MathType@MTEF@5@5@+= feaagKart1ev2aaatCvAUfeBSjuyZL2yd9gzLbvyNv2CaerbuLwBLn hiov2DGi1BTfMBaeXatLxBI9gBaerbujxzIv3yOvgDG00uaerbd9wD YLwzYbItLDharqqtubsr4rNCHbGeaGqkY=MjYJH8sqFD0xXdHaVhbb f9v8qqaqFr0xc9pk0xbba9q8WqFfea0=yr0RYxir=Jbba9q8aq0=yq =He9q8qqQ8frFve9Fve9Ff0dmeaabaqaciGacaGaaeaadaabaeaafa aakeaadaWcgaqaaiaadoealmaaBaaabaGaamyzaaqabaaakeaacaWG dbWcdaqhaaqaaiaabgdacaqGXaaabaGaamyraaaaaaaaaa@4167@ = 0.33 its transfer coefficient is founded k 31 U MathType@MTEF@5@5@+= feaagKart1ev2aaatCvAUfeBSjuyZL2yd9gzLbvyNv2CaerbuLwBLn hiov2DGi1BTfMBaeXatLxBI9gBaerbujxzIv3yOvgDG00uaerbd9wD YLwzYbItLDharqqtubsr4rNCHbGeaGqkY=MjYJH8sqFD0xXdHaVhbb f9v8qqaqFr0xc9pk0xbba9q8WqFfea0=yr0RYxir=Jbba9q8aq0=yq =He9q8qqQ8frFve9Fve9Ff0dmeaabaqaciGacaGaaeaadaabaeaafa aakeaacaWGRbWaa0baaSqaaiaabodacaqGXaaabaGaamyvaaaaaaa@3FA3@ = 3 nm/V.

Let us consider the scheme in general of the nano piezo engine for distributed parameters.

The scheme of nano engine is constructed by method mathematical physics with the equation of the reverse piezo effect and the equations forces in dynamics at the boundary conditions the differential equation of engine.

The ordinary differential equation of the nano piezo engine has form8–49

d 2 Ξ( x,s ) d x 2 γ 2 Ξ( x,s )=0 MathType@MTEF@5@5@+= feaagKart1ev2aaatCvAUfeBSjuyZL2yd9gzLbvyNv2CaerbuLwBLn hiov2DGi1BTfMBaeXatLxBI9gBaerbujxzIv3yOvgDG00uaerbd9wD YLwzYbItLDharqqtubsr4rNCHbGeaGqkY=MjYJH8sqFD0xXdHaVhbb f9v8qqaqFr0xc9pk0xbba9q8WqFfea0=yr0RYxir=Jbba9q8aq0=yq =He9q8qqQ8frFve9Fve9Ff0dmeaabaqaciGacaGaaeaadaabaeaafa aakeGabaaHmmaalaaabaGaamizamaaCaaabeWcbaGaaeOmaaaakiab f65aynaabmaabaGaamiEaiaacYcacaWGZbaacaGLOaGaayzkaaaaba GaamizaiaadIhalmaaCaaabeqaaiaabkdaaaaaaOGaeyOeI0Iaeq4S dC2aaWbaaSqabeaacaqGYaaaaOGaeuONdG1aaeWaaeaacaWG4bGaai ilaiaadohaaiaawIcacaGLPaaacqGH9aqpcaqGWaaaaa@5229@

here Ξ( x,s ) MathType@MTEF@5@5@+= feaagKart1ev2aaatCvAUfeBSjuyZL2yd9gzLbvyNv2CaerbuLwBLn hiov2DGi1BTfMBaeXatLxBI9gBaerbujxzIv3yOvgDG00uaerbd9wD YLwzYbItLDharqqtubsr4rNCHbGeaGqkY=MjYJH8sqFD0xXdHaVhbb f9v8qqaqFr0xc9pk0xbba9q8WqFfea0=yr0RYxir=Jbba9q8aq0=yq =He9q8qqQ8frFve9Fve9Ff0dmeaabaqaciGacaGaaeaadaabaeaafa aakeaacqqHEoawdaqadaqaaiaadIhacaGGSaGaam4CaaGaayjkaiaa wMcaaaaa@41F4@ , x MathType@MTEF@5@5@+= feaagKart1ev2aaatCvAUfeBSjuyZL2yd9gzLbvyNv2CaerbuLwBLn hiov2DGi1BTfMBaeXatLxBI9gBaerbujxzIv3yOvgDG00uaerbd9wD YLwzYbItLDharqqtubsr4rNCHbGeaGqkY=MjYJH8sqFD0xXdHaVhbb f9v8qqaqFr0xc9pk0xbba9q8WqFfea0=yr0RYxir=Jbba9q8aq0=yq =He9q8qqQ8frFve9Fve9Ff0dmeaabaqaciGacaGaaeaadaabaeaafa aakeaacaWG4baaaa@3D3F@ , s, γ MathType@MTEF@5@5@+= feaagKart1ev2aaatCvAUfeBSjuyZL2yd9gzLbvyNv2CaerbuLwBLn hiov2DGi1BTfMBaeXatLxBI9gBaerbujxzIv3yOvgDG00uaerbd9wD YLwzYbItLDharqqtubsr4rNCHbGeaGqkY=MjYJH8sqFD0xXdHaVhbb f9v8qqaqFr0xc9pk0xbba9q8WqFfea0=yr0RYxir=Jbba9q8aq0=yq =He9q8qqQ8frFve9Fve9Ff0dmeaabaqaciGacaGaaeaadaabaeaafa aakeaacqaHZoWzaaa@3DE9@  are the Laplace transform displacement, the coordinate, the parameter, the propagation coefficient and the general length l={ h, δ,b MathType@MTEF@5@5@+= feaagKart1ev2aaatCvAUfeBSjuyZL2yd9gzLbvyNv2CaerbuLwBLn hiov2DGi1BTfMBaeXatLxBI9gBaerbujxzIv3yOvgDG00uaerbd9wD YLwzYbItLDharqqtubsr4rNCHbGeaGqkY=MjYJH8sqFD0xXdHaVhbb f9v8qqaqFr0xc9pk0xbba9q8WqFfea0=yr0RYxir=Jbba9q8aq0=yq =He9q8qqQ8frFve9Fve9Ff0dmeaabaqaciGacaGaaeaadaabaeaafa aakeaacaWGSbGaeyypa0ZaaiqaaeaacaaMe8UaamiAaiaacYcaaiaa wUhaaiaaysW7cqaH0oazcaGGSaGaaGjbVlaadkgaaaa@48D3@ the nano piezo engine, For the nano piezo engine at x=0, MathType@MTEF@5@5@+= feaagKart1ev2aaatCvAUfeBSjuyZL2yd9gzLbvyNv2CaerbuLwBLn hiov2DGi1BTfMBaeXatLxBI9gBaerbujxzIv3yOvgDG00uaerbd9wD YLwzYbItLDharqqtubsr4rNCHbGeaGqkY=MjYJH8sqFD0xXdHaVhbb f9v8qqaqFr0xc9pk0xbba9q8WqFfea0=yr0RYxir=Jbba9q8aq0=yq =He9q8qqQ8frFve9Fve9Ff0dmeaabaqaciGacaGaaeaadaabaeaafa aakeaacaWG4bGaeyypa0JaaeimaiaabYcaaaa@3FA7@ Ξ( 0,s )= Ξ 1 ( s ) MathType@MTEF@5@5@+= feaagKart1ev2aaatCvAUfeBSjuyZL2yd9gzLbvyNv2CaerbuLwBLn hiov2DGi1BTfMBaeXatLxBI9gBaerbujxzIv3yOvgDG00uaerbd9wD YLwzYbItLDharqqtubsr4rNCHbGeaGqkY=MjYJH8sqFD0xXdHaVhbb f9v8qqaqFr0xc9pk0xbba9q8WqFfea0=yr0RYxir=Jbba9q8aq0=yq =He9q8qqQ8frFve9Fve9Ff0dmeaabaqaciGacaGaaeaadaabaeaafa aakeaacqqHEoawdaqadaqaaiaabcdacaGGSaGaam4CaaGaayjkaiaa wMcaaiabg2da9iabf65ayTWaaSbaaeaacaqGXaaabeaakmaabmaaba Gaam4CaaGaayjkaiaawMcaaaaa@479F@ and at x=l MathType@MTEF@5@5@+= feaagKart1ev2aaatCvAUfeBSjuyZL2yd9gzLbvyNv2CaerbuLwBLn hiov2DGi1BTfMBaeXatLxBI9gBaerbujxzIv3yOvgDG00uaerbd9wD YLwzYbItLDharqqtubsr4rNCHbGeaGqkY=MjYJH8sqFD0xXdHaVhbb f9v8qqaqFr0xc9pk0xbba9q8WqFfea0=yr0RYxir=Jbba9q8aq0=yq =He9q8qqQ8frFve9Fve9Ff0dmeaabaqaciGacaGaaeaadaabaeaafa aakeaacaWG4bGaeyypa0JaamiBaaaa@3F36@ , Ξ( l,s )= Ξ 2 ( s ). MathType@MTEF@5@5@+= feaagKart1ev2aaatCvAUfeBSjuyZL2yd9gzLbvyNv2CaerbuLwBLn hiov2DGi1BTfMBaeXatLxBI9gBaerbujxzIv3yOvgDG00uaerbd9wD YLwzYbItLDharqqtubsr4rNCHbGeaGqkY=MjYJH8sqFD0xXdHaVhbb f9v8qqaqFr0xc9pk0xbba9q8WqFfea0=yr0RYxir=Jbba9q8aq0=yq =He9q8qqQ8frFve9Fve9Ff0dmeaabaqaciGacaGaaeaadaabaeaafa aakeaacqqHEoawdaqadaqaaiaadYgacaGGSaGaam4CaaGaayjkaiaa wMcaaiabg2da9iabf65ayTWaaSbaaeaacaqGYaaabeaakmaabmaaba Gaam4CaaGaayjkaiaawMcaaiaac6caaaa@4890@

The solution of the ordinary differential equation has the form

Ξ( x,s )= { Ξ 1 ( s )sh[ ( lx )γ ]+ Ξ 2 ( s )sh( xγ ) }/ sh( lγ ) MathType@MTEF@5@5@+= feaagKart1ev2aaatCvAUfeBSjuyZL2yd9gzLbvyNv2CaerbuLwBLn hiov2DGi1BTfMBaeXatLxBI9gBaerbujxzIv3yOvgDG00uaerbd9wD YLwzYbItLDharqqtubsr4rNCHbGeaGqkY=MjYJH8sqFD0xXdHaVhbb f9v8qqaqFr0xc9pk0xbba9q8WqFfea0=yr0RYxir=Jbba9q8aq0=yq =He9q8qqQ8frFve9Fve9Ff0dmeaabaqaciGacaGaaeaadaabaeaafa aakeaacqqHEoawdaqadaqaaiaadIhacaGGSaGaam4CaaGaayjkaiaa wMcaaiabg2da9maalyaabaWaaiWaaeaacqqHEoawdaWgaaWcbaGaae ymaaqabaGcdaqadaqaaiaadohaaiaawIcacaGLPaaacaqGZbGaaeiA amaadmaabaWaaeWaaeaacaWGSbGaeyOeI0IaamiEaaGaayjkaiaawM caaiabeo7aNbGaay5waiaaw2faaiabgUcaRiabf65aynaaBaaaleaa caqGYaaabeaakmaabmaabaGaam4CaaGaayjkaiaawMcaaiaabohaca qGObWaaeWaaeaacaWG4bGaeq4SdCgacaGLOaGaayzkaaaacaGL7bGa ayzFaaaabaGaae4CaiaabIgadaqadaqaaiaadYgacqaHZoWzaiaawI cacaGLPaaaaaaaaa@65F0@

and the boundary conditions are determined

T j ( 0,s )= 1 s ij Ψ dΞ( x,s ) dx | x=0 ν mi s ij Ψ Ψ m ( s ) MathType@MTEF@5@5@+= feaagKart1ev2aaatCvAUfeBSjuyZL2yd9gzLbvyNv2CaerbuLwBLn hiov2DGi1BTfMBaeXatLxBI9gBaerbujxzIv3yOvgDG00uaerbd9wD YLwzYbItLDharqqtubsr4rNCHbGeaGqkY=MjYJH8sqFD0xXdHaVhbb f9v8qqaqFr0xc9pk0xbba9q8WqFfea0=yr0RYxir=Jbba9q8aq0=yq =He9q8qqQ8frFve9Fve9Ff0dmeaabaqaciGacaGaaeaadaabaeaafa aakeaacaWGubWaaSbaaSqaaiaadQgaaeqaaOWaaeWaaeaacaqGWaGa aiilaiaadohaaiaawIcacaGLPaaacqGH9aqpdaWcaaqaaiaabgdaae aacaWGZbWaa0baaSqaaiaadMgacaWGQbaabaGaeuiQdKfaaaaakmaa eiaabaWaaSaaaeaacaqGKbGaeuONdG1aaeWaaeaacaWG4bGaaiilai aadohaaiaawIcacaGLPaaaaeaacaqGKbGaamiEaaaaaiaawIa7amaa BaaaleaacaWG4bGaeyypa0JaaeimaaqabaGccqGHsisldaWcaaqaai abe27aUnaaBaaaleaacaWGTbGaamyAaaqabaaakeaacaWGZbWaa0ba aSqaaiaadMgacaWGQbaabaGaeuiQdKfaaaaakiabfI6aznaaBaaale aacaWGTbaabeaakmaabmaabaGaam4CaaGaayjkaiaawMcaaaaa@6436@
T j ( l,s )= 1 s ij Ψ dΞ( x,s ) dx | x=l ν mi s ij Ψ Ψ m ( s ) MathType@MTEF@5@5@+= feaagKart1ev2aaatCvAUfeBSjuyZL2yd9gzLbvyNv2CaerbuLwBLn hiov2DGi1BTfMBaeXatLxBI9gBaerbujxzIv3yOvgDG00uaerbd9wD YLwzYbItLDharqqtubsr4rNCHbGeaGqkY=MjYJH8sqFD0xXdHaVhbb f9v8qqaqFr0xc9pk0xbba9q8WqFfea0=yr0RYxir=Jbba9q8aq0=yq =He9q8qqQ8frFve9Fve9Ff0dmeaabaqaciGacaGaaeaadaabaeaafa aakeaacaWGubWaaSbaaSqaaiaadQgaaeqaaOWaaeWaaeaacaWGSbGa aiilaiaadohaaiaawIcacaGLPaaacqGH9aqpdaWcaaqaaiaabgdaae aacaWGZbWaa0baaSqaaiaadMgacaWGQbaabaGaeuiQdKfaaaaakmaa eiaabaWaaSaaaeaacaqGKbGaeuONdG1aaeWaaeaacaWG4bGaaiilai aadohaaiaawIcacaGLPaaaaeaacaqGKbGaamiEaaaaaiaawIa7amaa BaaaleaacaWG4bGaeyypa0JaamiBaaqabaGccqGHsisldaWcaaqaai abe27aUnaaBaaaleaacaWGTbGaamyAaaqabaaakeaacaWGZbWaa0ba aSqaaiaadMgacaWGQbaabaGaeuiQdKfaaaaakiabfI6aznaaBaaale aacaWGTbaabeaakmaabmaabaGaam4CaaGaayjkaiaawMcaaaaa@64B2@

The Laplace transform of the general force of the nano piezo engine has the form

F( s )= ν mi Ψ m ( s )/ χ ij Ψ MathType@MTEF@5@5@+= feaagKart1ev2aaatCvAUfeBSjuyZL2yd9gzLbvyNv2CaerbuLwBLn hiov2DGi1BTfMBaeXatLxBI9gBaerbujxzIv3yOvgDG00uaerbd9wD YLwzYbItLDharqqtubsr4rNCHbGeaGqkY=MjYJH8sqFD0xXdHaVhbb f9v8qqaqFr0xc9pk0xbba9q8WqFfea0=yr0RYxir=Jbba9q8aq0=yq =He9q8qqQ8frFve9Fve9Ff0dmeaabaqaciGacaGaaeaadaabaeaafa aakeaacaWGgbWaaeWaaeaacaWGZbaacaGLOaGaayzkaaGaeyypa0Za aSGbaeaacqaH9oGBdaWgaaWcbaGaamyBaiaadMgaaOqabaGaeuiQdK 1cdaWgaaqaaiaad2gaaeqaaOWaaeWaaeaacaWGZbaacaGLOaGaayzk aaaabaGaeq4Xdm2aa0baaSqaaiaadMgacaWGQbaabaGaeuiQdKfaaa aaaaa@4F00@

here χ ij Ψ = s ij Ψ / S 0 . MathType@MTEF@5@5@+= feaagKart1ev2aaatCvAUfeBSjuyZL2yd9gzLbvyNv2CaerbuLwBLn hiov2DGi1BTfMBaeXatLxBI9gBaerbujxzIv3yOvgDG00uaerbd9wD YLwzYbItLDharqqtubsr4rNCHbGeaGqkY=MjYJH8sqFD0xXdHaVhbb f9v8qqaqFr0xc9pk0xbba9q8WqFfea0=yr0RYxir=Jbba9q8aq0=yq =He9q8qqQ8frFve9Fve9Ff0dmeaabaqaciGacaGaaeaadaabaeaafa aakeaacqaHhpWydaqhaaWcbaGaamyAaiaadQgaaeaacqqHOoqwaaGc cqGH9aqpdaWcgaqaaiaadohadaqhaaWcbaGaamyAaiaadQgaaeaacq qHOoqwaaaakeaacaWGtbWaaSbaaSqaaiaabcdaaeqaaaaakiaac6ca aaa@49C6@

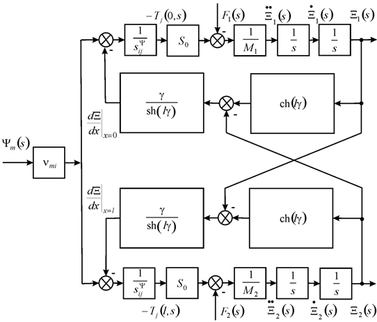
The general scheme and model for distributed parameters of the engine on Figure 2 are determined at voltage or current control

Figure 2 General scheme for distributed parameters nano piezo engine.

Ξ 1 ( s )= ( M 1 s 2 ) 1 { F 1 ( s )+ ( χ ij Ψ ) 1 ×[ ν mi Ψ m ( s )[ γ/ sh( lγ ) ] ×[ ch( lγ ) Ξ 1 ( s ) Ξ 2 ( s ) ] ] } MathType@MTEF@5@5@+= feaagKart1ev2aaatCvAUfeBSjuyZL2yd9gzLbvyNv2CaerbuLwBLn hiov2DGi1BTfMBaeXatLxBI9gBaerbujxzIv3yOvgDG00uaerbd9wD YLwzYbItLDharqqtubsr4rNCHbGeaGqkY=MjYJH8sqFD0xXdHaVhbb f9v8qqaqFr0xc9pk0xbba9q8WqFfea0=yr0RYxir=Jbba9q8aq0=yq =He9q8qqQ8frFve9Fve9Ff0dmeaabaqaciGacaGaaeaadaabaeaafa aakeaacqqHEoawdaWgaaWcbaGaaeymaaqabaGcdaqadaqaaiaadoha aiaawIcacaGLPaaacqGH9aqpdaqadaqaaiaad2eadaWgaaWcbaGaae ymaaqabaGccaWGZbWaaWbaaSqabeaacaqGYaaaaaGccaGLOaGaayzk aaWaaWbaaSqabeaacqGHsislcaqGXaaaaOWaaiWaaqaabeqaaiabgk HiTiaadAeadaWgaaWcbaGaaeymaaqabaGcdaqadaqaaiaadohaaiaa wIcacaGLPaaacqGHRaWkdaqadaqaaiabeE8aJnaaDaaaleaacaWGPb GaamOAaaqaaiabfI6azbaaaOGaayjkaiaawMcaamaaCaaaleqabaGa eyOeI0IaaeymaaaaaOqaaiabgEna0oaadmaaeaqabeaacaqG9oWaaS baaSqaaiaad2gacaWGPbaabeaakiabfI6aznaaBaaaleaacaWGTbaa beaakmaabmaabaGaam4CaaGaayjkaiaawMcaaiabgkHiTmaadmaaba WaaSGbaeaacqaHZoWzaeaacaqGZbGaaeiAamaabmaabaGaamiBaiab eo7aNbGaayjkaiaawMcaaaaaaiaawUfacaGLDbaaaeaacqGHxdaTda WadaqaaiaabogacaqGObWaaeWaaeaacaWGSbGaeq4SdCgacaGLOaGa ayzkaaGaeuONdG1aaSbaaSqaaiaabgdaaeqaaOWaaeWaaeaacaWGZb aacaGLOaGaayzkaaGaeyOeI0IaeuONdG1aaSbaaSqaaiaabkdaaeqa aOWaaeWaaeaacaWGZbaacaGLOaGaayzkaaaacaGLBbGaayzxaaaaai aawUfacaGLDbaaaaGaay5Eaiaaw2haaaaa@8636@ Ξ 2 ( s )= ( M 2 s 2 ) 1 { F 2 ( s )+ ( χ ij Ψ ) 1 ×[ ν mi Ψ m ( s )[ γ/ sh( lγ ) ] ×[ ch( lγ ) Ξ 2 ( s ) Ξ 1 ( s ) ] ] } MathType@MTEF@5@5@+= feaagKart1ev2aaatCvAUfeBSjuyZL2yd9gzLbvyNv2CaerbuLwBLn hiov2DGi1BTfMBaeXatLxBI9gBaerbujxzIv3yOvgDG00uaerbd9wD YLwzYbItLDharqqtubsr4rNCHbGeaGqkY=MjYJH8sqFD0xXdHaVhbb f9v8qqaqFr0xc9pk0xbba9q8WqFfea0=yr0RYxir=Jbba9q8aq0=yq =He9q8qqQ8frFve9Fve9Ff0dmeaabaqaciGacaGaaeaadaabaeaafa aakeaacqqHEoawlmaaBaaabaGaaeOmaaqabaGcdaqadaqaaiaadoha aiaawIcacaGLPaaacqGH9aqpdaqadaqaaiaad2eadaWgaaWcbaGaae OmaaqabaGccaWGZbWaaWbaaSqabeaacaqGYaaaaaGccaGLOaGaayzk aaWaaWbaaSqabeaacqGHsislcaqGXaaaaOWaaiWaaqaabeqaaiabgk HiTiaadAealmaaBaaabaGaaeOmaaqabaGcdaqadaqaaiaadohaaiaa wIcacaGLPaaacqGHRaWkdaqadaqaaiabeE8aJnaaDaaaleaacaWGPb GaamOAaaqaaiabfI6azbaaaOGaayjkaiaawMcaamaaCaaaleqabaGa eyOeI0IaaeymaaaaaOqaaiabgEna0oaadmaaeaqabeaacaqG9oWaaS baaSqaaiaad2gacaWGPbaabeaakiabfI6aznaaBaaaleaacaWGTbaa beaakmaabmaabaGaam4CaaGaayjkaiaawMcaaiabgkHiTmaadmaaba WaaSGbaeaacqaHZoWzaeaacaqGZbGaaeiAamaabmaabaGaamiBaiab eo7aNbGaayjkaiaawMcaaaaaaiaawUfacaGLDbaaaeaacqGHxdaTda WadaqaaiaabogacaqGObWaaeWaaeaacaWGSbGaeq4SdCgacaGLOaGa ayzkaaGaeuONdG1aaSbaaSqaaiaabkdaaeqaaOWaaeWaaeaacaWGZb aacaGLOaGaayzkaaGaeyOeI0IaeuONdG1aaSbaaSqaaiaabgdaaeqa aOWaaeWaaeaacaWGZbaacaGLOaGaayzkaaaacaGLBbGaayzxaaaaai aawUfacaGLDbaaaaGaay5Eaiaaw2haaaaa@8639@

here v mi ={ d 33 , d 31 , d 15 g 33 , g 31 , g 15 MathType@MTEF@5@5@+= feaagKart1ev2aaatCvAUfeBSjuyZL2yd9gzLbvyNv2CaerbuLwBLn hiov2DGi1BTfMBaeXatLxBI9gBaerbujxzIv3yOvgDG00uaerbd9wD YLwzYbItLDharqqtubsr4rNCHbGeaGqkY=MjYJH8sqFD0xXdHaVhbb f9v8qqaqFr0xc9pk0xbba9q8WqFfea0=yr0RYxir=Jbba9q8aq0=yq =He9q8qqQ8frFve9Fve9Ff0dmeaabaqaciGacaGaaeaadaabaeaafa aakeaacaWG2bWaaSbaaSqaaiaad2gacaWGPbaabeaakiabg2da9maa ceaabaqbaeqabiqaaaqaaiaadsgadaWgaaWcbaGaae4maiaabodaae qaaOGaaiilaiaadsgadaWgaaWcbaGaae4maiaabgdaaeqaaOGaaiil aiaadsgadaWgaaWcbaGaaeymaiaabwdaaeqaaaGcbaGaam4zamaaBa aaleaacaqGZaGaae4maaqabaGccaGGSaGaam4zamaaBaaaleaacaqG ZaGaaeymaaqabaGccaGGSaGaam4zamaaBaaaleaacaqGXaGaaeynaa qabaaaaaGccaGL7baaaaa@5387@ , Ψ m ={ E 3 , E 3 , E 1 D 3 , D 3 , D 1 MathType@MTEF@5@5@+= feaagKart1ev2aaatCvAUfeBSjuyZL2yd9gzLbvyNv2CaerbuLwBLn hiov2DGi1BTfMBaeXatLxBI9gBaerbujxzIv3yOvgDG00uaerbd9wD YLwzYbItLDharqqtubsr4rNCHbGeaGqkY=MjYJH8sqFD0xXdHaVhbb f9v8qqaqFr0xc9pk0xbba9q8WqFfea0=yr0RYxir=Jbba9q8aq0=yq =He9q8qqQ8frFve9Fve9Ff0dmeaabaqaciGacaGaaeaadaabaeaafa aakeaacqqHOoqwdaWgaaWcbaGaamyBaaqabaGccqGH9aqpdaGabaqa auaabeqaceaaaeaacaWGfbWaaSbaaSqaaiaabodaaeqaaOGaaiilai aadweadaWgaaWcbaGaae4maaqabaGccaGGSaGaamyramaaBaaaleaa caqGXaaabeaaaOqaaiaadseadaWgaaWcbaGaae4maaqabaGccaGGSa GaamiramaaBaaaleaacaqGZaaabeaakiaacYcacaWGebWaaSbaaSqa aiaabgdaaeqaaaaaaOGaay5Eaaaaaa@4E23@

s ij Ψ ={ s 33 E , s 11 E , s 55 E s 33 D , s 11 D , s 55 D MathType@MTEF@5@5@+= feaagKart1ev2aaatCvAUfeBSjuyZL2yd9gzLbvyNv2CaerbuLwBLn hiov2DGi1BTfMBaeXatLxBI9gBaerbujxzIv3yOvgDG00uaerbd9wD YLwzYbItLDharqqtubsr4rNCHbGeaGqkY=MjYJH8sqFD0xXdHaVhbb f9v8qqaqFr0xc9pk0xbba9q8WqFfea0=yr0RYxir=Jbba9q8aq0=yq =He9q8qqQ8frFve9Fve9Ff0dmeaabaqaciGacaGaaeaadaabaeaafa aakeaacaWGZbWaa0baaSqaaiaadMgacaWGQbaabaGaeuiQdKfaaOGa eyypa0ZaaiqaaeaafaqabeGabaaabaGaam4CamaaDaaaleaacaqGZa Gaae4maaqaaiaadweaaaGccaGGSaGaam4CamaaDaaaleaacaqGXaGa aeymaaqaaiaadweaaaGccaGGSaGaam4CamaaDaaaleaacaqG1aGaae ynaaqaaiaadweaaaaakeaacaWGZbWaa0baaSqaaiaabodacaqGZaaa baGaamiraaaakiaacYcacaWGZbWaa0baaSqaaiaabgdacaqGXaaaba GaamiraaaakiaacYcacaWGZbWaa0baaSqaaiaabwdacaqG1aaabaGa amiraaaaaaaakiaawUhaaaaa@5A25@ , γ={ γ E , γ D MathType@MTEF@5@5@+= feaagKart1ev2aaatCvAUfeBSjuyZL2yd9gzLbvyNv2CaerbuLwBLn hiov2DGi1BTfMBaeXatLxBI9gBaerbujxzIv3yOvgDG00uaerbd9wD YLwzYbItLDharqqtubsr4rNCHbGeaGqkY=MjYJH8sqFD0xXdHaVhbb f9v8qqaqFr0xc9pk0xbba9q8WqFfea0=yr0RYxir=Jbba9q8aq0=yq =He9q8qqQ8frFve9Fve9Ff0dmeaabaqaciGacaGaaeaadaabaeaafa aakeaacqaHZoWzcqGH9aqpdaGabaqaaiabeo7aNnaaCaaaleqabaGa amyraaaakiaacYcacaaMe8Uaeq4SdC2aaWbaaSqabeaacaWGebaaaa GccaGL7baaaaa@4795@ , c Ψ ={ c E , c D MathType@MTEF@5@5@+= feaagKart1ev2aaatCvAUfeBSjuyZL2yd9gzLbvyNv2CaerbuLwBLn hiov2DGi1BTfMBaeXatLxBI9gBaerbujxzIv3yOvgDG00uaerbd9wD YLwzYbItLDharqqtubsr4rNCHbGeaGqkY=MjYJH8sqFD0xXdHaVhbb f9v8qqaqFr0xc9pk0xbba9q8WqFfea0=yr0RYxir=Jbba9q8aq0=yq =He9q8qqQ8frFve9Fve9Ff0dmeaabaqaciGacaGaaeaadaabaeaafa aakeaacaWGJbWaaWbaaSqabeaacqqHOoqwaaGccqGH9aqpdaGabaqa aiaaysW7caWGJbWaaWbaaSqabeaacaWGfbaaaOGaaiilaiaaysW7ca WGJbWaaWbaaSqabeaacaWGebaaaaGccaGL7baaaaa@48AB@

The general scheme for distributed parameters of the nano engine on Figure 2 is used in applied bionics and biomechanics.

The displacement matrix has the form

( Ξ 1 ( s ) Ξ 2 ( s ) )=( W( s ) )( Ψ m ( s ) F 1 ( s ) F 2 ( s ) ) MathType@MTEF@5@5@+= feaagKart1ev2aaatCvAUfeBSjuyZL2yd9gzLbvyNv2CaerbuLwBLn hiov2DGi1BTfMBaeXatLxBI9gBaerbujxzIv3yOvgDG00uaerbd9wD YLwzYbItLDharqqtubsr4rNCHbGeaGqkY=MjYJH8sqFD0xXdHaVhbb f9v8qqaqFr0xc9pk0xbba9q8WqFfea0=yr0RYxir=Jbba9q8aq0=yq =He9q8qqQ8frFve9Fve9Ff0dmeaabaqaciGacaGaaeaadaabaeaafa aakeaadaqadaqaauaabeqaceaaaeaacqqHEoawdaWgaaWcbaGaaeym aaqabaGcdaqadaqaaiaadohaaiaawIcacaGLPaaaaeaacqqHEoawda WgaaWcbaGaaeOmaaqabaGcdaqadaqaaiaadohaaiaawIcacaGLPaaa aaaacaGLOaGaayzkaaGaeyypa0ZaaeWaaeaacaWGxbWaaeWaaeaaca WGZbaacaGLOaGaayzkaaaacaGLOaGaayzkaaGaaGjbVpaabmaabaqb aeqabmqaaaqaaiabfI6aznaaBaaaleaacaWGTbaabeaakmaabmaaba Gaam4CaaGaayjkaiaawMcaaaqaaiaadAeadaWgaaWcbaGaaeymaaqa baGcdaqadaqaaiaadohaaiaawIcacaGLPaaaaeaacaWGgbWaaSbaaS qaaiaabkdaaeqaaOWaaeWaaeaacaWGZbaacaGLOaGaayzkaaaaaaGa ayjkaiaawMcaaaaa@5E6D@
( W( s ) )=( W 11 ( s ) W 12 ( s ) W 13 ( s ) W 21 ( s ) W 22 ( s ) W 23 ( s ) ) MathType@MTEF@5@5@+= feaagKart1ev2aaatCvAUfeBSjuyZL2yd9gzLbvyNv2CaerbuLwBLn hiov2DGi1BTfMBaeXatLxBI9gBaerbujxzIv3yOvgDG00uaerbd9wD YLwzYbItLDharqqtubsr4rNCHbGeaGqkY=MjYJH8sqFD0xXdHaVhbb f9v8qqaqFr0xc9pk0xbba9q8WqFfea0=yr0RYxir=Jbba9q8aq0=yq =He9q8qqQ8frFve9Fve9Ff0dmeaabaqaciGacaGaaeaadaabaeaafa aakeaadaqadaqaaiaadEfadaqadaqaaiaadohaaiaawIcacaGLPaaa aiaawIcacaGLPaaacqGH9aqpdaqadaqaauaabeqaceaaaeaafaqabe qadaaabaGaam4vamaaBaaaleaacaqGXaGaaeymaaqabaGcdaqadaqa aiaadohaaiaawIcacaGLPaaaaeaacaWGxbWaaSbaaSqaaiaabgdaca qGYaaabeaakmaabmaabaGaam4CaaGaayjkaiaawMcaaaqaaiaadEfa daWgaaWcbaGaaeymaiaabodaaeqaaOWaaeWaaeaacaWGZbaacaGLOa GaayzkaaaaaaqaauaabeqabmaaaeaacaWGxbWaaSbaaSqaaiaabkda caqGXaaabeaakmaabmaabaGaam4CaaGaayjkaiaawMcaaaqaaiaadE fadaWgaaWcbaGaaeOmaiaabkdaaeqaaOWaaeWaaeaacaWGZbaacaGL OaGaayzkaaaabaGaam4vamaaBaaaleaacaqGYaGaae4maaqabaGcda qadaqaaiaadohaaiaawIcacaGLPaaaaaaaaaGaayjkaiaawMcaaaaa @61CD@

with the transfer functions in the form

W 11 ( s )= Ξ 1 ( s )/ Ψ m ( s ) = ν mi [ M 2 χ ij Ψ s 2 +γth( lγ/2 ) ]/A ij MathType@MTEF@5@5@+= feaagKart1ev2aaatCvAUfeBSjuyZL2yd9gzLbvyNv2CaerbuLwBLn hiov2DGi1BTfMBaeXatLxBI9gBaerbujxzIv3yOvgDG00uaerbd9wD YLwzYbItLDharqqtubsr4rNCHbGeaGqkY=MjYJH8sqFD0xXdHaVhbb f9v8qqaqFr0xc9pk0xbba9q8WqFfea0=yr0RYxir=Jbba9q8aq0=yq =He9q8qqQ8frFve9Fve9Ff0dmeaabaqaciGacaGaaeaadaabaeaafa aakeaacaWGxbWcdaWgaaqaaiaabgdacaqGXaaabeaakmaabmaabaGa am4CaaGaayjkaiaawMcaaiabg2da9maalyaabaGaeuONdG1cdaWgaa qaaiaabgdaaeqaaOWaaeWaaeaacaWGZbaacaGLOaGaayzkaaaabaGa euiQdK1aaSbaaSqaaiaad2gaaOqabaWaaeWaaeaacaWGZbaacaGLOa Gaayzkaaaaaiabg2da9maalyaabaGaaeyVdmaaBaaaleaacaWGTbGa amyAaaqabaGcdaWadaqaaiaad2ealmaaBaaabaGaaeOmaaqabaGccq aHhpWylmaaDaaabaGaamyAaiaadQgaaeaacqqHOoqwaaGccaWGZbWc daahaaqabeaacaqGYaaaaOGaey4kaSIaeq4SdCMaaeiDaiaabIgada qadaqaamaalyaabaGaamiBaiabeo7aNbqaaiaabkdaaaaacaGLOaGa ayzkaaaacaGLBbGaayzxaaaabaGaamyqaaaalmaaBaaabaGaamyAai aadQgaaeqaaaaa@6808@ W 12 ( s )= Ξ 1 ( s )/ F 1 ( s ) = χ ij Ψ [ M 2 χ ij Ψ s 2 +γ/ th( lγ ) ]/A ij MathType@MTEF@5@5@+= feaagKart1ev2aaatCvAUfeBSjuyZL2yd9gzLbvyNv2CaerbuLwBLn hiov2DGi1BTfMBaeXatLxBI9gBaerbujxzIv3yOvgDG00uaerbd9wD YLwzYbItLDharqqtubsr4rNCHbGeaGqkY=MjYJH8sqFD0xXdHaVhbb f9v8qqaqFr0xc9pk0xbba9q8WqFfea0=yr0RYxir=Jbba9q8aq0=yq =He9q8qqQ8frFve9Fve9Ff0dmeaabaqaciGacaGaaeaadaabaeaafa aakeaacaWGxbWaaSbaaSqaaiaabgdacaqGYaaabeaakmaabmaabaGa am4CaaGaayjkaiaawMcaaiabg2da9maalyaabaGaeuONdG1aaSbaaS qaaiaabgdaaeqaaOWaaeWaaeaacaWGZbaacaGLOaGaayzkaaaabaGa amOramaaBaaaleaacaqGXaaabeaakmaabmaabaGaam4CaaGaayjkai aawMcaaaaacqGH9aqpcqGHsisldaWcgaqaaiabeE8aJTWaa0baaeaa caWGPbGaamOAaaqaaiabfI6azbaakmaadmaabaGaamytamaaBaaale aacaqGYaaabeaakiabeE8aJTWaa0baaeaacaWGPbGaamOAaaqaaiab fI6azbaakiaadohalmaaCaaabeqaaiaabkdaaaGccqGHRaWkdaWcga qaaiabeo7aNbqaaiaabshacaqGObWaaeWaaeaacaWGSbGaeq4SdCga caGLOaGaayzkaaaaaaGaay5waiaaw2faaaqaaiaadgeaaaWaaSbaaS qaaiaadMgacaWGQbaabeaaaaa@6940@ W 13 ( s )= Ξ 1 ( s )/ F 2 ( s ) = W 22 ( s )= Ξ 2 ( s )/ F 1 ( s ) = [ χ ij Ψ γ/ sh( lγ ) ]/A ij MathType@MTEF@5@5@+= feaagKart1ev2aaatCvAUfeBSjuyZL2yd9gzLbvyNv2CaerbuLwBLn hiov2DGi1BTfMBaeXatLxBI9gBaerbujxzIv3yOvgDG00uaerbd9wD YLwzYbItLDharqqtubsr4rNCHbGeaGqkY=MjYJH8sqFD0xXdHaVhbb f9v8qqaqFr0xc9pk0xbba9q8WqFfea0=yr0RYxir=Jbba9q8aq0=yq =He9q8qqQ8frFve9Fve9Ff0dmeaabaqaciGacaGaaeaadaabaeaafa aakeaacaWGxbWaaSbaaSqaaiaabgdacaqGZaaabeaakmaabmaabaGa am4CaaGaayjkaiaawMcaaiabg2da9maalyaabaGaeuONdG1aaSbaaS qaaiaabgdaaeqaaOWaaeWaaeaacaWGZbaacaGLOaGaayzkaaaabaGa amOramaaBaaaleaacaqGYaaabeaakmaabmaabaGaam4CaaGaayjkai aawMcaaaaacqGH9aqpcaWGxbWaaSbaaSqaaiaabkdacaqGYaaabeaa kmaabmaabaGaam4CaaGaayjkaiaawMcaaiabg2da9maalyaabaGaeu ONdG1aaSbaaSqaaiaabkdaaeqaaOWaaeWaaeaacaWGZbaacaGLOaGa ayzkaaaabaGaamOramaaBaaaleaacaqGXaaabeaakmaabmaabaGaam 4CaaGaayjkaiaawMcaaaaacqGH9aqpdaWcgaqaamaadmaabaWaaSGb aeaacqaHhpWylmaaDaaabaGaamyAaiaadQgaaeaacqqHOoqwaaGccq aHZoWzaeaacaqGZbGaaeiAamaabmaabaGaamiBaiabeo7aNbGaayjk aiaawMcaaaaaaiaawUfacaGLDbaaaeaacaWGbbaaamaaBaaaleaaca WGPbGaamOAaaqabaaaaa@6EBC@ W 23 ( s )= Ξ 2 ( s )/ F 2 ( s ) = χ ij Ψ [ M 1 χ ij Ψ s 2 +γ/ th( lγ ) ]/A ij MathType@MTEF@5@5@+= feaagKart1ev2aaatCvAUfeBSjuyZL2yd9gzLbvyNv2CaerbuLwBLn hiov2DGi1BTfMBaeXatLxBI9gBaerbujxzIv3yOvgDG00uaerbd9wD YLwzYbItLDharqqtubsr4rNCHbGeaGqkY=MjYJH8sqFD0xXdHaVhbb f9v8qqaqFr0xc9pk0xbba9q8WqFfea0=yr0RYxir=Jbba9q8aq0=yq =He9q8qqQ8frFve9Fve9Ff0dmeaabaqaciGacaGaaeaadaabaeaafa aakeaacaWGxbWaaSbaaSqaaiaabkdacaqGZaaabeaakmaabmaabaGa am4CaaGaayjkaiaawMcaaiabg2da9maalyaabaGaeuONdG1aaSbaaS qaaiaabkdaaeqaaOWaaeWaaeaacaWGZbaacaGLOaGaayzkaaaabaGa amOramaaBaaaleaacaqGYaaabeaakmaabmaabaGaam4CaaGaayjkai aawMcaaaaacqGH9aqpcqGHsisldaWcgaqaaiabeE8aJTWaa0baaeaa caWGPbGaamOAaaqaaiabfI6azbaakmaadmaabaGaamytamaaBaaale aacaqGXaaabeaakiabeE8aJTWaa0baaeaacaWGPbGaamOAaaqaaiab fI6azbaakiaadohadaahaaWcbeqaaiaabkdaaaGccqGHRaWkdaWcga qaaiabeo7aNbqaaiaabshacaqGObWaaeWaaeaacaWGSbGaeq4SdCga caGLOaGaayzkaaaaaaGaay5waiaaw2faaaqaaiaadgeaaaWaaSbaaS qaaiaadMgacaWGQbaabeaaaaa@6943@

here A ij = M 1 M 2 ( χ ij Ψ ) 2 s 4 +{ ( M 1 + M 2 ) χ ij Ψ / [ c Ψ th( lγ ) ] } s 3 + +[ ( M 1 + M 2 ) χ ij Ψ α/ th( lγ ) +1/ ( c Ψ ) 2 ] s 2 + 2αs/ c Ψ + α 2 MathType@MTEF@5@5@+= feaagKart1ev2aaatCvAUfeBSjuyZL2yd9gzLbvyNv2CaerbuLwBLn hiov2DGi1BTfMBaeXatLxBI9gBaerbujxzIv3yOvgDG00uaerbd9wD YLwzYbItLDharqqtubsr4rNCHbGeaGqkY=MjYJH8sqFD0xXdHaVhbb f9v8qqaqFr0xc9pk0xbba9q8WqFfea0=yr0RYxir=Jbba9q8aq0=yq =He9q8qqQ8frFve9Fve9Ff0dmeaabaqaciGacaGaaeaadaabaeaafa aakqaabeqaaiaadgealmaaBaaabaGaamyAaiaadQgaaeqaaOGaeyyp a0JaamytaSWaaSbaaeaacaqGXaaabeaakiaad2ealmaaBaaabaGaae OmaaqabaGcdaqadaqaaiabeE8aJTWaa0baaeaacaWGPbGaamOAaaqa aiabfI6azbaaaOGaayjkaiaawMcaaSWaaWbaaeqabaGaaeOmaaaaki aadohalmaaCaaabeqaaiaabsdaaaGccqGHRaWkdaGadaqaamaalyaa baWaaeWaaeaacaWGnbWcdaWgaaqaaiaabgdaaeqaaOGaey4kaSIaam ytaSWaaSbaaeaacaqGYaaabeaaaOGaayjkaiaawMcaaiabeE8aJTWa a0baaeaacaWGPbGaamOAaaqaaiabfI6azbaaaOqaamaadmaabaGaam 4yamaaCaaabeWcbaGaeuiQdKfaaOGaaeiDaiaabIgadaqadaqaaiaa dYgacqaHZoWzaiaawIcacaGLPaaaaiaawUfacaGLDbaaaaaacaGL7b GaayzFaaGaam4CaSWaaWbaaeqabaGaae4maaaakiabgUcaRaqaaiab gUcaRmaadmaabaWaaSGbaeaadaqadaqaaiaad2ealmaaBaaabaGaae ymaaqabaGccqGHRaWkcaWGnbWcdaWgaaqaaiaabkdaaeqaaaGccaGL OaGaayzkaaGaeq4Xdm2cdaqhaaqaaiaadMgacaWGQbaabaGaeuiQdK faaOGaeqySdegabaGaaeiDaiaabIgadaqadaqaaiaadYgacqaHZoWz aiaawIcacaGLPaaaaaGaey4kaSYaaSGbaeaacaqGXaaabaWaaeWaae aacaWGJbWaaWbaaeqaleaacqqHOoqwaaaakiaawIcacaGLPaaalmaa CaaabeqaaiaabkdaaaaaaaGccaGLBbGaayzxaaGaam4CaSWaaWbaae qabaGaaeOmaaaakiabgUcaRmaalyaabaGaaeOmaiabeg7aHjaadoha aeaacaWGJbWcdaahaaqabeaacqqHOoqwaaaaaOGaey4kaSIaeqySde 2cdaahaaqabeaacaqGYaaaaaaaaa@91F9@

The static displacements of the transverse engine are determined

ξ 1 = d 31 ( h/δ )U M 2 / ( M 1 + M 2 ) MathType@MTEF@5@5@+= feaagKart1ev2aaatCvAUfeBSjuyZL2yd9gzLbvyNv2CaerbuLwBLn hiov2DGi1BTfMBaeXatLxBI9gBaerbujxzIv3yOvgDG00uaerbd9wD YLwzYbItLDharqqtubsr4rNCHbGeaGqkY=MjYJH8sqFD0xXdHaVhbb f9v8qqaqFr0xc9pk0xbba9q8WqFfea0=yr0RYxir=Jbba9q8aq0=yq =He9q8qqQ8frFve9Fve9Ff0dmeaabaqaciGacaGaaeaadaabaeaafa aakeaacqaH+oaElmaaBaaabaGaaeymaaqabaGccqGH9aqpdaWcgaqa aiaadsgalmaaBaaabaGaae4maiaabgdaaeqaaOWaaeWaaeaadaWcga qaaiaadIgaaeaacqaH0oazaaaacaGLOaGaayzkaaGaamyvaiaad2ea daWgaaWcbaGaaeOmaaqabaaakeaadaqadaqaaiaad2eadaWgaaWcba GaaeymaaqabaGccqGHRaWkcaWGnbWaaSbaaSqaaiaabkdaaeqaaaGc caGLOaGaayzkaaaaaaaa@4F40@
ξ 2 = d 31 ( h/δ )U M 1 / ( M 1 + M 2 ) MathType@MTEF@5@5@+= feaagKart1ev2aaatCvAUfeBSjuyZL2yd9gzLbvyNv2CaerbuLwBLn hiov2DGi1BTfMBaeXatLxBI9gBaerbujxzIv3yOvgDG00uaerbd9wD YLwzYbItLDharqqtubsr4rNCHbGeaGqkY=MjYJH8sqFD0xXdHaVhbb f9v8qqaqFr0xc9pk0xbba9q8WqFfea0=yr0RYxir=Jbba9q8aq0=yq =He9q8qqQ8frFve9Fve9Ff0dmeaabaqaciGacaGaaeaadaabaeaafa aakeaacqaH+oaElmaaBaaabaGaaeOmaaqabaGccqGH9aqpdaWcgaqa aiaadsgalmaaBaaabaGaae4maiaabgdaaeqaaOWaaeWaaeaadaWcga qaaiaadIgaaeaacqaH0oazaaaacaGLOaGaayzkaaGaamyvaiaad2ea daWgaaWcbaGaaeymaaqabaaakeaadaqadaqaaiaad2eadaWgaaWcba GaaeymaaqabaGccqGHRaWkcaWGnbWaaSbaaSqaaiaabkdaaeqaaaGc caGLOaGaayzkaaaaaaaa@4F40@

At the transverse PZT engine M 1 MathType@MTEF@5@5@+= feaagKart1ev2aaatCvAUfeBSjuyZL2yd9gzLbvyNv2CaerbuLwBLn hiov2DGi1BTfMBaeXatLxBI9gBaerbujxzIv3yOvgDG00uaerbd9wD YLwzYbItLDharqqtubsr4rNCHbGeaGqkY=MjYJH8sqFD0xXdHaVhbb f9v8qqaqFr0xc9pk0xbba9q8WqFfea0=yr0RYxir=Jbba9q8aq0=yq =He9q8qqQ8frFve9Fve9Ff0dmeaabaqaciGacaGaaeaadaabaeaafa aakeaacaWGnbWaaSbaaSqaaiaabgdaaeqaaaaa@3DF4@ = 0.25 kg, M 2 MathType@MTEF@5@5@+= feaagKart1ev2aaatCvAUfeBSjuyZL2yd9gzLbvyNv2CaerbuLwBLn hiov2DGi1BTfMBaeXatLxBI9gBaerbujxzIv3yOvgDG00uaerbd9wD YLwzYbItLDharqqtubsr4rNCHbGeaGqkY=MjYJH8sqFD0xXdHaVhbb f9v8qqaqFr0xc9pk0xbba9q8WqFfea0=yr0RYxir=Jbba9q8aq0=yq =He9q8qqQ8frFve9Fve9Ff0dmeaabaqaciGacaGaaeaadaabaeaafa aakeaacaWGnbWaaSbaaSqaaiaabkdaaeqaaaaa@3DF5@ = 1 kg, d 31 MathType@MTEF@5@5@+= feaagKart1ev2aaatCvAUfeBSjuyZL2yd9gzLbvyNv2CaerbuLwBLn hiov2DGi1BTfMBaeXatLxBI9gBaerbujxzIv3yOvgDG00uaerbd9wD YLwzYbItLDharqqtubsr4rNCHbGeaGqkY=MjYJH8sqFD0xXdHaVhbb f9v8qqaqFr0xc9pk0xbba9q8WqFfea0=yr0RYxir=Jbba9q8aq0=yq =He9q8qqQ8frFve9Fve9Ff0dmeaabaqaciGacaGaaeaadaabaeaafa aakeaacaWGKbWcdaWgaaqaaiaabodacaqGXaaabeaaaaa@3EC1@ = 0.2 nm/V, h/δ MathType@MTEF@5@5@+= feaagKart1ev2aaatCvAUfeBSjuyZL2yd9gzLbvyNv2CaerbuLwBLn hiov2DGi1BTfMBaeXatLxBI9gBaerbujxzIv3yOvgDG00uaerbd9wD YLwzYbItLDharqqtubsr4rNCHbGeaGqkY=MjYJH8sqFD0xXdHaVhbb f9v8qqaqFr0xc9pk0xbba9q8WqFfea0=yr0RYxir=Jbba9q8aq0=yq =He9q8qqQ8frFve9Fve9Ff0dmeaabaqaciGacaGaaeaadaabaeaafa aakeaadaWcgaqaaiaadIgaaeaacqaH0oazaaaaaa@3EEA@ = 10, U MathType@MTEF@5@5@+= feaagKart1ev2aaatCvAUfeBSjuyZL2yd9gzLbvyNv2CaerbuLwBLn hiov2DGi1BTfMBaeXatLxBI9gBaerbujxzIv3yOvgDG00uaerbd9wD YLwzYbItLDharqqtubsr4rNCHbGeaGqkY=MjYJH8sqFD0xXdHaVhbb f9v8qqaqFr0xc9pk0xbba9q8WqFfea0=yr0RYxir=Jbba9q8aq0=yq =He9q8qqQ8frFve9Fve9Ff0dmeaabaqaciGacaGaaeaadaabaeaafa aakeaacaWGvbaaaa@3D1C@ = 150 V the static displacements are founded ξ 1 + ξ 2 MathType@MTEF@5@5@+= feaagKart1ev2aaatCvAUfeBSjuyZL2yd9gzLbvyNv2CaerbuLwBLn hiov2DGi1BTfMBaeXatLxBI9gBaerbujxzIv3yOvgDG00uaerbd9wD YLwzYbItLDharqqtubsr4rNCHbGeaGqkY=MjYJH8sqFD0xXdHaVhbb f9v8qqaqFr0xc9pk0xbba9q8WqFfea0=yr0RYxir=Jbba9q8aq0=yq =He9q8qqQ8frFve9Fve9Ff0dmeaabaqaciGacaGaaeaadaabaeaafa aakeaacqaH+oaElmaaBaaabaGaaeymaaqabaGaey4kaSIccqaH+oaE daWgaaWcbaGaaeOmaaqabaaaaa@4275@ = 300 nm and ξ 1 MathType@MTEF@5@5@+= feaagKart1ev2aaatCvAUfeBSjuyZL2yd9gzLbvyNv2CaerbuLwBLn hiov2DGi1BTfMBaeXatLxBI9gBaerbujxzIv3yOvgDG00uaerbd9wD YLwzYbItLDharqqtubsr4rNCHbGeaGqkY=MjYJH8sqFD0xXdHaVhbb f9v8qqaqFr0xc9pk0xbba9q8WqFfea0=yr0RYxir=Jbba9q8aq0=yq =He9q8qqQ8frFve9Fve9Ff0dmeaabaqaciGacaGaaeaadaabaeaafa aakeaacqaH+oaElmaaBaaabaGaaeymaaqabaaaaa@3EE5@ = 240 nm, ξ 2 MathType@MTEF@5@5@+= feaagKart1ev2aaatCvAUfeBSjuyZL2yd9gzLbvyNv2CaerbuLwBLn hiov2DGi1BTfMBaeXatLxBI9gBaerbujxzIv3yOvgDG00uaerbd9wD YLwzYbItLDharqqtubsr4rNCHbGeaGqkY=MjYJH8sqFD0xXdHaVhbb f9v8qqaqFr0xc9pk0xbba9q8WqFfea0=yr0RYxir=Jbba9q8aq0=yq =He9q8qqQ8frFve9Fve9Ff0dmeaabaqaciGacaGaaeaadaabaeaafa aakeaacqaH+oaElmaaBaaabaGaaeOmaaqabaaaaa@3EE6@ = 40 nm.

Discussion

The nano piezo engine is used in applied bionics for scanning microscopy and adaptive optics. The structural scheme of the nano engine is determined. For the nano piezo engine the displacement matrix is constructed. The general schemes for engine are founded.

Conclusion

The schemes for lumped parameters and distributed parameters of the nano engine and its transfer functions are constructed by method mathematical physics. The displacement matrix and the transfer functions are determined for applied bionics.

Acknowledgments

None.

Funding

None.

Conflicts of interest

The author declares that there is no conflict of interest.

References

  1. Schultz J, Ueda J, Asada H. Cellular actuators. Butterworth-Heinemann Publisher, Oxford. 2017;382.
  2. Afonin SM. Absolute stability conditions for a system controlling the deformation of an elecromagnetoelastic transduser. Dokl Math. 2006;74(3):943–948.
  3. Uchino K. Piezoelectric actuator and ultrasonic motors. Boston, MA: Kluwer Academic Publisher. 19978;350.
  4. Afonin SM. Generalized parametric structural model of a compound elecromagnetoelastic transduser. Dokl Phys. 2005;50(2):77–82.
  5. Afonin SM. Structural parametric model of a piezoelectric nanodisplacement transducer. Dokl Phys. 2008;53(3):137–143.
  6. Afonin SM. Solution of the wave equation for the control of an elecromagnetoelastic transduser. Dokl Math. 2006;73(2):307–313.
  7. Cady WG. Piezoelectricity: An introduction to the theory and applications of electromechancial phenomena in crystals. McGraw-Hill Book Company, New York, London, 1946;806.
  8. Mason W, editor. Physical acoustics: Principles and methods. 1. Part A. Methods and devices. Academic Press, New York, 1964;515.
  9. Zhao C, Li Z, Xu F, et al. Design of a novel three-degree-of-freedom piezoelectric-driven micro-positioning platform with compact structure. Actuators. 2024;13(7):248.
  10. Zwillinger D. Handbook of differential equations. Academic Press, Boston, 1989;673.
  11. Afonin SM. A generalized structural-parametric model of an elecromagnetoelastic converter for nano- and micrometric movement control systems: III. Transformation parametric structural circuits of an elecromagnetoelastic converter for nano- and micrometric movement control systems. J Comput Syst Sci Int. 2006;45(2):317–325.
  12. Afonin SM. Generalized structural-parametric model of an electromagnetoelastic converter for control systems of nano-and micrometric movements: IV. Investigation and calculation of characteristics of step-piezodrive of nano-and micrometric movements. J Comput Syst Sci Int. 2006;45(6):1006–1013.
  13. Afonin SM. Decision wave equation and block diagram of electromagnetoelastic actuator nano- and microdisplacement for communications systems. Int J Info Comm Sci. 2016;1(2):22–29.
  14. Afonin SM. Structural-parametric model and transfer functions of electroelastic actuator for nano- and microdisplacement. Chapter 9 in Piezoelectrics and Nanomaterials: Fundamentals, Developments and Applications. Ed. Parinov IA. Nova Science, New York. 2015;225–242.
  15. Afonin SM. A structural-parametric model of electroelastic actuator for nano- and microdisplacement of mechatronic system. Chapter 8 in Advances in Nanotechnology. Volume 19. Eds. Bartul Z, Trenor J, Nova Science, New York, 2017;259–284.
  16. Afonin SM. Structural scheme of electroelastic engine micro and nano displacement for applied bionics and biomechanics. MOJ App Bio Biomech. 2025;9(1):1–4.
  17. Afonin SM. Electromagnetoelastic nano- and microactuators for mechatronic systems. Russ Engin Res. 2018;38(12):938–944.
  18. Afonin SM. Nano- and micro-scale piezomotors. Russ Engin Res. 2012;32(7–8):519–522.
  19. Afonin SM. Elastic compliances and mechanical and adjusting characteristics of composite piezoelectric transducers. Mech Solids. 2007;42(1):43–49.
  20. Afonin SM. Stability of strain control systems of nano-and microdisplacement piezotransducers. Mech Solids. 2014;49(2):196–207.
  21. Afonin SM. Structural-parametric model electromagnetoelastic actuator nanodisplacement for mechatronics. Int J Phys. 2017;5(1):9–15.
  22. Afonin SM. Structural-parametric model multilayer electromagnetoelastic actuator for nanomechatronics. Int J Phys. 2019;7(2):50–57.
  23. Afonin SM. Calculation deformation of an engine for nano biomedical research. Int J Biomed Res. 2024;1(5):1–4.
  24. Afonin SM. Precision engine for nanobiomedical research. Biomed Res Clinic Rev. 2021;3(4):1–5.
  25. Afonin SM. Solution wave equation and parametric structural schematic diagrams of electromagnetoelastic actuators nano- and microdisplacement. Int J Math Analy Appl. 2016;3(4):31–38.
  26. Afonin SM. Structural-parametric model of electromagnetoelastic actuator for nanomechanics. Actuators. 2018;7(1):6.
  27. Afonin SM. Structural-parametric model and diagram of a multilayer electromagnetoelastic actuator for nanomechanics. Actuators. 2019;8(3):52.
  28. Afonin SM. Structural-parametric models and transfer functions of electromagnetoelastic actuators nano- and microdisplacement for mechatronic systems. Int J Theor Appl Math. 2016;2(2):52–59.
  29. Afonin SM. Design static and dynamic characteristics of a piezoelectric nanomicrotransducers. Mech Solids. 2010;45(1):123–132.
  30. Afonin SM. Electromagnetoelastic actuator for nanomechanics. Global J Res Eng. 2018;18(2):19–23.
  31. Afonin SM. Multilayer electromagnetoelastic actuator for robotics systems of nanotechnology. Proceedings of the 2018 IEEE Conference EIConRus, 2018;1698–1701.
  32. Afonin SM. A block diagram of electromagnetoelastic actuator nanodisplacement for communications systems. Trans Netw Comm. 2018;6(3):1–9.
  33. Afonin SM. Decision matrix equation and block diagram of multilayer electromagnetoelastic actuator micro and nanodisplacement for communications systems. Trans Netw Comm. 2019;7(3):11–21.
  34. Afonin SM. Condition absolute stability control system of electromagnetoelastic actuator for communication equipment. Trans Netw Comm. 2020;8(1):8–15.
  35. Afonin SM. A Block diagram of electromagnetoelastic actuator for control systems in nanoscience and nanotechnology. Trans Mach Learn Artifi Intell. 2020;8(4):23–33.
  36. Afonin SM. Optimal control of a multilayer electroelastic engine with a longitudinal piezoeffect for nanomechatronics systems. Appl Syst Innov. 2020;3(4):53.
  37. Afonin SM. Coded сontrol of a sectional electroelastic engine for nanomechatronics systems. Appl Syst Innov. 2021;4(3):47.
  38. Afonin SM. Structural scheme actuator for nano research. COJ Rev Res. 2020;2(5):1–3.
  39. Afonin SM. Structural–parametric model electroelastic actuator nano- and microdisplacement of mechatronics systems for nanotechnology and ecology research. MOJ Eco Environ Sci. 2018;3(5):306‒309.
  40. Afonin SM. Deformation of electromagnetoelastic actuator for nano robotics system. Int Rob Auto J. 2020;6(2):84–86.
  41. Afonin SM. Correction of characteristics compound longitudinal piezodrive at elastic inertial load for nanorobotics research. Int Rob Auto J. 2024;10(3):103–106.
  42. Afonin SM. A multi-layer electro elastic drive for micro and nano robotics. Int Rob Auto J. 2024;10(2):73–76.
  43. Afonin SM. Electromagnetoelastic actuator for large telescopes. Aeron Aero Open Access J. 2018;2(5):270–272.
  44. Afonin SM. Condition absolute stability of control system with electro elastic actuator for nano bioengineering and microsurgery. Surg Case Stud Open Access J. 2019;3(3):307–309.
  45. Afonin SM. Piezo actuators for nanomedicine research. MOJ App Bio Biomech. 2019;3(2):56–57.
  46. Afonin SM. Frequency criterion absolute stability of electromagnetoelastic system for nano and micro displacement in biomechanics. MOJ App Bio Biomech. 2019;3(6):137–140.
  47. Afonin SM. Multilayer piezo engine for nanomedicine research. MOJ App Bio Biomech. 2020;4(2):30–31.
  48. Afonin SM. Structural scheme of electromagnetoelastic actuator for nano biomechanics. MOJ App Bio Biomech. 2021;5(2):36–39.
  49. Afonin SM. Parallel and coded control of multi layered longitudinal piezo engine for nano biomedical research. MOJ App Bio Biomech. 2024;8(1):62–65.
  50. Afonin SM. DAC electro elastic engine for nanomedicine. MOJ App Bio Biomech. 2024;8(1):38–40.
  51. Afonin SM. Multilayer engine for microsurgery and nano biomedicine. Surg Case Stud Open Access J. 2020;4(4):423–425.
  52. Afonin SM. A structural-parametric model of a multilayer electroelastic actuator for mechatronics and nanotechnology. Chapter 7 in Advances in Nanotechnology. Volume 22. Eds. Bartul Z, Trenor J, Nova Science, New York. 2019;169–186.
  53. Afonin SM. Electroelastic digital-to-analog converter actuator nano and microdisplacement for nanotechnology. Chapter 6 in Advances in Nanotechnology. Volume 24. Eds. Bartul Z, Trenor J, Nova Science, New York. 2020;205–218.
  54. Afonin SM. Characteristics of an electroelastic actuator nano- and microdisplacement for nanotechnology. Chapter 8 in Advances in Nanotechnology. Volume 25. Eds. Bartul Z, Trenor J, Nova Science, New York. 2021;251–266.
  55. Afonin SM. An absolute stability of nanomechatronics system with electroelastic actuator. Chapter 9 in Advances in Nanotechnology. Volume 27. Eds. Bartul Z, Trenor J, Nova Science, New York. 2022;183–198.
  56. Afonin SM. Rigidity of a multilayer piezoelectric actuator for the nano and micro range. Russ Engin Res. 2021;41(4):285–288.
  57. Afonin SM. Structural scheme of an electromagnetoelastic actuator for nanotechnology research. Chapter 45 in Physics and Mechanics of New Materials and Their Applications. PHENMA 2023. Springer Proceedings in Materials. Volume 41. Eds. Parinov I.A., Chang S.H., Putri E.P., Springer, Cham. 2024;486–501.
  58. Nalwa HS, editor. Encyclopedia of nanoscience and nanotechnology. USA: American Scientific Publishers. 25 Volumes. 2019.
  59. Bhushan B, editor. Springer handbook of nanotechnology. Germany: Springer. 2017;1500.
Creative Commons Attribution License

©2025 Afonin. This is an open access article distributed under the terms of the, which permits unrestricted use, distribution, and build upon your work non-commercially.