Submit manuscript...
MOJ
eISSN: 2576-4519

Applied Bionics and Biomechanics

Short Communication Volume 5 Issue 2

Structural scheme of electromagnetoelastic actuator for nano biomechanics

Afonin SM

National Research University of Electronic Technology, Russia

Correspondence: Afonin Sergey Mikhailovich, National Research University of Electronic Technology, MIET, 124498, Moscow, Russia

Received: March 15, 2021 | Published: August 13, 2021

Citation: Afonin SM. Structural scheme of electromagnetoelastic actuator for nano biomechanics. MOJ App Bio Biomech. 2021;5(2):36-39. DOI: 10.15406/mojabb.2021.05.00154

Download PDF

Abstract

The structural scheme of an electromagnetoelastic actuator for nano biomechanics is found. The structural scheme of an electromagnetoelastic actuator has difference in the visibility of energy conversion from Cady and Mason electrical equivalent circuits of a piezo vibrator. The electromagnetoelasticity equation and the differential equation of the actuator are solved to construct the structural scheme of the actuator. The structural scheme of the piezo actuator is obtained by using the reverse and direct piezoelectric effects. The transfer functions of an electromagnetoelastic actuator are written.

Keywords: structural scheme, electromagnetoelastic actuator, Characteristic, Piezo actuator, Nano biomechanics, Deformation, Transfer function

Introduction

Electromagnetoelastic actuator in the form of piezo actuator or magnetostriction actuator is used in nanomanipulators, laser systems, nanopumps, scanning microscopy for nano biomechanics. The piezo actuator is widely applied for nano biomechanics in medical equipment for precise instrument, in optical-mechanical devices and adaptive optics systems.1-14

The electromagnetoelasticity equation and the differential equation of the actuator are solved to found the structural scheme of the actuator. The structural scheme of an electromagnetoelastic actuator for nano biomechanics has difference in the visibility of energy conversion from Cady and Mason electrical equivalent circuits of a piezo vibrator. The structural scheme of electromagnet elastic actuator is obtained by applying of electromagnetoelasticity, mathematical physics and transform of Laplace.4-11

Structural scheme

The structural scheme of an electromagnetoelastic actuator for nano biomechanics is changed from Cady and Mason electrical equivalent circuits.5-8 The equation of electromagnetoelasticity3-15 has the form

S i = d mi Ψ m + s ij Ψ T j MathType@MTEF@5@5@+= feaagKart1ev2aaatCvAUfeBSjuyZL2yd9gzLbvyNv2CaerbuLwBLn hiov2DGi1BTfMBaeXatLxBI9gBaerbd9wDYLwzYbItLDharqqtubsr 4rNCHbGeaGqk0Jf9crFfpeea0xh9v8qiW7rqqrFfpeea0xe9Lq=Jc9 vqaqpepm0xbba9pwe9Q8fs0=yqaqpepae9pg0FirpepeKkFr0xfr=x fr=xb9adbiqaaeaacaGaaiaabmqaamaabaabaaGcbaGaam4uamaaBa aaleaacaWGPbaabeaakiabg2da9iaadsgadaWgaaWcbaGaamyBaiaa dMgaaeqaaOGaeuiQdK1aaSbaaSqaaiaad2gaaeqaaOGaey4kaSIaam 4CamaaDaaaleaacaWGPbGaamOAaaqaaiabfI6azbaakiaadsfadaWg aaWcbaGaamOAaaqabaaaaa@4832@

where S i MathType@MTEF@5@5@+= feaagKart1ev2aaatCvAUfeBSjuyZL2yd9gzLbvyNv2CaerbuLwBLn hiov2DGi1BTfMBaeXatLxBI9gBaerbd9wDYLwzYbItLDharqqtubsr 4rNCHbGeaGqk0Jf9crFfpeea0xh9v8qiW7rqqrFfpeea0xe9Lq=Jc9 vqaqpepm0xbba9pwe9Q8fs0=yqaqpepae9pg0FirpepeKkFr0xfr=x fr=xb9adbiqaaeaacaGaaiaabmqaamaabaabaaGcbaGaam4uaSWaaS baaeaacaWGPbaabeaaaaa@39FB@ , d mi MathType@MTEF@5@5@+= feaagKart1ev2aaatCvAUfeBSjuyZL2yd9gzLbvyNv2CaerbuLwBLn hiov2DGi1BTfMBaeXatLxBI9gBaerbd9wDYLwzYbItLDharqqtubsr 4rNCHbGeaGqk0Jf9crFfpeea0xh9v8qiW7rqqrFfpeea0xe9Lq=Jc9 vqaqpepm0xbba9pwe9Q8fs0=yqaqpepae9pg0FirpepeKkFr0xfr=x fr=xb9adbiqaaeaacaGaaiaabmqaamaabaabaaGcbaGaamizaSWaaS baaeaacaWGTbGaamyAaaqabaaaaa@3AFE@ , Ψ m MathType@MTEF@5@5@+= feaagKart1ev2aaatCvAUfeBSjuyZL2yd9gzLbvyNv2CaerbuLwBLn hiov2DGi1BTfMBaeXatLxBI9gBaerbd9wDYLwzYbItLDharqqtubsr 4rNCHbGeaGqk0Jf9crFfpeea0xh9v8qiW7rqqrFfpeea0xe9Lq=Jc9 vqaqpepm0xbba9pwe9Q8fs0=yqaqpepae9pg0FirpepeKkFr0xfr=x fr=xb9adbiqaaeaacaGaaiaabmqaamaabaabaaGcbaGaeuiQdK1cda Wgaaqaaiaad2gaaeqaaaaa@3AB6@ , s ij Ψ MathType@MTEF@5@5@+= feaagKart1ev2aaatCvAUfeBSjuyZL2yd9gzLbvyNv2CaerbuLwBLn hiov2DGi1BTfMBaeXatLxBI9gBaerbd9wDYLwzYbItLDharqqtubsr 4rNCHbGeaGqk0Jf9crFfpeea0xh9v8qiW7rqqrFfpeea0xe9Lq=Jc9 vqaqpepm0xbba9pwe9Q8fs0=yqaqpepae9pg0FirpepeKkFr0xfr=x fr=xb9adbiqaaeaacaGaaiaabmqaamaabaabaaGcbaGaam4CamaaDa aaleaacaWGPbGaamOAaaqaaiabfI6azbaaaaa@3C9A@  and T j MathType@MTEF@5@5@+= feaagKart1ev2aaatCvAUfeBSjuyZL2yd9gzLbvyNv2CaerbuLwBLn hiov2DGi1BTfMBaeXatLxBI9gBaerbd9wDYLwzYbItLDharqqtubsr 4rNCHbGeaGqk0Jf9crFfpeea0xh9v8qiW7rqqrFfpeea0xe9Lq=Jc9 vqaqpepm0xbba9pwe9Q8fs0=yqaqpepae9pg0FirpepeKkFr0xfr=x fr=xb9adbiqaaeaacaGaaiaabmqaamaabaabaaGcbaGaamivamaaBa aaleaacaWGQbaabeaaaaa@39FD@  are the relative deformation, the module, the control parameter or the intensity of field, the elastic compliance, and the mechanical intensity, respectively; i=1,2,...,6 MathType@MTEF@5@5@+= feaagKart1ev2aaatCvAUfeBSjuyZL2yd9gzLbvyNv2CaerbuLwBLn hiov2DGi1BTfMBaeXatLxBI9gBaerbd9wDYLwzYbItLDharqqtubsr 4rNCHbGeaGqk0Jf9crFfpeea0xh9v8qiW7rqqrFfpeea0xe9Lq=Jc9 vqaqpepm0xbba9pwe9Q8fs0=yqaqpepae9pg0FirpepeKkFr0xfr=x fr=xb9adbiqaaeaacaGaaiaabmqaamaabaabaaGcbaGaamyAaiabg2 da9iaaigdacaGGSaGaaGjbVlaaikdacaGGSaGaaGjbVlaac6cacaGG UaGaaiOlaiaaysW7caGGSaGaaGOnaaaa@4501@ ; m=1,2,3 MathType@MTEF@5@5@+= feaagKart1ev2aaatCvAUfeBSjuyZL2yd9gzLbvyNv2CaerbuLwBLn hiov2DGi1BTfMBaeXatLxBI9gBaerbd9wDYLwzYbItLDharqqtubsr 4rNCHbGeaGqk0Jf9crFfpeea0xh9v8qiW7rqqrFfpeea0xe9Lq=Jc9 vqaqpepm0xbba9pwe9Q8fs0=yqaqpepae9pg0FirpepeKkFr0xfr=x fr=xb9adbiqaaeaacaGaaiaabmqaamaabaabaaGcbaGaamyBaiabg2 da9iaaigdacaGGSaGaaGjbVlaaikdacaGGSaGaaGjbVlaaiodaaaa@40AF@ ; and j=1,2,...,6 MathType@MTEF@5@5@+= feaagKart1ev2aaatCvAUfeBSjuyZL2yd9gzLbvyNv2CaerbuLwBLn hiov2DGi1BTfMBaeXatLxBI9gBaerbd9wDYLwzYbItLDharqqtubsr 4rNCHbGeaGqk0Jf9crFfpeea0xh9v8qiW7rqqrFfpeea0xe9Lq=Jc9 vqaqpepm0xbba9pwe9Q8fs0=yqaqpepae9pg0FirpepeKkFr0xfr=x fr=xb9adbiqaaeaacaGaaiaabmqaamaabaabaaGcbaGaaGjbVlaadQ gacqGH9aqpcaaIXaGaaiilaiaaysW7caaIYaGaaiilaiaaysW7caGG UaGaaiOlaiaac6cacaaMe8UaaiilaiaaiAdaaaa@468F@  are indexes.

The differential equation of the actuator has the form4-38

d 2 Ξ( x,p )/ d x 2 γ 2 Ξ( x,p )=0 MathType@MTEF@5@5@+= feaagKart1ev2aaatCvAUfeBSjuyZL2yd9gzLbvyNv2CaerbuLwBLn hiov2DGi1BTfMBaeXatLxBI9gBaerbd9wDYLwzYbItLDharqqtubsr 4rNCHbGeaGqk0Jf9crFfpeea0xh9v8qiW7rqqrFfpeea0xe9Lq=Jc9 vqaqpepm0xbba9pwe9Q8fs0=yqaqpepae9pg0FirpepeKkFr0xfr=x fr=xb9adbiqaaeaacaGaaiaabmqaamaabaabaaGcbaWaaSGbaeaaca WGKbWaaWbaaSqabeaacaaIYaaaaOGaeuONdG1aaeWaaeaacaWG4bGa aiilaiaadchaaiaawIcacaGLPaaaaeaacaWGKbGaamiEamaaCaaale qabaGaaGOmaaaaaaGccqGHsislcqaHZoWzdaahaaWcbeqaaiaaikda aaGccqqHEoawdaqadaqaaiaadIhacaGGSaGaamiCaaGaayjkaiaawM caaiabg2da9iaaicdaaaa@4D79@

γ=p/ c Ψ +α MathType@MTEF@5@5@+= feaagKart1ev2aaatCvAUfeBSjuyZL2yd9gzLbvyNv2CaerbuLwBLn hiov2DGi1BTfMBaeXatLxBI9gBaerbd9wDYLwzYbItLDharqqtubsr 4rNCHbGeaGqk0Jf9crFfpeea0xh9v8qiW7rqqrFfpeea0xe9Lq=Jc9 vqaqpepm0xbba9pwe9Q8fs0=yqaqpepae9pg0FirpepeKkFr0xfr=x fr=xb9adbiqaaeaacaGaaiaabmqaamaabaabaaGcbaGaeq4SdCMaey ypa0ZaaSGbaeaacaWGWbaabaGaam4yamaaCaaaleqabaGaeuiQdKfa aaaakiabgUcaRiabeg7aHbaa@40F0@

Where Ξ( x,p ) MathType@MTEF@5@5@+= feaagKart1ev2aaatCvAUfeBSjuyZL2yd9gzLbvyNv2CaerbuLwBLn hiov2DGi1BTfMBaeXatLxBI9gBaerbd9wDYLwzYbItLDharqqtubsr 4rNCHbGeaGqk0Jf9crFfpeea0xh9v8qiW7rqqrFfpeea0xe9Lq=Jc9 vqaqpepm0xbba9pwe9Q8fs0=yqaqpepae9pg0FirpepeKkFr0xfr=x fr=xb9adbiqaaeaacaGaaiaabmqaamaabaabaaGcbaGaeuONdG1aae WaaeaacaWG4bGaaiilaiaadchaaiaawIcacaGLPaaaaaa@3DB8@  is the transform of Laplace for displacement; p MathType@MTEF@5@5@+= feaagKart1ev2aaatCvAUfeBSjuyZL2yd9gzLbvyNv2CaerbuLwBLn hiov2DGi1BTfMBaeXatLxBI9gBaerbd9wDYLwzYbItLDharqqtubsr 4rNCHbGeaGqk0Jf9crFfpeea0xh9v8qiW7rqqrFfpeea0xe9Lq=Jc9 vqaqpepm0xbba9pwe9Q8fs0=yqaqpepae9pg0FirpepeKkFr0xfr=x fr=xb9adbiqaaeaacaGaaiaabmqaamaabaabaaGcbaGaamiCaaaa@38FE@ , γ MathType@MTEF@5@5@+= feaagKart1ev2aaatCvAUfeBSjuyZL2yd9gzLbvyNv2CaerbuLwBLn hiov2DGi1BTfMBaeXatLxBI9gBaerbd9wDYLwzYbItLDharqqtubsr 4rNCHbGeaGqk0Jf9crFfpeea0xh9v8qiW7rqqrFfpeea0xe9Lq=Jc9 vqaqpepm0xbba9pwe9Q8fs0=yqaqpepae9pg0FirpepeKkFr0xfr=x fr=xb9adbiqaaeaacaGaaiaabmqaamaabaabaaGcbaGaeq4SdCgaaa@39B0@ , c Ψ MathType@MTEF@5@5@+= feaagKart1ev2aaatCvAUfeBSjuyZL2yd9gzLbvyNv2CaerbuLwBLn hiov2DGi1BTfMBaeXatLxBI9gBaerbd9wDYLwzYbItLDharqqtubsr 4rNCHbGeaGqk0Jf9crFfpeea0xh9v8qiW7rqqrFfpeea0xe9Lq=Jc9 vqaqpepm0xbba9pwe9Q8fs0=yqaqpepae9pg0FirpepeKkFr0xfr=x fr=xb9adbiqaaeaacaGaaiaabmqaamaabaabaaGcbaGaam4yamaaCa aaleqabaGaeuiQdKfaaaaa@3AAD@ , α MathType@MTEF@5@5@+= feaagKart1ev2aaatCvAUfeBSjuyZL2yd9gzLbvyNv2CaerbuLwBLn hiov2DGi1BTfMBaeXatLxBI9gBaerbd9wDYLwzYbItLDharqqtubsr 4rNCHbGeaGqk0Jf9crFfpeea0xh9v8qiW7rqqrFfpeea0xe9Lq=Jc9 vqaqpepm0xbba9pwe9Q8fs0=yqaqpepae9pg0FirpepeKkFr0xfr=x fr=xb9adbiqaaeaacaGaaiaabmqaamaabaabaaGcbaGaeqySdegaaa@39A8@  are the operator of transform, the coefficient of wave propagation, the speed of sound, the coefficient of attenuation.

The system of the equations the transform of Laplace for the forces on the faces actuator is found10-42

M 1 p 2 Ξ 1 ( p )+ F 1 ( p )= S 0 T j ( 0,p ) MathType@MTEF@5@5@+= feaagKart1ev2aaatCvAUfeBSjuyZL2yd9gzLbvyNv2CaerbuLwBLn hiov2DGi1BTfMBaeXatLxBI9gBaerbd9wDYLwzYbItLDharqqtubsr 4rNCHbGeaGqk0Jf9crFfpeea0xh9v8qiW7rqqrFfpeea0xe9Lq=Jc9 vqaqpepm0xbba9pwe9Q8fs0=yqaqpepae9pg0FirpepeKkFr0xfr=x fr=xb9adbiqaaeaacaGaaiaabmqaamaabaabaaGcbaGaamytamaaBa aaleaacaaIXaaabeaakiaadchadaahaaWcbeqaaiaaikdaaaGccqqH EoawdaWgaaWcbaGaaGymaaqabaGcdaqadaqaaiaadchaaiaawIcaca GLPaaacqGHRaWkcaWGgbWaaSbaaSqaaiaaigdaaeqaaOWaaeWaaeaa caWGWbaacaGLOaGaayzkaaGaeyypa0Jaam4uamaaBaaaleaacaaIWa aabeaakiaayIW7caWGubWaaSbaaSqaaiaadQgaaeqaaOWaaeWaaeaa caaIWaGaaiilaiaadchaaiaawIcacaGLPaaaaaa@5008@

M 2 p 2 Ξ 2 ( p ) F 2 ( p )= S 0 T j ( l,p ) MathType@MTEF@5@5@+= feaagKart1ev2aaatCvAUfeBSjuyZL2yd9gzLbvyNv2CaerbuLwBLn hiov2DGi1BTfMBaeXatLxBI9gBaerbd9wDYLwzYbItLDharqqtubsr 4rNCHbGeaGqk0Jf9crFfpeea0xh9v8qiW7rqqrFfpeea0xe9Lq=Jc9 vqaqpepm0xbba9pwe9Q8fs0=yqaqpepae9pg0FirpepeKkFr0xfr=x fr=xb9adbiqaaeaacaGaaiaabmqaamaabaabaaGcbaGaeyOeI0Iaam ytamaaBaaaleaacaaIYaaabeaakiaadchadaahaaWcbeqaaiaaikda aaGccqqHEoawdaWgaaWcbaGaaGOmaaqabaGcdaqadaqaaiaadchaai aawIcacaGLPaaacqGHsislcaWGgbWaaSbaaSqaaiaaikdaaeqaaOWa aeWaaeaacaWGWbaacaGLOaGaayzkaaGaeyypa0Jaam4uamaaBaaale aacaaIWaaabeaakiaayIW7caaMi8UaamivamaaBaaaleaacaWGQbaa beaakmaabmaabaGaamiBaiaacYcacaWGWbaacaGLOaGaayzkaaaaaa@52CB@

where M 1 MathType@MTEF@5@5@+= feaagKart1ev2aaatCvAUfeBSjuyZL2yd9gzLbvyNv2CaerbuLwBLn hiov2DGi1BTfMBaeXatLxBI9gBaerbd9wDYLwzYbItLDharqqtubsr 4rNCHbGeaGqk0Jf9crFfpeea0xh9v8qiW7rqqrFfpeea0xe9Lq=Jc9 vqaqpepm0xbba9pwe9Q8fs0=yqaqpepae9pg0FirpepeKkFr0xfr=x fr=xb9adbiqaaeaacaGaaiaabmqaamaabaabaaGcbaGaamytamaaBa aaleaacaaIXaaabeaaaaa@39C2@ , M 2 MathType@MTEF@5@5@+= feaagKart1ev2aaatCvAUfeBSjuyZL2yd9gzLbvyNv2CaerbuLwBLn hiov2DGi1BTfMBaeXatLxBI9gBaerbd9wDYLwzYbItLDharqqtubsr 4rNCHbGeaGqk0Jf9crFfpeea0xh9v8qiW7rqqrFfpeea0xe9Lq=Jc9 vqaqpepm0xbba9pwe9Q8fs0=yqaqpepae9pg0FirpepeKkFr0xfr=x fr=xb9adbiqaaeaacaGaaiaabmqaamaabaabaaGcbaGaamytamaaBa aaleaacaaIYaaabeaaaaa@39C3@ , Ξ 1 ( p ) MathType@MTEF@5@5@+= feaagKart1ev2aaatCvAUfeBSjuyZL2yd9gzLbvyNv2CaerbuLwBLn hiov2DGi1BTfMBaeXatLxBI9gBaerbd9wDYLwzYbItLDharqqtubsr 4rNCHbGeaGqk0Jf9crFfpeea0xh9v8qiW7rqqrFfpeea0xe9Lq=Jc9 vqaqpepm0xbba9pwe9Q8fs0=yqaqpepae9pg0FirpepeKkFr0xfr=x fr=xb9adbiqaaeaacaGaaiaabmqaamaabaabaaGcbaGaeuONdG1aaS baaSqaaiaaigdaaeqaaOWaaeWaaeaacaWGWbaacaGLOaGaayzkaaaa aa@3CFC@ , Ξ 2 ( p ) MathType@MTEF@5@5@+= feaagKart1ev2aaatCvAUfeBSjuyZL2yd9gzLbvyNv2CaerbuLwBLn hiov2DGi1BTfMBaeXatLxBI9gBaerbd9wDYLwzYbItLDharqqtubsr 4rNCHbGeaGqk0Jf9crFfpeea0xh9v8qiW7rqqrFfpeea0xe9Lq=Jc9 vqaqpepm0xbba9pwe9Q8fs0=yqaqpepae9pg0FirpepeKkFr0xfr=x fr=xb9adbiqaaeaacaGaaiaabmqaamaabaabaaGcbaGaeuONdG1aaS baaSqaaiaaikdaaeqaaOWaaeWaaeaacaWGWbaacaGLOaGaayzkaaaa aa@3CFD@ , F 1 ( p ) MathType@MTEF@5@5@+= feaagKart1ev2aaatCvAUfeBSjuyZL2yd9gzLbvyNv2CaerbuLwBLn hiov2DGi1BTfMBaeXatLxBI9gBaerbd9wDYLwzYbItLDharqqtubsr 4rNCHbGeaGqk0Jf9crFfpeea0xh9v8qiW7rqqrFfpeea0xe9Lq=Jc9 vqaqpepm0xbba9pwe9Q8fs0=yqaqpepae9pg0FirpepeKkFr0xfr=x fr=xb9adbiqaaeaacaGaaiaabmqaamaabaabaaGcbaGaamOramaaBa aaleaacaaIXaaabeaakmaabmaabaGaamiCaaGaayjkaiaawMcaaaaa @3C43@ , F 2 ( p ) MathType@MTEF@5@5@+= feaagKart1ev2aaatCvAUfeBSjuyZL2yd9gzLbvyNv2CaerbuLwBLn hiov2DGi1BTfMBaeXatLxBI9gBaerbd9wDYLwzYbItLDharqqtubsr 4rNCHbGeaGqk0Jf9crFfpeea0xh9v8qiW7rqqrFfpeea0xe9Lq=Jc9 vqaqpepm0xbba9pwe9Q8fs0=yqaqpepae9pg0FirpepeKkFr0xfr=x fr=xb9adbiqaaeaacaGaaiaabmqaamaabaabaaGcbaGaamOramaaBa aaleaacaaIYaaabeaakmaabmaabaGaamiCaaGaayjkaiaawMcaaaaa @3C44@ , S 0 MathType@MTEF@5@5@+= feaagKart1ev2aaatCvAUfeBSjuyZL2yd9gzLbvyNv2CaerbuLwBLn hiov2DGi1BTfMBaeXatLxBI9gBaerbd9wDYLwzYbItLDharqqtubsr 4rNCHbGeaGqk0Jf9crFfpeea0xh9v8qiW7rqqrFfpeea0xe9Lq=Jc9 vqaqpepm0xbba9pwe9Q8fs0=yqaqpepae9pg0FirpepeKkFr0xfr=x fr=xb9adbiqaaeaacaGaaiaabmqaamaabaabaaGcbaGaam4uamaaBa aaleaacaaIWaaabeaakiaayIW7aaa@3B62@ are the masses on two end faces, the transforms of Laplace for displacements  and the forces on two end faces,  the area of actuator.

The system of the equations the transform of Laplace for stresses acting on the faces actuator has the form

T j ( 0,p )= 1 s ij Ψ dΞ( x,p ) dx | x=0 d mi s ij Ψ Ψ m ( p ) MathType@MTEF@5@5@+= feaagKart1ev2aaatCvAUfeBSjuyZL2yd9gzLbvyNv2CaerbuLwBLn hiov2DGi1BTfMBaeXatLxBI9gBaerbd9wDYLwzYbItLDharqqtubsr 4rNCHbGeaGqk0Jf9crFfpeea0xh9v8qiW7rqqrFfpeea0xe9Lq=Jc9 vqaqpepm0xbba9pwe9Q8fs0=yqaqpepae9pg0FirpepeKkFr0xfr=x fr=xb9adbiqaaeaacaGaaiaabmqaamaabaabaaGcbaGaamivamaaBa aaleaacaWGQbaabeaakmaabmaabaGaaGimaiaacYcacaWGWbaacaGL OaGaayzkaaGaeyypa0ZaaSaaaeaacaaIXaaabaGaam4CamaaDaaale aacaWGPbGaamOAaaqaaiabfI6azbaaaaGcdaabcaqaamaalaaabaGa amizaiabf65aynaabmaabaGaamiEaiaacYcacaWGWbaacaGLOaGaay zkaaaabaGaamizaiaadIhaaaaacaGLiWoadaWgaaWcbaGaamiEaiab g2da9iaaicdaaeqaaOGaeyOeI0YaaSaaaeaacaWGKbWaaSbaaSqaai aad2gacaWGPbaabeaaaOqaaiaadohadaqhaaWcbaGaamyAaiaadQga aeaacqqHOoqwaaaaaOGaeuiQdK1aaSbaaSqaaiaad2gaaeqaaOWaae WaaeaacaWGWbaacaGLOaGaayzkaaaaaa@5F3E@

T j ( 0,p )= 1 s ij Ψ dΞ( x,p ) dx | x=0 d mi s ij Ψ Ψ m ( p ) MathType@MTEF@5@5@+= feaagKart1ev2aaatCvAUfeBSjuyZL2yd9gzLbvyNv2CaerbuLwBLn hiov2DGi1BTfMBaeXatLxBI9gBaerbd9wDYLwzYbItLDharqqtubsr 4rNCHbGeaGqk0Jf9crFfpeea0xh9v8qiW7rqqrFfpeea0xe9Lq=Jc9 vqaqpepm0xbba9pwe9Q8fs0=yqaqpepae9pg0FirpepeKkFr0xfr=x fr=xb9adbiqaaeaacaGaaiaabmqaamaabaabaaGcbaGaamivamaaBa aaleaacaWGQbaabeaakmaabmaabaGaaGimaiaacYcacaWGWbaacaGL OaGaayzkaaGaeyypa0ZaaSaaaeaacaaIXaaabaGaam4CamaaDaaale aacaWGPbGaamOAaaqaaiabfI6azbaaaaGcdaabcaqaamaalaaabaGa amizaiabf65aynaabmaabaGaamiEaiaacYcacaWGWbaacaGLOaGaay zkaaaabaGaamizaiaadIhaaaaacaGLiWoadaWgaaWcbaGaamiEaiab g2da9iaaicdaaeqaaOGaeyOeI0YaaSaaaeaacaWGKbWaaSbaaSqaai aad2gacaWGPbaabeaaaOqaaiaadohadaqhaaWcbaGaamyAaiaadQga aeaacqqHOoqwaaaaaOGaeuiQdK1aaSbaaSqaaiaad2gaaeqaaOWaae WaaeaacaWGWbaacaGLOaGaayzkaaaaaa@5F3E@

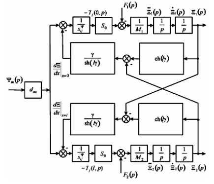
The system of equations for the structural scheme of an electromagnetoelastic actuator for nano biomechanics on Figure 1 has the form

Ξ 1 ( p )= ( M 1 p 2 ) 1 ×{ F 1 ( p )+( 1/ χ ij Ψ ) ×[ d mi Ψ m ( p )+[ γ/ sh( lγ ) ] ×[ Ξ 2 ( p )ch( lγ ) Ξ 1 ( p ) ] ] } MathType@MTEF@5@5@+= feaagKart1ev2aaatCvAUfeBSjuyZL2yd9gzLbvyNv2CaerbuLwBLn hiov2DGi1BTfMBaeXatLxBI9gBaerbd9wDYLwzYbItLDharqqtubsr 4rNCHbGeaGqk0Jf9crFfpeea0xh9v8qiW7rqqrFfpeea0xe9Lq=Jc9 vqaqpepm0xbba9pwe9Q8fs0=yqaqpepae9pg0FirpepeKkFr0xfr=x fr=xb9adbiqaaeaacaGaaiaabmqaamaabaabaaGcbaGaeuONdG1aaS baaSqaaiaaigdaaeqaaOWaaeWaaeaacaWGWbaacaGLOaGaayzkaaGa eyypa0ZaaeWaaeaacaWGnbWaaSbaaSqaaiaaigdaaeqaaOGaamiCam aaCaaaleqabaGaaGOmaaaaaOGaayjkaiaawMcaamaaCaaaleqabaGa eyOeI0IaaGymaaaakiabgEna0oaacmaaeaqabeaacqGHsislcaWGgb WaaSbaaSqaaiaaigdaaeqaaOWaaeWaaeaacaWGWbaacaGLOaGaayzk aaGaey4kaSYaaeWaaeaadaWcgaqaaiaaigdaaeaacqaHhpWydaqhaa WcbaGaamyAaiaadQgaaeaacqqHOoqwaaaaaaGccaGLOaGaayzkaaaa baGaey41aq7aamWaaqaabeqaaiaadsgadaWgaaWcbaGaamyBaiaadM gaaeqaaOGaeuiQdK1aaSbaaSqaaiaad2gaaeqaaOWaaeWaaeaacaWG WbaacaGLOaGaayzkaaGaey4kaSYaamWaaeaadaWcgaqaaiabeo7aNb qaaiaabohacaqGObWaaeWaaeaacaWGSbGaeq4SdCgacaGLOaGaayzk aaaaaaGaay5waiaaw2faaaqaaiabgEna0oaadmaabaGaeuONdG1aaS baaSqaaiaaikdaaeqaaOWaaeWaaeaacaWGWbaacaGLOaGaayzkaaGa eyOeI0Iaae4yaiaabIgadaqadaqaaiaadYgacqaHZoWzaiaawIcaca GLPaaacqqHEoawdaWgaaWcbaGaaGymaaqabaGcdaqadaqaaiaadcha aiaawIcacaGLPaaaaiaawUfacaGLDbaaaaGaay5waiaaw2faaaaaca GL7bGaayzFaaaaaa@82C7@

Ξ 2 ( p )= ( M 2 p 2 ) 1 ×{ F 2 ( p )+( 1/ χ ij Ψ )× ×[ d mi Ψ m ( p )+[ γ/ sh( lγ ) ] ×[ Ξ 1 ( p )ch( lγ ) Ξ 2 ( p ) ] ] } MathType@MTEF@5@5@+= feaagKart1ev2aaatCvAUfeBSjuyZL2yd9gzLbvyNv2CaerbuLwBLn hiov2DGi1BTfMBaeXatLxBI9gBaerbd9wDYLwzYbItLDharqqtubsr 4rNCHbGeaGqk0Jf9crFfpeea0xh9v8qiW7rqqrFfpeea0xe9Lq=Jc9 vqaqpepm0xbba9pwe9Q8fs0=yqaqpepae9pg0FirpepeKkFr0xfr=x fr=xb9adbiqaaeaacaGaaiaabmqaamaabaabaaGcbaGaeuONdG1aaS baaSqaaiaaikdaaeqaaOWaaeWaaeaacaWGWbaacaGLOaGaayzkaaGa eyypa0ZaaeWaaeaacaWGnbWaaSbaaSqaaiaaikdaaeqaaOGaamiCam aaCaaaleqabaGaaGOmaaaaaOGaayjkaiaawMcaamaaCaaaleqabaGa eyOeI0IaaGymaaaakiabgEna0oaacmaaeaqabeaacqGHsislcaWGgb WaaSbaaSqaaiaaikdaaeqaaOWaaeWaaeaacaWGWbaacaGLOaGaayzk aaGaey4kaSYaaeWaaeaadaWcgaqaaiaaigdaaeaacqaHhpWydaqhaa WcbaGaamyAaiaadQgaaeaacqqHOoqwaaaaaaGccaGLOaGaayzkaaGa ey41aqlabaGaey41aq7aamWaaqaabeqaaiaadsgadaWgaaWcbaGaam yBaiaadMgaaeqaaOGaeuiQdK1aaSbaaSqaaiaad2gaaeqaaOWaaeWa aeaacaWGWbaacaGLOaGaayzkaaGaey4kaSYaamWaaeaadaWcgaqaai abeo7aNbqaaiaabohacaqGObWaaeWaaeaacaWGSbGaeq4SdCgacaGL OaGaayzkaaaaaaGaay5waiaaw2faaaqaaiabgEna0oaadmaabaGaeu ONdG1aaSbaaSqaaiaaigdaaeqaaOWaaeWaaeaacaWGWbaacaGLOaGa ayzkaaGaeyOeI0Iaae4yaiaabIgadaqadaqaaiaadYgacqaHZoWzai aawIcacaGLPaaacqqHEoawdaWgaaWcbaGaaGOmaaqabaGcdaqadaqa aiaadchaaiaawIcacaGLPaaaaiaawUfacaGLDbaaaaGaay5waiaaw2 faaaaacaGL7bGaayzFaaaaaa@84E1@

Figure 1 Structural scheme of electromagnetoelastic actuator for nano biomechanics.

where χ ij Ψ = s ij Ψ / S 0 MathType@MTEF@5@5@+= feaagKart1ev2aaatCvAUfeBSjuyZL2yd9gzLbvyNv2CaerbuLwBLn hiov2DGi1BTfMBaeXatLxBI9gBaerbd9wDYLwzYbItLDharqqtubsr 4rNCHbGeaGqk0Jf9crFfpeea0xh9v8qiW7rqqrFfpeea0xe9Lq=Jc9 vqaqpepm0xbba9pwe9Q8fs0=yqaqpepae9pg0FirpepeKkFr0xfr=x fr=xb9adbiqaaeaacaGaaiaabmqaamaabaabaaGcbaGaeq4Xdm2aa0 baaSqaaiaadMgacaWGQbaabaGaeuiQdKfaaOGaeyypa0ZaaSGbaeaa caWGZbWaa0baaSqaaiaadMgacaWGQbaabaGaeuiQdKfaaaGcbaGaam 4uamaaBaaaleaacaaIWaaabeaaaaaaaa@44D8@ , d mi ={ d 33 , d 31 , d 15 d 33 , d 31 , d 15 MathType@MTEF@5@5@+= feaagKart1ev2aaatCvAUfeBSjuyZL2yd9gzLbvyNv2CaerbuLwBLn hiov2DGi1BTfMBaeXatLxBI9gBaerbd9wDYLwzYbItLDharqqtubsr 4rNCHbGeaGqk0Jf9crFfpeea0xh9v8qiW7rqqrFfpeea0xe9Lq=Jc9 vqaqpepm0xbba9pwe9Q8fs0=yqaqpepae9pg0FirpepeKkFr0xfr=x fr=xb9adbiqaaeaacaGaaiaabmqaamaabaabaaGcbaGaamizamaaBa aaleaacaWGTbGaamyAaaqabaGccqGH9aqpdaGabaqaauaabeqaceaa aeaacaWGKbWaaSbaaSqaaiaaiodacaaIZaaabeaakiaacYcacaWGKb WaaSbaaSqaaiaaiodacaaIXaaabeaakiaacYcacaWGKbWaaSbaaSqa aiaaigdacaaI1aaabeaaaOqaaiaadsgadaWgaaWcbaGaaG4maiaaio daaeqaaOGaaiilaiaadsgadaWgaaWcbaGaaG4maiaaigdaaeqaaOGa aiilaiaadsgadaWgaaWcbaGaaGymaiaaiwdaaeqaaaaaaOGaay5Eaa aaaa@4F87@ , Ψ m ={ E 3 , E 1 H 3 , H 1 MathType@MTEF@5@5@+= feaagKart1ev2aaatCvAUfeBSjuyZL2yd9gzLbvyNv2CaerbuLwBLn hiov2DGi1BTfMBaeXatLxBI9gBaerbd9wDYLwzYbItLDharqqtubsr 4rNCHbGeaGqk0Jf9crFfpeea0xh9v8qiW7rqqrFfpeea0xe9Lq=Jc9 vqaqpepm0xbba9pwe9Q8fs0=yqaqpepae9pg0FirpepeKkFr0xfr=x fr=xb9adbiqaaeaacaGaaiaabmqaamaabaabaaGcbaGaeuiQdK1aaS baaSqaaiaad2gaaeqaaOGaeyypa0ZaaiqaaeaafaqabeGabaaabaGa amyramaaBaaaleaacaaIZaaabeaakiaacYcacaWGfbWaaSbaaSqaai aaigdaaeqaaaGcbaGaamisamaaBaaaleaacaaIZaaabeaakiaacYca caWGibWaaSbaaSqaaiaaigdaaeqaaaaaaOGaay5Eaaaaaa@4543@ , s ij Ψ ={ s 33 E , s 11 E , s 55 E s 33 H , s 11 H , s 55 H MathType@MTEF@5@5@+= feaagKart1ev2aaatCvAUfeBSjuyZL2yd9gzLbvyNv2CaerbuLwBLn hiov2DGi1BTfMBaeXatLxBI9gBaerbd9wDYLwzYbItLDharqqtubsr 4rNCHbGeaGqk0Jf9crFfpeea0xh9v8qiW7rqqrFfpeea0xe9Lq=Jc9 vqaqpepm0xbba9pwe9Q8fs0=yqaqpepae9pg0FirpepeKkFr0xfr=x fr=xb9adbiqaaeaacaGaaiaabmqaamaabaabaaGcbaGaam4CamaaDa aaleaacaWGPbGaamOAaaqaaiabfI6azbaakiabg2da9maaceaabaqb aeqabiqaaaqaaiaadohadaqhaaWcbaGaaG4maiaaiodaaeaacaWGfb aaaOGaaiilaiaadohadaqhaaWcbaGaaGymaiaaigdaaeaacaWGfbaa aOGaaiilaiaadohadaqhaaWcbaGaaGynaiaaiwdaaeaacaWGfbaaaa GcbaGaam4CamaaDaaaleaacaaIZaGaaG4maaqaaiaadIeaaaGccaGG SaGaam4CamaaDaaaleaacaaIXaGaaGymaaqaaiaadIeaaaGccaGGSa Gaam4CamaaDaaaleaacaaI1aGaaGynaaqaaiaadIeaaaaaaaGccaGL 7baaaaa@564C@ , γ={ γ E γ H MathType@MTEF@5@5@+= feaagKart1ev2aaatCvAUfeBSjuyZL2yd9gzLbvyNv2CaerbuLwBLn hiov2DGi1BTfMBaeXatLxBI9gBaerbd9wDYLwzYbItLDharqqtubsr 4rNCHbGeaGqk0Jf9crFfpeea0xh9v8qiW7rqqrFfpeea0xe9Lq=Jc9 vqaqpepm0xbba9pwe9Q8fs0=yqaqpepae9pg0FirpepeKkFr0xfr=x fr=xb9adbiqaaeaacaGaaiaabmqaamaabaabaaGcbaGaeq4SdCMaey ypa0ZaaiqaaeaafaqabeGabaaabaGaeq4SdC2aaWbaaSqabeaacaWG fbaaaaGcbaGaeq4SdC2aaWbaaSqabeaacaWGibaaaaaaaOGaay5Eaa aaaa@4130@ , E MathType@MTEF@5@5@+= feaagKart1ev2aaatCvAUfeBSjuyZL2yd9gzLbvyNv2CaerbuLwBLn hiov2DGi1BTfMBaeXatLxBI9gBaerbd9wDYLwzYbItLDharqqtubsr 4rNCHbGeaGqk0Jf9crFfpeea0xh9v8qiW7rqqrFfpeea0xe9Lq=Jc9 vqaqpepm0xbba9pwe9Q8fs0=yqaqpepae9pg0FirpepeKkFr0xfr=x fr=xb9adbiqaaeaacaGaaiaabmqaamaabaabaaGcbaGaamyraaaa@38D3@ , H MathType@MTEF@5@5@+= feaagKart1ev2aaatCvAUfeBSjuyZL2yd9gzLbvyNv2CaerbuLwBLn hiov2DGi1BTfMBaeXatLxBI9gBaerbd9wDYLwzYbItLDharqqtubsr 4rNCHbGeaGqk0Jf9crFfpeea0xh9v8qiW7rqqrFfpeea0xe9Lq=Jc9 vqaqpepm0xbba9pwe9Q8fs0=yqaqpepae9pg0FirpepeKkFr0xfr=x fr=xb9adbiqaaeaacaGaaiaabmqaamaabaabaaGcbaGaamisaaaa@38D6@  are the intensity of electric field  and the intensity of magnetic field.

Figure 1: Structural scheme of electromagnetoelastic actuator for nano biomechanics.

Therefore, the matrix equation of an electromagnetoelastic actuator has the form

( Ξ 1 ( p ) Ξ 2 ( p ) )=( W 11 ( p ) W 12 ( p ) W 13 ( p ) W 21 ( p ) W 22 ( p ) W 23 ( p ) )( Ψ m ( p ) F 1 ( p ) F 2 ( p ) ) MathType@MTEF@5@5@+= feaagKart1ev2aaatCvAUfeBSjuyZL2yd9gzLbvyNv2CaerbuLwBLn hiov2DGi1BTfMBaeXatLxBI9gBaerbd9wDYLwzYbItLDharqqtubsr 4rNCHbGeaGqk0Jf9crFfpeea0xh9v8qiW7rqqrFfpeea0xe9Lq=Jc9 vqaqpepm0xbba9pwe9Q8fs0=yqaqpepae9pg0FirpepeKkFr0xfr=x fr=xb9adbiqaaeaacaGaaiaabmqaamaabaabaaGcbaWaaeWaaeaafa qabeGabaaabaGaeuONdG1aaSbaaSqaaiaaigdaaeqaaOWaaeWaaeaa caWGWbaacaGLOaGaayzkaaaabaGaeuONdG1aaSbaaSqaaiaaikdaae qaaOWaaeWaaeaacaWGWbaacaGLOaGaayzkaaaaaaGaayjkaiaawMca aiabg2da9maabmaabaqbaeqabiqaaaqaauaabeqabmaaaeaacaWGxb WaaSbaaSqaaiaaigdacaaIXaaabeaakmaabmaabaGaamiCaaGaayjk aiaawMcaaaqaaiaadEfadaWgaaWcbaGaaGymaiaaikdaaeqaaOWaae WaaeaacaWGWbaacaGLOaGaayzkaaaabaGaam4vamaaBaaaleaacaaI XaGaaG4maaqabaGcdaqadaqaaiaadchaaiaawIcacaGLPaaaaaaaba qbaeqabeWaaaqaaiaadEfadaWgaaWcbaGaaGOmaiaaigdaaeqaaOWa aeWaaeaacaWGWbaacaGLOaGaayzkaaaabaGaam4vamaaBaaaleaaca aIYaGaaGOmaaqabaGcdaqadaqaaiaadchaaiaawIcacaGLPaaaaeaa caWGxbWaaSbaaSqaaiaaikdacaaIZaaabeaakmaabmaabaGaamiCaa GaayjkaiaawMcaaaaaaaaacaGLOaGaayzkaaGaaGjbVpaabmaabaqb aeqabmqaaaqaaiabfI6aznaaBaaaleaacaWGTbaakeqaamaabmaaba GaamiCaaGaayjkaiaawMcaaaqaaiaadAeadaWgaaWcbaGaaGymaaqa baGcdaqadaqaaiaadchaaiaawIcacaGLPaaaaeaacaWGgbWaaSbaaS qaaiaaikdaaeqaaOWaaeWaaeaacaWGWbaacaGLOaGaayzkaaaaaaGa ayjkaiaawMcaaaaa@753C@

The equation of the direct piezoelectric effect for the piezo actuator [10-14] has the form

D m = d mi T i + ε mk E E k MathType@MTEF@5@5@+= feaagKart1ev2aaatCvAUfeBSjuyZL2yd9gzLbvyNv2CaerbuLwBLn hiov2DGi1BTfMBaeXatLxBI9gBaerbd9wDYLwzYbItLDharqqtubsr 4rNCHbGeaGqk0Jf9crFfpeea0xh9v8qiW7rqqrFfpeea0xe9Lq=Jc9 vqaqpepm0xbba9pwe9Q8fs0=yqaqpepae9pg0FirpepeKkFr0xfr=x fr=xb9adbiqaaeaacaGaaiaabmqaamaabaabaaGcbaGaamiramaaBa aaleaacaWGTbaabeaakiabg2da9iaadsgadaWgaaWcbaGaamyBaiaa dMgaaeqaaOGaamivamaaBaaaleaacaWGPbaabeaakiabgUcaRiabew 7aLTWaa0baaeaacaWGTbGaam4AaaqaaiaadweaaaGccaWGfbWaaSba aSqaaiaadUgaaeqaaaaa@474E@

Where D m MathType@MTEF@5@5@+= feaagKart1ev2aaatCvAUfeBSjuyZL2yd9gzLbvyNv2CaerbuLwBLn hiov2DGi1BTfMBaeXatLxBI9gBaerbd9wDYLwzYbItLDharqqtubsr 4rNCHbGeaGqk0Jf9crFfpeea0xh9v8qiW7rqqrFfpeea0xe9Lq=Jc9 vqaqpepm0xbba9pwe9Q8fs0=yqaqpepae9pg0FirpepeKkFr0xfr=x fr=xb9adbiqaaeaacaGaaiaabmqaamaabaabaaGcbaGaamiramaaBa aaleaacaWGTbaabeaaaaa@39F0@ , ε mk E MathType@MTEF@5@5@+= feaagKart1ev2aaatCvAUfeBSjuyZL2yd9gzLbvyNv2CaerbuLwBLn hiov2DGi1BTfMBaeXatLxBI9gBaerbd9wDYLwzYbItLDharqqtubsr 4rNCHbGeaGqk0Jf9crFfpeea0xh9v8qiW7rqqrFfpeea0xe9Lq=Jc9 vqaqpepm0xbba9pwe9Q8fs0=yqaqpepae9pg0FirpepeKkFr0xfr=x fr=xb9adbiqaaeaacaGaaiaabmqaamaabaabaaGcbaGaeqyTdu2aa0 baaSqaaiaad2gacaWGRbaabaGaamyraaaaaaa@3C89@  are the electric induction and the permittivity; k=1,2,3 MathType@MTEF@5@5@+= feaagKart1ev2aaatCvAUfeBSjuyZL2yd9gzLbvyNv2CaerbuLwBLn hiov2DGi1BTfMBaeXatLxBI9gBaerbd9wDYLwzYbItLDharqqtubsr 4rNCHbGeaGqk0Jf9crFfpeea0xh9v8qiW7rqqrFfpeea0xe9Lq=Jc9 vqaqpepm0xbba9pwe9Q8fs0=yqaqpepae9pg0FirpepeKkFr0xfr=x fr=xb9adbiqaaeaacaGaaiaabmqaamaabaabaaGcbaGaam4Aaiabg2 da9iaaigdacaGGSaGaaGjbVlaaikdacaGGSaGaaGjbVlaaiodaaaa@40AD@ , The coefficient of the direct piezoelectric effect k d MathType@MTEF@5@5@+= feaagKart1ev2aaatCvAUfeBSjuyZL2yd9gzLbvyNv2CaerbuLwBLn hiov2DGi1BTfMBaeXatLxBI9gBaerbd9wDYLwzYbItLDharqqtubsr 4rNCHbGeaGqk0Jf9crFfpeea0xh9v8qiW7rqqrFfpeea0xe9Lq=Jc9 vqaqpepm0xbba9pwe9Q8fs0=yqaqpepae9pg0FirpepeKkFr0xfr=x fr=xb9adbiqaaeaacaGaaiaabmqaamaabaabaaGcbaGaam4AamaaBa aaleaacaWGKbaabeaaaaa@3A0E@  for the Piezo actuator for E=const MathType@MTEF@5@5@+= feaagKart1ev2aaatCvAUfeBSjuyZL2yd9gzLbvyNv2CaerbuLwBLn hiov2DGi1BTfMBaeXatLxBI9gBaerbd9wDYLwzYbItLDharqqtubsr 4rNCHbGeaGqk0Jf9crFfpeea0xh9v8qiW7rqqrFfpeea0xe9Lq=Jc9 vqaqpepm0xbba9pwe9Q8fs0=yqaqpepae9pg0FirpepeKkFr0xfr=x fr=xb9adbiqaaeaacaGaaiaabmqaamaabaabaaGcbaGaamyraiabg2 da9iaabogacaqGVbGaaeOBaiaabohacaqG0baaaa@3E8F@  has the form

k d = I Ξ ˙ n ( p ) Ξ n ( p ) = d mi S 0 δ s ij E MathType@MTEF@5@5@+= feaagKart1ev2aaatCvAUfeBSjuyZL2yd9gzLbvyNv2CaerbuLwBLn hiov2DGi1BTfMBaeXatLxBI9gBaerbd9wDYLwzYbItLDharqqtubsr 4rNCHbGeaGqk0Jf9crFfpeea0xh9v8qiW7rqqrFfpeea0xe9Lq=Jc9 vqaqpepm0xbba9pwe9Q8fs0=yqaqpepae9pg0FirpepeKkFr0xfr=x fr=xb9adbiqaaeaacaGaaiaabmqaamaabaabaaGcbaGaam4AamaaBa aaleaacaWGKbaabeaakiabg2da9maalaaabaGaamysaSWaaSbaaeaa cuqHEoawgaGaamaaBaaabaGaamOBaaqabaaabeaakmaabmaabaGaam iCaaGaayjkaiaawMcaaaqaamaaxacabaGaeuONdGfaleqabaGaeyOi GClaamaaBaaabaWaaSbaaeaacaWGUbaabeaaaeqaaOWaaeWaaeaaca WGWbaacaGLOaGaayzkaaaaaiabg2da9maalaaabaGaamizaSWaaSba aeaacaWGTbGaamyAaaqabaGccaWGtbWcdaWgaaqaaiaaicdaaeqaaa GcbaGaeqiTdqMaam4CamaaDaaaleaacaWGPbGaamOAaaqaaiaadwea aaaaaaaa@53AE@ n=1,2 MathType@MTEF@5@5@+= feaagKart1ev2aaatCvAUfeBSjuyZL2yd9gzLbvyNv2CaerbuLwBLn hiov2DGi1BTfMBaeXatLxBI9gBaerbd9wDYLwzYbItLDharqqtubsr 4rNCHbGeaGqk0Jf9crFfpeea0xh9v8qiW7rqqrFfpeea0xe9Lq=Jc9 vqaqpepm0xbba9pwe9Q8fs0=yqaqpepae9pg0FirpepeKkFr0xfr=x fr=xb9adbiqaaeaacaGaaiaabmqaamaabaabaaGcbaGaamOBaiabg2 da9iaaigdacaGGSaGaaGjbVlaaikdaaaa@3DB6@

where I Ξ ˙ n ( p ) MathType@MTEF@5@5@+= feaagKart1ev2aaatCvAUfeBSjuyZL2yd9gzLbvyNv2CaerbuLwBLn hiov2DGi1BTfMBaeXatLxBI9gBaerbd9wDYLwzYbItLDharqqtubsr 4rNCHbGeaGqk0Jf9crFfpeea0xh9v8qiW7rqqrFfpeea0xe9Lq=Jc9 vqaqpepm0xbba9pwe9Q8fs0=yqaqpepae9pg0FirpepeKkFr0xfr=x fr=xb9adbiqaaeaacaGaaiaabmqaamaabaabaaGcbaGaamysaSWaaS baaeaacuqHEoawgaGaamaaBaaabaGaamOBaaqabaaabeaakmaabmaa baGaamiCaaGaayjkaiaawMcaaaaa@3E2C@ , Ξ n ( p ) MathType@MTEF@5@5@+= feaagKart1ev2aaatCvAUfeBSjuyZL2yd9gzLbvyNv2CaerbuLwBLn hiov2DGi1BTfMBaeXatLxBI9gBaerbd9wDYLwzYbItLDharqqtubsr 4rNCHbGeaGqk0Jf9crFfpeea0xh9v8qiW7rqqrFfpeea0xe9Lq=Jc9 vqaqpepm0xbba9pwe9Q8fs0=yqaqpepae9pg0FirpepeKkFr0xfr=x fr=xb9adbiqaaeaacaGaaiaabmqaamaabaabaaGcbaWaaCbiaeaacq qHEoawaSqabeaacqGHIaYTaaGcdaWgaaWcbaWaaSbaaeaacaWGUbaa beaaaeqaaOWaaeWaaeaacaWGWbaacaGLOaGaayzkaaaaaa@3F2D@  are transforms of Laplace for the current and the velocity; n MathType@MTEF@5@5@+= feaagKart1ev2aaatCvAUfeBSjuyZL2yd9gzLbvyNv2CaerbuLwBLn hiov2DGi1BTfMBaeXatLxBI9gBaerbd9wDYLwzYbItLDharqqtubsr 4rNCHbGeaGqk0Jf9crFfpeea0xh9v8qiW7rqqrFfpeea0xe9Lq=Jc9 vqaqpepm0xbba9pwe9Q8fs0=yqaqpepae9pg0FirpepeKkFr0xfr=x fr=xb9adbiqaaeaacaGaaiaabmqaamaabaabaaGcbaGaamOBaaaa@38FC@  is the number of the face actuator.

The transform of Laplace for the voltage of the negative feedback has the form

U Ξ ˙ n ( p )= d mi S 0 R δ s ij E Ξ n ( p ) MathType@MTEF@5@5@+= feaagKart1ev2aaatCvAUfeBSjuyZL2yd9gzLbvyNv2CaerbuLwBLn hiov2DGi1BTfMBaeXatLxBI9gBaerbd9wDYLwzYbItLDharqqtubsr 4rNCHbGeaGqk0Jf9crFfpeea0xh9v8qiW7rqqrFfpeea0xe9Lq=Jc9 vqaqpepm0xbba9pwe9Q8fs0=yqaqpepae9pg0FirpepeKkFr0xfr=x fr=xb9adbiqaaeaacaGaaiaabmqaamaabaabaaGcbaGaamyvaSWaaS baaeaacuqHEoawgaGaamaaBaaabaGaamOBaaqabaaabeaakmaabmaa baGaamiCaaGaayjkaiaawMcaaiabg2da9maalaaabaGaamizaSWaaS baaeaacaWGTbGaamyAaaqabaGccaWGtbWcdaWgaaqaaiaaicdaaeqa aOGaamOuaaqaaiabes7aKjaadohadaqhaaWcbaGaamyAaiaadQgaae aacaWGfbaaaaaakmaaxacabaGaeuONdGfaleqabaGaeyOiGClaamaa BaaabaWaaSbaaeaacaWGUbaabeaaaeqaaOWaaeWaaeaacaWGWbaaca GLOaGaayzkaaaaaa@5176@ n=1,2 MathType@MTEF@5@5@+= feaagKart1ev2aaatCvAUfeBSjuyZL2yd9gzLbvyNv2CaerbuLwBLn hiov2DGi1BTfMBaeXatLxBI9gBaerbd9wDYLwzYbItLDharqqtubsr 4rNCHbGeaGqk0Jf9crFfpeea0xh9v8qiW7rqqrFfpeea0xe9Lq=Jc9 vqaqpepm0xbba9pwe9Q8fs0=yqaqpepae9pg0FirpepeKkFr0xfr=x fr=xb9adbiqaaeaacaGaaiaabmqaamaabaabaaGcbaGaamOBaiabg2 da9iaaigdacaGGSaGaaGjbVlaaikdaaaa@3DB6@

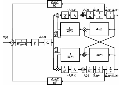
After conversion with negative feedbacks Figure 1 structural scheme of the piezo actuator has form Figure 2.

Figure 2 Structural scheme of piezo actuator for nano biomechanics.

The coefficient of the reverse piezoelectric effect k r MathType@MTEF@5@5@+= feaagKart1ev2aaatCvAUfeBSjuyZL2yd9gzLbvyNv2CaerbuLwBLn hiov2DGi1BTfMBaeXatLxBI9gBaerbd9wDYLwzYbItLDharqqtubsr 4rNCHbGeaGqk0Jf9crFfpeea0xh9v8qiW7rqqrFfpeea0xe9Lq=Jc9 vqaqpepm0xbba9pwe9Q8fs0=yqaqpepae9pg0FirpepeKkFr0xfr=x fr=xb9adbiqaaeaacaGaaiaabmqaamaabaabaaGcbaGaam4AamaaBa aaleaacaWGYbaabeaaaaa@3A1C@  has the form

k r = k d = d mi S 0 δ s ij E MathType@MTEF@5@5@+= feaagKart1ev2aaatCvAUfeBSjuyZL2yd9gzLbvyNv2CaerbuLwBLn hiov2DGi1BTfMBaeXatLxBI9gBaerbd9wDYLwzYbItLDharqqtubsr 4rNCHbGeaGqk0Jf9crFfpeea0xh9v8qiW7rqqrFfpeea0xe9Lq=Jc9 vqaqpepm0xbba9pwe9Q8fs0=yqaqpepae9pg0FirpepeKkFr0xfr=x fr=xb9adbiqaaeaacaGaaiaabmqaamaabaabaaGcbaGaam4AamaaBa aaleaacaWGYbaabeaakiabg2da9iaadUgadaWgaaWcbaGaamizaaqa baGccqGH9aqpdaWcaaqaaiaadsgalmaaBaaabaGaamyBaiaadMgaae qaaOGaam4uaSWaaSbaaeaacaaIWaaabeaaaOqaaiabes7aKjaadoha daqhaaWcbaGaamyAaiaadQgaaeaacaWGfbaaaaaaaaa@4889@

Figure 2: Structural scheme of piezo actuator for nano biomechanics.

The structural scheme of the piezo actuator with one fixed end face at the lumped parameters is obtained on Figure 3.

Figure 3 Structural scheme of piezo actuator with one fixed end face at elastic-inertial load.

The transfer function of the piezo actuator with one fixed end face at the lumped parameters on Figure 3 at R = 0 MathType@MTEF@5@5@+= feaagKart1ev2aaatCvAUfeBSjuyZL2yd9gzLbvyNv2CaerbuLwBLn hiov2DGi1BTfMBaeXatLxBI9gBaerbd9wDYLwzYbItLDharqqtubsr 4rNCHbGeaGqk0Jf9crFfpeea0xh9v8qiW7rqqrFfpeea0xe9Lq=Jc9 vqaqpepm0xbba9pwe9Q8fs0=yqaqpepae9pg0FirpepeKkFr0xfr=x fr=xb9adbiqaaeaacaGaaiaabmqaamaabaabaaGcbaGaamOuaiabg2 da9iaaicdaaaa@3AA0@  has the form

W( p )= Ξ 2 ( p ) U( p ) = k r M 2 p 2 + k v p+ C ij E +C e MathType@MTEF@5@5@+= feaagKart1ev2aaatCvAUfeBSjuyZL2yd9gzLbvyNv2CaerbuLwBLn hiov2DGi1BTfMBaeXatLxBI9gBaerbd9wDYLwzYbItLDharqqtubsr 4rNCHbGeaGqk0Jf9crFfpeea0xh9v8qiW7rqqrFfpeea0xe9Lq=Jc9 vqaqpepm0xbba9pwe9Q8fs0=yqaqpepae9pg0FirpepeKkFr0xfr=x fr=xb9adbiqaaeaacaGaaiaabmqaamaabaabaaGcbaGaam4vamaabm aabaGaamiCaaGaayjkaiaawMcaaiabg2da9maalaaabaGaeuONdG1a aSbaaSqaaiaaikdaaeqaaOWaaeWaaeaacaWGWbaacaGLOaGaayzkaa aabaGaamyvamaabmaabaGaamiCaaGaayjkaiaawMcaaaaacqGH9aqp daWcaaqaaiaadUgadaWgaaWcbaGaamOCaaqabaaakeaacaWGnbWaaS baaSqaaiaaikdaaeqaaOGaamiCaSWaaWbaaeqabaGaaGOmaaaacqGH RaWkkiaadUgadaWgaaWcbaGaamODaaqabaGccaWGWbGaey4kaSIaam 4qaSWaa0baaeaacaWGPbGaamOAaaqaaiaadweaaaGccqGHRaWkcaWG dbWcdaWgbaqaaiaadwgaaeqaaaaaaaa@56E5@

where U( p ) MathType@MTEF@5@5@+= feaagKart1ev2aaatCvAUfeBSjuyZL2yd9gzLbvyNv2CaerbuLwBLn hiov2DGi1BTfMBaeXatLxBI9gBaerbd9wDYLwzYbItLDharqqtubsr 4rNCHbGeaGqk0Jf9crFfpeea0xh9v8qiW7rqqrFfpeea0xe9Lq=Jc9 vqaqpepm0xbba9pwe9Q8fs0=yqaqpepae9pg0FirpepeKkFr0xfr=x fr=xb9adbiqaaeaacaGaaiaabmqaamaabaabaaGcbaGaamyvamaabm aabaGaamiCaaGaayjkaiaawMcaaaaa@3B61@ is a transformation of the voltage for the Piezoactuator.

Therefore, the transfer function of the piezo actuator with one fixed end face has the form

W( p )= Ξ 2 ( p ) U( p ) = d mi ( l/δ ) ( 1+ C e / C ij E ) ( T t 2 p 2 +2 T t ξ t p+1 ) MathType@MTEF@5@5@+= feaagKart1ev2aaatCvAUfeBSjuyZL2yd9gzLbvyNv2CaerbuLwBLn hiov2DGi1BTfMBaeXatLxBI9gBaerbd9wDYLwzYbItLDharqqtubsr 4rNCHbGeaGqk0Jf9crFfpeea0xh9v8qiW7rqqrFfpeea0xe9Lq=Jc9 vqaqpepm0xbba9pwe9Q8fs0=yqaqpepae9pg0FirpepeKkFr0xfr=x fr=xb9adbiqaaeaacaGaaiaabmqaamaabaabaaGcbaGaam4vamaabm aabaGaamiCaaGaayjkaiaawMcaaiabg2da9maalaaabaGaeuONdG1a aSbaaSqaaiaaikdaaeqaaOWaaeWaaeaacaWGWbaacaGLOaGaayzkaa aabaGaamyvamaabmaabaGaamiCaaGaayjkaiaawMcaaaaacqGH9aqp daWcaaqaaiaadsgalmaaBaaabaGaamyBaiaadMgaaeqaaOWaaeWaae aadaWcgaqaaiaadYgaaeaacqaH0oazaaaacaGLOaGaayzkaaaabaWa aeWaaeaacaaIXaGaey4kaSYaaSGbaeaacaWGdbWcdaWgaaqaaiaadw gaaeqaaaGcbaGaam4qaSWaa0baaeaacaWGPbGaamOAaaqaaiaadwea aaaaaaGccaGLOaGaayzkaaWaa0baaSqaaaqaaaaakmaabmaabaGaam ivaSWaa0baaeaacaWG0baabaGaaGOmaaaakiaadchalmaaCaaabeqa aiaaikdaaaGccqGHRaWkcaaIYaGaamivamaaBaaaleaacaWG0baake qaaiabe67a4TWaaSbaaeaacaWG0baabeaakiaadchacqGHRaWkcaaI XaaacaGLOaGaayzkaaaaaaaa@6570@

T t = M 2 / ( C ij E +C e ) MathType@MTEF@5@5@+= feaagKart1ev2aaatCvAUfeBSjuyZL2yd9gzLbvyNv2CaerbuLwBLn hiov2DGi1BTfMBaeXatLxBI9gBaerbd9wDYLwzYbItLDharqqtubsr 4rNCHbGeaGqk0Jf9crFfpeea0xh9v8qiW7rqqrFfpeea0xe9Lq=Jc9 vqaqpepm0xbba9pwe9Q8fs0=yqaqpepae9pg0FirpepeKkFr0xfr=x fr=xb9adbiqaaeaacaGaaiaabmqaamaabaabaaGcbaGaamivaSWaaS baaeaacaWG0baabeaakiabg2da9maakaaabaWaaSGbaeaacaWGnbWa aSbaaSqaaiaaikdaaeqaaaGcbaWaaeWaaeaacaWGdbWcdaqhaaqaai aadMgacaWGQbaabaGaamyraaaakiabgUcaRiaadoealmaaBeaabaGa amyzaaqabaaakiaawIcacaGLPaaaaaaaleqaaaaa@4506@ ξ t = k v / ( 2( C ij E +C e ) M 2 ( C ij E +C e ) ) MathType@MTEF@5@5@+= feaagKart1ev2aaatCvAUfeBSjuyZL2yd9gzLbvyNv2CaerbuLwBLn hiov2DGi1BTfMBaeXatLxBI9gBaerbd9wDYLwzYbItLDharqqtubsr 4rNCHbGeaGqk0Jf9crFfpeea0xh9v8qiW7rqqrFfpeea0xe9Lq=Jc9 vqaqpepm0xbba9pwe9Q8fs0=yqaqpepae9pg0FirpepeKkFr0xfr=x fr=xb9adbiqaaeaacaGaaiaabmqaamaabaabaaGcbaGaeqOVdG3cda WgaaqaaiaadshaaeqaaOGaeyypa0ZaaSGbaeaacaWGRbWaaSbaaSqa aiaadAhaaeqaaaGcbaWaaeWaaeaacaaIYaWaaeWaaeaacaWGdbWcda qhaaqaaiaadMgacaWGQbaabaGaamyraaaakiabgUcaRiaadoealmaa BeaabaGaamyzaaqabaaakiaawIcacaGLPaaadaGcaaqaaiaad2eada WgaaWcbaGaaGOmaaqabaGcdaqadaqaaiaadoealmaaDaaabaGaamyA aiaadQgaaeaacaWGfbaaaOGaey4kaSIaam4qaSWaaSraaeaacaWGLb aabeaaaOGaayjkaiaawMcaaaqabaaacaGLOaGaayzkaaaaaaaa@5245@

C ij E = S 0 / ( s ij E l ) =1/ ( χ ij E l ) MathType@MTEF@5@5@+= feaagKart1ev2aaatCvAUfeBSjuyZL2yd9gzLbvyNv2CaerbuLwBLn hiov2DGi1BTfMBaeXatLxBI9gBaerbd9wDYLwzYbItLDharqqtubsr 4rNCHbGeaGqk0Jf9crFfpeea0xh9v8qiW7rqqrFfpeea0xe9Lq=Jc9 vqaqpepm0xbba9pwe9Q8fs0=yqaqpepae9pg0FirpepeKkFr0xfr=x fr=xb9adbiqaaeaacaGaaiaabmqaamaabaabaaGcbaGaam4qaSWaa0 baaeaacaWGPbGaamOAaaqaaiaadweaaaGccqGH9aqpdaWcgaqaaiaa dofadaWgaaWcbaGaaGimaaqabaaakeaadaqadaqaaiaadohalmaaDa aabaGaamyAaiaadQgaaeaacaWGfbaaaOGaamiBaiaaygW7aiaawIca caGLPaaaaaGaeyypa0ZaaSGbaeaacaaIXaaabaWaaeWaaeaacqaHhp WydaqhaaWcbaGaamyAaiaadQgaaeaacaWGfbaaaOGaamiBaaGaayjk aiaawMcaaaaaaaa@4F53@

where T t MathType@MTEF@5@5@+= feaagKart1ev2aaatCvAUfeBSjuyZL2yd9gzLbvyNv2CaerbuLwBLn hiov2DGi1BTfMBaeXatLxBI9gBaerbd9wDYLwzYbItLDharqqtubsr 4rNCHbGeaGqk0Jf9crFfpeea0xh9v8qiW7rqqrFfpeea0xe9Lq=Jc9 vqaqpepm0xbba9pwe9Q8fs0=yqaqpepae9pg0FirpepeKkFr0xfr=x fr=xb9adbiqaaeaacaGaaiaabmqaamaabaabaaGcbaGaamivamaaBa aaleaacaWG0baakeqaaaaa@3A11@ , ξ t MathType@MTEF@5@5@+= feaagKart1ev2aaatCvAUfeBSjuyZL2yd9gzLbvyNv2CaerbuLwBLn hiov2DGi1BTfMBaeXatLxBI9gBaerbd9wDYLwzYbItLDharqqtubsr 4rNCHbGeaGqk0Jf9crFfpeea0xh9v8qiW7rqqrFfpeea0xe9Lq=Jc9 vqaqpepm0xbba9pwe9Q8fs0=yqaqpepae9pg0FirpepeKkFr0xfr=x fr=xb9adbiqaaeaacaGaaiaabmqaamaabaabaaGcbaGaeqOVdG3aaS baaSqaaiaadshaaOqabaaaaa@3AFB@ , C ij E MathType@MTEF@5@5@+= feaagKart1ev2aaatCvAUfeBSjuyZL2yd9gzLbvyNv2CaerbuLwBLn hiov2DGi1BTfMBaeXatLxBI9gBaerbd9wDYLwzYbItLDharqqtubsr 4rNCHbGeaGqk0Jf9crFfpeea0xh9v8qiW7rqqrFfpeea0xe9Lq=Jc9 vqaqpepm0xbba9pwe9Q8fs0=yqaqpepae9pg0FirpepeKkFr0xfr=x fr=xb9adbiqaaeaacaGaaiaabmqaamaabaabaaGcbaGaam4qamaaDa aaleaacaWGPbGaamOAaaqaaiaadweaaaaaaa@3BA5@  are the time constant, the coefficient of attenuation and the stiffness of the piezo actuator at E=const MathType@MTEF@5@5@+= feaagKart1ev2aaatCvAUfeBSjuyZL2yd9gzLbvyNv2CaerbuLwBLn hiov2DGi1BTfMBaeXatLxBI9gBaerbd9wDYLwzYbItLDharqqtubsr 4rNCHbGeaGqk0Jf9crFfpeea0xh9v8qiW7rqqrFfpeea0xe9Lq=Jc9 vqaqpepm0xbba9pwe9Q8fs0=yqaqpepae9pg0FirpepeKkFr0xfr=x fr=xb9adbiqaaeaacaGaaiaabmqaamaabaabaaGcbaGaamyraiabg2 da9iaabogacaqGVbGaaeOBaiaabohacaqG0baaaa@3E8F@ .

The transfer function of the piezo actuator with one fixed end face at the transverse piezoelectric effect has the form

W( p )= Ξ 2 ( p ) U( p ) = d 31 h/δ ( 1+ C e / C 11 E ) ( T t 2 p 2 +2 T t ξ t p+1 ) MathType@MTEF@5@5@+= feaagKart1ev2aaatCvAUfeBSjuyZL2yd9gzLbvyNv2CaerbuLwBLn hiov2DGi1BTfMBaeXatLxBI9gBaerbd9wDYLwzYbItLDharqqtubsr 4rNCHbGeaGqk0Jf9crFfpeea0xh9v8qiW7rqqrFfpeea0xe9Lq=Jc9 vqaqpepm0xbba9pwe9Q8fs0=yqaqpepae9pg0FirpepeKkFr0xfr=x fr=xb9adbiqaaeaacaGaaiaabmqaamaabaabaaGcbaGaam4vamaabm aabaGaamiCaaGaayjkaiaawMcaaiabg2da9maalaaabaGaeuONdG1a aSbaaSqaaiaaikdaaeqaaOWaaeWaaeaacaWGWbaacaGLOaGaayzkaa aabaGaamyvamaabmaabaGaamiCaaGaayjkaiaawMcaaaaacqGH9aqp daWcaaqaaiaadsgalmaaBaaabaGaaG4maiaaigdaaeqaaOWaaSGbae aacaWGObaabaGaeqiTdqgaaaqaamaabmaabaGaaGymaiabgUcaRmaa lyaabaGaam4qaSWaaSbaaeaacaWGLbaabeaaaOqaaiaadoealmaaDa aabaGaaGymaiaaigdaaeaacaWGfbaaaaaaaOGaayjkaiaawMcaamaa DaaaleaaaeaaaaGcdaqadaqaaiaadsfalmaaDaaabaGaamiDaaqaai aaikdaaaGccaWGWbWcdaahaaqabeaacaaIYaaaaOGaey4kaSIaaGOm aiaadsfadaWgaaWcbaGaamiDaaGcbeaacqaH+oaElmaaBaaabaGaam iDaaqabaGccaWGWbGaey4kaSIaaGymaaGaayjkaiaawMcaaaaaaaa@6314@

T t = M 2 / ( C + e C 11 E ) MathType@MTEF@5@5@+= feaagKart1ev2aaatCvAUfeBSjuyZL2yd9gzLbvyNv2CaerbuLwBLn hiov2DGi1BTfMBaeXatLxBI9gBaerbd9wDYLwzYbItLDharqqtubsr 4rNCHbGeaGqk0Jf9crFfpeea0xh9v8qiW7rqqrFfpeea0xe9Lq=Jc9 vqaqpepm0xbba9pwe9Q8fs0=yqaqpepae9pg0FirpepeKkFr0xfr=x fr=xb9adbiqaaeaacaGaaiaabmqaamaabaabaaGcbaGaamivaSWaaS baaeaacaWG0baabeaakiabg2da9maakaaabaWaaSGbaeaacaWGnbWa aSbaaSqaaiaaikdaaeqaaaGcbaWaaeWaaeaacaWGdbWcdaWgbaqaai aadwgaaeqaaOGaey4kaSIaam4qaSWaa0baaeaacaaIXaGaaGymaaqa aiaadweaaaaakiaawIcacaGLPaaaaaaaleqaaaaa@449F@ , ξ t = α h 2 C 11 E / ( 3 c E M( C e + C 11 E ) ) MathType@MTEF@5@5@+= feaagKart1ev2aaatCvAUfeBSjuyZL2yd9gzLbvyNv2CaerbuLwBLn hiov2DGi1BTfMBaeXatLxBI9gBaerbd9wDYLwzYbItLDharqqtubsr 4rNCHbGeaGqk0Jf9crFfpeea0xh9v8qiW7rqqrFfpeea0xe9Lq=Jc9 vqaqpepm0xbba9pwe9Q8fs0=yqaqpepae9pg0FirpepeKkFr0xfr=x fr=xb9adbiqaaeaacaGaaiaabmqaamaabaabaaGcbaGaeqOVdG3cda WgaaqaaiaadshaaeqaaOGaeyypa0ZaaSGbaeaacqaHXoqycaWGObWc daahaaqabeaacaaIYaaaaOGaam4qaSWaa0baaeaacaaIXaGaaGymaa qaaiaadweaaaaakeaadaqadaqaaiaaiodacaWGJbWaaWbaaSqabeaa caWGfbaaaOWaaOaaaeaacaWGnbWaaeWaaeaacaWGdbWcdaWgaaqaai aadwgaaeqaaOGaey4kaSIaam4qaSWaa0baaeaacaaIXaGaaGymaaqa aiaadweaaaaakiaawIcacaGLPaaaaeqaaaGaayjkaiaawMcaaaaaaa a@4F78@

C 11 E = S 0 / ( s 11 E h ) =1/ ( χ 11 E h ) MathType@MTEF@5@5@+= feaagKart1ev2aaatCvAUfeBSjuyZL2yd9gzLbvyNv2CaerbuLwBLn hiov2DGi1BTfMBaeXatLxBI9gBaerbd9wDYLwzYbItLDharqqtubsr 4rNCHbGeaGqk0Jf9crFfpeea0xh9v8qiW7rqqrFfpeea0xe9Lq=Jc9 vqaqpepm0xbba9pwe9Q8fs0=yqaqpepae9pg0FirpepeKkFr0xfr=x fr=xb9adbiqaaeaacaGaaiaabmqaamaabaabaaGcbaGaam4qaSWaa0 baaeaacaaIXaGaaGymaaqaaiaadweaaaGccqGH9aqpdaWcgaqaaiaa dofadaWgaaWcbaGaaGimaaqabaaakeaadaqadaqaaiaadohadaqhaa WcbaGaaGymaiaaigdaaeaacaWGfbaaaOGaamiAaiaaygW7aiaawIca caGLPaaaaaGaeyypa0ZaaSGbaeaacaaIXaaabaWaaeWaaeaacqaHhp WydaqhaaWcbaGaaGymaiaaigdaaeaacaWGfbaaaOGaamiAaaGaayjk aiaawMcaaaaaaaa@4E16@

where h MathType@MTEF@5@5@+= feaagKart1ev2aaatCvAUfeBSjuyZL2yd9gzLbvyNv2CaerbuLwBLn hiov2DGi1BTfMBaeXatLxBI9gBaerbd9wDYLwzYbItLDharqqtubsr 4rNCHbGeaGqk0Jf9crFfpeea0xh9v8qiW7rqqrFfpeea0xe9Lq=Jc9 vqaqpepm0xbba9pwe9Q8fs0=yqaqpepae9pg0FirpepeKkFr0xfr=x fr=xb9adbiqaaeaacaGaaiaabmqaamaabaabaaGcbaGaamiAaaaa@38F6@ , δ MathType@MTEF@5@5@+= feaagKart1ev2aaatCvAUfeBSjuyZL2yd9gzLbvyNv2CaerbuLwBLn hiov2DGi1BTfMBaeXatLxBI9gBaerbd9wDYLwzYbItLDharqqtubsr 4rNCHbGeaGqk0Jf9crFfpeea0xh9v8qiW7rqqrFfpeea0xe9Lq=Jc9 vqaqpepm0xbba9pwe9Q8fs0=yqaqpepae9pg0FirpepeKkFr0xfr=x fr=xb9adbiqaaeaacaGaaiaabmqaamaabaabaaGcbaGaeqiTdqgaaa@39AE@  are the height and the thickness of the piezo actuator.

The transient characteristic of the piezo actuator with one fixed end face at the transverse piezoelectric effect and its step input voltage has the form

ξ 2 ( t )= d 31 ( h/δ )U ( 1+ C e / C 11 E ) ( 1 e ξ t t T t 1 ξ t 2 sin( ω t t+ ϕ t ) ) MathType@MTEF@5@5@+= feaagKart1ev2aaatCvAUfeBSjuyZL2yd9gzLbvyNv2CaerbuLwBLn hiov2DGi1BTfMBaeXatLxBI9gBaerbd9wDYLwzYbItLDharqqtubsr 4rNCHbGeaGqk0Jf9crFfpeea0xh9v8qiW7rqqrFfpeea0xe9Lq=Jc9 vqaqpepm0xbba9pwe9Q8fs0=yqaqpepae9pg0FirpepeKkFr0xfr=x fr=xb9adbiqaaeaacaGaaiaabmqaamaabaabaaGcbaGaeqOVdG3aaS baaSqaaiaaikdaaeqaaOWaaeWaaeaacaWG0baacaGLOaGaayzkaaGa eyypa0ZaaSaaaeaacaWGKbWcdaWgaaqaaiaaiodacaaIXaaabeaakm aabmaabaWaaSGbaeaacaWGObaabaGaeqiTdqgaaaGaayjkaiaawMca aiaadwfaaeaadaqadaqaaiaaigdacqGHRaWkdaWcgaqaaiaadoealm aaBaaabaGaamyzaaqabaaakeaacaWGdbWcdaqhaaqaaiaaigdacaaI XaaabaGaamyraaaaaaaakiaawIcacaGLPaaaaaWaaeWaaeaacaaIXa GaeyOeI0YaaSaaaeaacaWGLbWaaWbaaeqabaGaeyOeI0YaaSaaaeaa cqaH+oaElmaaBaaabaGaamiDaaqabaGccaWG0baabaGaamivaSWaaS baaeaacaWG0baabeaaaaaaaaGcbaWaaOaaaeaacaaIXaGaeyOeI0Ia eqOVdG3cdaqhaaqaaiaadshaaeaacaaIYaaaaaGcbeaaaaGaae4Cai aabMgacaqGUbWaaeWaaeaacqaHjpWDlmaaBaaabaGaamiDaaqabaGc caWG0bGaey4kaSIaeqy1dy2cdaWgaaqaaiaadshaaeqaaaGccaGLOa GaayzkaaaacaGLOaGaayzkaaaaaa@6B29@

ω t = 1 ξ t 2 T t MathType@MTEF@5@5@+= feaagKart1ev2aaatCvAUfeBSjuyZL2yd9gzLbvyNv2CaerbuLwBLn hiov2DGi1BTfMBaeXatLxBI9gBaerbd9wDYLwzYbItLDharqqtubsr 4rNCHbGeaGqk0Jf9crFfpeea0xh9v8qiW7rqqrFfpeea0xe9Lq=Jc9 vqaqpepm0xbba9pwe9Q8fs0=yqaqpepae9pg0FirpepeKkFr0xfr=x fr=xb9adbiqaaeaacaGaaiaabmqaamaabaabaaGcbaGaeqyYdC3cda WgaaqaaiaadshaaeqaaOGaeyypa0ZaaSaaaeaadaGcaaqaaiaaigda cqGHsislcqaH+oaElmaaDaaabaGaamiDaaqaaiaaikdaaaaakeqaaa qaaiaadsfalmaaBaaabaGaamiDaaqabaaaaaaa@4380@ ϕ t =arctg( 1 ξ t 2 ξ t ) MathType@MTEF@5@5@+= feaagKart1ev2aaatCvAUfeBSjuyZL2yd9gzLbvyNv2CaerbuLwBLn hiov2DGi1BTfMBaeXatLxBI9gBaerbd9wDYLwzYbItLDharqqtubsr 4rNCHbGeaGqk0Jf9crFfpeea0xh9v8qiW7rqqrFfpeea0xe9Lq=Jc9 vqaqpepm0xbba9pwe9Q8fs0=yqaqpepae9pg0FirpepeKkFr0xfr=x fr=xb9adbiqaaeaacaGaaiaabmqaamaabaabaaGcbaGaeqy1dy2aaS baaeaacaWG0baabeaacqGH9aqpcaqGHbGaaeOCaiaabogacaqG0bGa ae4zamaabmaabaWaaSaaaeaadaGcaaqaaiaaigdacqGHsislcqaH+o aElmaaDaaabaGaamiDaaqaaiaaikdaaaaakeqaaaqaaiabe67a4TWa aSbaaeaacaWG0baabeaaaaaakiaawIcacaGLPaaaaaa@4A83@

At d 31 MathType@MTEF@5@5@+= feaagKart1ev2aaatCvAUfeBSjuyZL2yd9gzLbvyNv2CaerbuLwBLn hiov2DGi1BTfMBaeXatLxBI9gBaerbd9wDYLwzYbItLDharqqtubsr 4rNCHbGeaGqk0Jf9crFfpeea0xh9v8qiW7rqqrFfpeea0xe9Lq=Jc9 vqaqpepm0xbba9pwe9Q8fs0=yqaqpepae9pg0FirpepeKkFr0xfr=x fr=xb9adbiqaaeaacaGaaiaabmqaamaabaabaaGcbaGaamizaSWaaS baaeaacaaIZaGaaGymaaqabaaaaa@3A96@  = 2∙10-10 m/V, h/δ MathType@MTEF@5@5@+= feaagKart1ev2aaatCvAUfeBSjuyZL2yd9gzLbvyNv2CaerbuLwBLn hiov2DGi1BTfMBaeXatLxBI9gBaerbd9wDYLwzYbItLDharqqtubsr 4rNCHbGeaGqk0Jf9crFfpeea0xh9v8qiW7rqqrFfpeea0xe9Lq=Jc9 vqaqpepm0xbba9pwe9Q8fs0=yqaqpepae9pg0FirpepeKkFr0xfr=x fr=xb9adbiqaaeaacaGaaiaabmqaamaabaabaaGcbaWaaSGbaeaaca WGObaabaGaeqiTdqgaaaaa@3AB1@  =16, M 2 MathType@MTEF@5@5@+= feaagKart1ev2aaatCvAUfeBSjuyZL2yd9gzLbvyNv2CaerbuLwBLn hiov2DGi1BTfMBaeXatLxBI9gBaerbd9wDYLwzYbItLDharqqtubsr 4rNCHbGeaGqk0Jf9crFfpeea0xh9v8qiW7rqqrFfpeea0xe9Lq=Jc9 vqaqpepm0xbba9pwe9Q8fs0=yqaqpepae9pg0FirpepeKkFr0xfr=x fr=xb9adbiqaaeaacaGaaiaabmqaamaabaabaaGcbaGaamytamaaBa aaleaacaaIYaaabeaaaaa@39C3@  = 1 kg, C 11 E MathType@MTEF@5@5@+= feaagKart1ev2aaatCvAUfeBSjuyZL2yd9gzLbvyNv2CaerbuLwBLn hiov2DGi1BTfMBaeXatLxBI9gBaerbd9wDYLwzYbItLDharqqtubsr 4rNCHbGeaGqk0Jf9crFfpeea0xh9v8qiW7rqqrFfpeea0xe9Lq=Jc9 vqaqpepm0xbba9pwe9Q8fs0=yqaqpepae9pg0FirpepeKkFr0xfr=x fr=xb9adbiqaaeaacaGaaiaabmqaamaabaabaaGcbaGaam4qaSWaa0 baaeaacaaIXaGaaGymaaqaaiaadweaaaaaaa@3B3E@  = 2.8∙107 N/m, C e MathType@MTEF@5@5@+= feaagKart1ev2aaatCvAUfeBSjuyZL2yd9gzLbvyNv2CaerbuLwBLn hiov2DGi1BTfMBaeXatLxBI9gBaerbd9wDYLwzYbItLDharqqtubsr 4rNCHbGeaGqk0Jf9crFfpeea0xh9v8qiW7rqqrFfpeea0xe9Lq=Jc9 vqaqpepm0xbba9pwe9Q8fs0=yqaqpepae9pg0FirpepeKkFr0xfr=x fr=xb9adbiqaaeaacaGaaiaabmqaamaabaabaaGcbaGaam4qaSWaaS baaeaacaWGLbaabeaaaaa@39E7@  = 0.4∙107 N/m, U MathType@MTEF@5@5@+= feaagKart1ev2aaatCvAUfeBSjuyZL2yd9gzLbvyNv2CaerbuLwBLn hiov2DGi1BTfMBaeXatLxBI9gBaerbd9wDYLwzYbItLDharqqtubsr 4rNCHbGeaGqk0Jf9crFfpeea0xh9v8qiW7rqqrFfpeea0xe9Lq=Jc9 vqaqpepm0xbba9pwe9Q8fs0=yqaqpepae9pg0FirpepeKkFr0xfr=x fr=xb9adbiqaaeaacaGaaiaabmqaamaabaabaaGcbaGaamyvaaaa@38E3@  = 25 V parameters are obtained T t MathType@MTEF@5@5@+= feaagKart1ev2aaatCvAUfeBSjuyZL2yd9gzLbvyNv2CaerbuLwBLn hiov2DGi1BTfMBaeXatLxBI9gBaerbd9wDYLwzYbItLDharqqtubsr 4rNCHbGeaGqk0Jf9crFfpeea0xh9v8qiW7rqqrFfpeea0xe9Lq=Jc9 vqaqpepm0xbba9pwe9Q8fs0=yqaqpepae9pg0FirpepeKkFr0xfr=x fr=xb9adbiqaaeaacaGaaiaabmqaamaabaabaaGcbaGaamivaSWaaS baaeaacaWG0baabeaaaaa@3A07@  = 0.18∙10-3 s, Δh MathType@MTEF@5@5@+= feaagKart1ev2aaatCvAUfeBSjuyZL2yd9gzLbvyNv2CaerbuLwBLn hiov2DGi1BTfMBaeXatLxBI9gBaerbd9wDYLwzYbItLDharqqtubsr 4rNCHbGeaGqk0Jf9crFfpeea0xh9v8qiW7rqqrFfpeea0xe9Lq=Jc9 vqaqpepm0xbba9pwe9Q8fs0=yqaqpepae9pg0FirpepeKkFr0xfr=x fr=xb9adbiqaaeaacaGaaiaabmqaamaabaabaaGcbaGaeuiLdqKaam iAaaaa@3A5C@  = 70 nm.

From the equation of electromagnetoelasticity the mechanical characteristic [10-38] of an electromagnetoelastic actuator for nano biomechanics S i ( T j ) MathType@MTEF@5@5@+= feaagKart1ev2aaatCvAUfeBSjuyZL2yd9gzLbvyNv2CaerbuLwBLn hiov2DGi1BTfMBaeXatLxBI9gBaerbd9wDYLwzYbItLDharqqtubsr 4rNCHbGeaGqk0Jf9crFfpeea0xh9v8qiW7rqqrFfpeea0xe9Lq=Jc9 vqaqpepm0xbba9pwe9Q8fs0=yqaqpepae9pg0FirpepeKkFr0xfr=x fr=xb9adbiqaaeaacaGaaiaabmqaamaabaabaaGcbaGaam4uaSWaaS baaeaacaWGPbaabeaakmaabmaabaGaamivamaaBaaaleaacaWGQbaa keqaaaWccaGLOaGaayzkaaGcdaqhaaWcbaaabaaaaaaa@3DCE@  has the form

S i | Ψ=const = d mi Ψ m | Ψ=const + s ij Ψ T j MathType@MTEF@5@5@+= feaagKart1ev2aaatCvAUfeBSjuyZL2yd9gzLbvyNv2CaerbuLwBLn hiov2DGi1BTfMBaeXatLxBI9gBaerbd9wDYLwzYbItLDharqqtubsr 4rNCHbGeaGqk0Jf9crFfpeea0xh9v8qiW7rqqrFfpeea0xe9Lq=Jc9 vqaqpepm0xbba9pwe9Q8fs0=yqaqpepae9pg0FirpepeKkFr0xfr=x fr=xb9adbiqaaeaacaGaaiaabmqaamaabaabaaGcbaWaaqGaaeaaca WGtbWcdaWgaaqaaiaadMgaaeqaaaGccaGLiWoadaWgaaWcbaGaeuiQ dKLaeyypa0Jaae4yaiaab+gacaqGUbGaae4CaiaabshaaeqaaOGaey ypa0ZaaqGaaeaacaWGKbWaaSbaaSqaaiaad2gacaWGPbaakeqaaiab fI6azTWaaSbaaeaacaWGTbaabeaaaOGaayjcSdWaaSbaaSqaaiabfI 6azjabg2da9iaabogacaqGVbGaaeOBaiaabohacaqG0baabeaakiab gUcaRiaadohalmaaDaaabaGaamyAaiaadQgaaeaacqqHOoqwaaGcca WGubWaaSbaaSqaaiaadQgaaOqabaaaaa@5A6A@

And the regulation characteristic [12-26] of an electromagnet elastic actuator S i ( Ψ m ) MathType@MTEF@5@5@+= feaagKart1ev2aaatCvAUfeBSjuyZL2yd9gzLbvyNv2CaerbuLwBLn hiov2DGi1BTfMBaeXatLxBI9gBaerbd9wDYLwzYbItLDharqqtubsr 4rNCHbGeaGqk0Jf9crFfpeea0xh9v8qiW7rqqrFfpeea0xe9Lq=Jc9 vqaqpepm0xbba9pwe9Q8fs0=yqaqpepae9pg0FirpepeKkFr0xfr=x fr=xb9adbiqaaeaacaGaaiaabmqaamaabaabaaGcbaGaam4uaSWaaS baaeaacaWGPbaabeaakmaabmaabaGaeuiQdK1aaSbaaSqaaiaad2ga aOqabaaaliaawIcacaGLPaaaaaa@3E50@  has the form

S i | T=const = d mi Ψ m + s ij Ψ T j | T=const MathType@MTEF@5@5@+= feaagKart1ev2aaatCvAUfeBSjuyZL2yd9gzLbvyNv2CaerbuLwBLn hiov2DGi1BTfMBaeXatLxBI9gBaerbd9wDYLwzYbItLDharqqtubsr 4rNCHbGeaGqk0Jf9crFfpeea0xh9v8qiW7rqqrFfpeea0xe9Lq=Jc9 vqaqpepm0xbba9pwe9Q8fs0=yqaqpepae9pg0FirpepeKkFr0xfr=x fr=xb9adbiqaaeaacaGaaiaabmqaamaabaabaaGcbaWaaqGaaeaaca WGtbWcdaWgaaqaaiaadMgaaeqaaaGccaGLiWoadaWgaaWcbaGaamiv aiabg2da9iaabogacaqGVbGaaeOBaiaabohacaqG0baabeaakiabg2 da9iaadsgadaWgaaWcbaGaamyBaiaadMgaaOqabaGaeuiQdK1cdaWg aaqaaiaad2gaaeqaaOGaey4kaSYaaqGaaeaacaWGZbWcdaqhaaqaai aadMgacaWGQbaabaGaeuiQdKfaaOGaamivamaaBaaaleaacaWGQbaa keqaaaGaayjcSdWaaSbaaSqaaiaadsfacqGH9aqpcaqGJbGaae4Bai aab6gacaqGZbGaaeiDaaqabaaaaa@58F4@

The mechanical characteristic of an electromagnetoelastic actuator with one fixed end face for nano biomechanics has the form

Δl=Δ l max ( 1F/ F max ) MathType@MTEF@5@5@+= feaagKart1ev2aaatCvAUfeBSjuyZL2yd9gzLbvyNv2CaerbuLwBLn hiov2DGi1BTfMBaeXatLxBI9gBaerbd9wDYLwzYbItLDharqqtubsr 4rNCHbGeaGqk0Jf9crFfpeea0xh9v8qiW7rqqrFfpeea0xe9Lq=Jc9 vqaqpepm0xbba9pwe9Q8fs0=yqaqpepae9pg0FirpepeKkFr0xfr=x fr=xb9adbiqaaeaacaGaaiaabmqaamaabaabaaGcbaGaeuiLdqKaam iBaiabg2da9iabfs5aejaadYgalmaaBaaabaGaaeyBaiaabggacaqG 4baabeaakmaabmaabaGaaGymaiabgkHiTmaalyaabaGaamOraaqaai aadAeadaWgaaWcbaGaaeyBaiaabggacaqG4baabeaaaaaakiaawIca caGLPaaaaaa@48A4@

Δ l max = d mi Ψ m l MathType@MTEF@5@5@+= feaagKart1ev2aaatCvAUfeBSjuyZL2yd9gzLbvyNv2CaerbuLwBLn hiov2DGi1BTfMBaeXatLxBI9gBaerbd9wDYLwzYbItLDharqqtubsr 4rNCHbGeaGqk0Jf9crFfpeea0xh9v8qiW7rqqrFfpeea0xe9Lq=Jc9 vqaqpepm0xbba9pwe9Q8fs0=yqaqpepae9pg0FirpepeKkFr0xfr=x fr=xb9adbiqaaeaacaGaaiaabmqaamaabaabaaGcbaGaeuiLdqKaam iBaSWaaSbaaeaacaqGTbGaaeyyaiaabIhaaeqaaOGaeyypa0Jaamiz aSWaaSbaaeaacaWGTbGaamyAaaqabaGccqqHOoqwdaWgaaWcbaGaam yBaaGcbeaacaWGSbaaaa@4512@

F max = T j max S 0 = d mi Ψ m S 0 / s ij Ψ MathType@MTEF@5@5@+= feaagKart1ev2aaatCvAUfeBSjuyZL2yd9gzLbvyNv2CaerbuLwBLn hiov2DGi1BTfMBaeXatLxBI9gBaerbd9wDYLwzYbItLDharqqtubsr 4rNCHbGeaGqk0Jf9crFfpeea0xh9v8qiW7rqqrFfpeea0xe9Lq=Jc9 vqaqpepm0xbba9pwe9Q8fs0=yqaqpepae9pg0FirpepeKkFr0xfr=x fr=xb9adbiqaaeaacaGaaiaabmqaamaabaabaaGcbaGaamOramaaBa aaleaacaqGTbGaaeyyaiaabIhaaeqaaOGaeyypa0JaamivaSWaaSba aeaacaWGQbGaaeiiaiaab2gacaqGHbGaaeiEaaqabaGccaWGtbWcda WgaaqaaiaaicdaaeqaaOGaeyypa0ZaaSGbaeaacaWGKbWcdaWgaaqa aiaad2gacaWGPbaabeaakiabfI6aznaaBaaaleaacaWGTbaakeqaai aadofalmaaBaaabaGaaGimaaqabaaakeaacaWGZbWcdaqhaaqaaiaa dMgacaWGQbaabaGaeuiQdKfaaaaaaaa@5142@

where Δ l max MathType@MTEF@5@5@+= feaagKart1ev2aaatCvAUfeBSjuyZL2yd9gzLbvyNv2CaerbuLwBLn hiov2DGi1BTfMBaeXatLxBI9gBaerbd9wDYLwzYbItLDharqqtubsr 4rNCHbGeaGqk0Jf9crFfpeea0xh9v8qiW7rqqrFfpeea0xe9Lq=Jc9 vqaqpepm0xbba9pwe9Q8fs0=yqaqpepae9pg0FirpepeKkFr0xfr=x fr=xb9adbiqaaeaacaGaaiaabmqaamaabaabaaGcbaGaeuiLdqKaam iBaSWaaSbaaeaacaqGTbGaaeyyaiaabIhaaeqaaaaa@3D5B@ is the maximum of the displacement and F max MathType@MTEF@5@5@+= feaagKart1ev2aaatCvAUfeBSjuyZL2yd9gzLbvyNv2CaerbuLwBLn hiov2DGi1BTfMBaeXatLxBI9gBaerbd9wDYLwzYbItLDharqqtubsr 4rNCHbGeaGqk0Jf9crFfpeea0xh9v8qiW7rqqrFfpeea0xe9Lq=Jc9 vqaqpepm0xbba9pwe9Q8fs0=yqaqpepae9pg0FirpepeKkFr0xfr=x fr=xb9adbiqaaeaacaGaaiaabmqaamaabaabaaGcbaGaamOraSWaaS baaeaacaqGTbGaaeyyaiaabIhaaeqaaaaa@3BCF@ is the maximum of the force.

Therefore, for the mechanical characteristic of the piezo actuator with one fixed end face at the transverse piezoelectric effect its parameters have the form

Δ h max = d 31 E 3 h MathType@MTEF@5@5@+= feaagKart1ev2aaatCvAUfeBSjuyZL2yd9gzLbvyNv2CaerbuLwBLn hiov2DGi1BTfMBaeXatLxBI9gBaerbd9wDYLwzYbItLDharqqtubsr 4rNCHbGeaGqk0Jf9crFfpeea0xh9v8qiW7rqqrFfpeea0xe9Lq=Jc9 vqaqpepm0xbba9pwe9Q8fs0=yqaqpepae9pg0FirpepeKkFr0xfr=x fr=xb9adbiqaaeaacaGaaiaabmqaamaabaabaaGcbaGaeuiLdqKaam iAaSWaaSbaaeaacaqGTbGaaeyyaiaabIhaaeqaaOGaeyypa0Jaamiz aSWaaSbaaeaacaaIZaGaaGymaaqabaGccaWGfbWaaSbaaSqaaiaaio daaOqabaGaamiAaaaa@43A8@

F max = d 31 E 3 S 0 / s 11 E MathType@MTEF@5@5@+= feaagKart1ev2aaatCvAUfeBSjuyZL2yd9gzLbvyNv2CaerbuLwBLn hiov2DGi1BTfMBaeXatLxBI9gBaerbd9wDYLwzYbItLDharqqtubsr 4rNCHbGeaGqk0Jf9crFfpeea0xh9v8qiW7rqqrFfpeea0xe9Lq=Jc9 vqaqpepm0xbba9pwe9Q8fs0=yqaqpepae9pg0FirpepeKkFr0xfr=x fr=xb9adbiqaaeaacaGaaiaabmqaamaabaabaaGcbaGaamOramaaBa aaleaacaqGTbGaaeyyaiaabIhaaeqaaOGaeyypa0ZaaSGbaeaacaWG KbWcdaWgaaqaaiaaiodacaaIXaaabeaakiaadweadaWgaaWcbaGaaG 4maaGcbeaacaWGtbWcdaWgaaqaaiaaicdaaeqaaaGcbaGaam4CaSWa a0baaeaacaaIXaGaaGymaaqaaiaadweaaaaaaaaa@4676@

Therefore, at d 31 MathType@MTEF@5@5@+= feaagKart1ev2aaatCvAUfeBSjuyZL2yd9gzLbvyNv2CaerbuLwBLn hiov2DGi1BTfMBaeXatLxBI9gBaerbd9wDYLwzYbItLDharqqtubsr 4rNCHbGeaGqk0Jf9crFfpeea0xh9v8qiW7rqqrFfpeea0xe9Lq=Jc9 vqaqpepm0xbba9pwe9Q8fs0=yqaqpepae9pg0FirpepeKkFr0xfr=x fr=xb9adbiqaaeaacaGaaiaabmqaamaabaabaaGcbaGaamizaSWaaS baaeaacaaIZaGaaGymaaqabaaaaa@3A96@  = 2∙10-10 m/V, E 3 MathType@MTEF@5@5@+= feaagKart1ev2aaatCvAUfeBSjuyZL2yd9gzLbvyNv2CaerbuLwBLn hiov2DGi1BTfMBaeXatLxBI9gBaerbd9wDYLwzYbItLDharqqtubsr 4rNCHbGeaGqk0Jf9crFfpeea0xh9v8qiW7rqqrFfpeea0xe9Lq=Jc9 vqaqpepm0xbba9pwe9Q8fs0=yqaqpepae9pg0FirpepeKkFr0xfr=x fr=xb9adbiqaaeaacaGaaiaabmqaamaabaabaaGcbaGaamyraSWaaS baaeaacaaIZaaabeaaaaa@39BC@  = 0.5∙105 V/m, h MathType@MTEF@5@5@+= feaagKart1ev2aaatCvAUfeBSjuyZL2yd9gzLbvyNv2CaerbuLwBLn hiov2DGi1BTfMBaeXatLxBI9gBaerbd9wDYLwzYbItLDharqqtubsr 4rNCHbGeaGqk0Jf9crFfpeea0xh9v8qiW7rqqrFfpeea0xe9Lq=Jc9 vqaqpepm0xbba9pwe9Q8fs0=yqaqpepae9pg0FirpepeKkFr0xfr=x fr=xb9adbiqaaeaacaGaaiaabmqaamaabaabaaGcbaGaamiAaaaa@38F6@  = 2.5∙10-2 m, S 0 MathType@MTEF@5@5@+= feaagKart1ev2aaatCvAUfeBSjuyZL2yd9gzLbvyNv2CaerbuLwBLn hiov2DGi1BTfMBaeXatLxBI9gBaerbd9wDYLwzYbItLDharqqtubsr 4rNCHbGeaGqk0Jf9crFfpeea0xh9v8qiW7rqqrFfpeea0xe9Lq=Jc9 vqaqpepm0xbba9pwe9Q8fs0=yqaqpepae9pg0FirpepeKkFr0xfr=x fr=xb9adbiqaaeaacaGaaiaabmqaamaabaabaaGcbaGaam4uaSWaaS baaeaacaaIWaaabeaaaaa@39C7@  = 1.5∙10-5 m2, s 11 E MathType@MTEF@5@5@+= feaagKart1ev2aaatCvAUfeBSjuyZL2yd9gzLbvyNv2CaerbuLwBLn hiov2DGi1BTfMBaeXatLxBI9gBaerbd9wDYLwzYbItLDharqqtubsr 4rNCHbGeaGqk0Jf9crFfpeea0xh9v8qiW7rqqrFfpeea0xe9Lq=Jc9 vqaqpepm0xbba9pwe9Q8fs0=yqaqpepae9pg0FirpepeKkFr0xfr=x fr=xb9adbiqaaeaacaGaaiaabmqaamaabaabaaGcbaGaam4CaSWaa0 baaeaacaaIXaGaaGymaaqaaiaadweaaaaaaa@3B6E@  = 15∙10-12 m2/N the parameters are found Δ h max MathType@MTEF@5@5@+= feaagKart1ev2aaatCvAUfeBSjuyZL2yd9gzLbvyNv2CaerbuLwBLn hiov2DGi1BTfMBaeXatLxBI9gBaerbd9wDYLwzYbItLDharqqtubsr 4rNCHbGeaGqk0Jf9crFfpeea0xh9v8qiW7rqqrFfpeea0xe9Lq=Jc9 vqaqpepm0xbba9pwe9Q8fs0=yqaqpepae9pg0FirpepeKkFr0xfr=x fr=xb9adbiqaaeaacaGaaiaabmqaamaabaabaaGcbaGaeuiLdqKaam iAaSWaaSbaaeaacaqGTbGaaeyyaiaabIhaaeqaaaaa@3D57@  = 250 nm and F max MathType@MTEF@5@5@+= feaagKart1ev2aaatCvAUfeBSjuyZL2yd9gzLbvyNv2CaerbuLwBLn hiov2DGi1BTfMBaeXatLxBI9gBaerbd9wDYLwzYbItLDharqqtubsr 4rNCHbGeaGqk0Jf9crFfpeea0xh9v8qiW7rqqrFfpeea0xe9Lq=Jc9 vqaqpepm0xbba9pwe9Q8fs0=yqaqpepae9pg0FirpepeKkFr0xfr=x fr=xb9adbiqaaeaacaGaaiaabmqaamaabaabaaGcbaGaamOramaaBa aaleaacaqGTbGaaeyyaiaabIhaaeqaaaaa@3BCF@  = 10 N. Theoretical and practical parameters are coincidences with an error of 10%.

The equation of the displacement of an electromagnetoelastic actuator with one fixed end face at elastic load has the form

Δl l = d mi Ψ m s ij Ψ C e S 0 Δl MathType@MTEF@5@5@+= feaagKart1ev2aaatCvAUfeBSjuyZL2yd9gzLbvyNv2CaerbuLwBLn hiov2DGi1BTfMBaeXatLxBI9gBaerbd9wDYLwzYbItLDharqqtubsr 4rNCHbGeaGqk0Jf9crFfpeea0xh9v8qiW7rqqrFfpeea0xe9Lq=Jc9 vqaqpepm0xbba9pwe9Q8fs0=yqaqpepae9pg0FirpepeKkFr0xfr=x fr=xb9adbiqaaeaacaGaaiaabmqaamaabaabaaGcbaWaaSaaaeaacq qHuoarcaWGSbaabaGaamiBaaaacqGH9aqpcaWGKbWcdaWgaaqaaiaa d2gacaWGPbaabeaakiabfI6aznaaBaaaleaacaWGTbaakeqaaiabgk HiTmaalaaabaGaam4CaSWaa0baaeaacaWGPbGaamOAaaqaaiabfI6a zbaakiaadoeadaWgaaWcbaGaamyzaaGcbeaaaeaacaWGtbWcdaWgaa qaaiaaicdaaeqaaaaakiabfs5aejaadYgaaaa@4DBC@

F= C e Δl MathType@MTEF@5@5@+= feaagKart1ev2aaatCvAUfeBSjuyZL2yd9gzLbvyNv2CaerbuLwBLn hiov2DGi1BTfMBaeXatLxBI9gBaerbd9wDYLwzYbItLDharqqtubsr 4rNCHbGeaGqk0Jf9crFfpeea0xh9v8qiW7rqqrFfpeea0xe9Lq=Jc9 vqaqpepm0xbba9pwe9Q8fs0=yqaqpepae9pg0FirpepeKkFr0xfr=x fr=xb9adbiqaaeaacaGaaiaabmqaamaabaabaaGcbaGaamOraiabg2 da9iaadoeadaWgaaWcbaGaamyzaaqabaGccqqHuoarcaWGSbaaaa@3E19@

The adjustment characteristic of an electromagnetoelastic actuator with one fixed end face at elastic load has the form

Δl= d mi l Ψ m 1+ C e / C ij Ψ MathType@MTEF@5@5@+= feaagKart1ev2aaatCvAUfeBSjuyZL2yd9gzLbvyNv2CaerbuLwBLn hiov2DGi1BTfMBaeXatLxBI9gBaerbd9wDYLwzYbItLDharqqtubsr 4rNCHbGeaGqk0Jf9crFfpeea0xh9v8qiW7rqqrFfpeea0xe9Lq=Jc9 vqaqpepm0xbba9pwe9Q8fs0=yqaqpepae9pg0FirpepeKkFr0xfr=x fr=xb9adbiqaaeaacaGaaiaabmqaamaabaabaaGcbaGaeuiLdqKaam iBaiabg2da9maalaaabaGaamizaSWaaSbaaeaacaWGTbGaamyAaaqa baGccaWGSbGaeuiQdK1aaSbaaSqaaiaad2gaaOqabaaabaGaaGymai abgUcaRmaalyaabaGaam4qamaaBaaaleaacaWGLbaabeaaaOqaaiaa doeadaqhaaWcbaGaamyAaiaadQgaaeaacqqHOoqwaaaaaaaaaaa@4A19@

The adjustment characteristic of the piezo actuator with one fixed end face at the transverse piezoelectric effect has the form

Δh= ( d 31 h/δ )U 1+ C e / C 11 E = k 31 U U MathType@MTEF@5@5@+= feaagKart1ev2aaatCvAUfeBSjuyZL2yd9gzLbvyNv2CaerbuLwBLn hiov2DGi1BTfMBaeXatLxBI9gBaerbd9wDYLwzYbItLDharqqtubsr 4rNCHbGeaGqk0Jf9crFfpeea0xh9v8qiW7rqqrFfpeea0xe9Lq=Jc9 vqaqpepm0xbba9pwe9Q8fs0=yqaqpepae9pg0FirpepeKkFr0xfr=x fr=xb9adbiqaaeaacaGaaiaabmqaamaabaabaaGcbaGaeuiLdqKaam iAaiabg2da9maalaaabaWaaeWaaeaacaWGKbWcdaWgaaqaaiaaioda caaIXaaabeaakmaalyaabaGaamiAaaqaaiabes7aKbaaaiaawIcaca GLPaaacaWGvbaabaGaaGymaiabgUcaRmaalyaabaGaam4qamaaBaaa leaacaWGLbaabeaaaOqaaiaadoeadaqhaaWcbaGaaGymaiaaigdaae aacaWGfbaaaaaaaaGccqGH9aqpcaWGRbWaa0baaSqaaiaaiodacaaI XaaabaGaamyvaaaakiaadwfaaaa@4F47@

k 31 U = ( d 31 h/δ )/ ( 1+ C e / C 11 E ) MathType@MTEF@5@5@+= feaagKart1ev2aaatCvAUfeBSjuyZL2yd9gzLbvyNv2CaerbuLwBLn hiov2DGi1BTfMBaeXatLxBI9gBaerbd9wDYLwzYbItLDharqqtubsr 4rNCHbGeaGqk0Jf9crFfpeea0xh9v8qiW7rqqrFfpeea0xe9Lq=Jc9 vqaqpepm0xbba9pwe9Q8fs0=yqaqpepae9pg0FirpepeKkFr0xfr=x fr=xb9adbiqaaeaacaGaaiaabmqaamaabaabaaGcbaGaam4AamaaDa aaleaacaaIZaGaaGymaaqaaiaadwfaaaGccqGH9aqpdaWcgaqaamaa bmaabaGaamizaSWaaSbaaeaacaaIZaGaaGymaaqabaGcdaWcgaqaai aadIgaaeaacqaH0oazaaaacaGLOaGaayzkaaaabaWaaeWaaeaacaaI XaGaey4kaSYaaSGbaeaacaWGdbWaaSbaaSqaaiaadwgaaeqaaaGcba Gaam4qamaaDaaaleaacaaIXaGaaGymaaqaaiaadweaaaaaaaGccaGL OaGaayzkaaaaaaaa@4BC9@

where k 31 U MathType@MTEF@5@5@+= feaagKart1ev2aaatCvAUfeBSjuyZL2yd9gzLbvyNv2CaerbuLwBLn hiov2DGi1BTfMBaeXatLxBI9gBaerbd9wDYLwzYbItLDharqqtubsr 4rNCHbGeaGqk0Jf9crFfpeea0xh9v8qiW7rqqrFfpeea0xe9Lq=Jc9 vqaqpepm0xbba9pwe9Q8fs0=yqaqpepae9pg0FirpepeKkFr0xfr=x fr=xb9adbiqaaeaacaGaaiaabmqaamaabaabaaGcbaGaam4AamaaDa aaleaacaaIZaGaaGymaaqaaiaadwfaaaaaaa@3B78@  is the transfer coefficient Therefore, at d 31 MathType@MTEF@5@5@+= feaagKart1ev2aaatCvAUfeBSjuyZL2yd9gzLbvyNv2CaerbuLwBLn hiov2DGi1BTfMBaeXatLxBI9gBaerbd9wDYLwzYbItLDharqqtubsr 4rNCHbGeaGqk0Jf9crFfpeea0xh9v8qiW7rqqrFfpeea0xe9Lq=Jc9 vqaqpepm0xbba9pwe9Q8fs0=yqaqpepae9pg0FirpepeKkFr0xfr=x fr=xb9adbiqaaeaacaGaaiaabmqaamaabaabaaGcbaGaamizaSWaaS baaeaacaaIZaGaaGymaaqabaaaaa@3A96@  = 2∙10-10 m/V, h/δ MathType@MTEF@5@5@+= feaagKart1ev2aaatCvAUfeBSjuyZL2yd9gzLbvyNv2CaerbuLwBLn hiov2DGi1BTfMBaeXatLxBI9gBaerbd9wDYLwzYbItLDharqqtubsr 4rNCHbGeaGqk0Jf9crFfpeea0xh9v8qiW7rqqrFfpeea0xe9Lq=Jc9 vqaqpepm0xbba9pwe9Q8fs0=yqaqpepae9pg0FirpepeKkFr0xfr=x fr=xb9adbiqaaeaacaGaaiaabmqaamaabaabaaGcbaWaaSGbaeaaca WGObaabaGaeqiTdqgaaaaa@3AB1@  = 16, C 11 E MathType@MTEF@5@5@+= feaagKart1ev2aaatCvAUfeBSjuyZL2yd9gzLbvyNv2CaerbuLwBLn hiov2DGi1BTfMBaeXatLxBI9gBaerbd9wDYLwzYbItLDharqqtubsr 4rNCHbGeaGqk0Jf9crFfpeea0xh9v8qiW7rqqrFfpeea0xe9Lq=Jc9 vqaqpepm0xbba9pwe9Q8fs0=yqaqpepae9pg0FirpepeKkFr0xfr=x fr=xb9adbiqaaeaacaGaaiaabmqaamaabaabaaGcbaGaam4qaSWaa0 baaeaacaaIXaGaaGymaaqaaiaadweaaaaaaa@3B3E@  = 2.8∙107 N/m, C e MathType@MTEF@5@5@+= feaagKart1ev2aaatCvAUfeBSjuyZL2yd9gzLbvyNv2CaerbuLwBLn hiov2DGi1BTfMBaeXatLxBI9gBaerbd9wDYLwzYbItLDharqqtubsr 4rNCHbGeaGqk0Jf9crFfpeea0xh9v8qiW7rqqrFfpeea0xe9Lq=Jc9 vqaqpepm0xbba9pwe9Q8fs0=yqaqpepae9pg0FirpepeKkFr0xfr=x fr=xb9adbiqaaeaacaGaaiaabmqaamaabaabaaGcbaGaam4qaSWaaS baaeaacaWGLbaabeaaaaa@39E7@  = 0.4∙107 N/m, U MathType@MTEF@5@5@+= feaagKart1ev2aaatCvAUfeBSjuyZL2yd9gzLbvyNv2CaerbuLwBLn hiov2DGi1BTfMBaeXatLxBI9gBaerbd9wDYLwzYbItLDharqqtubsr 4rNCHbGeaGqk0Jf9crFfpeea0xh9v8qiW7rqqrFfpeea0xe9Lq=Jc9 vqaqpepm0xbba9pwe9Q8fs0=yqaqpepae9pg0FirpepeKkFr0xfr=x fr=xb9adbiqaaeaacaGaaiaabmqaamaabaabaaGcbaGaamyvaaaa@38E3@  = 20 V parameters are found k 31 U MathType@MTEF@5@5@+= feaagKart1ev2aaatCvAUfeBSjuyZL2yd9gzLbvyNv2CaerbuLwBLn hiov2DGi1BTfMBaeXatLxBI9gBaerbd9wDYLwzYbItLDharqqtubsr 4rNCHbGeaGqk0Jf9crFfpeea0xh9v8qiW7rqqrFfpeea0xe9Lq=Jc9 vqaqpepm0xbba9pwe9Q8fs0=yqaqpepae9pg0FirpepeKkFr0xfr=x fr=xb9adbiqaaeaacaGaaiaabmqaamaabaabaaGcbaGaam4AamaaDa aaleaacaaIZaGaaGymaaqaaiaadwfaaaaaaa@3B78@  = 2.8 nm/V, Δh MathType@MTEF@5@5@+= feaagKart1ev2aaatCvAUfeBSjuyZL2yd9gzLbvyNv2CaerbuLwBLn hiov2DGi1BTfMBaeXatLxBI9gBaerbd9wDYLwzYbItLDharqqtubsr 4rNCHbGeaGqk0Jf9crFfpeea0xh9v8qiW7rqqrFfpeea0xe9Lq=Jc9 vqaqpepm0xbba9pwe9Q8fs0=yqaqpepae9pg0FirpepeKkFr0xfr=x fr=xb9adbiqaaeaacaGaaiaabmqaamaabaabaaGcbaGaeuiLdqKaam iAaaaa@3A5C@  = 56 nm.

Conclusion

The structural scheme of an electromagnetoelastic actuator for nano biomechanics is found. The structural scheme of an electromagnetoelastic actuator has difference in the visibility of energy conversion from the circuits of a piezo vibrator. The structural scheme of an electromagnetoelastic actuator nano biomechanics is changed from Cady and Mason electrical equivalent circuits of a piezo vibrator.

The structural scheme of an electromagnetoelastic actuator is received from the electromagnetoelasticity equation and the differential equation of actuator. The structural scheme of a piezo actuator is obtained using the equations of the reverse and direct piezoelectric effects. The back electromotive force of a piezo actuator is written from the direct piezoelectric effect. The characteristics of an electromagnetoelastic actuator for nano biomechanics are obtained. The adjustment characteristic of a piezo actuator is found.

References

  1. Schultz J, Ueda J, Asada H. Cellular Actuators. Butterworth-Heinemann Publisher.Oxford.2017; 382 p.
  2. Afonin SM. Absolute stability conditions for a system controlling the deformation of an electro magneto elastic transducer. Doklady Mathematics. 2006; 74(3): 943‒948.
  3. Uchino K.Piezoelectric actuator and ultrasonic motors. Boston, MA: Kluwer Academic Publisher. 1997; 350 p.
  4. Afonin SM. Generalized parametric structural model of a compound electro magneto elastic transducer. Doklady Physics. 2005;50(2): 77‒82.
  5. Afonin SM.Structural parametric model of a piezoelectric nano displacement transducer. Doklady Physics.2008;53(3):137‒143.
  6. Afonin SM.Solution of the wave equation for the control of an electro magneto elastic transducer. Doklady Mathematics. 2006;73(2): 307‒313.
  7. Cady, W.G. Piezoelectricity: An introduction to the theory and applications of electromechanical phenomena in crystals. McGraw-Hill Book Company, New York, London,1946; 806 p.
  8. Physical Acoustics: Principles and Methods. Vol.1, Part A. Methods and Devices. Ed.: Mason W. Academic Press, New York. 1964; 515 p.
  9. Zwillinger D. Handbook of Differential Equations. Academic Press, Boston. 1989; 673 p.
  10. Afonin SM. A generalized structural-parametric model of an electro magneto elastic converter for nano- and micrometric movement control systems: III. Transformation parametric structural circuits of an electro magneto elastic converter for nano- and micrometric movement control systems. Journal of Computer and Systems Sciences International. 2006;45(2):317‒325.
  11. Afonin SM. Decision wave equation and block diagram of electro magneto elastic actuator nano- and microdisplacement for communications systems. International Journal of Information and Communication Sciences, 2016; 1(2):22‒29.
  12. Afonin SM. Structural-parametric model and transfer functions of electroelastic actuator for nano- and microdisplacement. Chapter 9 in Piezoelectrics and Nanomaterials: Fundamentals, Developments and Applications. Ed. Parinov IA. Nova Science, New York, 2015; pp. 225‒242.
  13. Afonin SM. A structural-parametric model of electroelastic actuator for nano- and microdisplacement of mechatronic system. Chapter 8 in Advances in Nanotechnology. Volume 19. Eds. Bartul Z, TrenorJ, Nova Science, New York,2017; pp. 259‒284.
  14. Afonin SM. Electro magneto elastic nano- and microactuators for mechatronic systems. Russian Engineering Research. 2018;38(12):938‒944.
  15. Afonin SM. Nano- and micro-scale piezomotors. Engin. Res. 2012;32(7-8):519‒522.
  16. Afonin SM. Elastic compliances and mechanical and adjusting characteristics of composite piezoelectric transducers, Mechanics of Solids2007;42(1):43‒49.
  17. Afonin SM. Stability of strain control systems of nano-and microdisplacement Piezo transducers. Mechanics of Solids. 2014;49(2):196‒207.
  18. Afonin SM. Structural-parametric model electro magneto elastic actuator nano displacement for mechatronics. International Journal of Physics. 2017;5(1): 9‒15.
  19. Afonin SM. Structural-parametric model multilayer electro magneto elastic actuator for nano mechatronics. International Journal of Physics. 2019;7(2):50‒57.
  20. Afonin SM. Structural-parametric model of Piezo actuat or nano- and microdisplacement for nanoscience. AASCIT Journal of Nano science. 2017;3(3):12‒18.
  21. Afonin SM. Solution wave equation and parametric structural schematic diagrams of electro magneto elastic actuators nano- and microdisplacement. International Journal of Mathematical Analysis and Applications. 2016; 3(4):31‒38.
  22. Afonin SM. Structural-parametric model of electro magneto elastic actuator for nanomechanics. 2018; 7(1):1‒9.
  23. Afonin SM. Structural-parametric model and diagram of a multilayer electro magneto elastic actuator for nanomechanics. Actuators. 2019; 8(3): 1‒14.
  24. Afonin SM. Structural-parametric models and transfer functions of electro magneto elastic actuators nano- and microdisplacement for mechatronic systems. International Journal of Theoretical and Applied Mathematics. 2016; 2(2):52‒59.
  25. Afonin SM. Structural-parametric model of electro elastic actuator for nanotechnology and biotechnology. Journal of Pharmacy and Pharmaceutics. 2018; 5(1):8‒12.
  26. Afonin SM. Design static and dynamic characteristics of piezoelectric nanomicrotransducers. Mechanics of Solids. 2010; 45(1):123‒132.
  27. Afonin SM. Electro magneto elastic Actuator for Nanomechanics. Global Journal of Research in Engineering: A Mechanical and Mechanics Engineering. 2018;18(2):19‒23.
  28. Afonin SM. Multilayer electro magneto elastic actuator for robotics systems of nanotechnology, Proceedings of the 2018 IEEE Conference EIConRus, 2018; pp. 1698‒1701.
  29. Afonin SM. A block diagram of electro magneto elastic actuator nanodisplacement for communications systems. Transactions on Networks and Communications. 2018; 6(3):1‒9.
  30. Afonin SM. Decision matrix equation and block diagram of multilayer electro magneto elastic actuator micro and nanodisplacement for communications systems, Transactions on Networks and Communications. 2019;7(3):11‒21.
  31. Afonin SM. Condition absolute stability control system of electro magneto elastic actuator for communication equipment. Transactions on Networks and Communications. 2020; 8(1):8‒15.
  32. Afonin SM. A Block diagram of electro magneto elastic actuator for control systems in nanoscience and nanotechnology, Transactions on Machine Learning and Artificial Intelligence. 2020; 8(4):23‒33.
  33. Afonin SM. Optimal control of a multilayer electroelastic engine with a longitudinal piezo effect for nanomechatronics systems. Applied System Innovation.2020; 3(4):1‒7.
  34. Afonin SM. Structural scheme actuator for nano research. COJ Rev& Res. 2020; 2(5):1‒3.
  35. Afonin SM. Structural–parametric model electro elastic actuator nano- and microdisplacement of mechatronics systems for nanotechnology and ecology research. MOJ Ecology and Environmental Sciences. 2018; 3(5):306‒309.
  36. Afonin SM. Electro magneto elastic actuator for large telescopes. Aeron Aero Open Access J. 2018; 2(5):270‒272.
  37. Afonin SM. Condition absolute stability of control system with electro elastic actuator for nano bioengineering and microsurgery. Surgery & Case Studies Open Access Journal. 2019; 3(3): 307–309.
  38. Afonin SM. Piezo actuators for nanomedicine research. MOJ App Bio Biomech. 2019; 3(2):56‒57.
  39. Afonin SM. Frequency criterion absolute stability of electro magneto elastic system for nano and micro displacement in biomechanics. MOJ App Bio Biomech. 2019;3(6):137‒140.
  40. Afonin SM. Multilayer Piezo engine for nanomedicine research. MOJ App Bio Biomech. 2020;4(2):30‒31.
  41. Afonin SM. Multilayer engine for microsurgery and nano biomedicine. Surgery & Case Studies Open Access Journal.2020;4(4):423‒425.
  42. Nalwa HS. Encyclopedia of Nanoscience and Nanotechnology. Los Angeles: American Scientific Publishers. 2004; 10 Volumes.
Creative Commons Attribution License

©2021 Afonin. This is an open access article distributed under the terms of the, which permits unrestricted use, distribution, and build upon your work non-commercially.