Submit manuscript...
MOJ
eISSN: 2573-2919

Ecology & Environmental Sciences

Research Article Volume 3 Issue 5

Structural–parametric model electroelastic actuator nano– and microdisplacement of mechatronics systems for nanotechnology and ecology research

Sergey M Afonin

Department of Intellectual Technical Systems, National Research University of Electronic Technology (MIET), Russia

Correspondence: Sergey M Afonin Department of Intellectual Technical Systems, National Research University of Electronic Technology (MIET), Moscow, 124498 Moscow, Russia

Received: April 21, 2017 | Published: September 4, 2018

Citation: Afonin SM. Structural–parametric model electroelastic actuator nano– and microdisplacement of mechatronics systems for nanotechnology and ecology research. MOJ Eco Environ Sci. 2018;3(5):306-309 DOI: 10.15406/mojes.2018.03.00104

Download PDF

Abstract

The structural–parametric model, the decision of the wave equation, the parametric structural schematic diagram, the transfer functions of the electroelastic actuator of the mechatronics system for the nanotechnology and the ecology research are obtained. Effects of geometric and physical parameters of the piezoactuator and the external load on its dynamic characteristics are determined. The parametric structural schematic diagram and the transfer functions of the piezoactuator for the transverse, longitudinal, shift piezoelectric effects are obtained from the structural–parametric model of the piezoactuator. For calculation of the mechatronics systems for the nanotechnology with the piezoactuator it’s the parametric structural schematic diagram and the transfer functions are determined. The generalized parametric structural schematic diagram of the electroelastic actuator is constructed.

Keywords: electroelastic actuator, piezoactuator, deformation, structural–parametric model, parametric structural schematic diagram, decision wave equations, transfer functions

Introduction

For the nanotechnology, the ecology research, the nanobiology, the power engineering, the microelectronics, the astronomy for the large compound telescopes, the antennas satellite telescopes and the adaptive optics equipment is promising for use the mechatronics system with the actuator based on the electroelasticity for the piezoelectric or the electrostriction effects. The piezoactuator is the piezomechanical device intended for the actuation of mechanisms, systems or the management based on the piezoelectric effect, the converts electrical signals into the mechanical movement or the force.1–5 In the present work is solving the problem of building the structural parametric model of the electroelastic actuator in contrast Cady and Mason electrical equivalent circuits for calculation of piezoelectric transmitter and receiver.6–9 The structural–parametric model of the piezoactuator describes the structure and conversion the energy electric field into the mechanical energy and the corresponding displacements and forces at its the faces. The structural–parametric model of the electroelastic actuator of the mechatronics system is determined by using the method of the mathematical physics. The transfer functions and the parametric structural schematic diagrams of the electroelastic actuator are obtained from its structural–parametric model.3–14 The piezoactuator for the nano– and microdisplacement of the mechatronics system operates based on the inverse piezoeffect. The displacement is achieved due to deformation of the piezoactuator when the external electric voltage is applied to it. The piezoactuator for the drives of nano– and micrometric movements provide a movement range from several nanometers to tens of micrometers, a sensitivity of up to 10 nm/V, a loading capacity of up to 1000 N, a transmission band of up to 100 Hz. The piezoactuator provides high speed and force, its return to the initial state when switched off. The use of the piezoactuator solves the problems of the precise alignment and the compensation of the temperature and gravitational deformations. The piezoactuator is used in the majority mechatronic systems for the nanotechnology, the ecology research in the scanning tunneling microscopes and the atomic force microscopes.11–16

Decision wave equation and structural parametric model of electroelastic actuator

The deformation of the electroelastic actuator corresponds to its stressed state. In the piezoactuator there are six stress components T 1 MathType@MTEF@5@5@+= feaagKart1ev2aaatCvAUfeBSjuyZL2yd9gzLbvyNv2CaerbuLwBLn hiov2DGi1BTfMBaeXatLxBI9gBaerbd9wDYLwzYbItLDharqqtubsr 4rNCHbGeaGqk0=Mr0xXdbba91rFfpec8Eeeu0xXdbba9frFj0=OqFf ea0dXdd9vqai=hGuQ8kuc9pgc9q8qqaq=dir=f0=yqaiVgFr0xfr=x fr=xb9adbaqaaeGaciGaaiaabeqaamaabaabaaGcbaqcLbsacaWGub qcfa4aaSbaaeaacaaIXaaabeaaaaa@3A6A@ , T 2 MathType@MTEF@5@5@+= feaagKart1ev2aaatCvAUfeBSjuyZL2yd9gzLbvyNv2CaerbuLwBLn hiov2DGi1BTfMBaeXatLxBI9gBaerbd9wDYLwzYbItLDharqqtubsr 4rNCHbGeaGqk0=Mr0xXdbba91rFfpec8Eeeu0xXdbba9frFj0=OqFf ea0dXdd9vqai=hGuQ8kuc9pgc9q8qqaq=dir=f0=yqaiVgFr0xfr=x fr=xb9adbaqaaeGaciGaaiaabeqaamaabaabaaGcbaqcLbsacaWGub qcfa4aaSbaaeaacaaIYaaabeaaaaa@3A6B@ T 3 MathType@MTEF@5@5@+= feaagKart1ev2aaatCvAUfeBSjuyZL2yd9gzLbvyNv2CaerbuLwBLn hiov2DGi1BTfMBaeXatLxBI9gBaerbd9wDYLwzYbItLDharqqtubsr 4rNCHbGeaGqk0=Mr0xXdbba91rFfpec8Eeeu0xXdbba9frFj0=OqFf ea0dXdd9vqai=hGuQ8kuc9pgc9q8qqaq=dir=f0=yqaiVgFr0xfr=x fr=xb9adbaqaaeGaciGaaiaabeqaamaabaabaaGcbaqcLbsacaWGub qcfa4aaSbaaeaacaaIZaaabeaaaaa@3A6C@ , T 4 MathType@MTEF@5@5@+= feaagKart1ev2aaatCvAUfeBSjuyZL2yd9gzLbvyNv2CaerbuLwBLn hiov2DGi1BTfMBaeXatLxBI9gBaerbd9wDYLwzYbItLDharqqtubsr 4rNCHbGeaGqk0=Mr0xXdbba91rFfpec8Eeeu0xXdbba9frFj0=OqFf ea0dXdd9vqai=hGuQ8kuc9pgc9q8qqaq=dir=f0=yqaiVgFr0xfr=x fr=xb9adbaqaaeGaciGaaiaabeqaamaabaabaaGcbaqcLbsacaWGub qcfa4aaSbaaSqaaKqzadGaaGinaaWcbeaaaaa@3BB1@ , T 5 MathType@MTEF@5@5@+= feaagKart1ev2aaatCvAUfeBSjuyZL2yd9gzLbvyNv2CaerbuLwBLn hiov2DGi1BTfMBaeXatLxBI9gBaerbd9wDYLwzYbItLDharqqtubsr 4rNCHbGeaGqk0=Mr0xXdbba91rFfpec8Eeeu0xXdbba9frFj0=OqFf ea0dXdd9vqai=hGuQ8kuc9pgc9q8qqaq=dir=f0=yqaiVgFr0xfr=x fr=xb9adbaqaaeGaciGaaiaabeqaamaabaabaaGcbaqcLbsacaWGub qcfa4aaSbaaSqaaKqzadGaaGynaaWcbeaaaaa@3BB2@ , T 6 MathType@MTEF@5@5@+= feaagKart1ev2aaatCvAUfeBSjuyZL2yd9gzLbvyNv2CaerbuLwBLn hiov2DGi1BTfMBaeXatLxBI9gBaerbd9wDYLwzYbItLDharqqtubsr 4rNCHbGeaGqk0=Mr0xXdbba91rFfpec8Eeeu0xXdbba9frFj0=OqFf ea0dXdd9vqai=hGuQ8kuc9pgc9q8qqaq=dir=f0=yqaiVgFr0xfr=x fr=xb9adbaqaaeGaciGaaiaabeqaamaabaabaaGcbaqcLbsacaWGub qcfa4aaSbaaeaacaaI2aaabeaaaaa@3A6F@  where the components T 1 T 3 MathType@MTEF@5@5@+= feaagKart1ev2aaatCvAUfeBSjuyZL2yd9gzLbvyNv2CaerbuLwBLn hiov2DGi1BTfMBaeXatLxBI9gBaerbd9wDYLwzYbItLDharqqtubsr 4rNCHbGeaGqk0=Mr0xXdbba91rFfpec8Eeeu0xXdbba9frFj0=OqFf ea0dXdd9vqai=hGuQ8kuc9pgc9q8qqaq=dir=f0=yqaiVgFr0xfr=x fr=xb9adbaqaaeGaciGaaiaabeqaamaabaabaaGcbaqcLbsaqaaaaa aaaaWdbiaadsfajuaGdaWgaaqaaiaaigdaaeqaaKqzGeGaeyOeI0Ia amivaOWaaSbaaSqaaKqzadGaaG4maaWcbeaaaaa@3F0B@ are related to extension–compression stresses and the components T 4 T 6 MathType@MTEF@5@5@+= feaagKart1ev2aaatCvAUfeBSjuyZL2yd9gzLbvyNv2CaerbuLwBLn hiov2DGi1BTfMBaeXatLxBI9gBaerbd9wDYLwzYbItLDharqqtubsr 4rNCHbGeaGqk0=Mr0xXdbba91rFfpec8Eeeu0xXdbba9frFj0=OqFf ea0dXdd9vqai=hGuQ8kuc9pgc9q8qqaq=dir=f0=yqaiVgFr0xfr=x fr=xb9adbaqaaeGaciGaaiaabeqaamaabaabaaGcbaqcLbsaqaaaaa aaaaWdbiaadsfajuaGdaWgaaqaaiaaisdaaeqaaKqzGeGaeyOeI0Ia amivaOWaaSbaaSqaaKqzadGaaGOnaaWcbeaaaaa@3F11@  to shear stresses. The matrix state equations8,11 connecting the electric and elastic variables for the polarized piezoceramics have the following form:

D=dT+ ε T E MathType@MTEF@5@5@+= feaagKart1ev2aaatCvAUfeBSjuyZL2yd9gzLbvyNv2CaerbuLwBLn hiov2DGi1BTfMBaeXatLxBI9gBaerbd9wDYLwzYbItLDharqqtubsr 4rNCHbGeaGqk0=Mr0xXdbba91rFfpec8Eeeu0xXdbba9frFj0=OqFf ea0dXdd9vqai=hGuQ8kuc9pgc9q8qqaq=dir=f0=yqaiVgFr0xfr=x fr=xb9adbaqaaeGaciGaaiaabeqaamaabaabaaGcbaacbiqcLbsaca WFebGaa8xpaiaa=rgacaWFubGaa83kaiaa=v7ajuaGdaahaaWcbeqa aKqzadGaa8hvaaaajugibiaa=veaaaa@4167@ , (1)

S= s E T+ d t E MathType@MTEF@5@5@+= feaagKart1ev2aaatCvAUfeBSjuyZL2yd9gzLbvyNv2CaerbuLwBLn hiov2DGi1BTfMBaeXatLxBI9gBaerbd9wDYLwzYbItLDharqqtubsr 4rNCHbGeaGqk0=Mr0xXdbba91rFfpec8Eeeu0xXdbba9frFj0=OqFf ea0dXdd9vqai=hGuQ8kuc9pgc9q8qqaq=dir=f0=yqaiVgFr0xfr=x fr=xb9adbaqaaeGaciGaaiaabeqaamaabaabaaGcbaacbiqcLbsaca WFtbGaa8xpaiaa=nhakmaaCaaaleqabaqcLbmacaWFfbaaaKqzGeGa a8hvaiaa=TcacaWFKbqcfa4aaWbaaSqabeaajugWaiaa=rhaaaqcLb sacaWFfbaaaa@440B@ , (2)

where the first equation describes the direct piezoelectric effect, and the second - the inverse piezoelectric effect; D MathType@MTEF@5@5@+= feaagKart1ev2aqatCvAUfeBSjuyZL2yd9gzLbvyNv2CaerbdfwBIj xAHbstHrhAaeXatLxBI9gBaerbd9wDYLwzYbItLDharuavP1wzZbIt LDhis9wBH5garqqtubsr4rNCHbGeaGqiVu0Je9sqqrpepC0xbbL8F4 rqqrFfpeea0xe9Lq=Jc9vqaqpepm0xbba9pwe9Q8fs0=yqaqpepae9 pg0FirpepeKkFr0xfr=xfr=xb9adbaqaaeGaciGaaiaabeqaamaaea qbaaGcbaGaaCiraaaa@3B37@  is the column matrix of electric induction along the coordinate axes; S MathType@MTEF@5@5@+= feaagKart1ev2aqatCvAUfeBSjuyZL2yd9gzLbvyNv2CaerbdfwBIj xAHbstHrhAaeXatLxBI9gBaerbd9wDYLwzYbItLDharuavP1wzZbIt LDhis9wBH5garqqtubsr4rNCHbGeaGqiVu0Je9sqqrpepC0xbbL8F4 rqqrFfpeea0xe9Lq=Jc9vqaqpepm0xbba9pwe9Q8fs0=yqaqpepae9 pg0FirpepeKkFr0xfr=xfr=xb9adbaqaaeGaciGaaiaabeqaamaaea qbaaGcbaGaaC4uaaaa@3B46@  is the column matrix of relative deformations; T MathType@MTEF@5@5@+= feaagKart1ev2aqatCvAUfeBSjuyZL2yd9gzLbvyNv2CaerbdfwBIj xAHbstHrhAaeXatLxBI9gBaerbd9wDYLwzYbItLDharuavP1wzZbIt LDhis9wBH5garqqtubsr4rNCHbGeaGqiVu0Je9sqqrpepC0xbbL8F4 rqqrFfpeea0xe9Lq=Jc9vqaqpepm0xbba9pwe9Q8fs0=yqaqpepae9 pg0FirpepeKkFr0xfr=xfr=xb9adbaqaaeGaciGaaiaabeqaamaaea qbaaGcbaGaaCivaaaa@3B47@  is the column matrix of mechanical stresses; E MathType@MTEF@5@5@+= feaagKart1ev2aqatCvAUfeBSjuyZL2yd9gzLbvyNv2CaerbdfwBIj xAHbstHrhAaeXatLxBI9gBaerbd9wDYLwzYbItLDharuavP1wzZbIt LDhis9wBH5garqqtubsr4rNCHbGeaGqiVu0Je9sqqrpepC0xbbL8F4 rqqrFfpeea0xe9Lq=Jc9vqaqpepm0xbba9pwe9Q8fs0=yqaqpepae9 pg0FirpepeKkFr0xfr=xfr=xb9adbaqaaeGaciGaaiaabeqaamaaea qbaaGcbaGaaCyraiaaykW7aaa@3CC3@  is the column matrix of electric field strength along the coordinate axes; s E MathType@MTEF@5@5@+= feaagKart1ev2aqatCvAUfeBSjuyZL2yd9gzLbvyNv2CaerbdfwBIj xAHbstHrhAaeXatLxBI9gBaerbd9wDYLwzYbItLDharuavP1wzZbIt LDhis9wBH5garqqtubsr4rNCHbGeaGqiVu0Je9sqqrpepC0xbbL8F4 rqqrFfpeea0xe9Lq=Jc9vqaqpepm0xbba9pwe9Q8fs0=yqaqpepae9 pg0FirpepeKkFr0xfr=xfr=xb9adbaqaaeGaciGaaiaabeqaamaaea qbaaGcbaGaaC4CamaaCaaaleqabaGaamyraaaakiaaykW7aaa@3DF2@  is the elastic compliance matrix for E=const MathType@MTEF@5@5@+= feaagKart1ev2aqatCvAUfeBSjuyZL2yd9gzLbvyNv2CaerbdfwBIj xAHbstHrhAaeXatLxBI9gBaerbd9wDYLwzYbItLDharuavP1wzZbIt LDhis9wBH5garqqtubsr4rNCHbGeaGqiVu0Je9sqqrpepC0xbbL8F4 rqqrFfpeea0xe9Lq=Jc9vqaqpepm0xbba9pwe9Q8fs0=yqaqpepae9 pg0FirpepeKkFr0xfr=xfr=xb9adbaqaaeGaciGaaiaabeqaamaaea qbaaGcbaGaamyraiabg2da9iaabogacaqGVbGaaeOBaiaabohacaqG 0baaaa@40F0@ ; ε T MathType@MTEF@5@5@+= feaagKart1ev2aqatCvAUfeBSjuyZL2yd9gzLbvyNv2CaerbdfwBIj xAHbstHrhAaeXatLxBI9gBaerbd9wDYLwzYbItLDharuavP1wzZbIt LDhis9wBH5garqqtubsr4rNCHbGeaGqiVu0Je9sqqrpepC0xbbL8F4 rqqrFfpeea0xe9Lq=Jc9vqaqpepm0xbba9pwe9Q8fs0=yqaqpepae9 pg0FirpepeKkFr0xfr=xfr=xb9adbaqaaeGaciGaaiaabeqaamaaea qbaaGcbaGaaCyTdmaaCaaaleqabaGaamivaaaaaaa@3CB1@  is the matrix of dielectric constants for T=const MathType@MTEF@5@5@+= feaagKart1ev2aqatCvAUfeBSjuyZL2yd9gzLbvyNv2CaerbdfwBIj xAHbstHrhAaeXatLxBI9gBaerbd9wDYLwzYbItLDharuavP1wzZbIt LDhis9wBH5garqqtubsr4rNCHbGeaGqiVu0Je9sqqrpepC0xbbL8F4 rqqrFfpeea0xe9Lq=Jc9vqaqpepm0xbba9pwe9Q8fs0=yqaqpepae9 pg0FirpepeKkFr0xfr=xfr=xb9adbaqaaeGaciGaaiaabeqaamaaea qbaaGcbaGaamivaiabg2da9iaabogacaqGVbGaaeOBaiaabohacaqG 0baaaa@40FF@ ; d t MathType@MTEF@5@5@+= feaagKart1ev2aqatCvAUfeBSjuyZL2yd9gzLbvyNv2CaerbdfwBIj xAHbstHrhAaeXatLxBI9gBaerbd9wDYLwzYbItLDharuavP1wzZbIt LDhis9wBH5garqqtubsr4rNCHbGeaGqiVu0Je9sqqrpepC0xbbL8F4 rqqrFfpeea0xe9Lq=Jc9vqaqpepm0xbba9pwe9Q8fs0=yqaqpepae9 pg0FirpepeKkFr0xfr=xfr=xb9adbaqaaeGaciGaaiaabeqaamaaea qbaaGcbaGaaCizamaaCaaaleqabaGaamiDaaaakiaaykW7aaa@3E12@  is the transposed matrix of the piezoelectric modules.

In polarized piezoceramics from lead zirconate titanate PZT for the piezoactuator on Figure 1 there are five independent components s 11 E MathType@MTEF@5@5@+= feaagKart1ev2aaatCvAUfeBSjuyZL2yd9gzLbvyNv2CaerbuLwBLn hiov2DGi1BTfMBaeXatLxBI9gBaerbd9wDYLwzYbItLDharqqtubsr 4rNCHbGeaGqk0=Mr0xXdbba91rFfpec8Eeeu0xXdbba9frFj0=OqFf ea0dXdd9vqai=hGuQ8kuc9pgc9q8qqaq=dir=f0=yqaiVgFr0xfr=x fr=xb9adbaqaaeGaciGaaiaabeqaamaabaabaaGcbaacbiqcLbsaca WFZbqcfa4aa0baaSqaaKqzadGaa8xmaiaa=fdaaSqaaKqzadGaa8xr aaaaaaa@3E72@ s 12 E MathType@MTEF@5@5@+= feaagKart1ev2aaatCvAUfeBSjuyZL2yd9gzLbvyNv2CaerbuLwBLn hiov2DGi1BTfMBaeXatLxBI9gBaerbd9wDYLwzYbItLDharqqtubsr 4rNCHbGeaGqk0=Mr0xXdbba91rFfpec8Eeeu0xXdbba9frFj0=OqFf ea0dXdd9vqai=hGuQ8kuc9pgc9q8qqaq=dir=f0=yqaiVgFr0xfr=x fr=xb9adbaqaaeGaciGaaiaabeqaamaabaabaaGcbaacbiqcLbsaca WFZbqcfa4aa0baaSqaaKqzadGaa8xmaiaa=jdaaSqaaKqzadGaa8xr aaaaaaa@3E73@ , s 13 E MathType@MTEF@5@5@+= feaagKart1ev2aaatCvAUfeBSjuyZL2yd9gzLbvyNv2CaerbuLwBLn hiov2DGi1BTfMBaeXatLxBI9gBaerbd9wDYLwzYbItLDharqqtubsr 4rNCHbGeaGqk0=Mr0xXdbba91rFfpec8Eeeu0xXdbba9frFj0=OqFf ea0dXdd9vqai=hGuQ8kuc9pgc9q8qqaq=dir=f0=yqaiVgFr0xfr=x fr=xb9adbaqaaeGaciGaaiaabeqaamaabaabaaGcbaacbiqcLbsaca WFZbqcfa4aa0baaSqaaKqzadGaa8xmaiaa=ndaaSqaaKqzadGaa8xr aaaaaaa@3E74@ , s 33 E MathType@MTEF@5@5@+= feaagKart1ev2aaatCvAUfeBSjuyZL2yd9gzLbvyNv2CaerbuLwBLn hiov2DGi1BTfMBaeXatLxBI9gBaerbd9wDYLwzYbItLDharqqtubsr 4rNCHbGeaGqk0=Mr0xXdbba91rFfpec8Eeeu0xXdbba9frFj0=OqFf ea0dXdd9vqai=hGuQ8kuc9pgc9q8qqaq=dir=f0=yqaiVgFr0xfr=x fr=xb9adbaqaaeGaciGaaiaabeqaamaabaabaaGcbaacbiqcLbsaca WFZbqcfa4aa0baaSqaaKqzadGaa83maiaa=ndaaSqaaKqzadGaa8xr aaaaaaa@3E76@ , s 11 E MathType@MTEF@5@5@+= feaagKart1ev2aaatCvAUfeBSjuyZL2yd9gzLbvyNv2CaerbuLwBLn hiov2DGi1BTfMBaeXatLxBI9gBaerbd9wDYLwzYbItLDharqqtubsr 4rNCHbGeaGqk0=Mr0xXdbba91rFfpec8Eeeu0xXdbba9frFj0=OqFf ea0dXdd9vqai=hGuQ8kuc9pgc9q8qqaq=dir=f0=yqaiVgFr0xfr=x fr=xb9adbaqaaeGaciGaaiaabeqaamaabaabaaGcbaacbiqcLbsaca WFZbqcfa4aa0baaSqaaKqzadGaa8xmaiaa=fdaaSqaaKqzadGaa8xr aaaaaaa@3E72@  in the elastic compliance matrix, three independent components d 33 MathType@MTEF@5@5@+= feaagKart1ev2aaatCvAUfeBSjuyZL2yd9gzLbvyNv2CaerbuLwBLn hiov2DGi1BTfMBaeXatLxBI9gBaerbd9wDYLwzYbItLDharqqtubsr 4rNCHbGeaGqiVu0Je9sqqrpepC0xbbL8F4rqqrFfpeea0xe9Lq=Jc9 vqaqpepm0xbba9pwe9Q8fs0=yqaqpepae9pg0FirpepeKkFr0xfr=x fr=xb9adbaqaaeGaciGaaiaabeqaamaabaabaaGcbaGaamizamaaBa aaleaacqGHZaWmcqGHZaWmaeqaaaaa@38EF@ , d 31 MathType@MTEF@5@5@+= feaagKart1ev2aaatCvAUfeBSjuyZL2yd9gzLbvyNv2CaerbuLwBLn hiov2DGi1BTfMBaeXatLxBI9gBaerbd9wDYLwzYbItLDharqqtubsr 4rNCHbGeaGqiVu0Je9sqqrpepC0xbbL8F4rqqrFfpeea0xe9Lq=Jc9 vqaqpepm0xbba9pwe9Q8fs0=yqaqpepae9pg0FirpepeKkFr0xfr=x fr=xb9adbaqaaeGaciGaaiaabeqaamaabaabaaGcbaGaamizamaaBa aaleaacqGHZaWmcqGHXaqmaeqaaaaa@38EB@ , d 15 MathType@MTEF@5@5@+= feaagKart1ev2aaatCvAUfeBSjuyZL2yd9gzLbvyNv2CaerbuLwBLn hiov2DGi1BTfMBaeXatLxBI9gBaerbd9wDYLwzYbItLDharqqtubsr 4rNCHbGeaGqiVu0Je9sqqrpepC0xbbL8F4rqqrFfpeea0xe9Lq=Jc9 vqaqpepm0xbba9pwe9Q8fs0=yqaqpepae9pg0FirpepeKkFr0xfr=x fr=xb9adbaqaaeGaciGaaiaabeqaamaabaabaaGcbaGaamizamaaBa aaleaacqGHXaqmcqGH1aqnaeqaaaaa@38EF@  in the transposed matrix of the piezoelectric modules and three independent components, ε 11 T MathType@MTEF@5@5@+= feaagKart1ev2aaatCvAUfeBSjuyZL2yd9gzLbvyNv2CaerbuLwBLn hiov2DGi1BTfMBaeXatLxBI9gBaerbd9wDYLwzYbItLDharqqtubsr 4rNCHbGeaGqk0=Mr0xXdbba91rFfpec8Eeeu0xXdbba9frFj0=OqFf ea0dXdd9vqai=hGuQ8kuc9pgc9q8qqaq=dir=f0=yqaiVgFr0xfr=x fr=xb9adbaqaaeGaciGaaiaabeqaamaabaabaaGcbaGaeqyTduwcfa 4aa0baaSqaaGqacKqzadGaa8xmaiaa=fdaaSqaaKqzadGaa8hvaaaa aaa@3EA5@ , ε 33 T MathType@MTEF@5@5@+= feaagKart1ev2aaatCvAUfeBSjuyZL2yd9gzLbvyNv2CaerbuLwBLn hiov2DGi1BTfMBaeXatLxBI9gBaerbd9wDYLwzYbItLDharqqtubsr 4rNCHbGeaGqk0=Mr0xXdbba91rFfpec8Eeeu0xXdbba9frFj0=OqFf ea0dXdd9vqai=hGuQ8kuc9pgc9q8qqaq=dir=f0=yqaiVgFr0xfr=x fr=xb9adbaqaaeGaciGaaiaabeqaamaabaabaaGcbaGaeqyTduwcfa 4aa0baaSqaaGqacKqzadGaa83maiaa=ndaaSqaaKqzadGaa8hvaaaa aaa@3EA9@ ε 22 T MathType@MTEF@5@5@+= feaagKart1ev2aaatCvAUfeBSjuyZL2yd9gzLbvyNv2CaerbuLwBLn hiov2DGi1BTfMBaeXatLxBI9gBaerbd9wDYLwzYbItLDharqqtubsr 4rNCHbGeaGqk0=Mr0xXdbba91rFfpec8Eeeu0xXdbba9frFj0=OqFf ea0dXdd9vqai=hGuQ8kuc9pgc9q8qqaq=dir=f0=yqaiVgFr0xfr=x fr=xb9adbaqaaeGaciGaaiaabeqaamaabaabaaGcbaGaeqyTduwcfa 4aa0baaSqaaGqacKqzadGaa8Nmaiaa=jdaaSqaaKqzadGaa8hvaaaa aaa@3EA7@  in the matrix of dielectric constants.

Figure 1 Piezoactuator.

Let us consider the piezoactuator for the longitudinal piezoelectric effect, where δ MathType@MTEF@5@5@+= feaagKart1ev2aaatCvAUfeBSjuyZL2yd9gzLbvyNv2CaerbuLwBLn hiov2DGi1BTfMBaeXatLxBI9gBaerbd9wDYLwzYbItLDharqqtubsr 4rNCHbGeaGqk0=Mr0xXdbba91rFfpec8Eeeu0xXdbba9frFj0=OqFf ea0dXdd9vqai=hGuQ8kuc9pgc9q8qqaq=dir=f0=yqaiVgFr0xfr=x fr=xb9adbaqaaeGaciGaaiaabeqaamaabaabaaGcbiqaaa3=jugibi abes7aKbaa@3B3E@  is thickness and the electrodes deposited on its faces perpendicular to axis 3, the area of which is equal S 0 MathType@MTEF@5@5@+= feaagKart1ev2aaatCvAUfeBSjuyZL2yd9gzLbvyNv2CaerbuLwBLn hiov2DGi1BTfMBaeXatLxBI9gBaerbd9wDYLwzYbItLDharqqtubsr 4rNCHbGeaGqk0=Mr0xXdbba91rFfpec8Eeeu0xXdbba9frFj0=OqFf ea0dXdd9vqai=hGuQ8kuc9pgc9q8qqaq=dir=f0=yqaiVgFr0xfr=x fr=xb9adbaqaaeGaciGaaiaabeqaamaabaabaaGcbaacbiqcLbsaca WFtbqcfa4aaSbaaSqaaKqzadGaa8hmaaWcbeaaaaa@3BAA@ . The direction of the polarization axis Р, i.e., the direction along which polarization was performed, is usually taken as the direction of axis 3. The equation of the inverse longitudinal piezoelectric effect8,11 has the form:

S 3 = d 33 E 3 (t)+ s 33 E T 3 (x,t) MathType@MTEF@5@5@+= feaagKart1ev2aaatCvAUfeBSjuyZL2yd9gzLbvyNv2CaerbuLwBLn hiov2DGi1BTfMBaeXatLxBI9gBaerbd9wDYLwzYbItLDharqqtubsr 4rNCHbGeaGqk0=Mr0xXdbba91rFfpec8Eeeu0xXdbba9frFj0=OqFf ea0dXdd9vqai=hGuQ8kuc9pgc9q8qqaq=dir=f0=yqaiVgFr0xfr=x fr=xb9adbaqaaeGaciGaaiaabeqaamaabaabaaGcbaacbiqcLbsaca WFtbqcfa4aaSbaaSqaaKqzadGaa83maaWcbeaajugibiaa=1dacaWF Kbqcfa4aaSbaaSqaaKqzadGaa83maiaa=ndaaOqabaqcLbsacaWFfb qcfa4aaSbaaSqaaKqzadGaa83maaWcbeaajugibiaa=HcacaWF0bGa a8xkaiaa=TcacaWFZbqcfa4aa0baaSqaaKqzadGaa83maiaa=ndaaS qaaKqzadGaa8xraaaajugibiaa=rfakmaaBaaaleaajugWaiaa=nda aOqabaqcLbsacaWFOaGaa8hEaiaa=XcacaWF0bGaa8xkaaaa@56FF@ , (3)

where S 3 = ξ(x,t)/ x MathType@MTEF@5@5@+= feaagKart1ev2aaatCvAUfeBSjuyZL2yd9gzLbvyNv2CaerbuLwBLn hiov2DGi1BTfMBaeXatLxBI9gBaerbd9wDYLwzYbItLDharqqtubsr 4rNCHbGeaGqk0=Mr0xXdbba91rFfpec8Eeeu0xXdbba9frFj0=OqFf ea0dXdd9vqai=hGuQ8kuc9pgc9q8qqaq=dir=f0=yqaiVgFr0xfr=x fr=xb9adbaqaaeGaciGaaiaabeqaamaabaabaaGcbaqcLbsacaWGtb qcfa4aaSbaaSqaaKqzadGaaG4maaWcbeaajugibiabg2da9OWaaSGb aeaajugibiabgkGi2kabe67a4jaacIcacaWG4bGaaiilaiaadshaca GGPaaakeaajugibiabgkGi2kaadIhaaaaaaa@4817@  is the relative displacement of the cross section of the piezoactuator, d 33 MathType@MTEF@5@5@+= feaagKart1ev2aaatCvAUfeBSjuyZL2yd9gzLbvyNv2CaerbuLwBLn hiov2DGi1BTfMBaeXatLxBI9gBaerbd9wDYLwzYbItLDharqqtubsr 4rNCHbGeaGqk0=Mr0xXdbba91rFfpec8Eeeu0xXdbba9frFj0=OqFf ea0dXdd9vqai=hGuQ8kuc9pgc9q8qqaq=dir=f0=yqaiVgFr0xfr=x fr=xb9adbaqaaeGaciGaaiaabeqaamaabaabaaGcbaqcLbsacaWGKb qcfa4aaSbaaSqaaKqzadGaaG4maiaaiodaaSqabaaaaa@3C7D@  is the piezomodule for the longitudinal piezoeffect, E 3 ( t )= U( t )/δ MathType@MTEF@5@5@+= feaagKart1ev2aaatCvAUfeBSjuyZL2yd9gzLbvyNv2CaerbuLwBLn hiov2DGi1BTfMBaeXatLxBI9gBaerbd9wDYLwzYbItLDharqqtubsr 4rNCHbGeaGqk0=Mr0xXdbba91rFfpec8Eeeu0xXdbba9frFj0=OqFf ea0dXdd9vqai=hGuQ8kuc9pgc9q8qqaq=dir=f0=yqaiVgFr0xfr=x fr=xb9adbaqaaeGaciGaaiaabeqaamaabaabaaGcbaqcLbsacaWGfb qcfa4aaSbaaSqaaKqzadGaaG4maaWcbeaakmaabmaabaqcLbsacaWG 0baakiaawIcacaGLPaaajugibiabg2da9OWaaSGbaeaajugibiaadw fakmaabmaabaqcLbsacaWG0baakiaawIcacaGLPaaaaeaajugibiab es7aKbaaaaa@473D@  is the electric field strength, U( t ) MathType@MTEF@5@5@+= feaagKart1ev2aaatCvAUfeBSjuyZL2yd9gzLbvyNv2CaerbuLwBLn hiov2DGi1BTfMBaeXatLxBI9gBaerbd9wDYLwzYbItLDharqqtubsr 4rNCHbGeaGqk0=Mr0xXdbba91rFfpec8Eeeu0xXdbba9frFj0=OqFf ea0dXdd9vqai=hGuQ8kuc9pgc9q8qqaq=dir=f0=yqaiVgFr0xfr=x fr=xb9adbaqaaeGaciGaaiaabeqaamaabaabaaGcbaqcLbsacaWGvb GcdaqadaqaaKqzGeGaamiDaaGccaGLOaGaayzkaaaaaa@3C26@ c is the voltage between the electrodes of actuator, δ MathType@MTEF@5@5@+= feaagKart1ev2aaatCvAUfeBSjuyZL2yd9gzLbvyNv2CaerbuLwBLn hiov2DGi1BTfMBaeXatLxBI9gBaerbd9wDYLwzYbItLDharqqtubsr 4rNCHbGeaGqk0=Mr0xXdbba91rFfpec8Eeeu0xXdbba9frFj0=OqFf ea0dXdd9vqai=hGuQ8kuc9pgc9q8qqaq=dir=f0=yqaiVgFr0xfr=x fr=xb9adbaqaaeGaciGaaiaabeqaamaabaabaaGcbaqcLbsacqaH0o azaaa@39CC@  is the thickness, s 33 E MathType@MTEF@5@5@+= feaagKart1ev2aaatCvAUfeBSjuyZL2yd9gzLbvyNv2CaerbuLwBLn hiov2DGi1BTfMBaeXatLxBI9gBaerbd9wDYLwzYbItLDharqqtubsr 4rNCHbGeaGqk0=Mr0xXdbba91rFfpec8Eeeu0xXdbba9frFj0=OqFf ea0dXdd9vqai=hGuQ8kuc9pgc9q8qqaq=dir=f0=yqaiVgFr0xfr=x fr=xb9adbaqaaeGaciGaaiaabeqaamaabaabaaGcbaqcLbsacaWGZb qcfa4aa0baaSqaaKqzadGaaG4maiaaiodaaSqaaKqzadGaamyraaaa aaa@3E85@  is the elastic compliance along axis 3, and T 3 MathType@MTEF@5@5@+= feaagKart1ev2aaatCvAUfeBSjuyZL2yd9gzLbvyNv2CaerbuLwBLn hiov2DGi1BTfMBaeXatLxBI9gBaerbd9wDYLwzYbItLDharqqtubsr 4rNCHbGeaGqk0=Mr0xXdbba91rFfpec8Eeeu0xXdbba9frFj0=OqFf ea0dXdd9vqai=hGuQ8kuc9pgc9q8qqaq=dir=f0=yqaiVgFr0xfr=x fr=xb9adbaqaaeGaciGaaiaabeqaamaabaabaaGcbaqcLbsacaWGub qcfa4aaSbaaSqaaKqzadGaaG4maaWcbeaaaaa@3BB0@  is the mechanical stress along axis 3.

The equation of equilibrium for the force acting on the piezoactuator on Figure 1 can be written as

T 3 S 0 =F+M 2 ξ( x,t ) t 2 MathType@MTEF@5@5@+= feaagKart1ev2aaatCvAUfeBSjuyZL2yd9gzLbvyNv2CaerbuLwBLn hiov2DGi1BTfMBaeXatLxBI9gBaerbd9wDYLwzYbItLDharqqtubsr 4rNCHbGeaGqk0=Mr0xXdbba91rFfpec8Eeeu0xXdbba9frFj0=OqFf ea0dXdd9vqai=hGuQ8kuc9pgc9q8qqaq=dir=f0=yqaiVgFr0xfr=x fr=xb9adbaqaaeGaciGaaiaabeqaamaabaabaaGcbaqcLbsacaWGub GcdaWgaaWcbaqcLbmacaaIZaaaleqaaKqzGeGaam4uaKqbaoaaBaaa leaajugWaiaaicdaaSqabaqcLbsacqGH9aqpcaWGgbGaey4kaSIaam ytaOWaaSaaaeaajugibiabgkGi2QWaaWbaaSqabeaajugWaiaaikda aaqcLbsacqaH+oaEkmaabmaabaqcLbsacaWG4bGaaiilaiaadshaaO GaayjkaiaawMcaaaqaaKqzGeGaeyOaIyRaamiDaKqbaoaaCaaaleqa baqcLbmacaaIYaaaaaaaaaa@543B@ , (4)

Where F is the external force applied to the piezoactuator, S 0 MathType@MTEF@5@5@+= feaagKart1ev2aaatCvAUfeBSjuyZL2yd9gzLbvyNv2CaerbuLwBLn hiov2DGi1BTfMBaeXatLxBI9gBaerbd9wDYLwzYbItLDharqqtubsr 4rNCHbGeaGqk0=Mr0xXdbba91rFfpec8Eeeu0xXdbba9frFj0=OqFf ea0dXdd9vqai=hGuQ8kuc9pgc9q8qqaq=dir=f0=yqaiVgFr0xfr=x fr=xb9adbaqaaeGaciGaaiaabeqaamaabaabaaGcbaqcLbsacaWGtb qcfa4aaSbaaSqaaKqzadGaaGimaaWcbeaaaaa@3BAC@ is the cross section area and M is the displaced mass.

the equation of the inverse longitudinal piezoeffect, the wave equation using Laplace transform, the equations of the forces acting on the faces of the piezoactuator. The calculations of the piezoactuators are performed using the wave equation8,11,12 describing the wave propagation in the long line with damping but without distortions in the following form:

1 ( с E ) 2 2 ξ( x,t ) t 2 + 2α c E ξ( x,t ) t + α 2 ξ( x,t )= 2 ξ( x,t ) x 2 MathType@MTEF@5@5@+= feaagKart1ev2aaatCvAUfeBSjuyZL2yd9gzLbvyNv2CaerbuLwBLn hiov2DGi1BTfMBaeXatLxBI9gBaerbd9wDYLwzYbItLDharqqtubsr 4rNCHbGeaGqk0=Mr0xXdbba91rFfpec8Eeeu0xXdbba9frFj0=OqFf ea0dXdd9vqai=hGuQ8kuc9pgc9q8qqaq=dir=f0=yqaiVgFr0xfr=x fr=xb9adbaqaaeGaciGaaiaabeqaamaabaabaaGcbaWaaSaaaeaaju gibiaaigdaaOqaamaabmaabaqcLbsacaWGbrqcfa4aaWbaaSqabeaa jugWaiaadweaaaaakiaawIcacaGLPaaajuaGdaahaaWcbeqaaKqzad GaaGOmaaaaaaGcdaWcaaqaaKqzGeGaeyOaIyRcdaahaaWcbeqaaKqz adGaaGOmaaaajugibiabe67a4PWaaeWaaeaajugibiaadIhacaGGSa GaamiDaaGccaGLOaGaayzkaaaabaqcLbsacqGHciITcaWG0bqcfa4a aWbaaSqabeaajugWaiaaikdaaaaaaKqzGeGaey4kaSIcdaWcaaqaaK qzGeGaaGOmaiabeg7aHbGcbaqcLbsacaWGJbGcdaahaaWcbeqaaKqz adGaamyraaaaaaGcdaWcaaqaaKqzGeGaeyOaIyRaeqOVdGNcdaqada qaaKqzGeGaamiEaiaacYcacaWG0baakiaawIcacaGLPaaaaeaajugi biabgkGi2kaadshaaaGaey4kaSIaeqySdewcfa4aaWbaaSqabeaaju gWaiaaikdaaaqcLbsacqaH+oaEkmaabmaabaqcLbsacaWG4bGaaiil aiaadshaaOGaayjkaiaawMcaaKqzGeGaeyypa0JcdaWcaaqaaKqzGe GaeyOaIyRcdaahaaWcbeqaaKqzadGaaGOmaaaajugibiabe67a4PWa aeWaaeaajugibiaadIhacaGGSaGaamiDaaGccaGLOaGaayzkaaaaba qcLbsacqGHciITcaWG4bqcfa4aaWbaaSqabeaajugWaiaaikdaaaaa aaaa@84A8@ , (5)

where ξ( x,t ) MathType@MTEF@5@5@+= feaagKart1ev2aaatCvAUfeBSjuyZL2yd9gzLbvyNv2CaerbuLwBLn hiov2DGi1BTfMBaeXatLxBI9gBaerbd9wDYLwzYbItLDharqqtubsr 4rNCHbGeaGqk0=Mr0xXdbba91rFfpec8Eeeu0xXdbba9frFj0=OqFf ea0dXdd9vqai=hGuQ8kuc9pgc9q8qqaq=dir=f0=yqaiVgFr0xfr=x fr=xb9adbaqaaeGaciGaaiaabeqaamaabaabaaGcbaqcLbsacqaH+o aEkmaabmaabaqcLbsacaWG4bGaaiilaiaadshaaOGaayjkaiaawMca aaaa@3EBC@  is the displacement of the section, x is the coordinate, t is the time, c E MathType@MTEF@5@5@+= feaagKart1ev2aaatCvAUfeBSjuyZL2yd9gzLbvyNv2CaerbuLwBLn hiov2DGi1BTfMBaeXatLxBI9gBaerbd9wDYLwzYbItLDharqqtubsr 4rNCHbGeaGqk0=Mr0xXdbba91rFfpec8Eeeu0xXdbba9frFj0=OqFf ea0dXdd9vqai=hGuQ8kuc9pgc9q8qqaq=dir=f0=yqaiVgFr0xfr=x fr=xb9adbaqaaeGaciGaaiaabeqaamaabaabaaGcbaqcLbsacaWGJb qcfa4aaWbaaSqabeaajugWaiaadweaaaaaaa@3BC2@  is the sound speed for E=const MathType@MTEF@5@5@+= feaagKart1ev2aaatCvAUfeBSjuyZL2yd9gzLbvyNv2CaerbuLwBLn hiov2DGi1BTfMBaeXatLxBI9gBaerbd9wDYLwzYbItLDharqqtubsr 4rNCHbGeaGqk0=Mr0xXdbba91rFfpec8Eeeu0xXdbba9frFj0=OqFf ea0dXdd9vqai=hGuQ8kuc9pgc9q8qqaq=dir=f0=yqaiVgFr0xfr=x fr=xb9adbaqaaeGaciGaaiaabeqaamaabaabaaGcbaqcLbsacaWGfb Gaeyypa0Jaae4yaiaab+gacaqGUbGaae4Caiaabshaaaa@3EAD@ , α MathType@MTEF@5@5@+= feaagKart1ev2aaatCvAUfeBSjuyZL2yd9gzLbvyNv2CaerbuLwBLn hiov2DGi1BTfMBaeXatLxBI9gBaerbd9wDYLwzYbItLDharqqtubsr 4rNCHbGeaGqk0=Mr0xXdbba91rFfpec8Eeeu0xXdbba9frFj0=OqFf ea0dXdd9vqai=hGuQ8kuc9pgc9q8qqaq=dir=f0=yqaiVgFr0xfr=x fr=xb9adbaqaaeGaciGaaiaabeqaamaabaabaaGcbaGaeqySdegaaa@3937@  is the damping coefficient. We can reduce the original problem for the partial differential hyperbolic equation of type (5) using Laplace transform to a simpler problem for the linear ordinary differential equation[10,12]. Applying the Laplace transform to the wave equation (5)

Ξ( x,p )=L{ ξ( x,t ) }= 0 ξ( x,t ) e pt dt MathType@MTEF@5@5@+= feaagKart1ev2aaatCvAUfeBSjuyZL2yd9gzLbvyNv2CaerbuLwBLn hiov2DGi1BTfMBaeXatLxBI9gBaerbd9wDYLwzYbItLDharqqtubsr 4rNCHbGeaGqk0=Mr0xXdbba91rFfpec8Eeeu0xXdbba9frFj0=OqFf ea0dXdd9vqai=hGuQ8kuc9pgc9q8qqaq=dir=f0=yqaiVgFr0xfr=x fr=xb9adbaqaaeGaciGaaiaabeqaamaabaabaaGcbaqcLbsacqqHEo awkmaabmaabaqcLbsacaWG4bGaaiilaiaadchaaOGaayjkaiaawMca aKqzGeGaeyypa0JaamitaOWaaiWaaeaajugibiabe67a4PWaaeWaae aajugibiaadIhacaGGSaGaamiDaaGccaGLOaGaayzkaaaacaGL7bGa ayzFaaqcLbsacqGH9aqpkmaapehabaqcLbsacqaH+oaEkmaabmaaba qcLbsacaWG4bGaaiilaiaadshaaOGaayjkaiaawMcaaKqzGeGaamyz aOWaaWbaaSqabeaajugWaiabgkHiTiaadchacaWG0baaaKqzGeGaam izaiaadshaaSqaaKqzadGaaGimaaWcbaqcLbmacqGHEisPaKqzGeGa ey4kIipaaaa@62A8@ , (6)

Setting the zero initial conditions we obtain the linear ordinary second–order differential equation with the parameter p in the form

d 2 Ξ( x,p ) d x 2 γ 2 Ξ( x,p )=0 MathType@MTEF@5@5@+= feaagKart1ev2aaatCvAUfeBSjuyZL2yd9gzLbvyNv2CaerbuLwBLn hiov2DGi1BTfMBaeXatLxBI9gBaerbd9wDYLwzYbItLDharqqtubsr 4rNCHbGeaGqk0=Mr0xXdbba91rFfpec8Eeeu0xXdbba9frFj0=OqFf ea0dXdd9vqai=hGuQ8kuc9pgc9q8qqaq=dir=f0=yqaiVgFr0xfr=x fr=xb9adbaqaaeGaciGaaiaabeqaamaabaabaaGcbaWaaSaaaeaaju gibiaadsgajuaGdaahaaWcbeqaaKqzadGaaGOmaaaajugibiabf65a yPWaaeWaaeaajugibiaadIhacaGGSaGaamiCaaGccaGLOaGaayzkaa aabaqcLbsacaWGKbGaamiEaOWaaWbaaSqabeaajugWaiaaikdaaaaa aKqzGeGaeyOeI0Iaeq4SdCMcdaahaaWcbeqaaKqzadGaaGOmaaaaju gibiabf65ayPWaaeWaaeaajugibiaadIhacaGGSaGaamiCaaGccaGL OaGaayzkaaqcLbsacqGH9aqpcaaIWaaaaa@55B0@ , (7)

With its solution being the function

Ξ( x,p )=C e xγ +B e xγ MathType@MTEF@5@5@+= feaagKart1ev2aaatCvAUfeBSjuyZL2yd9gzLbvyNv2CaerbuLwBLn hiov2DGi1BTfMBaeXatLxBI9gBaerbd9wDYLwzYbItLDharqqtubsr 4rNCHbGeaGqk0=Mr0xXdbba91rFfpec8Eeeu0xXdbba9frFj0=OqFf ea0dXdd9vqai=hGuQ8kuc9pgc9q8qqaq=dir=f0=yqaiVgFr0xfr=x fr=xb9adbaqaaeGaciGaaiaabeqaamaabaabaaGcbaqcLbsacqqHEo awkmaabmaabaqcLbsacaWG4bGaaiilaiaadchaaOGaayjkaiaawMca aKqzGeGaeyypa0Jaam4qaiaadwgajuaGdaahaaWcbeqaaKqzadGaey OeI0IaamiEaiabeo7aNbaajugibiabgUcaRiaadkeacaWGLbGcdaah aaWcbeqaaKqzadGaamiEaiabeo7aNbaaaaa@4E65@ , (8)

Where Ξ( x,p ) MathType@MTEF@5@5@+= feaagKart1ev2aaatCvAUfeBSjuyZL2yd9gzLbvyNv2CaerbuLwBLn hiov2DGi1BTfMBaeXatLxBI9gBaerbd9wDYLwzYbItLDharqqtubsr 4rNCHbGeaGqk0=Mr0xXdbba91rFfpec8Eeeu0xXdbba9frFj0=OqFf ea0dXdd9vqai=hGuQ8kuc9pgc9q8qqaq=dir=f0=yqaiVgFr0xfr=x fr=xb9adbaqaaeGaciGaaiaabeqaamaabaabaaGcbaqcLbsacqqHEo awkmaabmaabaqcLbsacaWG4bGaaiilaiaadchaaOGaayjkaiaawMca aaaa@3E79@  is the Laplace transform of the displacement of the section of the piezoelectric actuator, γ=p/ c E +α MathType@MTEF@5@5@+= feaagKart1ev2aaatCvAUfeBSjuyZL2yd9gzLbvyNv2CaerbuLwBLn hiov2DGi1BTfMBaeXatLxBI9gBaerbd9wDYLwzYbItLDharqqtubsr 4rNCHbGeaGqk0=Mr0xXdbba91rFfpec8Eeeu0xXdbba9frFj0=OqFf ea0dXdd9vqai=hGuQ8kuc9pgc9q8qqaq=dir=f0=yqaiVgFr0xfr=x fr=xb9adbaqaaeGaciGaaiaabeqaamaabaabaaGcbaqcLbsacqaHZo WzcqGH9aqpkmaalyaabaqcLbsacaWGWbaakeaajugibiaadogakmaa CaaaleqabaqcLbmacaWGfbaaaaaajugibiabgUcaRiabeg7aHbaa@4338@  is the propagation coefficient.

We denote for the faces of the piezoactuator

Ξ( 0,p )= Ξ 1 ( p ) MathType@MTEF@5@5@+= feaagKart1ev2aaatCvAUfeBSjuyZL2yd9gzLbvyNv2CaerbuLwBLn hiov2DGi1BTfMBaeXatLxBI9gBaerbd9wDYLwzYbItLDharqqtubsr 4rNCHbGeaGqk0=Mr0xXdbba91rFfpec8Eeeu0xXdbba9frFj0=OqFf ea0dXdd9vqai=hGuQ8kuc9pgc9q8qqaq=dir=f0=yqaiVgFr0xfr=x fr=xb9adbaqaaeGaciGaaiaabeqaamaabaabaaGcbaqcLbsacqqHEo awkmaabmaabaqcLbsacaaIWaGaaiilaiaadchaaOGaayjkaiaawMca aKqzGeGaeyypa0JaeuONdGvcfa4aaSbaaSqaaKqzadGaaGymaaWcbe aakmaabmaabaqcLbsacaWGWbaakiaawIcacaGLPaaaaaa@471E@ for x=0 MathType@MTEF@5@5@+= feaagKart1ev2aqatCvAUfeBSjuyZL2yd9gzLbvyNv2CaerbdfwBIj xAHbstHrhAaeXatLxBI9gBaerbd9wDYLwzYbItLDharuavP1wzZbIt LDhis9wBH5garqqtubsr4rNCHbGeaGqiVu0Je9sqqrpepC0xbbL8F4 rqqrFfpeea0xe9Lq=Jc9vqaqpepm0xbba9pwe9Q8fs0=yqaqpepae9 pg0FirpepeKkFr0xfr=xfr=xb9adbaqaaeGaciGaaiaabeqaamaaea qbaaGcbaGaamiEaiabg2da9iaaicdaaaa@3D27@ ,(9)

Ξ(δ,p)= Ξ 2 (p) MathType@MTEF@5@5@+= feaagKart1ev2aqatCvAUfeBSjuyZL2yd9gzLbvyNv2CaerbdfwBIj xAHbstHrhAaeXatLxBI9gBaerbd9wDYLwzYbItLDharuavP1wzZbIt LDhis9wBH5garqqtubsr4rNCHbGeaGqiVu0Je9sqqrpepC0xbbL8F4 rqqrFfpeea0xe9Lq=Jc9vqaqpepm0xbba9pwe9Q8fs0=yqaqpepae9 pg0FirpepeKkFr0xfr=xfr=xb9adbaqaaeGaciGaaiaabeqaamaaea qbaaGcbaGaeuONdGLaaiikaiabes7aKjaacYcacaWGWbGaaiykaiab g2da9iabf65ayTWaaSbaaeaacaaIYaaabeaakiaacIcacaWGWbGaai ykaaaa@465B@ for x=δ MathType@MTEF@5@5@+= feaagKart1ev2aqatCvAUfeBSjuyZL2yd9gzLbvyNv2CaerbdfwBIj xAHbstHrhAaeXatLxBI9gBaerbd9wDYLwzYbItLDharuavP1wzZbIt LDhis9wBH5garqqtubsr4rNCHbGeaGqiVu0Je9sqqrpepC0xbbL8F4 rqqrFfpeea0xe9Lq=Jc9vqaqpepm0xbba9pwe9Q8fs0=yqaqpepae9 pg0FirpepeKkFr0xfr=xfr=xb9adbaqaaeGaciGaaiaabeqaamaaea qbaaGcbaGaamiEaiabg2da9iabes7aKbaa@3E12@ .

Then we get the coefficients C and B

C= ( Ξ 1 e δγ Ξ 2 )/ [ 2sh( δγ ) ] MathType@MTEF@5@5@+= feaagKart1ev2aaatCvAUfeBSjuyZL2yd9gzLbvyNv2CaerbuLwBLn hiov2DGi1BTfMBaeXatLxBI9gBaerbd9wDYLwzYbItLDharqqtubsr 4rNCHbGeaGqk0=Mr0xXdbba91rFfpec8Eeeu0xXdbba9frFj0=OqFf ea0dXdd9vqai=hGuQ8kuc9pgc9q8qqaq=dir=f0=yqaiVgFr0xfr=x fr=xb9adbaqaaeGaciGaaiaabeqaamaabaabaaGcbaqcLbsacaWGdb Gaeyypa0JcdaWcgaqaamaabmaabaqcLbsacqqHEoawjuaGdaWgaaWc baqcLbmacaaIXaaaleqaaKqzGeGaamyzaKqbaoaaCaaaleqabaqcLb macqaH0oazcqaHZoWzaaqcLbsacqGHsislcqqHEoawjuaGdaWgaaWc baqcLbmacaaIYaaaleqaaaGccaGLOaGaayzkaaaabaWaamWaaeaaju gibiaaikdacaqGZbGaaeiAaOWaaeWaaeaajugibiabes7aKjabeo7a NbGccaGLOaGaayzkaaaacaGLBbGaayzxaaaaaaaa@575C@ , B= ( Ξ 2 Ξ 1 e δγ )/ [ 2sh( δγ ) ] MathType@MTEF@5@5@+= feaagKart1ev2aaatCvAUfeBSjuyZL2yd9gzLbvyNv2CaerbuLwBLn hiov2DGi1BTfMBaeXatLxBI9gBaerbd9wDYLwzYbItLDharqqtubsr 4rNCHbGeaGqk0=Mr0xXdbba91rFfpec8Eeeu0xXdbba9frFj0=OqFf ea0dXdd9vqai=hGuQ8kuc9pgc9q8qqaq=dir=f0=yqaiVgFr0xfr=x fr=xb9adbaqaaeGaciGaaiaabeqaamaabaabaaGcbaqcLbsacaWGcb Gaeyypa0JcdaWcgaqaamaabmaabaqcLbsacqqHEoawkmaaBaaaleaa jugWaiaaikdaaSqabaqcLbsacqGHsislcqqHEoawjuaGdaWgaaWcba qcLbmacaaIXaaaleqaaKqzGeGaamyzaOWaaWbaaSqabeaajugWaiab gkHiTiabes7aKjabeo7aNbaaaOGaayjkaiaawMcaaaqaamaadmaaba qcLbsacaaIYaGaae4CaiaabIgakmaabmaabaqcLbsacqaH0oazcqaH ZoWzaOGaayjkaiaawMcaaaGaay5waiaaw2faaaaaaaa@5740@ , (10)

The solution (7) can be written as

Ξ( x,p )= { Ξ 1 ( p )sh[ ( δx )γ ]+ Ξ 2 ( p )sh( xγ ) }/ sh( δγ ) MathType@MTEF@5@5@+= feaagKart1ev2aaatCvAUfeBSjuyZL2yd9gzLbvyNv2CaerbuLwBLn hiov2DGi1BTfMBaeXatLxBI9gBaerbd9wDYLwzYbItLDharqqtubsr 4rNCHbGeaGqk0=Mr0xXdbba91rFfpec8Eeeu0xXdbba9frFj0=OqFf ea0dXdd9vqai=hGuQ8kuc9pgc9q8qqaq=dir=f0=yqaiVgFr0xfr=x fr=xb9adbaqaaeGaciGaaiaabeqaamaabaabaaGcbaqcLbsacqqHEo awkmaabmaabaqcLbsacaWG4bGaaiilaiaadchaaOGaayjkaiaawMca aKqzGeGaeyypa0JcdaWcgaqaamaacmaabaqcLbsacqqHEoawjuaGda WgaaWcbaqcLbmacaaIXaaaleqaaOWaaeWaaeaajugibiaadchaaOGa ayjkaiaawMcaaKqzGeGaae4CaiaabIgakmaadmaabaWaaeWaaeaaju gibiabes7aKjabgkHiTiaadIhaaOGaayjkaiaawMcaaKqzGeGaeq4S dCgakiaawUfacaGLDbaajugibiabgUcaRiabf65ayPWaaSbaaSqaaK qzadGaaGOmaaWcbeaakmaabmaabaqcLbsacaWGWbaakiaawIcacaGL PaaajugibiaabohacaqGObGcdaqadaqaaKqzGeGaamiEaiabeo7aNb GccaGLOaGaayzkaaaacaGL7bGaayzFaaaabaqcLbsacaqGZbGaaeiA aOWaaeWaaeaajugibiabes7aKjabeo7aNbGccaGLOaGaayzkaaaaaa aa@6E07@ , (11)

The equations for the forces on the faces of the piezoactuator

T 3 (0,p) S 0 = F 1 (p)+ M 1 p 2 Ξ 1 (p) MathType@MTEF@5@5@+= feaagKart1ev2aaatCvAUfeBSjuyZL2yd9gzLbvyNv2CaerbuLwBLn hiov2DGi1BTfMBaeXatLxBI9gBaerbd9wDYLwzYbItLDharqqtubsr 4rNCHbGeaGqkY=wjYJH8sqFD0xXdHaVhbbf9v8qqaqFr0xc9pk0xbb a9q8WqFfeaY=biLkVcLq=JHqpepeea0=as0Fb9pgeaYRXxe9vr0=vr 0=vqpWqaaeaabiGaciaacaqabeaadaqaaqaaaOqaaiaadsfadaWgaa WcbaGaaG4maaqabaGccaGGOaGaaGimaiaacYcacaWGWbGaaiykaiaa dofadaWgaaWcbaGaaGimaaqabaGccqGH9aqpcaWGgbWaaSbaaSqaai aaigdaaeqaaOGaaiikaiaadchacaGGPaGaey4kaSIaamytamaaBaaa leaacaaIXaaabeaakiaadchadaahaaWcbeqaaiaaikdaaaGccqqHEo awdaWgaaWcbaGaaGymaaqabaGccaGGOaGaamiCaiaacMcaaaa@4DD6@  for x=0 MathType@MTEF@5@5@+= feaagKart1ev2aaatCvAUfeBSjuyZL2yd9gzLbvyNv2CaerbuLwBLn hiov2DGi1BTfMBaeXatLxBI9gBaerbd9wDYLwzYbItLDharqqtubsr 4rNCHbGeaGqk0=Mr0xXdbba91rFfpec8Eeeu0xXdbba9frFj0=OqFf ea0dXdd9vqai=hGuQ8kuc9pgc9q8qqaq=dir=f0=yqaiVgFr0xfr=x fr=xb9adbaqaaeGaciGaaiaabeqaamaabaabaaGcbaqcLbsacaWG4b Gaeyypa0JaaGimaaaa@3AE4@ , (12)

T 3 ( δ,p ) S 0 = F 2 ( p ) M 2 p 2 Ξ 1 ( p ) MathType@MTEF@5@5@+= feaagKart1ev2aaatCvAUfeBSjuyZL2yd9gzLbvyNv2CaerbuLwBLn hiov2DGi1BTfMBaeXatLxBI9gBaerbd9wDYLwzYbItLDharqqtubsr 4rNCHbGeaGqk0=Mr0xXdbba91rFfpec8Eeeu0xXdbba9frFj0=OqFf ea0dXdd9vqai=hGuQ8kuc9pgc9q8qqaq=dir=f0=yqaiVgFr0xfr=x fr=xb9adbaqaaeGaciGaaiaabeqaamaabaabaaGcbaqcLbsacaWGub GcdaWgaaqcfasaaKqzadGaaG4maaqcfayabaGcdaqadaqcfayaaKqz GeGaeqiTdqMaaiilaiaadchaaKqbakaawIcacaGLPaaajugibiaado fakmaaBaaajuaibaqcLbmacaaIWaaajuaGbeaajugibiabg2da9iab gkHiTiaadAeajuaGdaWgaaqcfasaaKqzadGaaGOmaaqcfasabaGcda qadaqcfayaaKqzGeGaamiCaaqcfaOaayjkaiaawMcaaKqzGeGaeyOe I0IaamytaOWaaSbaaKqbGeaajugWaiaaikdaaKqbagqaaKqzGeGaam iCaOWaaSbaaKqbGfaacaaIYaaabeaajugibiabf65ayLqbaoaaBaaa juaibaqcLbmacaaIXaaajuaibeaakmaabmaajuaGbaqcLbsacaWGWb aajuaGcaGLOaGaayzkaaaaaa@6237@  for x=δ MathType@MTEF@5@5@+= feaagKart1ev2aaatCvAUfeBSjuyZL2yd9gzLbvyNv2CaerbuLwBLn hiov2DGi1BTfMBaeXatLxBI9gBaerbd9wDYLwzYbItLDharqqtubsr 4rNCHbGeaGqk0=Mr0xXdbba91rFfpec8Eeeu0xXdbba9frFj0=OqFf ea0dXdd9vqai=hGuQ8kuc9pgc9q8qqaq=dir=f0=yqaiVgFr0xfr=x fr=xb9adbaqaaeGaciGaaiaabeqaamaabaabaaGcbaqcLbsacaWG4b Gaeyypa0JaeqiTdqgaaa@3BCF@ ,

Where T 3 ( 0,p ) MathType@MTEF@5@5@+= feaagKart1ev2aaatCvAUfeBSjuyZL2yd9gzLbvyNv2CaerbuLwBLn hiov2DGi1BTfMBaeXatLxBI9gBaerbd9wDYLwzYbItLDharqqtubsr 4rNCHbGeaGqk0=Mr0xXdbba91rFfpec8Eeeu0xXdbba9frFj0=OqFf ea0dXdd9vqai=hGuQ8kuc9pgc9q8qqaq=dir=f0=yqaiVgFr0xfr=x fr=xb9adbaqaaeGaciGaaiaabeqaamaabaabaaGcbaqcLbsacaWGub qcfa4aaSbaaSqaaKqzadGaaG4maaWcbeaakmaabmaabaqcLbsacaaI WaGaaiilaiaadchaaOGaayjkaiaawMcaaaaa@403B@  and T 3 ( δ,p ) MathType@MTEF@5@5@+= feaagKart1ev2aaatCvAUfeBSjuyZL2yd9gzLbvyNv2CaerbuLwBLn hiov2DGi1BTfMBaeXatLxBI9gBaerbd9wDYLwzYbItLDharqqtubsr 4rNCHbGeaGqk0=Mr0xXdbba91rFfpec8Eeeu0xXdbba9frFj0=OqFf ea0dXdd9vqai=hGuQ8kuc9pgc9q8qqaq=dir=f0=yqaiVgFr0xfr=x fr=xb9adbaqaaeGaciGaaiaabeqaamaabaabaaGcbaqcLbsacaWGub qcfa4aaSbaaSqaaKqzadGaaG4maaWcbeaakmaabmaabaqcLbsacqaH 0oazcaGGSaGaamiCaaGccaGLOaGaayzkaaaaaa@4126@  are determined from the equation of the inverse piezoelectric effect. For x=0 MathType@MTEF@5@5@+= feaagKart1ev2aqatCvAUfeBSjuyZL2yd9gzLbvyNv2CaerbuLwBLn hiov2DGi1BTfMBaeXatLxBI9gBaerbd9wDYLwzYbItLDharqqtubsr 4rNCHbGeaGqiVu0Je9sqqrpepC0xbbL8F4rqqrFfpeea0xe9Lq=Jc9 vqaqpepm0xbba9pwe9Q8fs0=yqaqpepae9pg0FirpepeKkFr0xfr=x fr=xb9adbaqaaeGaciGaaiaabeqaamaabaabaaGcbaGaamiEaiabg2 da9iaaicdaaaa@38B4@  and T 3 ( δ,p ) MathType@MTEF@5@5@+= feaagKart1ev2aaatCvAUfeBSjuyZL2yd9gzLbvyNv2CaerbuLwBLn hiov2DGi1BTfMBaeXatLxBI9gBaerbd9wDYLwzYbItLDharqqtubsr 4rNCHbGeaGqk0=Mr0xXdbba91rFfpec8Eeeu0xXdbba9frFj0=OqFf ea0dXdd9vqai=hGuQ8kuc9pgc9q8qqaq=dir=f0=yqaiVgFr0xfr=x fr=xb9adbaqaaeGaciGaaiaabeqaamaabaabaaGcbaqcLbsacaWGub qcfa4aaSbaaSqaaKqzadGaaG4maaWcbeaakmaabmaabaqcLbsacqaH 0oazcaGGSaGaamiCaaGccaGLOaGaayzkaaaaaa@4126@ , we obtain the set of equations for determining stresses in the piezoactuator:11−14

T 3 ( 0,p )= 1 s 33 E dΞ( x,p ) dx | x=0 d 33 s 33 E E 3 ( p ) MathType@MTEF@5@5@+= feaagKart1ev2aaatCvAUfeBSjuyZL2yd9gzLbvyNv2CaerbuLwBLn hiov2DGi1BTfMBaeXatLxBI9gBaerbd9wDYLwzYbItLDharqqtubsr 4rNCHbGeaGqk0=Mr0xXdbba91rFfpec8Eeeu0xXdbba9frFj0=OqFf ea0dXdd9vqai=hGuQ8kuc9pgc9q8qqaq=dir=f0=yqaiVgFr0xfr=x fr=xb9adbaqaaeGaciGaaiaabeqaamaabaabaaGcbaqcLbsacaWGub GcdaWgaaWcbaqcLbmacaaIZaaaleqaaOWaaeWaaeaajugibiaaicda caGGSaGaamiCaaGccaGLOaGaayzkaaqcLbsacqGH9aqpkmaalaaaba qcLbsacaaIXaaakeaajugibiaadohajuaGdaqhaaWcbaqcLbmacaaI ZaGaaG4maaWcbaqcLbmacaWGfbaaaaaakmaaeiaabaWaaSaaaeaaju gibiaadsgacqqHEoawkmaabmaabaqcLbsacaWG4bGaaiilaiaadcha aOGaayjkaiaawMcaaaqaaKqzGeGaamizaiaadIhaaaaakiaawIa7aK qbaoaaBaaaleaajugWaiaadIhacqGH9aqpcaaIWaaaleqaaKqzGeGa eyOeI0IcdaWcaaqaaKqzGeGaamizaOWaaSbaaSqaaKqzadGaaG4mai aaiodaaSqabaaakeaajugibiaadohajuaGdaqhaaWcbaqcLbmacaaI ZaGaaG4maaWcbaqcLbmacaWGfbaaaaaajugibiaadweajuaGdaWgaa WcbaqcLbmacaaIZaaaleqaaOWaaeWaaeaajugibiaadchaaOGaayjk aiaawMcaaaaa@6E68@ , (13)

T 3 ( δ,p )= 1 s 33 E dΞ( x,p ) dx | x=δ d 33 s 33 E E 3 ( p ) MathType@MTEF@5@5@+= feaagKart1ev2aaatCvAUfeBSjuyZL2yd9gzLbvyNv2CaerbuLwBLn hiov2DGi1BTfMBaeXatLxBI9gBaerbd9wDYLwzYbItLDharqqtubsr 4rNCHbGeaGqk0=Mr0xXdbba91rFfpec8Eeeu0xXdbba9frFj0=OqFf ea0dXdd9vqai=hGuQ8kuc9pgc9q8qqaq=dir=f0=yqaiVgFr0xfr=x fr=xb9adbaqaaeGaciGaaiaabeqaamaabaabaaGcbaqcLbsacaWGub qcfa4aaSbaaSqaaKqzadGaaG4maaWcbeaakmaabmaabaqcLbsacqaH 0oazcaGGSaGaamiCaaGccaGLOaGaayzkaaqcLbsacqGH9aqpkmaala aabaqcLbsacaaIXaaakeaajugibiaadohajuaGdaqhaaWcbaqcLbma caaIZaGaaG4maaWcbaqcLbmacaWGfbaaaaaakmaaeiaabaWaaSaaae aajugibiaadsgacqqHEoawkmaabmaabaqcLbsacaWG4bGaaiilaiaa dchaaOGaayjkaiaawMcaaaqaaKqzGeGaamizaiaadIhaaaaakiaawI a7aKqbaoaaBaaaleaajugWaiaadIhacqGH9aqpcqaH0oazaSqabaqc LbsacqGHsislkmaalaaabaqcLbsacaWGKbGcdaWgaaWcbaqcLbmaca aIZaGaaG4maaWcbeaaaOqaaKqzGeGaam4CaKqbaoaaDaaaleaajugW aiaaiodacaaIZaaaleaajugWaiaadweaaaaaaKqzGeGaamyraKqbao aaBaaaleaajugWaiaaiodaaSqabaGcdaqadaqaaKqzGeGaamiCaaGc caGLOaGaayzkaaaaaa@70C2@ .

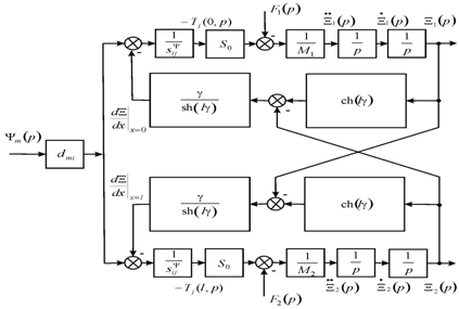
The set of equations (13) yield the set of the equations for the structural–parametric model of the piezoactuator and the parametric structural schematic diagram of the voltage–controlled piezoactuator for the longitudinal piezoelectric effect on Figure 2.

Ξ 1 ( p )=[ 1/ ( M 1 p 2 ) ]{ F 1 ( p )+( 1/ χ 33 E )[ d 33 E 3 ( p )[ γ/ sh( δγ ) ][ ch( δγ ) Ξ 1 ( p ) Ξ 2 ( p ) ] ] }, MathType@MTEF@5@5@+= feaagKart1ev2aaatCvAUfeBSjuyZL2yd9gzLbvyNv2CaerbuLwBLn hiov2DGi1BTfMBaeXatLxBI9gBaerbd9wDYLwzYbItLDharqqtubsr 4rNCHbGeaGqkY=Mj0xXdbba91rFfpec8Eeeu0xXdbba9frFj0=OqFf ea0dXdd9vqai=hGuQ8kuc9pgc9q8qqaq=dir=f0=yqaiVgFr0xfr=x fr=xb9adbaqaaeGaciGaaiaabeqaamaabaabaaGcbaqcLbsacqqHEo awlmaaBaaabaqcLbmacaaIXaaaleqaaOWaaeWaaeaajugibiaadcha aOGaayjkaiaawMcaaKqzGeGaeyypa0JcdaWadaqaamaalyaabaqcLb sacaaIXaaakeaadaqadaqaaKqzGeGaamytaSWaaSbaaeaajugWaiaa igdaaSqabaqcLbsacaWGWbWcdaahaaqabeaajugWaiaaikdaaaaaki aawIcacaGLPaaaaaaacaGLBbGaayzxaaqcLbsacqGHflY1kmaacmaa baqcLbsacqGHsislcaWGgbWcdaWgaaqaaKqzadGaaGymaaWcbeaakm aabmaabaqcLbsacaWGWbaakiaawIcacaGLPaaajugibiabgUcaROWa aeWaaeaadaWcgaqaaKqzGeGaaGymaaGcbaqcLbsacqaHhpWylmaaDa aabaqcLbmacaaIZaGaaG4maaWcbaqcLbmacaWGfbaaaaaaaOGaayjk aiaawMcaaKqzGeGaaGjbVRWaamWaaeaajugibiaadsgalmaaBaaaba qcLbmacaaIZaGaaG4maaWcbeaajugibiaadweakmaaBaaaleaajugW aiaaiodaaSqabaGcdaqadaqaaKqzGeGaamiCaaGccaGLOaGaayzkaa qcLbsacqGHsislkmaadmaabaWaaSGbaeaajugibiabeo7aNbGcbaqc LbsacaqGZbGaaeiAaOWaaeWaaeaajugibiabes7aKjabeo7aNbGcca GLOaGaayzkaaaaaaGaay5waiaaw2faaKqzGeGaaGjbVRWaamWaaeaa jugibiaabogacaqGObGcdaqadaqaaKqzGeGaeqiTdqMaeq4SdCgaki aawIcacaGLPaaajugibiabf65ayTWaaSbaaeaajugWaiaaigdaaSqa baGcdaqadaqaaKqzGeGaamiCaaGccaGLOaGaayzkaaqcLbsacqGHsi slcqqHEoawkmaaBaaaleaajugWaiaaikdaaSqabaGcdaqadaqaaKqz GeGaamiCaaGccaGLOaGaayzkaaaacaGLBbGaayzxaaaacaGLBbGaay zxaaaacaGL7bGaayzFaaqcLbsacaGGSaaaaa@9E40@  (14)

Ξ 2 ( p )=[ 1/ ( M 2 p 2 ) ]{ F 2 ( p )+( 1/ χ 33 E )[ d 33 E 3 ( p )[ γ/ sh( δγ ) ][ ch( δγ ) Ξ 2 ( p ) Ξ 1 ( p ) ] ] }, MathType@MTEF@5@5@+= feaagKart1ev2aaatCvAUfeBSjuyZL2yd9gzLbvyNv2CaerbuLwBLn hiov2DGi1BTfMBaeXatLxBI9gBaerbd9wDYLwzYbItLDharqqtubsr 4rNCHbGeaGqkY=Mj0xXdbba91rFfpec8Eeeu0xXdbba9frFj0=OqFf ea0dXdd9vqai=hGuQ8kuc9pgc9q8qqaq=dir=f0=yqaiVgFr0xfr=x fr=xb9adbaqaaeGaciGaaiaabeqaamaabaabaaGceaqabeaacqqHEo awdaWgaaWcbaGaaGOmaaqabaGcdaqadaqaaiaadchaaiaawIcacaGL PaaacqGH9aqpdaWadaqaamaalyaabaGaaGymaaqaamaabmaabaGaam ytamaaBaaaleaacaaIYaaabeaakiaadchadaahaaWcbeqaaiaaikda aaaakiaawIcacaGLPaaaaaaacaGLBbGaayzxaaGaeyyXIC9aaiWaae aacqGHsislcaWGgbWaaSbaaSqaaiaaikdaaeqaaOWaaeWaaeaacaWG WbaacaGLOaGaayzkaaGaey4kaSYaaeWaaeaadaWcgaqaaiaaigdaae aacqaHhpWydaqhaaWcbaGaaG4maiaaiodaaeaacaWGfbaaaaaaaOGa ayjkaiaawMcaaiaaysW7daWadaqaaiaadsgadaWgaaWcbaGaaG4mai aaiodaaeqaaOGaamyramaaBaaaleaacaaIZaaabeaakmaabmaabaGa amiCaaGaayjkaiaawMcaaiabgkHiTmaadmaabaWaaSGbaeaacqaHZo WzaeaacaqGZbGaaeiAamaabmaabaGaeqiTdqMaeq4SdCgacaGLOaGa ayzkaaaaaaGaay5waiaaw2faaiaaysW7daWadaqaaiaabogacaqGOb WaaeWaaeaacqaH0oazcqaHZoWzaiaawIcacaGLPaaacqqHEoawdaWg aaWcbaGaaGOmaaqabaGcdaqadaqaaiaadchaaiaawIcacaGLPaaacq GHsislcqqHEoawdaWgaaWcbaGaaGymaaqabaGcdaqadaqaaiaadcha aiaawIcacaGLPaaaaiaawUfacaGLDbaaaiaawUfacaGLDbaaaiaawU hacaGL9baacaGGSaaabaaaaaa@81CE@

Where χ 33 E = s 33 E / S 0 MathType@MTEF@5@5@+= feaagKart1ev2aaatCvAUfeBSjuyZL2yd9gzLbvyNv2CaerbuLwBLn hiov2DGi1BTfMBaeXatLxBI9gBaerbd9wDYLwzYbItLDharqqtubsr 4rNCHbGeaGqkY=Mj0xXdbba91rFfpec8Eeeu0xXdbba9frFj0=OqFf ea0dXdd9vqai=hGuQ8kuc9pgc9q8qqaq=dir=f0=yqaiVgFr0xfr=x fr=xb9adbaqaaeGaciGaaiaabeqaamaabaabaaGcbaGaeq4Xdm2aa0 baaSqaaiaaiodacaaIZaaabaGaamyraaaakiabg2da9maalyaabaGa am4CaSWaa0baaeaajugWaiaaiodacaaIZaaaleaajugWaiaadweaaa aakeaacaWGtbWaaSbaaSqaaiaaicdaaeqaaaaaaaa@445C@ .

From (2), (3), (14) we obtain the system of the equations describing the generalized structural–parametric model of the electroelastic actuator

Ξ 1 ( p )=[ 1/ ( M 1 p 2 ) ]{ F 1 ( p )+ ( 1/ χ ij Ψ ) [ d mi Ψ m ( p ) [ γ/ sh( lγ ) ] [ ch( lγ ) Ξ 1 ( p ) Ξ 2 ( p ) ] ] }, MathType@MTEF@5@5@+= feaagKart1ev2aaatCvAUfeBSjuyZL2yd9gzLbvyNv2CaerbuLwBLn hiov2DGi1BTfMBaeXatLxBI9gBaerbd9wDYLwzYbItLDharqqtubsr 4rNCHbGeaGqkY=Mj0xXdbba91rFfpec8Eeeu0xXdbba9frFj0=OqFf ea0dXdd9vqai=hGuQ8kuc9pgc9q8qqaq=dir=f0=yqaiVgFr0xfr=x fr=xb9adbaqaaeGaciGaaiaabeqaamaabaabaaGcbaGaeuONdG1aaS baaSqaaiaaigdaaeqaaOWaaeWaaeaacaWGWbaacaGLOaGaayzkaaGa eyypa0ZaamWaaeaadaWcgaqaaiaaigdaaeaadaqadaqaaiaad2eada WgaaWcbaGaaGymaaqabaGccaWGWbWaaWbaaSqabeaacaaIYaaaaaGc caGLOaGaayzkaaaaaaGaay5waiaaw2faaiabgwSixpaacmaabaWaaW baaSqabeaaaaGccqGHsislcaWGgbWaaSbaaSqaaiaaigdaaeqaaOWa aeWaaeaacaWGWbaacaGLOaGaayzkaaGaey4kaSYaaeWaaeaadaWcga qaaiaaigdaaeaacqaHhpWydaqhaaWcbaGaamyAaiaadQgaaeaacqqH OoqwaaaaaaGccaGLOaGaayzkaaWaa0baaSqaaaqaaaaakmaadmaaba GaamizamaaBaaaleaacaWGTbGaamyAaaqabaGccqqHOoqwlmaaBaaa baqcLbmacaWGTbaaleqaaOWaaeWaaeaacaWGWbaacaGLOaGaayzkaa GaeyOeI0YaamWaaeaadaWcgaqaaiabeo7aNbqaaiaabohacaqGObWa aeWaaeaacaWGSbGaeq4SdCgacaGLOaGaayzkaaaaaaGaay5waiaaw2 faamaaBaaaleaaaeqaaOWaamWaaeaacaqGJbGaaeiAamaabmaabaGa amiBaiabeo7aNbGaayjkaiaawMcaaiabf65aynaaBaaaleaacaaIXa aabeaakmaabmaabaGaamiCaaGaayjkaiaawMcaaiabgkHiTiabf65a ynaaBaaaleaacaaIYaaabeaakmaabmaabaGaamiCaaGaayjkaiaawM caaaGaay5waiaaw2faaaGaay5waiaaw2faaaGaay5Eaiaaw2haaiaa cYcaaaa@81A7@  (15)

Ξ 2 ( p )=[ 1/ ( M 2 p 2 ) ]{ F 2 ( p )+ ( 1/ χ ij Ψ ) [ d mi Ψ m ( p ) [ γ/ sh( lγ ) ] [ ch( lγ ) Ξ 2 ( p ) Ξ 1 ( p ) ] ] }, MathType@MTEF@5@5@+= feaagKart1ev2aaatCvAUfeBSjuyZL2yd9gzLbvyNv2CaerbuLwBLn hiov2DGi1BTfMBaeXatLxBI9gBaerbd9wDYLwzYbItLDharqqtubsr 4rNCHbGeaGqkY=Mj0xXdbba91rFfpec8Eeeu0xXdbba9frFj0=OqFf ea0dXdd9vqai=hGuQ8kuc9pgc9q8qqaq=dir=f0=yqaiVgFr0xfr=x fr=xb9adbaqaaeGaciGaaiaabeqaamaabaabaaGceaqabeaacqqHEo awdaWgaaWcbaGaaGOmaaqabaGcdaqadaqaaiaadchaaiaawIcacaGL PaaacqGH9aqpdaWadaqaamaalyaabaGaaGymaaqaamaabmaabaGaam ytamaaBaaaleaacaaIYaaabeaakiaadchadaahaaWcbeqaaiaaikda aaaakiaawIcacaGLPaaaaaaacaGLBbGaayzxaaGaeyyXIC9aaiWaae aadaahaaWcbeqaaaaakiabgkHiTiaadAeadaWgaaWcbaGaaGOmaaqa baGcdaqadaqaaiaadchaaiaawIcacaGLPaaacqGHRaWkdaqadaqaam aalyaabaGaaGymaaqaaiabeE8aJnaaDaaaleaacaWGPbGaamOAaaqa aiabfI6azbaaaaaakiaawIcacaGLPaaadaqhaaWcbaaabaaaaOWaam WaaeaacaWGKbWaaSbaaSqaaiaad2gacaWGPbaabeaakiabfI6aznaa BaaaleaacaWGTbaabeaakmaabmaabaGaamiCaaGaayjkaiaawMcaai abgkHiTmaadmaabaWaaSGbaeaacqaHZoWzaeaacaqGZbGaaeiAamaa bmaabaGaamiBaiabeo7aNbGaayjkaiaawMcaaaaaaiaawUfacaGLDb aadaWgaaWcbaaabeaakmaadmaabaGaae4yaiaabIgadaqadaqaaiaa dYgacqaHZoWzaiaawIcacaGLPaaacqqHEoawdaWgaaWcbaGaaGOmaa qabaGcdaqadaqaaiaadchaaiaawIcacaGLPaaacqGHsislcqqHEoaw daWgaaWcbaGaaGymaaqabaGcdaqadaqaaiaadchaaiaawIcacaGLPa aaaiaawUfacaGLDbaaaiaawUfacaGLDbaaaiaawUhacaGL9baacaGG Saaabaaaaaa@8078@

where d mi ={ d 33 , d 31 , d 15 g 33 , g 31 , g 15 MathType@MTEF@5@5@+= feaagKart1ev2aaatCvAUfeBSjuyZL2yd9gzLbvyNv2CaerbuLwBLn hiov2DGi1BTfMBaeXatLxBI9gBaerbd9wDYLwzYbItLDharqqtubsr 4rNCHbGeaGqkY=Mj0xXdbba91rFfpec8Eeeu0xXdbba9frFj0=OqFf ea0dXdd9vqai=hGuQ8kuc9pgc9q8qqaq=dir=f0=yqaiVgFr0xfr=x fr=xb9adbaqaaeGaciGaaiaabeqaamaabaabaaGcbaGaamizamaaBa aaleaacaWGTbGaamyAaaqabaGccqGH9aqpdaGabaqaauaabeqaceaa aeaacaWGKbWaaSbaaSqaaiaaiodacaaIZaaabeaakiaacYcacaWGKb WaaSbaaSqaaiaaiodacaaIXaaabeaakiaacYcacaWGKbWaaSbaaSqa aiaaigdacaaI1aaabeaaaOqaaiaadEgadaWgaaWcbaGaaG4maiaaio daaeqaaOGaaiilaiaadEgadaWgaaWcbaGaaG4maiaaigdaaeqaaOGa aiilaiaadEgadaWgaaWcbaGaaGymaiaaiwdaaeqaaaaaaOGaay5Eaa aaaa@4EFD@ , Ψ m ={ E 3 , E 3 , E 1 D 3 , D 3 , D 1 MathType@MTEF@5@5@+= feaagKart1ev2aaatCvAUfeBSjuyZL2yd9gzLbvyNv2CaerbuLwBLn hiov2DGi1BTfMBaeXatLxBI9gBaerbd9wDYLwzYbItLDharqqtubsr 4rNCHbGeaGqkY=Mj0xXdbba91rFfpec8Eeeu0xXdbba9frFj0=OqFf ea0dXdd9vqai=hGuQ8kuc9pgc9q8qqaq=dir=f0=yqaiVgFr0xfr=x fr=xb9adbaqaaeGaciGaaiaabeqaamaabaabaaGcbaqcLbsacqqHOo qwlmaaBaaabaqcLbmacaWGTbaaleqaaKqzGeGaeyypa0JcdaGabaqa aKqzGeqbaeqabiqaaaGcbaqcLbsacaWGfbWcdaWgaaqaaKqzadGaaG 4maaWcbeaajugibiaacYcacaWGfbGcdaWgaaWcbaqcLbmacaaIZaaa leqaaKqzGeGaaiilaiaadwealmaaBaaabaqcLbmacaaIXaaaleqaaa GcbaqcLbsacaWGebGcdaWgaaWcbaqcLbmacaaIZaaaleqaaKqzGeGa aiilaiaadseakmaaBaaaleaajugWaiaaiodaaSqabaqcLbsacaGGSa GaamiraSWaaSbaaeaajugWaiaaigdaaSqabaaaaaGccaGL7baaaaa@5717@ , s ij Ψ ={ s 33 E , s 11 E , s 55 E s 33 D , s 11 D , s 55 D MathType@MTEF@5@5@+= feaagKart1ev2aaatCvAUfeBSjuyZL2yd9gzLbvyNv2CaerbuLwBLn hiov2DGi1BTfMBaeXatLxBI9gBaerbd9wDYLwzYbItLDharqqtubsr 4rNCHbGeaGqkY=Mj0xXdbba91rFfpec8Eeeu0xXdbba9frFj0=OqFf ea0dXdd9vqai=hGuQ8kuc9pgc9q8qqaq=dir=f0=yqaiVgFr0xfr=x fr=xb9adbaqaaeGaciGaaiaabeqaamaabaabaaGcbaGaam4CamaaDa aaleaacaWGPbGaamOAaaqaaiabfI6azbaakiabg2da9maaceaabaqb aeqabiqaaaqaaiaadohadaqhaaWcbaGaaG4maiaaiodaaeaacaWGfb aaaOGaaiilaiaadohadaqhaaWcbaGaaGymaiaaigdaaeaacaWGfbaa aOGaaiilaiaadohadaqhaaWcbaGaaGynaiaaiwdaaeaacaWGfbaaaa GcbaGaam4CamaaDaaaleaacaaIZaGaaG4maaqaaiaadseaaaGccaGG SaGaam4CamaaDaaaleaacaaIXaGaaGymaaqaaiaadseaaaGccaGGSa Gaam4CamaaDaaaleaacaaI1aGaaGynaaqaaiaadseaaaaaaaGccaGL 7baaaaa@55AD@ , l={ δ, h,b MathType@MTEF@5@5@+= feaagKart1ev2aaatCvAUfeBSjuyZL2yd9gzLbvyNv2CaerbuLwBLn hiov2DGi1BTfMBaeXatLxBI9gBaerbd9wDYLwzYbItLDharqqtubsr 4rNCHbGeaGqkY=Mj0xXdbba91rFfpec8Eeeu0xXdbba9frFj0=OqFf ea0dXdd9vqai=hGuQ8kuc9pgc9q8qqaq=dir=f0=yqaiVgFr0xfr=x fr=xb9adbaqaaeGaciGaaiaabeqaamaabaabaaGcbaqcLbsacaWGSb Gaeyypa0JcdaGabaqaaKqzGeGaaGjbVlabes7aKjaacYcaaOGaay5E aaqcLbsacaWGObGaaiilaiaadkgaaaa@42AE@ , c Ψ ={ c E , c D MathType@MTEF@5@5@+= feaagKart1ev2aaatCvAUfeBSjuyZL2yd9gzLbvyNv2CaerbuLwBLn hiov2DGi1BTfMBaeXatLxBI9gBaerbd9wDYLwzYbItLDharqqtubsr 4rNCHbGeaGqkY=Mj0xXdbba91rFfpec8Eeeu0xXdbba9frFj0=OqFf ea0dXdd9vqai=hGuQ8kuc9pgc9q8qqaq=dir=f0=yqaiVgFr0xfr=x fr=xb9adbaqaaeGaciGaaiaabeqaamaabaabaaGcbaqcLbsacaWGJb GcdaahaaWcbeqaaKqzadGaeuiQdKfaaKqzGeGaeyypa0JcdaGabaqa aKqzGeGaaGjbVlaadogakmaaCaaaleqabaqcLbmacaWGfbaaaKqzGe GaaiilaiaadogakmaaCaaaleqabaqcLbmacaWGebaaaaGccaGL7baa aaa@482C@ , γ Ψ ={ γ E , γ D MathType@MTEF@5@5@+= feaagKart1ev2aaatCvAUfeBSjuyZL2yd9gzLbvyNv2CaerbuLwBLn hiov2DGi1BTfMBaeXatLxBI9gBaerbd9wDYLwzYbItLDharqqtubsr 4rNCHbGeaGqiVu0Je9sqqrpepC0xbbL8F4rqqrFfpeea0xe9Lq=Jc9 vqaqpepm0xbba9pwe9Q8fs0=yqaqpepae9pg0FirpepeKkFr0xfr=x fr=xb9adbaqaaeGaciGaaiaabeqaamaabaabaaGcbaGaeq4SdC2aaW baaSqabeaacqqHOoqwaaGccqGH9aqpdaGabaqaaiaaysW7cqaHZoWz daahaaWcbeqaaiaadweaaaGccaGGSaGaeq4SdC2aaWbaaSqabeaaca WGebaaaaGccaGL7baaaaa@430F@ ,

χ ij Ψ = s ij Ψ / S 0 MathType@MTEF@5@5@+= feaagKart1ev2aaatCvAUfeBSjuyZL2yd9gzLbvyNv2CaerbuLwBLn hiov2DGi1BTfMBaeXatLxBI9gBaerbd9wDYLwzYbItLDharqqtubsr 4rNCHbGeaGqkY=Mj0xXdbba91rFfpec8Eeeu0xXdbba9frFj0=OqFf ea0dXdd9vqai=hGuQ8kuc9pgc9q8qqaq=dir=f0=yqaiVgFr0xfr=x fr=xb9adbaqaaeGaciGaaiaabeqaamaabaabaaGcbaqcLbsacqaHhp WylmaaDaaabaqcLbmacaWGPbGaamOAaaWcbaqcLbmacqqHOoqwaaqc LbsacqGH9aqpkmaalyaabaqcLbsacaWGZbWcdaqhaaqaaKqzadGaam yAaiaadQgaaSqaaKqzadGaeuiQdKfaaaGcbaqcLbsacaWGtbGcdaWg aaWcbaqcLbmacaaIWaaaleqaaaaaaaa@4C92@ , i = 1, 2…, 6, j = 1, 2, … , 6, m = 1, 2, 3,

Then the parameter Ψ MathType@MTEF@5@5@+= feaagKart1ev2aaatCvAUfeBSjuyZL2yd9gzLbvyNv2CaerbuLwBLn hiov2DGi1BTfMBaeXatLxBI9gBaerbd9wDYLwzYbItLDharqqtubsr 4rNCHbGeaGqkY=Mj0xXdbba91rFfpec8Eeeu0xXdbba9frFj0=OqFf ea0dXdd9vqai=hGuQ8kuc9pgc9q8qqaq=dir=f0=yqaiVgFr0xfr=x fr=xb9adbaqaaeGaciGaaiaabeqaamaabaabaaGcbaGaeuiQdKfaaa@3905@  of the control parameter for the electroelastic actuator: E for the voltage control, D for the current control. On Figure 3 is shown the generalized parametric structural schematic diagram of the electroelastic actuator corresponding to the set (15) of the equations.

Figure 2 Parametric structural schematic diagram of a voltage-controlled piezoactuator for longitudinal piezoelectric effect.

Figure 3 Generalized parametric structural schematic diagram of the electroetoelastic actuator.

Transfer functions of electroelastic actuator

From the generalized structural–parametric model (15) of the electroelastic actuator after the algebraic transformations we obtain the transfer functions in matrix form.11−14 The transfer functions are the ratio of the Laplace transform of the displacement of the face for the electroelastic actuator and the Laplace transform of the corresponding control parameter or force at zero initial conditions.

Ξ 1 (p)= W 11 ( p ) Ψ m ( p )+ W 12 ( p ) F 1 ( p )+ W 13 ( p ) F 2 ( p ) MathType@MTEF@5@5@+= feaagKart1ev2aaatCvAUfeBSjuyZL2yd9gzLbvyNv2CaerbuLwBLn hiov2DGi1BTfMBaeXatLxBI9gBaerbd9wDYLwzYbItLDharqqtubsr 4rNCHbGeaGqiVu0Je9sqqrpepC0xbbL8F4rqqrFfpeea0xe9Lq=Jc9 vqaqpepm0xbba9pwe9Q8fs0=yqaqpepae9pg0FirpepeKkFr0xfr=x fr=xb9adbaqaaeGaciGaaiaabeqaamaabaabaaGcbaGaeuONdG1aaS baaSqaaiaaigdaaeqaaOGaaiikaiaadchacaGGPaGaeyypa0Jaam4v amaaBaaaleaacaaIXaGaaGymaaqabaGcdaqadaqaaiaadchaaiaawI cacaGLPaaacqqHOoqwdaWgaaWcbaGaamyBaaqabaGcdaqadaqaaiaa dchaaiaawIcacaGLPaaacqGHRaWkcaWGxbWaaSbaaSqaaiaaigdaca aIYaaabeaakmaabmaabaGaamiCaaGaayjkaiaawMcaaiaadAeadaWg aaWcbaGaaGymaaqabaGcdaqadaqaaiaadchaaiaawIcacaGLPaaacq GHRaWkcaWGxbWaaSbaaSqaaiaaigdacaaIZaaabeaakmaabmaabaGa amiCaaGaayjkaiaawMcaaiaadAeadaWgaaWcbaGaaGOmaaqabaGcda qadaqaaiaadchaaiaawIcacaGLPaaaaaa@5A42@  , (16)

Ξ 2 ( p )= W 21 ( p ) Ψ m ( p )+ W 22 ( p ) F 1 ( p )+ W 23 ( p ) F 2 ( p ) MathType@MTEF@5@5@+= feaagKart1ev2aaatCvAUfeBSjuyZL2yd9gzLbvyNv2CaerbuLwBLn hiov2DGi1BTfMBaeXatLxBI9gBaerbd9wDYLwzYbItLDharqqtubsr 4rNCHbGeaGqkY=Mj0xXdbba91rFfpec8Eeeu0xXdbba9frFj0=OqFf ea0dXdd9vqai=hGuQ8kuc9pgc9q8qqaq=dir=f0=yqaiVgFr0xfr=x fr=xb9adbaqaaeGaciGaaiaabeqaamaabaabaaGcbaqcLbsacqqHEo awlmaaBaaabaqcLbmacaaIYaaaleqaaOWaaeWaaeaajugibiaadcha aOGaayjkaiaawMcaaKqzGeGaeyypa0Jaam4vaSWaaSbaaeaajugWai aaikdacaaIXaaaleqaaOWaaeWaaeaajugibiaadchaaOGaayjkaiaa wMcaaKqzGeGaeuiQdKLcdaWgaaWcbaqcLbmacaWGTbaaleqaaOWaae WaaeaajugibiaadchaaOGaayjkaiaawMcaaKqzGeGaey4kaSIaam4v aSWaaSbaaeaajugWaiaaikdacaaIYaaaleqaaOWaaeWaaeaajugibi aadchaaOGaayjkaiaawMcaaKqzGeGaamOraOWaaSbaaSqaaKqzadGa aGymaaWcbeaakmaabmaabaqcLbsacaWGWbaakiaawIcacaGLPaaaju gibiabgUcaRiaadEfakmaaBaaaleaajugWaiaaikdacaaIZaaaleqa aOWaaeWaaeaajugibiaadchaaOGaayjkaiaawMcaaKqzGeGaamOraO WaaSbaaSqaaKqzadGaaGOmaaWcbeaakmaabmaabaqcLbsacaWGWbaa kiaawIcacaGLPaaaaaa@6CC5@ ,

where the generalized transfer functions

W 11 ( p )= Ξ 1 ( p )/ Ψ m ( p ) = d mi [ M 2 χ ij Ψ p 2 +γth( lγ/2 ) ]/A ij MathType@MTEF@5@5@+= feaagKart1ev2aaatCvAUfeBSjuyZL2yd9gzLbvyNv2CaerbuLwBLn hiov2DGi1BTfMBaeXatLxBI9gBaerbd9wDYLwzYbItLDharqqtubsr 4rNCHbGeaGqkY=Mj0xXdbba91rFfpec8Eeeu0xXdbba9frFj0=OqFf ea0dXdd9vqai=hGuQ8kuc9pgc9q8qqaq=dir=f0=yqaiVgFr0xfr=x fr=xb9adbaqaaeGaciGaaiaabeqaamaabaabaaGcbaqcaaMaam4vaS WaaSbaaKqaGfaacaaIXaGaaGymaaqabaGcdaqadaqcaawaaiaadcha aiaawIcacaGLPaaacqGH9aqpkmaalyaajaaybaGaeuONdG1cdaWgaa qcbawaaiaaigdaaeqaaOWaaeWaaKaaGfaacaWGWbaacaGLOaGaayzk aaaabaGaeuiQdKLcdaWgaaqcbawaaiaad2gaaKaaGfqaaOWaaeWaaK aaGfaacaWGWbaacaGLOaGaayzkaaaaaiabg2da9OWaaSGbaKaaGfaa caWGKbWcdaWgaaqcbawaaiaad2gacaWGPbaabeaacaaMc8UcdaWada qcaawaaiaad2ealmaaBaaajeaybaGaaGOmaaqabaqcaaMaeq4Xdm2c daqhaaqcbawaaiaadMgacaWGQbaabaGaeuiQdKfaaKaaGjaadchalm aaCaaajeaybeqaaiaaikdaaaqcaaMaey4kaSIaeq4SdCMaaeiDaiaa bIgakmaabmaajaaybaGcdaWcgaqcaawaaiaadYgacqaHZoWzaeaaca aIYaaaaaGaayjkaiaawMcaaaGaay5waiaaw2faaaqaaiaadgeaaaWc daWgaaqcbawaaiaadMgacaWGQbaabeaalmaaDaaajiaybaaabaaaaa aa@6DD1@ ,

A ij = M 1 M 2 ( χ ij Ψ ) 2 p 4 +{ ( M 1 + M 2 ) χ ij Ψ / [ c Ψ th( lγ ) ] } p 3 +[ ( M 1 + M 2 ) χ ij Ψ α/ th( lγ ) +1/ ( c Ψ ) 2 ] p 2 + 2αp/ c Ψ + α 2 , MathType@MTEF@5@5@+= feaagKart1ev2aaatCvAUfeBSjuyZL2yd9gzLbvyNv2CaerbuLwBLn hiov2DGi1BTfMBaeXatLxBI9gBaerbd9wDYLwzYbItLDharqqtubsr 4rNCHbGeaGqkY=Mj0xXdbba91rFfpec8Eeeu0xXdbba9frFj0=OqFf ea0dXdd9vqai=hGuQ8kuc9pgc9q8qqaq=dir=f0=yqaiVgFr0xfr=x fr=xb9adbaqaaeGaciGaaiaabeqaamaabaabaaGceaqabeaacaWGbb WcdaWgaaqaaiaadMgacaWGQbaabeaakiabg2da9iaad2ealmaaBaaa baGaaGymaaqabaGccaWGnbWcdaWgaaqaaiaaikdaaeqaaOWaaeWaae aacqaHhpWylmaaDaaabaGaamyAaiaadQgaaeaacqqHOoqwaaaakiaa wIcacaGLPaaalmaaCaaabeqaaiaaikdaaaGccaWGWbWcdaahaaqabe aacaaI0aaaaOGaey4kaSYaaiWaaeaadaWcgaqaaiaaykW7daqadaqa aiaad2ealmaaBaaabaGaaGymaaqabaGccqGHRaWkcaWGnbWcdaWgaa qaaiaaikdaaeqaaaGccaGLOaGaayzkaaGaeq4Xdm2cdaqhaaqaaiaa dMgacaWGQbaabaGaeuiQdKfaaaGcbaWaamWaaeaacaWGJbWaaWbaae qaleaacqqHOoqwaaGccaqG0bGaaeiAamaabmaabaGaamiBaiabeo7a NbGaayjkaiaawMcaaaGaay5waiaaw2faaiaaykW7aaaacaGL7bGaay zFaaGaamiCaSWaaWbaaeqabaGaaG4maaaakiabgUcaRmaadmaabaWa aSGbaeaadaqadaqaaiaad2ealmaaBaaabaGaaGymaaqabaGccqGHRa WkcaWGnbWcdaWgaaqaaiaaikdaaeqaaaGccaGLOaGaayzkaaGaeq4X dm2cdaqhaaqaaiaadMgacaWGQbaabaGaeuiQdKfaaOGaeqySdegaba GaaeiDaiaabIgadaqadaqaaiaadYgacqaHZoWzaiaawIcacaGLPaaa aaGaey4kaSYaaSGbaeaacaaIXaaabaWaaeWaaeaacaWGJbWaaWbaae qaleaacqqHOoqwaaaakiaawIcacaGLPaaalmaaCaaabeqaaiaaikda aaaaaaGccaGLBbGaayzxaaGaamiCaSWaaWbaaeqabaGaaGOmaaaaki abgUcaRmaalyaabaGaaGOmaiabeg7aHjaadchaaeaacaWGJbWcdaah aaqabeaacqqHOoqwaaaaaOGaey4kaSIaeqySde2cdaahaaqabeaaca aIYaaaaOGaaiilaaqaaaaaaa@9071@

W 21 ( p )= Ξ 2 ( p )/ Ψ m ( p ) = d mi [ M 1 χ ij Ψ p 2 +γth( lγ/2 ) ]/A ij MathType@MTEF@5@5@+= feaagKart1ev2aaatCvAUfeBSjuyZL2yd9gzLbvyNv2CaerbuLwBLn hiov2DGi1BTfMBaeXatLxBI9gBaerbd9wDYLwzYbItLDharqqtubsr 4rNCHbGeaGqkY=Mj0xXdbba91rFfpec8Eeeu0xXdbba9frFj0=OqFf ea0dXdd9vqai=hGuQ8kuc9pgc9q8qqaq=dir=f0=yqaiVgFr0xfr=x fr=xb9adbaqaaeGaciGaaiaabeqaamaabaabaaGcbaGaam4vamaaBa aaleaacaaIYaGaaGymaaqabaGcdaqadaqaaiaadchaaiaawIcacaGL PaaacqGH9aqpdaWcgaqaaiabf65aynaaBaaaleaacaaIYaaabeaakm aabmaabaGaamiCaaGaayjkaiaawMcaaaqaaiabfI6aznaaBaaaleaa caWGTbaakeqaamaabmaabaGaamiCaaGaayjkaiaawMcaaaaacqGH9a qpdaWcgaqaaiaadsgalmaaBaaabaGaamyBaiaadMgaaeqaaiaaykW7 kmaadmaabaGaamytamaaBaaaleaacaaIXaaabeaakiabeE8aJnaaDa aaleaacaWGPbGaamOAaaqaaiabfI6azbaakiaadchadaahaaWcbeqa aiaaikdaaaGccqGHRaWkcqaHZoWzcaqG0bGaaeiAamaabmaabaWaaS GbaeaacaWGSbGaeq4SdCgabaGaaGOmaaaaaiaawIcacaGLPaaaaiaa wUfacaGLDbaaaeaacaWGbbaaamaaBaaaleaacaWGPbGaamOAaaqaba GcdaqhaaWcbaaabaaaaaaa@64C3@ ,

W 12 ( p )= Ξ 1 ( p )/ F 1 ( p ) = χ ij Ψ [ M 2 χ ij Ψ p 2 +γ/ th( lγ ) ]/A ij MathType@MTEF@5@5@+= feaagKart1ev2aaatCvAUfeBSjuyZL2yd9gzLbvyNv2CaerbuLwBLn hiov2DGi1BTfMBaeXatLxBI9gBaerbd9wDYLwzYbItLDharqqtubsr 4rNCHbGeaGqkY=Mj0xXdbba91rFfpec8Eeeu0xXdbba9frFj0=OqFf ea0dXdd9vqai=hGuQ8kuc9pgc9q8qqaq=dir=f0=yqaiVgFr0xfr=x fr=xb9adbaqaaeGaciGaaiaabeqaamaabaabaaGcbaGaam4vamaaBa aaleaacaaIXaGaaGOmaaqabaGcdaqadaqaaiaadchaaiaawIcacaGL PaaacqGH9aqpdaWcgaqaaiabf65aynaaBaaaleaacaaIXaaabeaakm aabmaabaGaamiCaaGaayjkaiaawMcaaaqaaiaadAeadaWgaaWcbaGa aGymaaqabaGcdaqadaqaaiaadchaaiaawIcacaGLPaaaaaGaeyypa0 JaeyOeI0YaaSGbaeaacqaHhpWydaqhaaWcbaGaamyAaiaadQgaaeaa cqqHOoqwaaGcdaqhaaWcbaaabaaaaOWaamWaaeaacaWGnbWaaSbaaS qaaiaaikdaaeqaaOGaeq4Xdm2aa0baaSqaaiaadMgacaWGQbaabaGa euiQdKfaaOGaamiCaSWaaWbaaeqabaGaaGOmaaaakiabgUcaRmaaly aabaGaeq4SdCgabaGaaeiDaiaabIgadaqadaqaaiaadYgacqaHZoWz aiaawIcacaGLPaaaaaaacaGLBbGaayzxaaaabaGaamyqaaaadaWgaa WcbaGaamyAaiaadQgaaeqaaaaa@64C9@ ,

W 13 ( p )= Ξ 1 ( p )/ F 2 ( p ) = W 22 ( p )= Ξ 2 ( p )/ F 1 ( p ) = [ χ ij Ψ γ/ sh( lγ ) ]/A ij , MathType@MTEF@5@5@+= feaagKart1ev2aaatCvAUfeBSjuyZL2yd9gzLbvyNv2CaerbuLwBLn hiov2DGi1BTfMBaeXatLxBI9gBaerbd9wDYLwzYbItLDharqqtubsr 4rNCHbGeaGqkY=Mj0xXdbba91rFfpec8Eeeu0xXdbba9frFj0=OqFf ea0dXdd9vqai=hGuQ8kuc9pgc9q8qqaq=dir=f0=yqaiVgFr0xfr=x fr=xb9adbaqaaeGaciGaaiaabeqaamaabaabaaGcbaGaam4vamaaBa aaleaacaaIXaGaaG4maaqabaGcdaqadaqaaiaadchaaiaawIcacaGL PaaacqGH9aqpdaWcgaqaaiabf65aynaaBaaaleaacaaIXaaabeaakm aabmaabaGaamiCaaGaayjkaiaawMcaaaqaaiaadAeadaWgaaWcbaGa aGOmaaqabaGcdaqadaqaaiaadchaaiaawIcacaGLPaaaaaGaeyypa0 Jaam4vamaaBaaaleaacaaIYaGaaGOmaaqabaGcdaqadaqaaiaadcha aiaawIcacaGLPaaacqGH9aqpdaWcgaqaaiabf65aynaaBaaaleaaca aIYaaabeaakmaabmaabaGaamiCaaGaayjkaiaawMcaaaqaaiaadAea daWgaaWcbaGaaGymaaqabaGcdaqadaqaaiaadchaaiaawIcacaGLPa aaaaGaeyypa0ZaaSGbaeaadaWadaqaamaalyaabaGaeq4Xdm2aa0ba aSqaaiaadMgacaWGQbaabaGaeuiQdKfaaOGaeq4SdCgabaGaae4Cai aabIgadaqadaqaaiaadYgacqaHZoWzaiaawIcacaGLPaaaaaaacaGL BbGaayzxaaaabaGaamyqaaaadaWgaaWcbaGaamyAaiaadQgaaeqaaO Gaaiilaaaa@6AD0@

W 23 ( p )= Ξ 2 ( p )/ F 2 ( p ) = χ ij Ψ [ M 1 χ ij Ψ p 2 +γ/ th( lγ ) ]/A ij MathType@MTEF@5@5@+= feaagKart1ev2aaatCvAUfeBSjuyZL2yd9gzLbvyNv2CaerbuLwBLn hiov2DGi1BTfMBaeXatLxBI9gBaerbd9wDYLwzYbItLDharqqtubsr 4rNCHbGeaGqkY=Mj0xXdbba91rFfpec8Eeeu0xXdbba9frFj0=OqFf ea0dXdd9vqai=hGuQ8kuc9pgc9q8qqaq=dir=f0=yqaiVgFr0xfr=x fr=xb9adbaqaaeGaciGaaiaabeqaamaabaabaaGcbaGaam4vamaaBa aaleaacaaIYaGaaG4maaqabaGcdaqadaqaaiaadchaaiaawIcacaGL PaaacqGH9aqpdaWcgaqaaiabf65aynaaBaaaleaacaaIYaaabeaakm aabmaabaGaamiCaaGaayjkaiaawMcaaaqaaiaadAeadaWgaaWcbaGa aGOmaaqabaGcdaqadaqaaiaadchaaiaawIcacaGLPaaaaaGaeyypa0 JaeyOeI0YaaSGbaeaacqaHhpWydaqhaaWcbaGaamyAaiaadQgaaeaa cqqHOoqwaaGcdaWadaqaaiaad2eadaWgaaWcbaGaaGymaaqabaGccq aHhpWydaqhaaWcbaGaamyAaiaadQgaaeaacqqHOoqwaaGccaWGWbWa aWbaaSqabeaacaaIYaaaaOGaey4kaSYaaSGbaeaacqaHZoWzaeaaca qG0bGaaeiAamaabmaabaGaamiBaiabeo7aNbGaayjkaiaawMcaaaaa aiaawUfacaGLDbaaaeaacaWGbbaaamaaBaaaleaacaWGPbGaamOAaa qabaaaaa@6495@ .

From the set (15) of the equations we obtain the generalized matrix equation for the electroelastic actuator

( Ξ 1 ( p ) Ξ 2 ( p ) )=( W 11 ( p ) W 12 ( p ) W 13 ( p ) W 21 ( p ) W 22 ( p ) W 23 ( p ) )( Ψ m ( p ) F 1 ( p ) F 2 ( p ) ) MathType@MTEF@5@5@+= feaagKart1ev2aaatCvAUfeBSjuyZL2yd9gzLbvyNv2CaerbuLwBLn hiov2DGi1BTfMBaeXatLxBI9gBaerbd9wDYLwzYbItLDharqqtubsr 4rNCHbGeaGqkY=Mj0xXdbba91rFfpec8Eeeu0xXdbba9frFj0=OqFf ea0dXdd9vqai=hGuQ8kuc9pgc9q8qqaq=dir=f0=yqaiVgFr0xfr=x fr=xb9adbaqaaeGaciGaaiaabeqaamaabaabaaGcbaWaaeWaaeaafa qabeGabaaabaGaeuONdG1aaSbaaSqaaiaaigdaaeqaaOWaaeWaaeaa caWGWbaacaGLOaGaayzkaaaabaGaeuONdG1aaSbaaSqaaiaaikdaae qaaOWaaeWaaeaacaWGWbaacaGLOaGaayzkaaaaaaGaayjkaiaawMca aiabg2da9maabmaabaqbaeqabiqaaaqaauaabeqabmaaaeaacaWGxb WaaSbaaSqaaiaaigdacaaIXaaabeaakmaabmaabaGaamiCaaGaayjk aiaawMcaaaqaaiaadEfadaWgaaWcbaGaaGymaiaaikdaaeqaaOWaae WaaeaacaWGWbaacaGLOaGaayzkaaaabaGaam4vamaaBaaaleaacaaI XaGaaG4maaqabaGcdaqadaqaaiaadchaaiaawIcacaGLPaaaaaaaba qbaeqabeWaaaqaaiaadEfadaWgaaWcbaGaaGOmaiaaigdaaeqaaOWa aeWaaeaacaWGWbaacaGLOaGaayzkaaaabaGaam4vamaaBaaaleaaca aIYaGaaGOmaaqabaGcdaqadaqaaiaadchaaiaawIcacaGLPaaaaeaa caWGxbWaaSbaaSqaaiaaikdacaaIZaaabeaakmaabmaabaGaamiCaa GaayjkaiaawMcaaaaaaaaacaGLOaGaayzkaaGaaGjbVpaabmaabaqb aeqabmqaaaqaaiabfI6aznaaBaaaleaacaWGTbaabeaakmaabmaaba GaamiCaaGaayjkaiaawMcaaaqaaiaadAeadaWgaaWcbaGaaGymaaqa baGcdaqadaqaaiaadchaaiaawIcacaGLPaaaaeaacaWGgbWaaSbaaS qaaiaaikdaaeqaaOWaaeWaaeaacaWGWbaacaGLOaGaayzkaaaaaaGa ayjkaiaawMcaaaaa@74A9@ . (17)

Let us find the displacement of the faces for the electroelastic actuator in the stationary regime for the inertial load at Ψ m ( t )= Ψ m0 ×1( t ) MathType@MTEF@5@5@+= feaagKart1ev2aaatCvAUfeBSjuyZL2yd9gzLbvyNv2CaerbuLwBLn hiov2DGi1BTfMBaeXatLxBI9gBaerbd9wDYLwzYbItLDharqqtubsr 4rNCHbGeaGqkY=Mj0xXdbba91rFfpec8Eeeu0xXdbba9frFj0=OqFf ea0dXdd9vqai=hGuQ8kuc9pgc9q8qqaq=dir=f0=yqaiVgFr0xfr=x fr=xb9adbaqaaeGaciGaaiaabeqaamaabaabaaGcbaacbiGaa8hQdm aaBaaaleaacaWFTbaabeaakmaabmaabaGaa8hDaaGaayjkaiaawMca aiaa=1dacaWFOoWaaSbaaSqaaiaa=1gacaWFWaaabeaakiaa=Dnaca WFXaWaaeWaaeaacaWF0baacaGLOaGaayzkaaaaaa@4496@ , F 1 ( t )= F 2 ( t )=0 MathType@MTEF@5@5@+= feaagKart1ev2aaatCvAUfeBSjuyZL2yd9gzLbvyNv2CaerbuLwBLn hiov2DGi1BTfMBaeXatLxBI9gBaerbd9wDYLwzYbItLDharqqtubsr 4rNCHbGeaGqkY=Mj0xXdbba91rFfpec8Eeeu0xXdbba9frFj0=OqFf ea0dXdd9vqai=hGuQ8kuc9pgc9q8qqaq=dir=f0=yqaiVgFr0xfr=x fr=xb9adbaqaaeGaciGaaiaabeqaamaabaabaaGcbaGaamOramaaBa aaleaacaaIXaaabeaakmaabmaabaGaamiDaaGaayjkaiaawMcaaiab g2da9iaadAeadaWgaaWcbaGaaGOmaaqabaGcdaqadaqaaiaadshaai aawIcacaGLPaaacqGH9aqpcaaIWaaaaa@42B9@ .

Then we get the static displacement of the faces for the electroelastic actuator

ξ 1 ( )= lim t ξ 1 ( t )= lim p0 α0 p W 11 ( p ) Ψ m0 /p = d mi l Ψ m0 ( M 2 +m/2 )/ ( M 1 + M 2 +m ) , MathType@MTEF@5@5@+= feaagKart1ev2aaatCvAUfeBSjuyZL2yd9gzLbvyNv2CaerbuLwBLn hiov2DGi1BTfMBaeXatLxBI9gBaerbd9wDYLwzYbItLDharqqtubsr 4rNCHbGeaGqkY=Mj0xXdbba91rFfpec8Eeeu0xXdbba9frFj0=OqFf ea0dXdd9vqai=hGuQ8kuc9pgc9q8qqaq=dir=f0=yqaiVgFr0xfr=x fr=xb9adbaqaaeGaciGaaiaabeqaamaabaabaaGceaqabeaacqaH+o aElmaaBaaabaGaaGymaaqabaGcdaqadaqaaiabg6HiLcGaayjkaiaa wMcaaiabg2da9maaxababaGaaeiBaiaabMgacaqGTbaaleaacaWG0b GaeyOKH4QaeyOhIukakeqaaiabe67a4TWaaSbaaeaacaaIXaaabeaa kmaabmaabaGaamiDaaGaayjkaiaawMcaaiabg2da9maaxababaGaae iBaiaabMgacaqGTbaaleaafaqabeGabaaabaGaamiCaiabgkziUkaa icdaaeaacqaHXoqycqGHsgIRcaaIWaaaaaGcbeaacaWGWbGaam4vam aaBaaaleaacaaIXaGaaGymaaGcbeaadaqadaqaaiaadchaaiaawIca caGLPaaadaWcgaqaaiabfI6aznaaBaaaleaacaWGTbGaaGimaaqaba aakeaacaWGWbaaaiabg2da9iaadsgadaWgaaWcbaGaamyBaiaadMga aeqaaOGaamiBaiabfI6aznaaBaaaleaacaWGTbGaaGimaaqabaGcda WcgaqaamaabmaabaGaamytamaaBaaaleaacaaIYaaabeaakiabgUca RmaalyaabaGaamyBaaqaaiaaikdaaaaacaGLOaGaayzkaaaabaWaae WaaeaacaWGnbWaaSbaaSqaaiaaigdaaeqaaOGaey4kaSIaamytamaa BaaaleaacaaIYaaabeaakiabgUcaRiaad2gaaiaawIcacaGLPaaaaa Gaaiilaaqaaaaaaa@782C@  (18)

ξ 2 ( )= lim t ξ 2 ( t )= lim p0 α0 p W 21 ( p ) Ψ m0 /p = d mi l Ψ m0 ( M 1 +m/2 )/ ( M 1 + M 2 +m ) , MathType@MTEF@5@5@+= feaagKart1ev2aaatCvAUfeBSjuyZL2yd9gzLbvyNv2CaerbuLwBLn hiov2DGi1BTfMBaeXatLxBI9gBaerbd9wDYLwzYbItLDharqqtubsr 4rNCHbGeaGqkY=Mj0xXdbba91rFfpec8Eeeu0xXdbba9frFj0=OqFf ea0dXdd9vqai=hGuQ8kuc9pgc9q8qqaq=dir=f0=yqaiVgFr0xfr=x fr=xb9adbaqaaeGaciGaaiaabeqaamaabaabaaGcbaGaeqOVdG3cda WgaaqaaiaaikdaaeqaaOWaaeWaaeaacqGHEisPaiaawIcacaGLPaaa cqGH9aqpdaWfqaqaaiaabYgacaqGPbGaaeyBaaWcbaGaamiDaiabgk ziUkabg6HiLcGcbeaacqaH+oaElmaaBaaabaGaaGOmaaqabaGcdaqa daqaaiaadshaaiaawIcacaGLPaaacqGH9aqpdaWfqaqaaiaabYgaca qGPbGaaeyBaaWcbaqbaeqabiqaaaqaaiaadchacqGHsgIRcaaIWaaa baGaeqySdeMaeyOKH4QaaGimaaaaaOqabaGaamiCaiaadEfadaWgaa WcbaGaaGOmaiaaigdaaOqabaWaaeWaaeaacaWGWbaacaGLOaGaayzk aaWaaSGbaeaacqqHOoqwdaWgaaWcbaGaamyBaiaaicdaaeqaaaGcba GaamiCaaaacqGH9aqpcaWGKbWaaSbaaSqaaiaad2gacaWGPbaabeaa kiaadYgacqqHOoqwdaWgaaWcbaGaamyBaiaaicdaaeqaaOWaaSGbae aadaqadaqaaiaad2eadaWgaaWcbaGaaGymaaqabaGccqGHRaWkdaWc gaqaaiaad2gaaeaacaaIYaaaaaGaayjkaiaawMcaaaqaamaabmaaba GaamytamaaBaaaleaacaaIXaaabeaakiabgUcaRiaad2eadaWgaaWc baGaaGOmaaqabaGccqGHRaWkcaWGTbaacaGLOaGaayzkaaaaaiaacY caaaa@7827@  (19)

ξ 1 ( )+ ξ 2 ( )= lim t ( ξ 1 ( t )+ ξ 2 ( t ) )= d mi l Ψ m0 MathType@MTEF@5@5@+= feaagKart1ev2aaatCvAUfeBSjuyZL2yd9gzLbvyNv2CaerbuLwBLn hiov2DGi1BTfMBaeXatLxBI9gBaerbd9wDYLwzYbItLDharqqtubsr 4rNCHbGeaGqkY=Mj0xXdbba91rFfpec8Eeeu0xXdbba9frFj0=OqFf ea0dXdd9vqai=hGuQ8kuc9pgc9q8qqaq=dir=f0=yqaiVgFr0xfr=x fr=xb9adbaqaaeGaciGaaiaabeqaamaabaabaaGcbaGaeqOVdG3cda WgaaqaaiaaigdaaeqaaOWaaeWaaeaacqGHEisPaiaawIcacaGLPaaa cqGHRaWkcqaH+oaElmaaBaaabaGaaGOmaaqabaGcdaqadaqaaiabg6 HiLcGaayjkaiaawMcaaiabg2da9maaxababaGaaeiBaiaabMgacaqG TbaaleaacaWG0bGaeyOKH4QaeyOhIukakeqaamaabmaabaGaeqOVdG 3aaSbaaSqaaiaaigdaaeqaaOWaaeWaaeaacaWG0baacaGLOaGaayzk aaGaey4kaSIaeqOVdG3cdaWgaaqaaiaaikdaaeqaaOWaaeWaaeaaca WG0baacaGLOaGaayzkaaaacaGLOaGaayzkaaGaeyypa0Jaamizamaa BaaaleaacaWGTbGaamyAaaqabaGccaWGSbGaeuiQdK1aaSbaaSqaai aad2gacaaIWaaabeaaaaa@6155@ , (20)

where m MathType@MTEF@5@5@+= feaagKart1ev2aaatCvAUfeBSjuyZL2yd9gzLbvyNv2CaerbuLwBLn hiov2DGi1BTfMBaeXatLxBI9gBaerbd9wDYLwzYbItLDharqqtubsr 4rNCHbGeaGqkY=Mj0xXdbba91rFfpec8Eeeu0xXdbba9frFj0=OqFf ea0dXdd9vqai=hGuQ8kuc9pgc9q8qqaq=dir=f0=yqaiVgFr0xfr=x fr=xb9adbaqaaeGaciGaaiaabeqaamaabaabaaGcbaGaamyBaaaa@3868@  is the mass of the electroelastic actuator, M 1 , M 2 MathType@MTEF@5@5@+= feaagKart1ev2aaatCvAUfeBSjuyZL2yd9gzLbvyNv2CaerbuLwBLn hiov2DGi1BTfMBaeXatLxBI9gBaerbd9wDYLwzYbItLDharqqtubsr 4rNCHbGeaGqkY=Mj0xXdbba91rFfpec8Eeeu0xXdbba9frFj0=OqFf ea0dXdd9vqai=hGuQ8kuc9pgc9q8qqaq=dir=f0=yqaiVgFr0xfr=x fr=xb9adbaqaaeGaciGaaiaabeqaamaabaabaaGcbaGaamytamaaBa aaleaacaaIXaaabeaakiaacYcacaaMe8UaamytamaaBaaaleaacaaI Yaaabeaaaaa@3D30@  are the load masses.

Let us consider the static characteristics of the piezoactuator from the piezoceramics PZT under the longitudinal piezoelectric effect at m<< M 1 MathType@MTEF@5@5@+= feaagKart1ev2aaatCvAUfeBSjuyZL2yd9gzLbvyNv2CaerbuLwBLn hiov2DGi1BTfMBaeXatLxBI9gBaerbd9wDYLwzYbItLDharqqtubsr 4rNCHbGeaGqkY=Mj0xXdbba91rFfpec8Eeeu0xXdbba9frFj0=OqFf ea0dXdd9vqai=hGuQ8kuc9pgc9q8qqaq=dir=f0=yqaiVgFr0xfr=x fr=xb9adbaqaaeGaciGaaiaabeqaamaabaabaaGcbaGaamyBaiabgY da8iabgYda8iaad2eadaWgaaWcbaGaaGymaaqabaaaaa@3C29@  and m<< M 2 MathType@MTEF@5@5@+= feaagKart1ev2aaatCvAUfeBSjuyZL2yd9gzLbvyNv2CaerbuLwBLn hiov2DGi1BTfMBaeXatLxBI9gBaerbd9wDYLwzYbItLDharqqtubsr 4rNCHbGeaGqkY=Mj0xXdbba91rFfpec8Eeeu0xXdbba9frFj0=OqFf ea0dXdd9vqai=hGuQ8kuc9pgc9q8qqaq=dir=f0=yqaiVgFr0xfr=x fr=xb9adbaqaaeGaciGaaiaabeqaamaabaabaaGcbaGaamyBaiabgY da8iabgYda8iaad2eadaWgaaWcbaGaaGOmaaqabaaaaa@3C2A@ . For d 33 =4 10 10 MathType@MTEF@5@5@+= feaagKart1ev2aaatCvAUfeBSjuyZL2yd9gzLbvyNv2CaerbuLwBLn hiov2DGi1BTfMBaeXatLxBI9gBaerbd9wDYLwzYbItLDharqqtubsr 4rNCHbGeaGqkY=Mj0xXdbba91rFfpec8Eeeu0xXdbba9frFj0=OqFf ea0dXdd9vqai=hGuQ8kuc9pgc9q8qqaq=dir=f0=yqaiVgFr0xfr=x fr=xb9adbaqaaeGaciGaaiaabeqaamaabaabaaGcbaGaamizaSWaaS baaeaacaaIZaGaaG4maaqabaGccqGH9aqpcaaI0aGaeyyXICTaaGym aiaaicdalmaaCaaabeqaaiabgkHiTiaaigdacaaIWaaaaaaa@4221@ m/V, U=50 MathType@MTEF@5@5@+= feaagKart1ev2aaatCvAUfeBSjuyZL2yd9gzLbvyNv2CaerbuLwBLn hiov2DGi1BTfMBaeXatLxBI9gBaerbd9wDYLwzYbItLDharqqtubsr 4rNCHbGeaGqkY=Mj0xXdbba91rFfpec8Eeeu0xXdbba9frFj0=OqFf ea0dXdd9vqai=hGuQ8kuc9pgc9q8qqaq=dir=f0=yqaiVgFr0xfr=x fr=xb9adbaqaaeGaciGaaiaabeqaamaabaabaaGcbaGaamyvaiabg2 da9iaaiwdacaaIWaaaaa@3ACF@ V, M 1 =2 MathType@MTEF@5@5@+= feaagKart1ev2aaatCvAUfeBSjuyZL2yd9gzLbvyNv2CaerbuLwBLn hiov2DGi1BTfMBaeXatLxBI9gBaerbd9wDYLwzYbItLDharqqtubsr 4rNCHbGeaGqkY=Mj0xXdbba91rFfpec8Eeeu0xXdbba9frFj0=OqFf ea0dXdd9vqai=hGuQ8kuc9pgc9q8qqaq=dir=f0=yqaiVgFr0xfr=x fr=xb9adbaqaaeGaciGaaiaabeqaamaabaabaaGcbaGaamytamaaBa aaleaacaaIXaaabeaakiabg2da9iaaikdaaaa@3AFB@ kg and M 2 =8 MathType@MTEF@5@5@+= feaagKart1ev2aaatCvAUfeBSjuyZL2yd9gzLbvyNv2CaerbuLwBLn hiov2DGi1BTfMBaeXatLxBI9gBaerbd9wDYLwzYbItLDharqqtubsr 4rNCHbGeaGqkY=Mj0xXdbba91rFfpec8Eeeu0xXdbba9frFj0=OqFf ea0dXdd9vqai=hGuQ8kuc9pgc9q8qqaq=dir=f0=yqaiVgFr0xfr=x fr=xb9adbaqaaeGaciGaaiaabeqaamaabaabaaGcbaGaamytamaaBa aaleaacaaIYaaabeaakiabg2da9iaaiIdaaaa@3B02@ kg we obtain the static displacement of the faces of the piezoactuator ξ 1 ( )=16 MathType@MTEF@5@5@+= feaagKart1ev2aaatCvAUfeBSjuyZL2yd9gzLbvyNv2CaerbuLwBLn hiov2DGi1BTfMBaeXatLxBI9gBaerbd9wDYLwzYbItLDharqqtubsr 4rNCHbGeaGqkY=Mj0xXdbba91rFfpec8Eeeu0xXdbba9frFj0=OqFf ea0dXdd9vqai=hGuQ8kuc9pgc9q8qqaq=dir=f0=yqaiVgFr0xfr=x fr=xb9adbaqaaeGaciGaaiaabeqaamaabaabaaGcbaGaeqOVdG3cda WgaaqaaiaaigdaaeqaaOWaaeWaaeaacqGHEisPaiaawIcacaGLPaaa cqGH9aqpcaaIXaGaaGOnaaaa@3FA5@ nm, ξ 2 ( )=4 MathType@MTEF@5@5@+= feaagKart1ev2aaatCvAUfeBSjuyZL2yd9gzLbvyNv2CaerbuLwBLn hiov2DGi1BTfMBaeXatLxBI9gBaerbd9wDYLwzYbItLDharqqtubsr 4rNCHbGeaGqkY=Mj0xXdbba91rFfpec8Eeeu0xXdbba9frFj0=OqFf ea0dXdd9vqai=hGuQ8kuc9pgc9q8qqaq=dir=f0=yqaiVgFr0xfr=x fr=xb9adbaqaaeGaciGaaiaabeqaamaabaabaaGcbaGaeqOVdG3cda WgaaqaaiaaikdaaeqaaOWaaeWaaeaacqGHEisPaiaawIcacaGLPaaa cqGH9aqpcaaI0aaaaa@3EE9@ nm, ξ 1 ( )+ ξ 2 ( )=20 MathType@MTEF@5@5@+= feaagKart1ev2aaatCvAUfeBSjuyZL2yd9gzLbvyNv2CaerbuLwBLn hiov2DGi1BTfMBaeXatLxBI9gBaerbd9wDYLwzYbItLDharqqtubsr 4rNCHbGeaGqkY=Mj0xXdbba91rFfpec8Eeeu0xXdbba9frFj0=OqFf ea0dXdd9vqai=hGuQ8kuc9pgc9q8qqaq=dir=f0=yqaiVgFr0xfr=x fr=xb9adbaqaaeGaciGaaiaabeqaamaabaabaaGcbaGaeqOVdG3cda WgaaqaaiaaigdaaeqaaOWaaeWaaeaacqGHEisPaiaawIcacaGLPaaa cqGHRaWkcqaH+oaElmaaBaaabaGaaGOmaaqabaGcdaqadaqaaiabg6 HiLcGaayjkaiaawMcaaiabg2da9iaaikdacaaIWaaaaa@4631@ nm. The displacements in the stationary regime of the faces for the piezoactuator under the transverse piezoelectric effect and the inertial load at U( t )= U 0 1( t ) MathType@MTEF@5@5@+= feaagKart1ev2aaatCvAUfeBSjuyZL2yd9gzLbvyNv2CaerbuLwBLn hiov2DGi1BTfMBaeXatLxBI9gBaerbd9wDYLwzYbItLDharqqtubsr 4rNCHbGeaGqkY=Mj0xXdbba91rFfpec8Eeeu0xXdbba9frFj0=OqFf ea0dXdd9vqai=hGuQ8kuc9pgc9q8qqaq=dir=f0=yqaiVgFr0xfr=x fr=xb9adbaqaaeGaciGaaiaabeqaamaabaabaaGcbaGaamyvamaabm aabaGaamiDaaGaayjkaiaawMcaaiabg2da9iaadwfalmaaBaaabaGa aGimaaqabaGccqGHflY1caaIXaWaaeWaaeaacaWG0baacaGLOaGaay zkaaaaaa@4329@ , E 3 ( t )= E 30 1( t )=( U 0 /δ )1( t ) MathType@MTEF@5@5@+= feaagKart1ev2aaatCvAUfeBSjuyZL2yd9gzLbvyNv2CaerbuLwBLn hiov2DGi1BTfMBaeXatLxBI9gBaerbd9wDYLwzYbItLDharqqtubsr 4rNCHbGeaGqkY=Mj0xXdbba91rFfpec8Eeeu0xXdbba9frFj0=OqFf ea0dXdd9vqai=hGuQ8kuc9pgc9q8qqaq=dir=f0=yqaiVgFr0xfr=x fr=xb9adbaqaaeGaciGaaiaabeqaamaabaabaaGcbaGaamyramaaBa aaleaacaaIZaaabeaakmaabmaabaGaamiDaaGaayjkaiaawMcaaiab g2da9iaadwealmaaBaaabaGaaG4maiaaicdaaeqaaOGaeyyXICTaaG ymamaabmaabaGaamiDaaGaayjkaiaawMcaaiabg2da9maabmaabaWa aSGbaeaacaWGvbWcdaWgaaqaaiaaicdaaeqaaaGcbaGaeqiTdqgaaa GaayjkaiaawMcaaiabgwSixlaaigdadaqadaqaaiaadshaaiaawIca caGLPaaaaaa@5054@ , F 1 ( t )= F 2 ( t )=0 MathType@MTEF@5@5@+= feaagKart1ev2aaatCvAUfeBSjuyZL2yd9gzLbvyNv2CaerbuLwBLn hiov2DGi1BTfMBaeXatLxBI9gBaerbd9wDYLwzYbItLDharqqtubsr 4rNCHbGeaGqkY=Mj0xXdbba91rFfpec8Eeeu0xXdbba9frFj0=OqFf ea0dXdd9vqai=hGuQ8kuc9pgc9q8qqaq=dir=f0=yqaiVgFr0xfr=x fr=xb9adbaqaaeGaciGaaiaabeqaamaabaabaaGcbaGaamOramaaBa aaleaacaaIXaaabeaakmaabmaabaGaamiDaaGaayjkaiaawMcaaiab g2da9iaadAeadaWgaaWcbaGaaGOmaaqabaGcdaqadaqaaiaadshaai aawIcacaGLPaaacqGH9aqpcaaIWaaaaa@42B9@  can be written in the following form

ξ 1 ( )= lim t ξ 1 ( t )= lim p0 α0 p W 11 ( p ) ( U 0 /δ )/p =d ( h/δ ) 31 U 0 ( M 2 +m/2 )/ ( M 1 + M 2 +m ) , MathType@MTEF@5@5@+= feaagKart1ev2aaatCvAUfeBSjuyZL2yd9gzLbvyNv2CaerbuLwBLn hiov2DGi1BTfMBaeXatLxBI9gBaerbd9wDYLwzYbItLDharqqtubsr 4rNCHbGeaGqkY=Mj0xXdbba91rFfpec8Eeeu0xXdbba9frFj0=OqFf ea0dXdd9vqai=hGuQ8kuc9pgc9q8qqaq=dir=f0=yqaiVgFr0xfr=x fr=xb9adbaqaaeGaciGaaiaabeqaamaabaabaaGceaqabeaacqaH+o aElmaaBaaabaGaaGymaaqabaGcdaqadaqaaiabg6HiLcGaayjkaiaa wMcaaiabg2da9maaxababaGaaeiBaiaabMgacaqGTbaaleaacaWG0b GaeyOKH4QaeyOhIukakeqaaiabe67a4TWaaSbaaeaacaaIXaaabeaa kmaabmaabaGaamiDaaGaayjkaiaawMcaaiabg2da9maaxababaGaae iBaiaabMgacaqGTbaaleaafaqabeGabaaabaGaamiCaiabgkziUkaa icdaaeaacqaHXoqycqGHsgIRcaaIWaaaaaGcbeaacaWGWbGaam4vam aaBaaaleaacaaIXaGaaGymaaGcbeaadaqadaqaaiaadchaaiaawIca caGLPaaadaWcgaqaamaabmaabaWaaSGbaeaacaWGvbWaaSbaaSqaai aaicdaaeqaaaGcbaGaeqiTdqgaaaGaayjkaiaawMcaaaqaaiaadcha aaGaeyypa0JaamizamaaBeaaleaacaaIZaGaaGymaaqabaGcdaqada qaamaalyaabaGaamiAaaqaaiabes7aKbaaaiaawIcacaGLPaaacaWG vbWaaSbaaSqaaiaaicdaaeqaaOWaaSGbaeaadaqadaqaaiaad2eada WgaaWcbaGaaGOmaaqabaGccqGHRaWkdaWcgaqaaiaad2gaaeaacaaI YaaaaaGaayjkaiaawMcaaaqaamaabmaabaGaamytamaaBaaaleaaca aIXaaabeaakiabgUcaRiaad2eadaWgaaWcbaGaaGOmaaqabaGccqGH RaWkcaWGTbaacaGLOaGaayzkaaaaaiaacYcaaeaaaaaa@7AFB@  (21)

ξ 2 ( )= lim t ξ 2 ( t )= lim p0 α0 p W 21 ( p ) ( U 0 /δ )/p = d 31 ( h/δ ) U 0 ( M 1 +m/2 )/ ( M 1 + M 2 +m ) MathType@MTEF@5@5@+= feaagKart1ev2aaatCvAUfeBSjuyZL2yd9gzLbvyNv2CaerbuLwBLn hiov2DGi1BTfMBaeXatLxBI9gBaerbd9wDYLwzYbItLDharqqtubsr 4rNCHbGeaGqkY=Mj0xXdbba91rFfpec8Eeeu0xXdbba9frFj0=OqFf ea0dXdd9vqai=hGuQ8kuc9pgc9q8qqaq=dir=f0=yqaiVgFr0xfr=x fr=xb9adbaqaaeGaciGaaiaabeqaamaabaabaaGceaqabeaacqaH+o aElmaaBaaabaGaaGOmaaqabaGcdaqadaqaaiabg6HiLcGaayjkaiaa wMcaaiabg2da9maaxababaGaaeiBaiaabMgacaqGTbaaleaacaWG0b GaeyOKH4QaeyOhIukakeqaaiabe67a4TWaaSbaaeaacaaIYaaabeaa kmaabmaabaGaamiDaaGaayjkaiaawMcaaiabg2da9maaxababaGaae iBaiaabMgacaqGTbaaleaafaqabeGabaaabaGaamiCaiabgkziUkaa icdaaeaacqaHXoqycqGHsgIRcaaIWaaaaaGcbeaacaWGWbGaam4vam aaBaaaleaacaaIYaGaaGymaaGcbeaadaqadaqaaiaadchaaiaawIca caGLPaaadaWcgaqaamaabmaabaWaaSGbaeaacaWGvbWaaSbaaSqaai aaicdaaeqaaaGcbaGaeqiTdqgaaaGaayjkaiaawMcaaaqaaiaadcha aaGaeyypa0JaamizamaaBaaaleaacaaIZaGaaGymaaqabaGcdaqada qaamaalyaabaGaamiAaaqaaiabes7aKbaaaiaawIcacaGLPaaacaWG vbWaaSbaaSqaaiaaicdaaeqaaOWaaSGbaeaadaqadaqaaiaad2eada WgaaWcbaGaaGymaaqabaGccqGHRaWkdaWcgaqaaiaad2gaaeaacaaI YaaaaaGaayjkaiaawMcaaaqaamaabmaabaGaamytamaaBaaaleaaca aIXaaabeaakiabgUcaRiaad2eadaWgaaWcbaGaaGOmaaqabaGccqGH RaWkcaWGTbaacaGLOaGaayzkaaaaaaqaaaaaaa@7A4C@  (22)

ξ 1 ( )+ ξ 2 ( )= lim t ( ξ 1 ( t )+ ξ 2 ( t ) )= d 31 ( h/δ ) U 0 MathType@MTEF@5@5@+= feaagKart1ev2aaatCvAUfeBSjuyZL2yd9gzLbvyNv2CaerbuLwBLn hiov2DGi1BTfMBaeXatLxBI9gBaerbd9wDYLwzYbItLDharqqtubsr 4rNCHbGeaGqkY=Mj0xXdbba91rFfpec8Eeeu0xXdbba9frFj0=OqFf ea0dXdd9vqai=hGuQ8kuc9pgc9q8qqaq=dir=f0=yqaiVgFr0xfr=x fr=xb9adbaqaaeGaciGaaiaabeqaamaabaabaaGcbaGaeqOVdG3cda WgaaqaaiaaigdaaeqaaOWaaeWaaeaacqGHEisPaiaawIcacaGLPaaa cqGHRaWkcqaH+oaElmaaBaaabaGaaGOmaaqabaGcdaqadaqaaiabg6 HiLcGaayjkaiaawMcaaiabg2da9maaxababaGaaeiBaiaabMgacaqG TbaaleaacaWG0bGaeyOKH4QaeyOhIukakeqaamaabmaabaGaeqOVdG 3aaSbaaSqaaiaaigdaaeqaaOWaaeWaaeaacaWG0baacaGLOaGaayzk aaGaey4kaSIaeqOVdG3cdaWgaaqaaiaaikdaaeqaaOWaaeWaaeaaca WG0baacaGLOaGaayzkaaaacaGLOaGaayzkaaGaeyypa0Jaamizamaa BaaaleaacaaIZaGaaGymaaqabaGcdaqadaqaamaalyaabaGaamiAaa qaaiabes7aKbaaaiaawIcacaGLPaaacaWGvbWaaSbaaSqaaiaaicda aeqaaaaa@6286@ . (23)

From (21), (22) we obtain the static displacements of the faces of the piezoactuator under the transverse piezoeffect at m<< M 1 MathType@MTEF@5@5@+= feaagKart1ev2aaatCvAUfeBSjuyZL2yd9gzLbvyNv2CaerbuLwBLn hiov2DGi1BTfMBaeXatLxBI9gBaerbd9wDYLwzYbItLDharqqtubsr 4rNCHbGeaGqkY=Mj0xXdbba91rFfpec8Eeeu0xXdbba9frFj0=OqFf ea0dXdd9vqai=hGuQ8kuc9pgc9q8qqaq=dir=f0=yqaiVgFr0xfr=x fr=xb9adbaqaaeGaciGaaiaabeqaamaabaabaaGcbaGaamyBaiabgY da8iabgYda8iaad2eadaWgaaWcbaGaaGymaaqabaaaaa@3C29@ , m<< M 2 MathType@MTEF@5@5@+= feaagKart1ev2aaatCvAUfeBSjuyZL2yd9gzLbvyNv2CaerbuLwBLn hiov2DGi1BTfMBaeXatLxBI9gBaerbd9wDYLwzYbItLDharqqtubsr 4rNCHbGeaGqkY=Mj0xXdbba91rFfpec8Eeeu0xXdbba9frFj0=OqFf ea0dXdd9vqai=hGuQ8kuc9pgc9q8qqaq=dir=f0=yqaiVgFr0xfr=x fr=xb9adbaqaaeGaciGaaiaabeqaamaabaabaaGcbaqcLbsacaWGTb GaeyipaWJaeyipaWJaamytaSWaaSbaaeaajugWaiaaikdaaSqabaaa aa@3DF2@  in the form

ξ 1 ( )= lim t ξ 1 ( t )= lim p0 α0 p W 11 ( p ) ( U 0 /δ )/p = d 31 ( h/δ ) U 0 M 2 / ( M 1 + M 2 ) , MathType@MTEF@5@5@+= feaagKart1ev2aaatCvAUfeBSjuyZL2yd9gzLbvyNv2CaerbuLwBLn hiov2DGi1BTfMBaeXatLxBI9gBaerbd9wDYLwzYbItLDharqqtubsr 4rNCHbGeaGqkY=Mj0xXdbba91rFfpec8Eeeu0xXdbba9frFj0=OqFf ea0dXdd9vqai=hGuQ8kuc9pgc9q8qqaq=dir=f0=yqaiVgFr0xfr=x fr=xb9adbaqaaeGaciGaaiaabeqaamaabaabaaGcbaGaeqOVdG3cda WgaaqaaiaaigdaaeqaaOWaaeWaaeaacqGHEisPaiaawIcacaGLPaaa cqGH9aqpdaWfqaqaaiaabYgacaqGPbGaaeyBaaWcbaGaamiDaiabgk ziUkabg6HiLcGcbeaacqaH+oaElmaaBaaabaGaaGymaaqabaGcdaqa daqaaiaadshaaiaawIcacaGLPaaacqGH9aqpdaWfqaqaaiaabYgaca qGPbGaaeyBaaWcbaqbaeqabiqaaaqaaiaadchacqGHsgIRcaaIWaaa baGaeqySdeMaeyOKH4QaaGimaaaaaOqabaGaamiCaiaadEfadaWgaa WcbaGaaGymaiaaigdaaOqabaWaaeWaaeaacaWGWbaacaGLOaGaayzk aaWaaSGbaeaadaqadaqaamaalyaabaGaamyvamaaBaaaleaacaaIWa aabeaaaOqaaiabes7aKbaaaiaawIcacaGLPaaaaeaacaWGWbaaaiab g2da9iaadsgadaWgaaWcbaGaaG4maiaaigdaaeqaaOWaaeWaaeaada WcgaqaaiaadIgaaeaacqaH0oazaaaacaGLOaGaayzkaaGaamyvamaa BaaaleaacaaIWaaabeaakmaalyaabaGaamytamaaBaaaleaacaaIYa aabeaaaOqaamaabmaabaGaamytamaaBaaaleaacaaIXaaabeaakiab gUcaRiaad2eadaWgaaWcbaGaaGOmaaqabaaakiaawIcacaGLPaaaaa Gaaiilaaaa@74F0@  (24)

ξ 2 ( )= lim t ξ 2 ( t )= lim p0 α0 p W 21 ( p ) ( U 0 /δ )/p = d 31 ( h/δ ) U 0 M 1 / ( M 1 + M 2 ) . MathType@MTEF@5@5@+= feaagKart1ev2aaatCvAUfeBSjuyZL2yd9gzLbvyNv2CaerbuLwBLn hiov2DGi1BTfMBaeXatLxBI9gBaerbd9wDYLwzYbItLDharqqtubsr 4rNCHbGeaGqkY=Mj0xXdbba91rFfpec8Eeeu0xXdbba9frFj0=OqFf ea0dXdd9vqai=hGuQ8kuc9pgc9q8qqaq=dir=f0=yqaiVgFr0xfr=x fr=xb9adbaqaaeGaciGaaiaabeqaamaabaabaaGceaqabeaacqaH+o aElmaaBaaabaGaaGOmaaqabaGcdaqadaqaaiabg6HiLcGaayjkaiaa wMcaaiabg2da9maaxababaGaaeiBaiaabMgacaqGTbaaleaacaWG0b GaeyOKH4QaeyOhIukakeqaaiabe67a4TWaaSbaaeaacaaIYaaabeaa kmaabmaabaGaamiDaaGaayjkaiaawMcaaiabg2da9maaxababaGaae iBaiaabMgacaqGTbaaleaafaqabeGabaaabaGaamiCaiabgkziUkaa icdaaeaacqaHXoqycqGHsgIRcaaIWaaaaaGcbeaacaWGWbGaam4vam aaBaaaleaacaaIYaGaaGymaaGcbeaadaqadaqaaiaadchaaiaawIca caGLPaaadaWcgaqaamaabmaabaWaaSGbaeaacaWGvbWaaSbaaSqaai aaicdaaeqaaaGcbaGaeqiTdqgaaaGaayjkaiaawMcaaaqaaiaadcha aaGaeyypa0JaamizamaaBaaaleaacaaIZaGaaGymaaqabaGcdaqada qaamaalyaabaGaamiAaaqaaiabes7aKbaaaiaawIcacaGLPaaacaWG vbWaaSbaaSqaaiaaicdaaeqaaOWaaSGbaeaacaWGnbWaaSbaaSqaai aaigdaaeqaaaGcbaWaaeWaaeaacaWGnbWaaSbaaSqaaiaaigdaaeqa aOGaey4kaSIaamytamaaBaaaleaacaaIYaaabeaaaOGaayjkaiaawM caaaaacaGGUaaabaaaaaa@74FB@  (25)

Let us consider the static characteristics of the piezoactuator from piezoceramics PZT under the transverse piezoelectric effect at m<< M 1 MathType@MTEF@5@5@+= feaagKart1ev2aaatCvAUfeBSjuyZL2yd9gzLbvyNv2CaerbuLwBLn hiov2DGi1BTfMBaeXatLxBI9gBaerbd9wDYLwzYbItLDharqqtubsr 4rNCHbGeaGqkY=Mj0xXdbba91rFfpec8Eeeu0xXdbba9frFj0=OqFf ea0dXdd9vqai=hGuQ8kuc9pgc9q8qqaq=dir=f0=yqaiVgFr0xfr=x fr=xb9adbaqaaeGaciGaaiaabeqaamaabaabaaGcbaGaamyBaiabgY da8iabgYda8iaad2eadaWgaaWcbaGaaGymaaqabaaaaa@3C29@  and m<< M 2 MathType@MTEF@5@5@+= feaagKart1ev2aaatCvAUfeBSjuyZL2yd9gzLbvyNv2CaerbuLwBLn hiov2DGi1BTfMBaeXatLxBI9gBaerbd9wDYLwzYbItLDharqqtubsr 4rNCHbGeaGqkY=Mj0xXdbba91rFfpec8Eeeu0xXdbba9frFj0=OqFf ea0dXdd9vqai=hGuQ8kuc9pgc9q8qqaq=dir=f0=yqaiVgFr0xfr=x fr=xb9adbaqaaeGaciGaaiaabeqaamaabaabaaGcbaGaamyBaiabgY da8iabgYda8iaad2eadaWgaaWcbaGaaGOmaaqabaaaaa@3C2A@ . For d 31 =2 10 10 MathType@MTEF@5@5@+= feaagKart1ev2aaatCvAUfeBSjuyZL2yd9gzLbvyNv2CaerbuLwBLn hiov2DGi1BTfMBaeXatLxBI9gBaerbd9wDYLwzYbItLDharqqtubsr 4rNCHbGeaGqkY=Mj0xXdbba91rFfpec8Eeeu0xXdbba9frFj0=OqFf ea0dXdd9vqai=hGuQ8kuc9pgc9q8qqaq=dir=f0=yqaiVgFr0xfr=x fr=xb9adbaqaaeGaciGaaiaabeqaamaabaabaaGcbaGaamizaSWaaS baaeaacaaIZaGaaGymaaqabaGccqGH9aqpcaaIYaGaeyyXICTaaGym aiaaicdalmaaCaaabeqaaiabgkHiTiaaigdacaaIWaaaaaaa@421D@ m/V, h=4 10 2 MathType@MTEF@5@5@+= feaagKart1ev2aaatCvAUfeBSjuyZL2yd9gzLbvyNv2CaerbuLwBLn hiov2DGi1BTfMBaeXatLxBI9gBaerbd9wDYLwzYbItLDharqqtubsr 4rNCHbGeaGqkY=Mj0xXdbba91rFfpec8Eeeu0xXdbba9frFj0=OqFf ea0dXdd9vqai=hGuQ8kuc9pgc9q8qqaq=dir=f0=yqaiVgFr0xfr=x fr=xb9adbaqaaeGaciGaaiaabeqaamaabaabaaGcbaGaamiAaiabg2 da9iaaisdacqGHflY1caaIXaGaaGimaSWaaWbaaeqabaGaeyOeI0Ia aGOmaaaaaaa@3FBC@ m, δ=2 10 3 MathType@MTEF@5@5@+= feaagKart1ev2aaatCvAUfeBSjuyZL2yd9gzLbvyNv2CaerbuLwBLn hiov2DGi1BTfMBaeXatLxBI9gBaerbd9wDYLwzYbItLDharqqtubsr 4rNCHbGeaGqkY=Mj0xXdbba91rFfpec8Eeeu0xXdbba9frFj0=OqFf ea0dXdd9vqai=hGuQ8kuc9pgc9q8qqaq=dir=f0=yqaiVgFr0xfr=x fr=xb9adbaqaaeGaciGaaiaabeqaamaabaabaaGcbaGaeqiTdqMaey ypa0JaaGOmaiabgwSixlaaigdacaaIWaWcdaahaaqabeaacqGHsisl caaIZaaaaaaa@4073@ m, U=50 MathType@MTEF@5@5@+= feaagKart1ev2aaatCvAUfeBSjuyZL2yd9gzLbvyNv2CaerbuLwBLn hiov2DGi1BTfMBaeXatLxBI9gBaerbd9wDYLwzYbItLDharqqtubsr 4rNCHbGeaGqkY=Mj0xXdbba91rFfpec8Eeeu0xXdbba9frFj0=OqFf ea0dXdd9vqai=hGuQ8kuc9pgc9q8qqaq=dir=f0=yqaiVgFr0xfr=x fr=xb9adbaqaaeGaciGaaiaabeqaamaabaabaaGcbaqcLbsacaWGvb Gaeyypa0JaaGynaiaaicdaaaa@3B5E@ V, M 1 =2 MathType@MTEF@5@5@+= feaagKart1ev2aaatCvAUfeBSjuyZL2yd9gzLbvyNv2CaerbuLwBLn hiov2DGi1BTfMBaeXatLxBI9gBaerbd9wDYLwzYbItLDharqqtubsr 4rNCHbGeaGqkY=Mj0xXdbba91rFfpec8Eeeu0xXdbba9frFj0=OqFf ea0dXdd9vqai=hGuQ8kuc9pgc9q8qqaq=dir=f0=yqaiVgFr0xfr=x fr=xb9adbaqaaeGaciGaaiaabeqaamaabaabaaGcbaGaamytamaaBa aaleaacaaIXaaabeaakiabg2da9iaaikdaaaa@3AFB@ kg and M 2 =8 MathType@MTEF@5@5@+= feaagKart1ev2aaatCvAUfeBSjuyZL2yd9gzLbvyNv2CaerbuLwBLn hiov2DGi1BTfMBaeXatLxBI9gBaerbd9wDYLwzYbItLDharqqtubsr 4rNCHbGeaGqkY=Mj0xXdbba91rFfpec8Eeeu0xXdbba9frFj0=OqFf ea0dXdd9vqai=hGuQ8kuc9pgc9q8qqaq=dir=f0=yqaiVgFr0xfr=x fr=xb9adbaqaaeGaciGaaiaabeqaamaabaabaaGcbaqcLbsacaWGnb WcdaWgaaqcbawaaKqzadGaaGOmaaqcbawabaqcLbsacqGH9aqpcaaI 4aaaaa@3E18@ M 2 =8 MathType@MTEF@5@5@+= feaagKart1ev2aaatCvAUfeBSjuyZL2yd9gzLbvyNv2CaerbuLwBLn hiov2DGi1BTfMBaeXatLxBI9gBaerbd9wDYLwzYbItLDharqqtubsr 4rNCHbGeaGqkY=Mj0xXdbba91rFfpec8Eeeu0xXdbba9frFj0=OqFf ea0dXdd9vqai=hGuQ8kuc9pgc9q8qqaq=dir=f0=yqaiVgFr0xfr=x fr=xb9adbaqaaeGaciGaaiaabeqaamaabaabaaGcbaqcLbsacaWGnb WcdaWgaaqcbawaaKqzadGaaGOmaaqcbawabaqcLbsacqGH9aqpcaaI 4aaaaa@3E18@ kg we obtain the static displacement of the faces of the piezoelectric actuator ξ 1 ( )=160 MathType@MTEF@5@5@+= feaagKart1ev2aaatCvAUfeBSjuyZL2yd9gzLbvyNv2CaerbuLwBLn hiov2DGi1BTfMBaeXatLxBI9gBaerbd9wDYLwzYbItLDharqqtubsr 4rNCHbGeaGqiVu0Je9sqqrpepC0xbbL8F4rqqrFfpeea0xe9Lq=Jc9 vqaqpepm0xbba9pwe9Q8fs0=yqaqpepae9pg0FirpepeKkFr0xfr=x fr=xb9adbaqaaeGaciGaaiaabeqaamaabaabaaGcbaaccaGae8NVdG 3cdaWgaaqaaiaaigdaaeqaaOWaaeWaaeaacqGHEisPaiaawIcacaGL PaaacqGH9aqpcaaIXaGaaGOnaiaaicdaaaa@3EE4@ nm, ξ 2 ( )=40 MathType@MTEF@5@5@+= feaagKart1ev2aaatCvAUfeBSjuyZL2yd9gzLbvyNv2CaerbuLwBLn hiov2DGi1BTfMBaeXatLxBI9gBaerbd9wDYLwzYbItLDharqqtubsr 4rNCHbGeaGqkY=Mj0xXdbba91rFfpec8Eeeu0xXdbba9frFj0=OqFf ea0dXdd9vqai=hGuQ8kuc9pgc9q8qqaq=dir=f0=yqaiVgFr0xfr=x fr=xb9adbaqaaeGaciGaaiaabeqaamaabaabaaGcbaaccaGae8NVdG 3cdaWgaaqaaiaaikdaaeqaaOWaaeWaaeaacqGHEisPaiaawIcacaGL PaaacqGH9aqpcaaI0aGaaGimaaaa@3FA8@ nm, ξ 1 ( )+ ξ 2 ( )=200 MathType@MTEF@5@5@+= feaagKart1ev2aaatCvAUfeBSjuyZL2yd9gzLbvyNv2CaerbuLwBLn hiov2DGi1BTfMBaeXatLxBI9gBaerbd9wDYLwzYbItLDharqqtubsr 4rNCHbGeaGqkY=Mj0xXdbba91rFfpec8Eeeu0xXdbba9frFj0=OqFf ea0dXdd9vqai=hGuQ8kuc9pgc9q8qqaq=dir=f0=yqaiVgFr0xfr=x fr=xb9adbaqaaeGaciGaaiaabeqaamaabaabaaGcbaaccaGae8NVdG 3aaSbaaSqaaiaaigdaaeqaaOWaaeWaaeaacqGHEisPaiaawIcacaGL PaaacqGHRaWkcaqG+oWcdaWgaaqaaiaaikdaaeqaaOWaaeWaaeaacq GHEisPaiaawIcacaGLPaaacqGH9aqpcaaIYaGaaGimaiaaicdaaaa@4671@ nm.

From (16) we obtain the transfer functions of the piezoactuator with the fixed end and the elastic inertial load so that M 1 MathType@MTEF@5@5@+= feaagKart1ev2aaatCvAUfeBSjuyZL2yd9gzLbvyNv2CaerbuLwBLn hiov2DGi1BTfMBaeXatLxBI9gBaerbd9wDYLwzYbItLDharqqtubsr 4rNCHbGeaGqkY=Mj0xXdbba91rFfpec8Eeeu0xXdbba9frFj0=OqFf ea0dXdd9vqai=hGuQ8kuc9pgc9q8qqaq=dir=f0=yqaiVgFr0xfr=x fr=xb9adbaqaaeGaciGaaiaabeqaamaabaabaaGcbaGaamytamaaBa aaleaacaaIXaaabeaakiabgkziUkabg6HiLcaa@3C97@  and m<< M 2 MathType@MTEF@5@5@+= feaagKart1ev2aaatCvAUfeBSjuyZL2yd9gzLbvyNv2CaerbuLwBLn hiov2DGi1BTfMBaeXatLxBI9gBaerbd9wDYLwzYbItLDharqqtubsr 4rNCHbGeaGqkY=Mj0xXdbba91rFfpec8Eeeu0xXdbba9frFj0=OqFf ea0dXdd9vqai=hGuQ8kuc9pgc9q8qqaq=dir=f0=yqaiVgFr0xfr=x fr=xb9adbaqaaeGaciGaaiaabeqaamaabaabaaGcbaGaamyBaiabgY da8iabgYda8iaad2eadaWgaaWcbaGaaGOmaaqabaaaaa@3C2A@  in the following form

W 2 ( p )= Ξ 2 ( p ) U( p ) = d 33 ( 1+ C e / C 33 E ) ( T t 2 p 2 +2 T t ξ t p+1 ) MathType@MTEF@5@5@+= feaagKart1ev2aaatCvAUfeBSjuyZL2yd9gzLbvyNv2CaerbuLwBLn hiov2DGi1BTfMBaeXatLxBI9gBaerbd9wDYLwzYbItLDharqqtubsr 4rNCHbGeaGqkY=Mj0xXdbba91rFfpec8Eeeu0xXdbba9frFj0=OqFf ea0dXdd9vqai=hGuQ8kuc9pgc9q8qqaq=dir=f0=yqaiVgFr0xfr=x fr=xb9adbaqaaeGaciGaaiaabeqaamaabaabaaGcbaGaam4vaSWaaS baaeaacaaIYaaabeaakmaabmaabaGaamiCaaGaayjkaiaawMcaaiab g2da9maalaaabaGaeuONdG1aaSbaaSqaaiaaikdaaOqabaWaaeWaae aacaWGWbaacaGLOaGaayzkaaaabaGaamyvamaabmaabaGaamiCaaGa ayjkaiaawMcaaaaacqGH9aqpdaWcaaqaaiaadsgalmaaBaaabaGaaG 4maiaaiodaaeqaaaGcbaWaaeWaaeaacaaIXaGaey4kaSYaaSGbaeaa caWGdbWcdaWgaaqaaiaadwgaaeqaaaGcbaGaam4qaSWaa0baaeaaca aIZaGaaG4maaqaaiaadweaaaaaaaGccaGLOaGaayzkaaGaaGjbVpaa bmaabaGaamivaSWaa0baaeaacaWG0baabaGaaGOmaaaakiaadchalm aaCaaabeqaaiaaikdaaaGccqGHRaWkcaaIYaGaamivaSWaaSbaaeaa caWG0baabeaakiabe67a4TWaaSbaaeaacaWG0baabeaakiaadchacq GHRaWkcaaIXaaacaGLOaGaayzkaaWaa0baaSqaaaqaaaaaaaaaaa@6254@ , (26)

where the time constant T t MathType@MTEF@5@5@+= feaagKart1ev2aaatCvAUfeBSjuyZL2yd9gzLbvyNv2CaerbuLwBLn hiov2DGi1BTfMBaeXatLxBI9gBaerbd9wDYLwzYbItLDharqqtubsr 4rNCHbGeaGqkY=Mj0xXdbba91rFfpec8Eeeu0xXdbba9frFj0=OqFf ea0dXdd9vqai=hGuQ8kuc9pgc9q8qqaq=dir=f0=yqaiVgFr0xfr=x fr=xb9adbaqaaeGaciGaaiaabeqaamaabaabaaGcbaGaamivaSWaaS baaeaacaWG0baabeaaaaa@3974@  and the damping coefficient ξ t MathType@MTEF@5@5@+= feaagKart1ev2aaatCvAUfeBSjuyZL2yd9gzLbvyNv2CaerbuLwBLn hiov2DGi1BTfMBaeXatLxBI9gBaerbd9wDYLwzYbItLDharqqtubsr 4rNCHbGeaGqkY=Mj0xXdbba91rFfpec8Eeeu0xXdbba9frFj0=OqFf ea0dXdd9vqai=hGuQ8kuc9pgc9q8qqaq=dir=f0=yqaiVgFr0xfr=x fr=xb9adbaqaaeGaciGaaiaabeqaamaabaabaaGcbaqcLbsacqaH+o aEkmaaBaaaleaajugWaiaadshaaSqabaaaaa@3C30@  are determined by the formulas

T t = M 2 / ( C + e C 33 E ) MathType@MTEF@5@5@+= feaagKart1ev2aaatCvAUfeBSjuyZL2yd9gzLbvyNv2CaerbuLwBLn hiov2DGi1BTfMBaeXatLxBI9gBaerbd9wDYLwzYbItLDharqqtubsr 4rNCHbGeaGqkY=Mj0xXdbba91rFfpec8Eeeu0xXdbba9frFj0=OqFf ea0dXdd9vqai=hGuQ8kuc9pgc9q8qqaq=dir=f0=yqaiVgFr0xfr=x fr=xb9adbaqaaeGaciGaaiaabeqaamaabaabaaGcbaGaamivaSWaaS baaeaacaWG0baabeaakiabg2da9maakaaabaWaaSGbaeaacaWGnbWa aSbaaSqaaiaaikdaaeqaaaGcbaWaaeWaaeaacaWGdbWcdaWgbaqaai aadwgaaeqaaOGaey4kaSIaam4qaSWaa0baaeaacaaIZaGaaG4maaqa aiaadweaaaaakiaawIcacaGLPaaaaaaaleqaaaaa@4410@ , ξ t = α δ 2 C 33 E / ( 3 c E M( C e + C 33 E ) ) MathType@MTEF@5@5@+= feaagKart1ev2aaatCvAUfeBSjuyZL2yd9gzLbvyNv2CaerbuLwBLn hiov2DGi1BTfMBaeXatLxBI9gBaerbd9wDYLwzYbItLDharqqtubsr 4rNCHbGeaGqkY=Mj0xXdbba91rFfpec8Eeeu0xXdbba9frFj0=OqFf ea0dXdd9vqai=hGuQ8kuc9pgc9q8qqaq=dir=f0=yqaiVgFr0xfr=x fr=xb9adbaqaaeGaciGaaiaabeqaamaabaabaaGcbaGaeqOVdG3cda WgaaqaaiaadshaaeqaaOGaeyypa0ZaaSGbaeaacqaHXoqycqaH0oaz lmaaCaaabeqaaiaaikdaaaGccaWGdbWcdaqhaaqaaiaaiodacaaIZa aabaGaamyraaaaaOqaamaabmaabaGaaG4maiaadogadaahaaWcbeqa aiaadweaaaGcdaGcaaqaaiaad2eadaqadaqaaiaadoealmaaBaaaba GaamyzaaqabaGccqGHRaWkcaWGdbWcdaqhaaqaaiaaiodacaaIZaaa baGaamyraaaaaOGaayjkaiaawMcaaaqabaaacaGLOaGaayzkaaaaaa aa@4FA5@ .

Let us consider the operation of the piezoactuator from piezoceramics PZT with one face rigidly fixed and the elastic inertial load so that M 1 MathType@MTEF@5@5@+= feaagKart1ev2aaatCvAUfeBSjuyZL2yd9gzLbvyNv2CaerbuLwBLn hiov2DGi1BTfMBaeXatLxBI9gBaerbd9wDYLwzYbItLDharqqtubsr 4rNCHbGeaGqkY=Mj0xXdbba91rFfpec8Eeeu0xXdbba9frFj0=OqFf ea0dXdd9vqai=hGuQ8kuc9pgc9q8qqaq=dir=f0=yqaiVgFr0xfr=x fr=xb9adbaqaaeGaciGaaiaabeqaamaabaabaaGcbaGaamytamaaBa aaleaacaaIXaaabeaakiabgkziUkabg6HiLcaa@3C97@  and m<< M 2 MathType@MTEF@5@5@+= feaagKart1ev2aaatCvAUfeBSjuyZL2yd9gzLbvyNv2CaerbuLwBLn hiov2DGi1BTfMBaeXatLxBI9gBaerbd9wDYLwzYbItLDharqqtubsr 4rNCHbGeaGqkY=Mj0xXdbba91rFfpec8Eeeu0xXdbba9frFj0=OqFf ea0dXdd9vqai=hGuQ8kuc9pgc9q8qqaq=dir=f0=yqaiVgFr0xfr=x fr=xb9adbaqaaeGaciGaaiaabeqaamaabaabaaGcbaGaamyBaiabgY da8iabgYda8iaad2eadaWgaaWcbaGaaGOmaaqabaaaaa@3C2A@  for M 2 =10 MathType@MTEF@5@5@+= feaagKart1ev2aaatCvAUfeBSjuyZL2yd9gzLbvyNv2CaerbuLwBLn hiov2DGi1BTfMBaeXatLxBI9gBaerbd9wDYLwzYbItLDharqqtubsr 4rNCHbGeaGqkY=Mj0xXdbba91rFfpec8Eeeu0xXdbba9frFj0=OqFf ea0dXdd9vqai=hGuQ8kuc9pgc9q8qqaq=dir=f0=yqaiVgFr0xfr=x fr=xb9adbaqaaeGaciGaaiaabeqaamaabaabaaGcbaGaamytamaaBa aaleaacaaIYaaabeaakiabg2da9iaaigdacaaIWaaaaa@3BB5@ kg, C 33 =2.1 10 6 MathType@MTEF@5@5@+= feaagKart1ev2aaatCvAUfeBSjuyZL2yd9gzLbvyNv2CaerbuLwBLn hiov2DGi1BTfMBaeXatLxBI9gBaerbd9wDYLwzYbItLDharqqtubsr 4rNCHbGeaGqkY=Mj0xXdbba91rFfpec8Eeeu0xXdbba9frFj0=OqFf ea0dXdd9vqai=hGuQ8kuc9pgc9q8qqaq=dir=f0=yqaiVgFr0xfr=x fr=xb9adbaqaaeGaciGaaiaabeqaamaabaabaaGcbaGaam4qaSWaaS baaeaacaaIZaGaaG4maaqabaGccqGH9aqpcaaIYaGaaiOlaiaaigda cqGHflY1caaIXaGaaGimaSWaaWbaaeqabaGaaGOnaaaaaaa@41C9@  N/m, C e =0.4 10 6 MathType@MTEF@5@5@+= feaagKart1ev2aaatCvAUfeBSjuyZL2yd9gzLbvyNv2CaerbuLwBLn hiov2DGi1BTfMBaeXatLxBI9gBaerbd9wDYLwzYbItLDharqqtubsr 4rNCHbGeaGqkY=Mj0xXdbba91rFfpec8Eeeu0xXdbba9frFj0=OqFf ea0dXdd9vqai=hGuQ8kuc9pgc9q8qqaq=dir=f0=yqaiVgFr0xfr=x fr=xb9adbaqaaeGaciGaaiaabeqaamaabaabaaGcbaGaam4qaSWaaS baaeaacaWGLbaabeaakiabg2da9iaaicdacaGGUaGaaGinaiabgwSi xlaaigdacaaIWaWcdaahaaqabeaacaaI2aaaaaaa@413A@ N/m we obtain T t =2 10 3 MathType@MTEF@5@5@+= feaagKart1ev2aaatCvAUfeBSjuyZL2yd9gzLbvyNv2CaerbuLwBLn hiov2DGi1BTfMBaeXatLxBI9gBaerbd9wDYLwzYbItLDharqqtubsr 4rNCHbGeaGqkY=Mj0xXdbba91rFfpec8Eeeu0xXdbba9frFj0=OqFf ea0dXdd9vqai=hGuQ8kuc9pgc9q8qqaq=dir=f0=yqaiVgFr0xfr=x fr=xb9adbaqaaeGaciGaaiaabeqaamaabaabaaGcbaGaamivaSWaaS baaeaacaWG0baabeaakiabg2da9iaaikdacqGHflY1caaIXaGaaGim amaaCaaaleqabaGaeyOeI0IaaG4maaaaaaa@40D6@ c. The experimental and calculated values for the piezoactuator are in agreement to an accuracy of 5%.

Conclusion

The structural–parametric models, the decision of the wave equation, the parametric structural schematic diagram, the transfer functions of the electroelastic actuator are obtained using Laplace transform. The parametric structural schematic diagram and the transfer functions of the piezoactuator for the transverse, longitudinal, shift piezoelectric effects are determined from the structural–parametric model of the electroelastic actuator. The transfer functions in matrix form are describes deformations of the piezoactuator during its operation as part of the mechatronics system for the nanotechnology and the ecology research. From the decision of the electroelasticity equation, the wave equation and the features of the deformations along the coordinate axes we obtain the generalized structural–parametric model and the parametric structural schematic diagram of the electroelastic actuator for the mechatronics system and its dynamic and static properties.

Acknowledgements

None.

Conflict of interest

The author declares there is no conflict of interest.

References

  1. Schultz J, Ueda J, Asada H. Cellular Actuators. Oxford: Butterworth– Heinemann Publisher. 2017;382.
  2. Uchino K. Piezoelectric actuator and ultrasonic motors. Boston, MA: Kluwer Academic Publisher. 1997;347.
  3. Afonin SM. Solution of the wave equation for the control of an elecromagnetoelastic transduser. Doklady mathematics. 2006;73(2):307–313.
  4. Afonin SM. Structural parametric model of a piezoelectric nanodisplacement transduser. Doklady physics. 2008;53(3):137–143.
  5. Afonin SM. Stability of strain control systems of nano and microdisplacement piezotransducers. Mechanics of solids. 2014;49(2):196–207.
  6. Talakokula V, Bhalla S, Ball RJ, et al. Diagnosis of carbonation induced corrosion initiation and progression in reinforced concrete structures using piezo– impedance transducers. Sensors and Actuators A: Physical. 2016;242(1):79–91.
  7. Cady WG. Piezoelectricity: An introduction to the theory and applications of electromechancial phenomena in crystals. New York, London: McGraw– Hill Book Company. 1946;806.
  8. Mason W. Physical Acoustics: Principles and Methods. Methods and Devices. New York: Academic Press. 19641(PART A):515.
  9. Yang Y, Tang L. Equivalent circuit modeling of piezoelectric energy harvesters. Journal of intelligent material systems and structures. 2009;20(18):2223–2235.
  10. Zwillinger D. Handbook of Differential Equations. Boston: Academic Press. 1989;673.
  11. Afonin SM. Structural– parametric model and transfer functions of electroelastic actuator for nano and microdisplacement. Chapter 9 in Piezoelectric and Nanomaterials: Fundamentals, Developments and Applications. In: Parinov IA, editor. New York: Nova Science. 2015;225–242.
  12. Afonin SM. Generalized parametric structural model of a compound elecromagnetoelastic transduser. Doklady physics. 2005;50(2):77–82.
  13. Afonin SM. Parametric structural diagram of a piezoelectric converter. Mechanics of solids. 2002;37(6):85–91.
  14. Afonin SM. Block diagrams of a multilayer piezoelectric motor for nano– and microdisplacements based on the transverse piezoeffect. Journal of computer and systems sciences international. 2015;54(3):424–439.
  15. Bhushan B. Springer Handbook of Nanotechnology. New York: Springer, 2004;1222.
  16. Nalwa HS. Encyclopedia of Nanoscience and Nanotechnology. Calif.: American Scientific Publishers. 2004.
Creative Commons Attribution License

©2018 Afonin. This is an open access article distributed under the terms of the, which permits unrestricted use, distribution, and build upon your work non-commercially.