Submit manuscript...
Open Access Journal of
eISSN: 2575-9086

Science

Research Article Volume 2 Issue 1

Transfer of inflammation in the air

Fedotov VG, Elena Fedotova

NN Semenov Institute of Chemical Physics, Moscow

Correspondence: Fedotov VG, NN Semenov Institute of Chemical Physics, Russian Federation, Moscow, Tel 8(495)564-97-63

Received: November 06, 2017 | Published: January 10, 2018

Citation: Fedotov VG, Fedotova E. Transfer of inflammation in the air. Open Access J Sci. 2018;2(1):1-2. DOI: 10.15406/oajs.2018.02.00035

Download PDF

Abstract

Active Medium of the Electronic Energy Explosion (EEE) in Air initiated by Electric Discharge near Ferrite Surface results in inflammation of Air in the Electric Field with Tension about 1000 V/cm. This Property can be used for inflammation of any big Volume of Air and production of Laser Generation with any big Energy.

Keywords: electric discharge, electronic energy, explosion, inflammation in air, transfer of no, propagation of inflammation, electric field, branched chain reaction, branching factor, nitrogen oxidation, active zone transfer, laser generation, nitric acid production.

Introduction

For the explanation of Electronic Energy Explosion (EEE) in Air initiated by electrical discharge in air near the surface of a ferrite core it was assumed that NO formation close to the ferrite surface results in electrical breakdown in the air at low voltage E=440 V/cm.1,2 The electrical discharge at mentioned voltage results in EEE which causes nitrogen oxidation chain reaction. At these conditions the active zone of EEE propagated from the ferrite surface into the whole volume of electrical field. In the laser experiments3 the volume of EEE active zone contained 20-30cm3. One can expect that the effectiveness of possible applications of EEE for nitric acid production or laser generation2,3 will rise with EEE active zone enhancement. The reachable dimension A of EEE active zone is restricted by the condition A/v<T, where “v” is the propagation velocity of EEE active zone and “T” is the time of capacitors battery discharge. The aim of the present investigation was the experimental verification of EEE active zone transfer possibility from one discharge gap to another and evaluation of the parameter “v”.

Methods

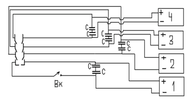
The outline of the device used for transfer of inflammation in air observation is placed on the (Figure 1). Elucidations to the outline are placed in the capture to (Figure 1). The diagram of electrical connections can be found on the (Figure 2). EEE were video recorded using digital camera Sony DSC-650.

Figure 1 The outline of the device used for inflammation in air propagation observation. Designations:
1. The ferrite core of TV fly-back transformer
2. The walls made of wood
3. The first pair of electrodes which are in contact with ferrite surface, it is connected to the first capacitors battery (two electrolytic capacitors (C = 1000 μF) connected in series, charged to 220 V on each of them)
4. The second pair of electrodes connected to the second capacitors battery (parameters of all capacitors batteries are identical);
5. The third pair of electrodes connected to the third capacitors battery;
6. The fourth pair of electrodes connected to the fourth capacitors battery;
7. The side covers made of glass.

Figure 2 The diagram of electrical connections. 1, 2, 3, 4 -AC rectifiers with output voltage 440 V; С- electrolytic capacitors (C = 1000 μF). Вк-the switch for the pair of electrodes contacting with ferrite surface Pairs of electrodes are shown in the same way, as on the Figure 1.

Results of experiments

The described device makes it possible to observe the EEE active zone transfer from the ferrite surface to the discharge gap of fourth pair of electrodes (Figure 1). In case the side covers (7 on Figure 1) preventing the plasma flying away in side directions are removed from the device, the transfer of inflammation disappears. The distance between two adjacent pairs of electrodes is crucial for inflammation transfer. There is shown on the Fig.1 that the lower edge of electrodes of the second pair is positioned lower then the upper edge of electrodes of the first pair. If the second pair of electrodes would be positioned 10 mm upper, the inflammation transfer from the first discharge gap to the second would disappear. (Figure 3) (Figure 4) enable one to compare radiation intensities when only one pair of electrodes is operating (Figure 1) and when 4 pairs operate. So it is established that the EEE active zone possesses the property of propagation in the electricfield with tension about 1000 V/cm. On the conditions of the experiment (Figure 4) the EEE active zone has transferred approximately at 10 cm. For the evaluation of the velocity of propagation let us take into account that the electrodes width is 25 mm., and the discharge time of one capacitors battery is about 2 milliseconds as it can be seen at the oscillogram of discharge current.1 From this it follows that

V12m/c MathType@MTEF@5@5@+= feaagKart1ev2aaatCvAUfeBSjuyZL2yd9gzLbvyNv2CaerbuLwBLn hiov2DGi1BTfMBaeXatLxBI9gBaerbd9wDYLwzYbItLDharqqtubsr 4rNCHbGeaGqiVu0Je9sqqrpepC0xbbL8F4rqqrFfpeea0xe9Lq=Jc9 vqaqpepm0xbba9pwe9Q8fs0=yqaqpepae9pg0FirpepeKkFr0xfr=x fr=xb9adbaqaaeGaciGaaiaabeqaamaabaabaaGcbaqcaaIaamOvai abgwMiZkaaigdacaaIYaGaamyBaiaac+cacaWGJbaaaa@3CC4@

The green glass was positioned before the objective lens of digital camera to diminish the photo signal (the radiation is predominantly of blue color)

Figure 3 One frame of video record with EEE in the first discharge gap (only the first capacitors battery was charged).

Figure 4 One frame of video record with EEE in all four discharge gaps.

Discussion

According to the chemical kinetic model of nitrogen oxidation chain reaction4 it can be stated for the chain branching factor: φ=k*[NO] where k- is a rate constant for the reaction

NO+O+M=>N O 2 *( E=3.29eV )+M MathType@MTEF@5@5@+= feaagKart1ev2aaatCvAUfeBSjuyZL2yd9gzLbvyNv2CaerbuLwBLn hiov2DGi1BTfMBaeXatLxBI9gBaerbd9wDYLwzYbItLDharqqtubsr 4rNCHbGeaGqiVu0Je9sqqrpepC0xbbL8F4rqqrFfpeea0xe9Lq=Jc9 vqaqpepm0xbba9pwe9Q8fs0=yqaqpepae9pg0FirpepeKkFr0xfr=x fr=xb9adbaqaaeGaciGaaiaabeqaamaabaabaaGcbaqcfaOaamOtai aad+eacqGHRaWkcaWGpbGaey4kaSIaamytaiabg2da9iabg6da+iaa d6eacaWGpbWaaSbaaKqbGeaacaaIYaaabeaajuaGcaGGQaWaaeWaae aacaWGfbGaeyypa0JaaG4maiaac6cacaaIYaGaaGyoaiaadwgacaWG wbaacaGLOaGaayzkaaGaey4kaSIaamytaaaa@4B51@    (1)

Therefore the transfer of NO molecules from the EEE active zone into adjacent volume makes possible the air inflammation in that volume. But the transferred NO concentration should be enough big and the presence of electric field is obligatory. The main conclusion is: the EEE active zone propagation in the electric fields with tension about 1000 V/сm is established fact. By using a voltage source with output tension 100 kV with electrodes positioned at the distance about 100 cm it is possible to achieve the mentioned above electric tension in the volume about 1m3. EEE in such volume makes possible to enhance the laser generation intensity to very big value.

Acknowledgements

None.

Conflict of interest

The authors declare that there is no conflict of interest.

References

Creative Commons Attribution License

©2018 Fedotov, et al. This is an open access article distributed under the terms of the, which permits unrestricted use, distribution, and build upon your work non-commercially.